Dual Resonant Frequency Inductive Power Transfer in an Underwater Tight Coupling System
Abstract
1. Introduction
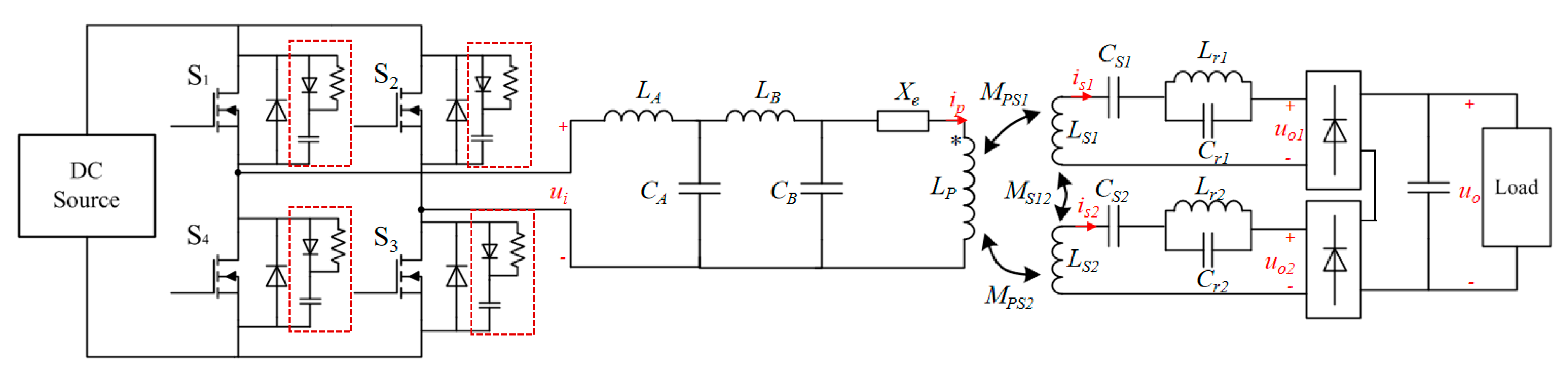
2. Dual Resonant Frequency Inductive Power Transfer
2.1. Dual Channel Inductive Power Transfer
2.1.1. Determination of Circuit Parameters
2.1.2. System Output Characteristics
2.2. Comparison of Dual and Single Channel Systems
2.2.1. Rectifier Circuit Conduction Loss
2.2.2. Winding Loss on Loosely Coupled Transformer
3. Experiment Verification
4. Conclusions
Author Contributions
Funding
Institutional Review Board Statement
Informed Consent Statement
Data Availability Statement
Conflicts of Interest
References
- Benedetto., A.; Luca, P.; Alberto, R.; Fabio, C. Wireless power recharge for underwater robotics. In Proceedings of the 2017 IEEE International Conference on Environment and Electrical Engineering and 2017 IEEE Industrial and Commercial Power Systems Europe (EEEIC/I&CPS Europe), Milan, Italy, 6–9 June 2017; pp. 1–6. [Google Scholar]
- Kan, T.; Zhang, Y.; Yan, Z.; Mercier, P.; Mi, C. A Rotation-Resilient Wireless Charging System for Lightweight Autonomous Underwater Vehicles. IEEE Trans. Veh. Technol. 2018, 67, 6935–6942. [Google Scholar] [CrossRef]
- Kan, T.; Mai, R.; Mercier, P.; Mi, C. Design and analysis of a three phase wireless charging system for lightweight autonomous underwater vehicles. IEEE Trans. Power Electron. 2018, 33, 6622–6632. [Google Scholar] [CrossRef]
- Lin, M.; Li, D.; Yang, C. Design of an ICPT system for battery charging applied to underwater docking systems. Ocean Eng. 2017, 145, 373–381. [Google Scholar] [CrossRef]
- Hui, S.Y.R.; Zhong, W.; Lee, C.K. A Critical Review of Recent Progress in Mid-Range Wireless Power Transfer. IEEE Trans. Power Electron. 2014, 29, 4500–4511. [Google Scholar] [CrossRef]
- Mi, C.C.; Buja, G.; Choi, S.Y.; Rim, C.T. Modern Advances in Wireless Power Transfer Systems for Roadway Powered Electric Vehicles. IEEE Trans. Industrial Electron. 2016, 63, 6533–6545. [Google Scholar] [CrossRef]
- Zhang, C.; Lin, D.; Tang, N.; Hui, S.Y.R. A Novel Electric Insulation String Structure with High-Voltage Insulation and Wireless Power Transfer Capabilities. IEEE Trans. Power Electron. 2018, 33, 87–96. [Google Scholar] [CrossRef]
- Zhong, W.X.; Hui, S.Y.R. Maximum Energy Efficiency Tracking for Wireless Power Transfer Systems. IEEE Trans. Power Electron. 2015, 30, 4025–4034. [Google Scholar] [CrossRef]
- Zhang, C.; Lin, D.; Hui, S.Y.R. Ball-Joint Wireless Power Transfer Systems. IEEE Trans. Power Electron. 2018, 33, 65–72. [Google Scholar] [CrossRef]
- Zhang, K.; Ma, Y.; Yan, Z.; Di, Z.; Song, B. Eddy Current Loss and Detuning Effect of Seawater on Wireless Power Transfer. IEEE J. Emerg. Sel. Top. Power Electron. 2018, 8, 909–917. [Google Scholar] [CrossRef]
- Zhang, K.; Zhu, Z.; Du, L.; Song, B. Eddy loss analysis and parameter optimization of the WPT system in seawater. J. Power Electron. 2018, 18, 778–788. [Google Scholar]
- Yan, Z.; Song, B.; Zhang, K.; Wen, H.; Mao, Z.; Hu, Y. Eddy current loss analysis of underwater wireless power transfer systems with misalignments. AIP Adv. 2018, 8, 101421. [Google Scholar] [CrossRef]
- Zhang, Y.; Kan, T.; Yan, Z.; Mao, Y.; Wu, Z.; Mi, C. Modeling and analysis of series-none compensation for wireless power transfer system with a strong coupling. IEEE Trans. Power Electron. 2019, 34, 1209–1215. [Google Scholar] [CrossRef]
- Jolani, F.; Yu, Y.; Chen, Z. Enhanced planar wireless power transfer using strongly coupled magnetic resonance. Electron. Lett. 2015, 51, 173–174. [Google Scholar] [CrossRef]
- Ho, S.L.; Wang, J.; Fu, W.N.; Sun, M. A Comparative Study between Novel Witricity and Traditional Inductive Magnetic Coupling in Wireless Charging. IEEE Trans. Magn. 2011, 47, 1522–1525. [Google Scholar] [CrossRef]
- Zhang, Y.; Yan, Z.; Kan, T.; Liu, Y.; Mi, C.C. Modelling and analysis of the distortion of strongly-coupled wireless power transfer systems with SS and LCC–LCC compensations. IET Power Electron. 2019, 12, 1321–1328. [Google Scholar] [CrossRef]
- Ahn, D.; Kiani, M.; Ghoyanloo, M. Enhanced Wireless Power Transmission Using Strong Paramagnetic Response. IEEE Trans. Magn. 2014, 50, 96–103. [Google Scholar] [CrossRef]
- Wang, J.; Ho, S.L.; Fu, W.; Kit, C.T.; Sun, M. Finite-Element Analysis and Corresponding Experiments of Resonant Energy Transfer for Wireless Transmission Devices. IEEE Trans. Magn. 2011, 47, 1074–1077. [Google Scholar] [CrossRef]
- Sun, T.; Xie, X.; Li, G.; Gu, Y.; Deng, Y.; Wang, Z. A Two-Hop Wireless Power Transfer System with an Efficiency-Enhanced Power Receiver for Motion-Free Capsule Endoscopy Inspection. IEEE Trans. Biomed. Eng. 2012, 59, 3247–3254. [Google Scholar]
- Huh, S.; Ahn, D. Two-Transmitter Wireless Power Transfer with Optimal Activation and Current Selection of Transmitters. IEEE Trans. Power Electron. 2018, 33, 4957–4967. [Google Scholar] [CrossRef]
- Kim, Y.J.; Ha, D.; Chappell, W.J.; Irazoqui, P.P. Selective wireless power transfer for smart power distribution in a miniature-sized multiple-receiver system. IEEE Trans. Ind. Electron. 2016, 63, 1853–1862. [Google Scholar] [CrossRef]
- Zhao, C.; Costinett, D. GaN-based dual-mode wireless power transfer using multifrequency programmed pulse width modulation. IEEE Trans. Ind. Electron. 2017, 64, 9165–9176. [Google Scholar] [CrossRef]
- Ahn, D.; Mercier, P.P. Wireless power transfer with concurrent 200-kHz and 6.78-MHz operation in a single-transmitter device. IEEE Trans. Ind. Electron. 2016, 31, 5018–5029. [Google Scholar] [CrossRef]
- Pantic, Z.; Lee, K.; Lukic, S.M. Multifrequency inductive power transfer. IEEE Trans. Power Electron. 2014, 29, 5995–6005. [Google Scholar] [CrossRef]
- Liu, F.; Yang, Y.; Ding, Z.; Chen, X.; Kennel, R.M. A multifrequency superposition methodology to achieve high efficiency and targeted power distribution for a multiload MCR WPT system. IEEE Trans. Power Electron. 2018, 33, 9005–9016. [Google Scholar] [CrossRef]
- Liu, F.; Yang, Y.; Ding, Z.; Chen, X.; Kennel, R.M. Eliminating cross interference between multiple receivers to achieve targeted power distribution for a multi-frequency multi-load MCR WPT system. IET Power Electron. 2018, 11, 1321–1328. [Google Scholar] [CrossRef]
- Peng, F.Z.; Su, G.J.; Tolbert, L.M. A Passive Soft-Switching Snubber for PWM Inverters. IEEE Trans. Power Electron. 2004, 19, 363–370. [Google Scholar] [CrossRef]
- Zhou, J.; Yao, P.; Chen, Y.; Guo, K.; Hu, S.; Sun, H. Design Considerations for a Self-latching Coupling Structure of Inductive Power Transfer for Autonomous Underwater Vehicle. IEEE Trans. Ind. Appl. 2020, 57, 580–587. [Google Scholar] [CrossRef]


















| k | 0.52 | 0.61 | 0.71 | 0.82 |
|---|---|---|---|---|
| IP_3/IP_1 (%) | 6.72 | 10.64 | 22.39 | 48.56 |
| Parameters | LA/μH | LB/μH | Lp/μH | Ls1/μH | Ls2/μH | CA/nF |
|---|---|---|---|---|---|---|
| Value | 106.1 | 79.6 | 254.87 | 252.99 | 49.01 | 31.8 |
| Parameters | CB/nF | Cs1/nF | Cs2/nF | Lr1/μH | Lr2/μH | Cr1/nF |
| Value | 42.4 | 36.8 | 26.3 | 20 | 50 | 56.3 |
| Parameters | Cr2/nF | f/kHz | Mps1/μH | Mps2/μH | Ms12/μH | RL/Ω |
| Value | 202.6 | 50 | 200.08 | 106.41 | 92.34 | 50 |
Publisher’s Note: MDPI stays neutral with regard to jurisdictional claims in published maps and institutional affiliations. |
© 2021 by the authors. Licensee MDPI, Basel, Switzerland. This article is an open access article distributed under the terms and conditions of the Creative Commons Attribution (CC BY) license (http://creativecommons.org/licenses/by/4.0/).
Share and Cite
Zhou, J.; Yao, P.; He, R.; Guo, K.; Zhang, Y.; Ma, H. Dual Resonant Frequency Inductive Power Transfer in an Underwater Tight Coupling System. Energies 2021, 14, 242. https://doi.org/10.3390/en14010242
Zhou J, Yao P, He R, Guo K, Zhang Y, Ma H. Dual Resonant Frequency Inductive Power Transfer in an Underwater Tight Coupling System. Energies. 2021; 14(1):242. https://doi.org/10.3390/en14010242
Chicago/Turabian StyleZhou, Jing, Pengzhi Yao, Rui He, Kan Guo, Yao Zhang, and Hao Ma. 2021. "Dual Resonant Frequency Inductive Power Transfer in an Underwater Tight Coupling System" Energies 14, no. 1: 242. https://doi.org/10.3390/en14010242
APA StyleZhou, J., Yao, P., He, R., Guo, K., Zhang, Y., & Ma, H. (2021). Dual Resonant Frequency Inductive Power Transfer in an Underwater Tight Coupling System. Energies, 14(1), 242. https://doi.org/10.3390/en14010242

