Electrical Characterization of MIS Schottky Barrier Diodes Based on Nanostructured Porous Silicon and Silver Nanoparticles with Applications in Solar Cells
Abstract
1. Introduction
2. Experimental
2.1. Fabrication of the Si-Based MIS Schottky Barrier Diodes
2.1.1. Fabrication of the NanoPS Layers
2.1.2. Infiltration of Silver Nanoparticles (AgNPs)
2.1.3. Spin Coating of TiO2 Thin Films
2.1.4. Ni/Cr Top Contact
2.2. Characterization
3. Experimental Results
3.1. Morphology
3.2. Electrical Characterization
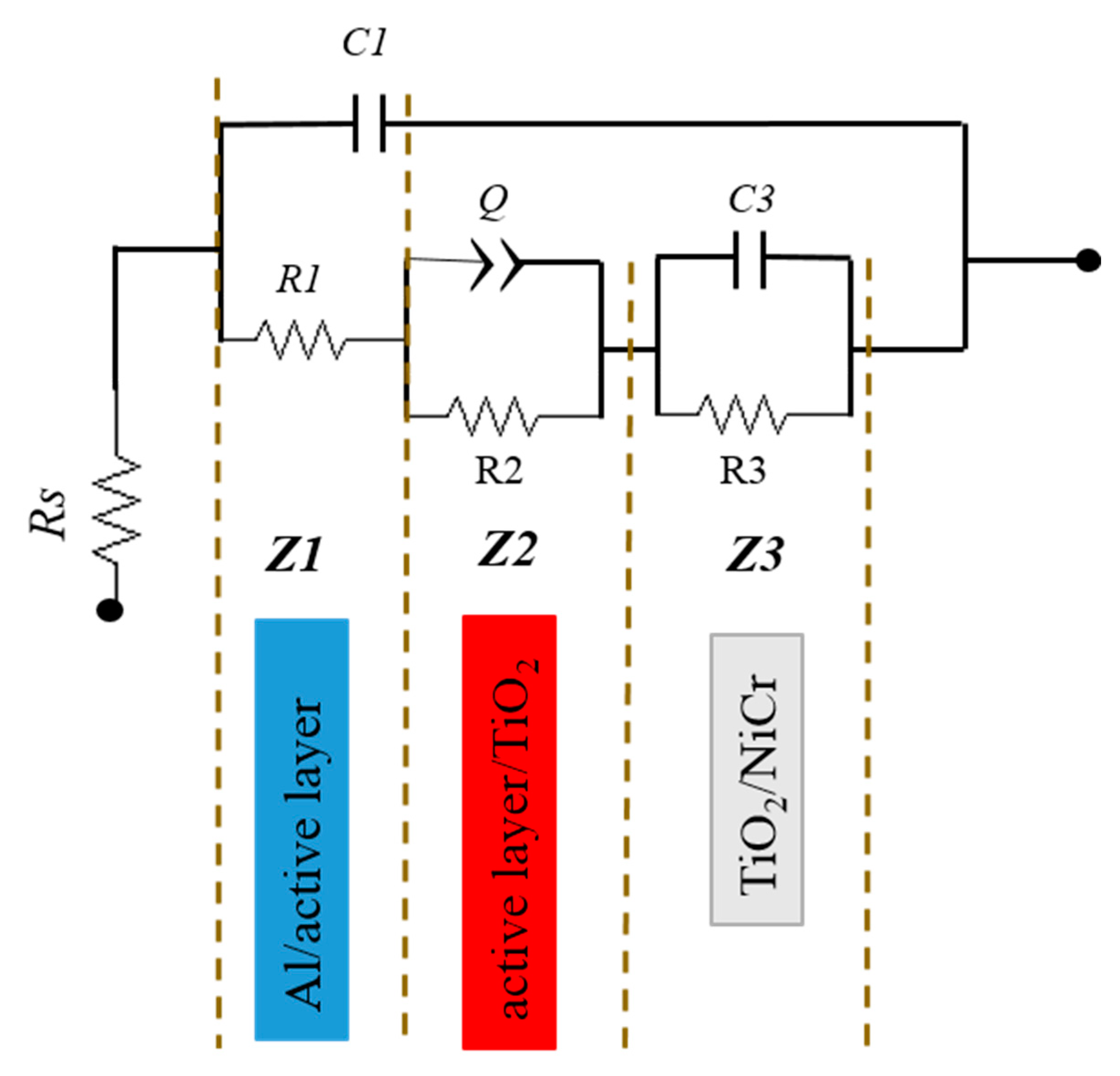
3.2.1. AC Electrical Measurements
3.2.2. DC Electrical Measurements
4. Conclusions
Author Contributions
Funding
Acknowledgments
Conflicts of Interest
References
- Gautier, G.; Defforge, T.; Desplobain, S.; Billoué, J.; Capelle, M.; Povéda, P.; Vanga, K.; Lu, B.; Bardet, B.; Lascaud, J. Porous silicon in microelectronics: From academic studies to industry. ECS Trans. 2015, 69, 123–134. [Google Scholar] [CrossRef]
- Canham, L. Handbook of Porous Silicon; Springer: Berlin/Heidelberg, Germany, 2014. [Google Scholar]
- Martın-Palma, R.; Pérez-Rigueiro, J.; Martınez-Duart, J. Study of carrier transport in metal/porous silicon/Si structures. J. Appl. Phys. 1999, 86, 6911–6914. [Google Scholar] [CrossRef]
- Martín-Palma, R.; Pérez-Rigueiro, J.; Guerrero-Lemus, R.; Moreno, J.; Martínez-Duart, J. Ageing of aluminum electrical contacts to porous silicon. J. Appl. Phys. 1999, 85, 583–586. [Google Scholar] [CrossRef]
- Shetty, A.; Roul, B.; Mukundan, S.; Mohan, L.; Chandan, G.; Vinoy, K.; Krupanidhi, S. Temperature dependent electrical characterisation of Pt/HfO2/n-GaN metal-insulator-semiconductor (MIS) Schottky diodes. AIP Adv. 2015, 5, 097103. [Google Scholar] [CrossRef]
- Kim, H.; Kumar, M.D.; Kim, J. Highly-performing Ni/SiO2/Si MIS photodetector for NIR detecting applications. Sens. Actuators A Phys. 2015, 233, 290–294. [Google Scholar] [CrossRef]
- Digdaya, I.A.; Adhyaksa, G.W.; Trześniewski, B.J.; Garnett, E.C.; Smith, W.A. Interfacial engineering of metal-insulator-semiconductor junctions for efficient and stable photoelectrochemical water oxidation. Nat. Commun. 2017, 8, 15968. [Google Scholar] [CrossRef]
- Chang, T.-Y.; Chang, C.-L.; Lee, H.-Y.; Lee, P.-T. A metal-insulator-semiconductor solar cell with high open-circuit voltage using a stacking structure. IEEE Electron Device Lett. 2010, 31, 1419–1421. [Google Scholar] [CrossRef]
- Pulfrey, D.L. MIS solar cells: A review. IEEE Trans. Electron Devices 1978, 25, 1308–1317. [Google Scholar] [CrossRef]
- Fahrenbruch, A.; Bube, R. Fundamentals of Solar Cells: Photovoltaic Solar Energy Conversion; Elsevier: Amsterdam, The Netherlands, 2012. [Google Scholar]
- Fonash, S. Solar Cell Device Physics; Elsevier: Amsterdam, The Netherlands, 2012. [Google Scholar]
- Singh, R.; Green, M.; Rajkanan, K. Review of conductor-insulator-semiconductor (CIS) solar cells. Sol. Cells 1981, 3, 95–148. [Google Scholar] [CrossRef]
- Srivastava, A.; Arora, B.; Guha, S. Current-voltage characteristics of GaAs metal-insulator-semiconductor solar cells under illumination. Sol. Cells 1984, 12, 277–283. [Google Scholar] [CrossRef]
- Wang, F.; Fahrenbruch, A.; Bube, R. Properties of metal-semiconductor and metal-insulator-semiconductor junctions on CdTe single crystals. J. Appl. Phys. 1989, 65, 3552–3559. [Google Scholar] [CrossRef]
- Shewchun, J.; Burk, D.; Spitzer, M.B. MIS and SIS solar cells. IEEE Trans. Electron Devices 1980, 27, 705–716. [Google Scholar] [CrossRef]
- Sharma, B. Metal-Semiconductor Schottky Barrier Junctions and Their Applications; Springer Science & Business Media: Berlin/Heidelberg, Germany, 2013. [Google Scholar]
- Mora-Sero, I.; Garcia-Belmonte, G.; Boix, P.P.; Vazquez, M.A.; Bisquert, J. Impedance spectroscopy characterisation of highly efficient silicon solar cells under different light illumination intensities. Energy Environ. Sci. 2009, 2, 678–686. [Google Scholar] [CrossRef]
- Lee, G.W.; Kim, H.; Park, J.; Shim, J.-I.; Shin, D.-S. Investigation of luminance degradation in organic light-emitting diodes by impedance spectroscopy. IEEE Photonics Technol. Lett. 2018, 30, 1183–1185. [Google Scholar] [CrossRef]
- Ramadan, R.; Kamal, H.; Hashem, H.; Abdel-Hady, K. Gelatin-based solid electrolyte releasing Li+ for smart window applications. Sol. Energy Mater. Sol. Cells 2014, 127, 147–156. [Google Scholar] [CrossRef]
- Ramadan, R.; Elshorbagy, M.; Kamal, H.; Hashem, H.; Abdelhady, K. Preparation and characterization of protonic solid electrolyte applied to a smart window device with high optical modulation. Optik 2017, 135, 85–97. [Google Scholar] [CrossRef]
- Schönleber, M.; Uhlmann, C.; Braun, P.; Weber, A.; Ivers-Tiffée, E. A consistent derivation of the impedance of a lithium-ion battery electrode and its dependency on the state-of-charge. Electrochim. Acta 2017, 243, 250–259. [Google Scholar] [CrossRef]
- Gelderman, K.; Lee, L.; Donne, S. Flat-band potential of a semiconductor: Using the Mott–Schottky equation. J. Chem. Educ. 2007, 84, 685. [Google Scholar] [CrossRef]
- Kim, W.; Choi, W. A novel parameter extraction method for the one-diode solar cell model. Sol. Energy 2010, 84, 1008–1019. [Google Scholar] [CrossRef]
- Ramadan, R.; Manso-Silván, M.; Martín-Palma, R.J. Hybrid porous silicon/silver nanostructures for the development of enhanced photovoltaic devices. J. Mater. Sci. 2020, 55, 5458–5470. [Google Scholar] [CrossRef]
- Martín-Palma, R.J.; McAtee, P.D.; Ramadan, R.; Lakhtakia, A. Hybrid Nanostructured porous silicon-silver Layers for Wideband optical Absorption. Sci. Rep. 2019, 9, 7291. [Google Scholar] [CrossRef] [PubMed]
- Orazem, M.E.; Tribollet, B. Electrochemical Impedance Spectroscopy; John Wiley & Sons: Hoboken, NJ, USA, 2017. [Google Scholar]
- Ribeiro, D.; Souza, C.; Abrantes, J. Use of Electrochemical Impedance Spectroscopy (EIS) to monitoring the corrosion of reinforced concrete. Rev. Ibracon De Estrut. E Mater. 2015, 8, 529–546. [Google Scholar] [CrossRef]
- Kim, J.H.; Shin, D.H.; Lee, H.S.; Jang, C.W.; Kim, J.M.; Seo, S.W.; Kim, S.; Choi, S.-H. Enhancement of efficiency in graphene/porous silicon solar cells by co-doping graphene with gold nanoparticles and bis (trifluoromethanesulfonyl)-amide. J. Mater. Chem. C 2017, 5, 9005–9011. [Google Scholar] [CrossRef]
- Chavarria, M.; Fonthal, F. Electrical Investigation of Porous Silicon/p-Si Heterojunction Prepared by Electrochemical Etching. ECS J. Solid State Sci. Technol. 2016, 5, P3172–P3175. [Google Scholar] [CrossRef]
- Kulathuraan, K.; Mohanraj, K.; Natarajan, B. Structural, optical and electrical characterization of nanostructured porous silicon: Effect of current density. Spectrochim. Acta Part A Mol. Biomol. Spectrosc. 2016, 152, 51–57. [Google Scholar] [CrossRef]
- Sultan, F.I.; Slman, A.A.; Nayef, U.M. IV and CV Characteristics of Porous Silicon Nanostructures by Electrochemical Etching. Eng. Technol. J. 2013, 31, 332–338. [Google Scholar]
- Hamza, S.; Ignaszak, A.; Kiani, A. Synthesis of electrical conductive silica nanofiber/gold nanoparticle composite by laser pulses and sputtering technique. Nanoscale Res. Lett. 2017, 12, 432. [Google Scholar] [CrossRef]
- Wang, D.; Zhu, J.; Ding, L.; Gao, P.; Pan, X.; Sheng, J.; Ye, J. Interface electric properties of Si/organic hybrid solar cells using impedance spectroscopy analysis. Jpn. J. Appl. Phys. 2016, 55, 056601. [Google Scholar] [CrossRef]
- Youssef, G.; El-Nahass, M.; El-Zaiat, S.; Farag, M. Effect of porosity on the electrical and photoelectrical properties of textured n+ p silicon solar cells. Mater. Sci. Semicond. Process. 2015, 39, 457–466. [Google Scholar] [CrossRef]
- Harizi, A.; Laatar, F.; Ezzaouia, H. Physical properties enhancement of porous silicon treated with In2O3 as a antireflective coating. Results Phys. 2019, 12, 1716–1724. [Google Scholar] [CrossRef]
- Fabregat-Santiago, F.; Garcia-Belmonte, G.; Mora-Sero, I.; Bisquert, J. Characterization of nanostructured hybrid and organic solar cells by impedance spectroscopy. Phys. Chem. Chem. Phys. 2011, 13, 9083–9118. [Google Scholar] [CrossRef] [PubMed]
- Shibayama, N.; Zhang, Y.; Satake, T.; Sugiyama, M. Modelling of an equivalent circuit for Cu 2 ZnSnS 4-and Cu 2 ZnSnSe 4-based thin film solar cells. RSC Adv. 2017, 7, 25347–25352. [Google Scholar] [CrossRef]
- Ma, Y.; Pendlebury, S.R.; Reynal, A.; Le Formal, F.; Durrant, J.R. Dynamics of photogenerated holes in undoped BiVO 4 photoanodes for solar water oxidation. Chem. Sci. 2014, 5, 2964–2973. [Google Scholar] [CrossRef]
- Gupta, G.K.; Garg, A.; Dixit, A. Electrical and impedance spectroscopy analysis of sol-gel derived spin coated Cu2ZnSnS4 solar cell. J. Appl. Phys. 2018, 123, 013101. [Google Scholar] [CrossRef]
- Darwish, A.; El-Shazly, E.; Attia, A.; El-Rahman, K.A. Dark electrical properties and photovoltaic performance of organic/inorganic (SnPcCl 2/p-Si) solar cells. J. Mater. Sci. Mater. Electron. 2016, 27, 8786–8792. [Google Scholar] [CrossRef]
- Sze, S.M.; Ng, K.K. Physics of Semiconductor Devices; John Wiley & Sons: Hoboken, NJ, USA, 2006. [Google Scholar]










| Schottky Diode Structure | 1st Interface | 2nd Interface | 3rd Interface |
|---|---|---|---|
| Al/Si/TiO2/NiCr | Al/Si | Si/TiO2 | TiO2/NiCr |
| Al/Si+nanoPS/TiO2/NiCr | Al/Si+nanoPS | Si+nanoPS/TiO2 | TiO2/NiCr |
| Al/Si+nanoPS+AgNPs/TiO2/NiCr | Al/Si+nanoPS+AgNPs | Si+nanoPS+AgNPs/TiO2 | TiO2/NiCr |
| Calculated Parameter | Device Structure | |||
|---|---|---|---|---|
| Al/Si/TiO2/NiCr | Al/Si+nanoPS/TiO2/NiCr | Al/Si+nanoPS+AgNPs/TiO2/NiCr | ||
| Rs (Ω) | 173 | 51 | 23.2 | |
| C1 (nf) | Al/active layer Interface | 5.7 | 2.3 | 15.5 |
| R1 (kΩ) | 0.6 | 0.7 | 0.05 | |
| τ1 (µs) | 3.42 | 1.61 | 0.77 | |
| Q (nS) | Active layer/TiO2 Interface | 54 | 16.8 | 21 |
| a | 0.9 | 0.89 | 0.8 | |
| C2 (nf) | 4.01 | 0.91 | 0.04 | |
| R2 (kΩ) | 1.3 | 3.4 | 0.7 | |
| τ2 (µs) | 5.21 | 3.09 | 0.03 | |
| C3 (nf) | TiO2/NiCr Interface | 19.7 | 31.5 | 13.2 |
| R3 (kΩ) | 1.5 | 3.4 | 0.518 | |
| τ3 (µs) | 29.55 | 97.65 | 5.52 | |
| Device Structure | Vfb (V) | Vbi (V) | ND × 1015 (cm−3) |
|---|---|---|---|
| Al/Si/TiO2/NiCr | −0.9 | −0.515 | 0.617 |
| Al/Si+ nanoPS/TiO2/NiCr | −0.44 | −0.465 | 0.121 |
| Al/Si+nanoPS+AgNPs/TiO2/NiCr | −0.09 | −0.115 | 8.620 |
| Device Structure | I0 (mA) | n | Rs (kΩ) | φB (V) |
|---|---|---|---|---|
| Al/Si/TiO2/NiCr | 2.32 × 10−7 | 2.12 | 3.21 | 0.87 |
| Al/Si+nanoPS/TiO2/NiCr | 1.23 × 10−4 | 4.39 | 0.363 | 0.72 |
| Al/Si+nanoPS+AgNPs/TiO2/NiCr | 9.55 × 10−5 | 3.29 | 0.139 | 0.73 |
© 2020 by the authors. Licensee MDPI, Basel, Switzerland. This article is an open access article distributed under the terms and conditions of the Creative Commons Attribution (CC BY) license (http://creativecommons.org/licenses/by/4.0/).
Share and Cite
Ramadan, R.; Martín-Palma, R.J. Electrical Characterization of MIS Schottky Barrier Diodes Based on Nanostructured Porous Silicon and Silver Nanoparticles with Applications in Solar Cells. Energies 2020, 13, 2165. https://doi.org/10.3390/en13092165
Ramadan R, Martín-Palma RJ. Electrical Characterization of MIS Schottky Barrier Diodes Based on Nanostructured Porous Silicon and Silver Nanoparticles with Applications in Solar Cells. Energies. 2020; 13(9):2165. https://doi.org/10.3390/en13092165
Chicago/Turabian StyleRamadan, Rehab, and Raúl J. Martín-Palma. 2020. "Electrical Characterization of MIS Schottky Barrier Diodes Based on Nanostructured Porous Silicon and Silver Nanoparticles with Applications in Solar Cells" Energies 13, no. 9: 2165. https://doi.org/10.3390/en13092165
APA StyleRamadan, R., & Martín-Palma, R. J. (2020). Electrical Characterization of MIS Schottky Barrier Diodes Based on Nanostructured Porous Silicon and Silver Nanoparticles with Applications in Solar Cells. Energies, 13(9), 2165. https://doi.org/10.3390/en13092165

