A Numerical Study on the Performance of Ground Heat Exchanger Buried in Fractured Rock Bodies
Abstract
1. Introduction
2. Methodology
2.1. Mathematical Model
2.1.1. Hydraulic Transfer in Porous Media
2.1.2. Heat Transfer in Porous Media and in U-Pipe
2.1.3. Heat Pump COP
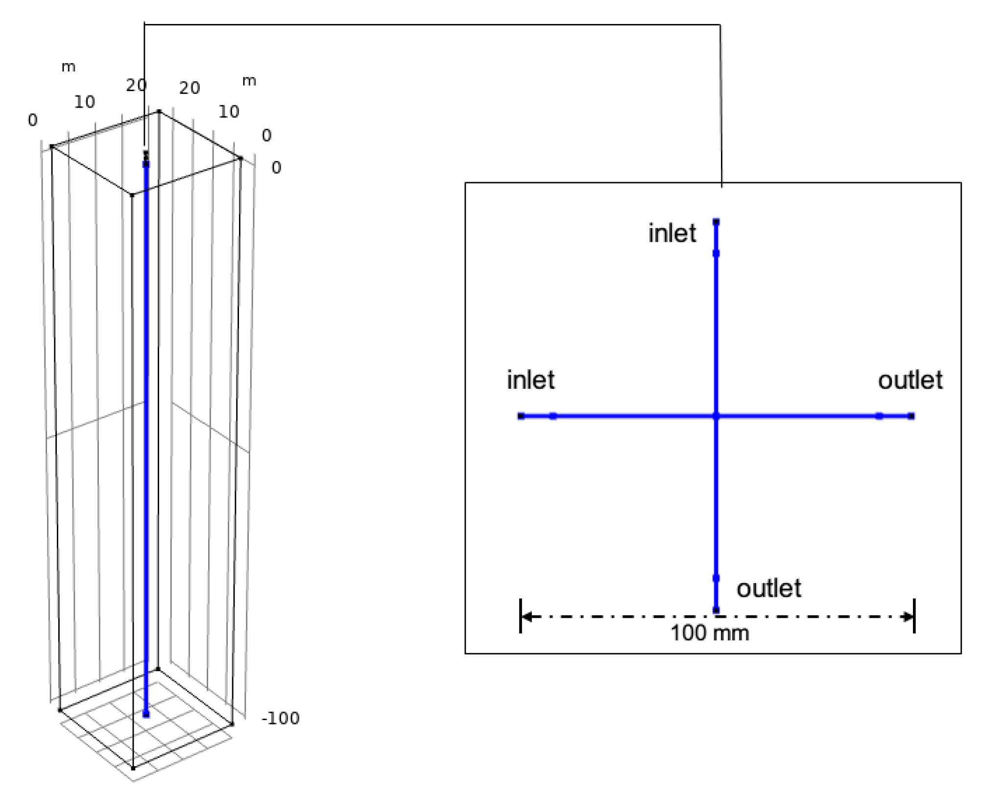
2.2. Geometric Model
- No fracture (NF);
- 1 horizontal fracture (H1);
- 2 horizontal fractures (H2);
- 3 horizontal fractures (H3);
- 1 vertical fracture (V1);
- 2 vertical fractures (V2);
- 3 vertical fractures (V3).
3. Validation of the Numerical Framework
3.1. Geometry Model of the On-Site TRT
3.2. Validation Results
4. Results and Discussion
- Different velocities of fluid flow in fractures,
- Diverse numbers of fractures, and,
- Distributions of fractures.
4.1. Velocity of Fluid Flow in Fractures
4.2. The Number and Distributions of Fractures
4.2.1. Temperature Distribution
4.2.2. Performance of U-Pipes and Heat Pump
5. Conclusions
- The fluid velocity in the fracture had a limited effect on the temperature distribution and heat pump performance.
- Fracture water flow affected the temperature distribution in the vicinity of the fracture planes rather than a larger region and had a positive influence on GHE and heat pump performance.
- In general, compared with vertical fractures, horizontal fracture water flow exerted a better influence on the performance of GHEs and GSHPs, and constraining the development of heat imbalance.
- It is suggested that to take advantage of the influences of fracture water flow in designing and operating GSHP projects in regions with fractured rock formations and groundwater to improve system performance.
Author Contributions
Funding
Acknowledgments
Conflicts of Interest
References
- Dong, L.; Liang, H.; Zhang, L.; Liu, Z.; Gao, Z.; Hu, M. Highlighting regional eco-industrial development: Life cycle benefits of an urban industrial symbiosis and implications in China. Ecol. Modell. 2017, 361, 164–176. [Google Scholar] [CrossRef]
- Dong, S.; Wang, Y. The interaction of highly nonlinear solitary waves and viscoelastic half-space. In Proceedings of the 2017 Symposium on Piezoelectricity, Acoustic Waves, and Device Applications (SPAWDA), Chengdu, China, 27–30 October 2017; pp. 355–358. [Google Scholar]
- Lu, Y.; Cui, P.; Li, D. Which activities contribute most to building energy consumption in China? A hybrid LMDI decomposition analysis from year 2007 to 2015. Energy Build. 2018, 165, 259–269. [Google Scholar]
- Price, L.; Khanna, N.; Fridley, D.; Hasanbeigi, A.; Lu, H.; Wei, F.; Creyts, J.; Chrisman, K.; Agenbroad, J.; Ke, Y.; et al. Reinventing fire: China—The role of energy efficiency in China’s roadmap to 2050. Eur. Counc. Energy Effic. Econ. Summer Study 2017 2017, 113–120. [Google Scholar]
- Hou, J.; Cao, M.; Liu, P. Development and utilization of geothermal energy in China: Current practices and future strategies. Renew. Energy 2018, 125, 401–412. [Google Scholar] [CrossRef]
- Zeng, Z.; Zhang, X.; Asce, A.M.; Zhao, Y.; Lu, H. Performance of a ground source heat pump system and the heat-moisture migration of surrounding soils in karst areas. J. Perform. Constr. Facil. 2017, 31, 04017050. [Google Scholar] [CrossRef]
- Meng, B.; Vienken, T.; Kolditz, O.; Shao, H. Evaluating the thermal impacts and sustainability of intensive shallow geothermal utilization on a neighborhood scale: Lessons learned from a case study. Energy Convers. Manag. 2019, 199, 111913. [Google Scholar] [CrossRef]
- Hua, J.; Li, G.; Zhao, X.; Wu, W.; Li, D.; Li, Q. The hot stack performance of the shallow geothermal heat pump system with/without intensification state of groundwater seepage in Nanjing (China). Energy Build. 2017, 150, 558–566. [Google Scholar] [CrossRef]
- Hecht-Méndez, J.; De Paly, M.; Beck, M.; Bayer, P. Optimization of energy extraction for vertical closed-loop geothermal systems considering groundwater flow. Energy Convers. Manag. 2013, 66, 1–10. [Google Scholar] [CrossRef]
- You, T.; Li, X.; Cao, S.; Yang, H. Soil thermal imbalance of ground source heat pump systems with spiral-coil energy pile groups under seepage conditions and various influential factors. Energy Convers. Manag. 2018, 178, 123–136. [Google Scholar] [CrossRef]
- Li, B.; Han, Z.; Meng, X.; Zhang, H. Study on the influence of the design method of the ground source heat pump system with considering groundwater seepage. Appl. Therm. Eng. 2019, 160, 114016. [Google Scholar] [CrossRef]
- Tang, F.; Nowamooz, H. Factors influencing the performance of shallow Borehole Heat Exchanger. Energy Convers. Manag. 2019, 181, 571–583. [Google Scholar] [CrossRef]
- Hein, P.; Kolditz, O.; Görke, U.; Bucher, A.; Shao, H. A numerical study on the sustainability and efficiency of borehole heat exchanger coupled ground source heat pump systems. Appl. Therm. Eng. 2016, 100, 421–433. [Google Scholar] [CrossRef]
- Lei, X.; Zheng, X.; Duan, C.; Ye, J.; Liu, K. Three-dimensional numerical simulation of geothermal field of buried pipe group coupled with heat and permeable groundwater. Energies 2019, 12, 3698. [Google Scholar] [CrossRef]
- Zhang, W.; Yang, H.; Fang, L.; Cui, P.; Fang, Z. Study on heat transfer of pile foundation ground heat exchanger with three-dimensional groundwater seepage. Int. J. Heat Mass Transf. 2017, 105, 58–66. [Google Scholar] [CrossRef]
- Zhang, W.; Zhang, L.; Cui, P.; Gao, Y.; Liu, J.; Yu, M. The influence of groundwater seepage on the performance of ground source heat pump system with energy pile. Appl. Therm. Eng. 2019, 162, 114217. [Google Scholar] [CrossRef]
- Zhang, L.; Qin, X.; Tang, J.; Liu, W.; Yang, H. Review of arsenic geochemical characteristics and its significance on arsenic pollution studies in karst groundwater, Southwest China. Appl. Geochem. 2017, 77, 80–88. [Google Scholar] [CrossRef]
- Liu, X.; Lu, S.; Hughes, P.; Cai, Z. A comparative study of the status of GSHP applications in the United States and China. Renew. Sustain. Energy Rev. 2015, 48, 558–570. [Google Scholar] [CrossRef]
- Zeng, Z.; Zhao, Y.; Lu, H.; Wei, C. Experimental performance study of ground-coupled heat pump system for cooling and heating provision in karst region. Energy Build. 2018, 158, 971–986. [Google Scholar] [CrossRef]
- Kavanaugh, S.; Rafferty, K. Geothermal Heating and Cooling: Design of Ground-Source Heat Pump Systems; ASHRAE: Atlanta, GA, USA, 2014; ISBN 9781936504855. [Google Scholar]
- Casasso, A.; Sethi, R. Efficiency of closed loop geothermal heat pumps: A sensitivity analysis. Renew. Energy 2014, 62, 737–746. [Google Scholar] [CrossRef]
- Shao, H.; Hein, P.; Sachse, A.; Kolditz, O. Geoenergy Modeling II Shallow Geothermal Systems; Springer: Berlin, German, 2016; ISBN 9783319450551. [Google Scholar]
- Kahraman, A.; Çelebi, A. Investigation of the performance of a heat pump using waste water as a heat source. Energies 2009, 2, 697–713. [Google Scholar] [CrossRef]
- Ford, D.; Williams, P. Karst Hydrogeology and Geomorphology; John Wiley & Sons Ltd.: Hoboken, NJ, USA, 2013; ISBN 9781118684986. [Google Scholar]
- Worthington, S. A comprehensive strategy for understanding flow in carbonate aquifer. Speleogenes. Evol. Karst Aquifers 2003, 5. Available online: https://www.google.com.hk/url?sa=t&rct=j&q=&esrc=s&source=web&cd=3&ved=2ahUKEwiYw_jsgcnoAhVCFqYKHXvnAiYQFjACegQIARAB&url=http%3A%2F%2Fwww.speleogenesis.info%2Fdirectory%2Fkarstbase%2Fpdf%2Fseka_pdf4493.pdf&usg=AOvVaw3TJ8IQJN4q7hMbpxrMUUGj (accessed on 2 April 2020).
- Jiang, W.; Zhou, H.; Li, Y.; Liu, W.; Gong, C.; Guo, X. Permeability Measurement of Karst Fractured Media Based on Groundwater Velocity and Direction Within a Borehole. Saf. Environ. Eng. 2018, 25, 1-7+18. [Google Scholar]
- Zhu, Z. Numerical Simulation Study on the Typical Vertical Ground Source Heat Exchanger of GSHP; Zhejiang University: Hnagzhou, China, 2013. [Google Scholar]















| Name | Value | Unit |
|---|---|---|
| The depth of the hole | 102 | m |
| The depth of heat exchangers | 11 | m |
| The outer diameter of buried tube | 32 | mm |
| The inner diameter of buried tube | 26 | mm |
| U-tube spacing | 100 | mm |
| Thermal conductivity | 2.85 | W/m·K |
| Formation specific heat capacity | 800 | J/(kg·K) |
| U-tube thermal conductivity | 0.34 | W/m·K |
| The thermal conductivity of backfill material | 2.2 | W/m·K |
| The specific heat capacity of backfill material | 840 | J/(kg·K) |
| Parameter | Value/Range | Unit |
|---|---|---|
| Permeability of Limestone | 10−15 [24] | m2 |
| Fracture conductivity | 10−5 [25] | m/s |
| Thermal conductivity | 3 | W/m·K |
| Matrix heat capacity | 800 | J/(kg·K) |
| Carrying fluid velocity | 0.7 | m/s |
| Inlet temperature | 308 | K |
| Fluid flow velocity in fracture | 0.05, 0.5, 5 | mm/s |
| Initial temperature | 291.15 | K |
| U-Pipe inner diameter | 30 | mm |
© 2020 by the authors. Licensee MDPI, Basel, Switzerland. This article is an open access article distributed under the terms and conditions of the Creative Commons Attribution (CC BY) license (http://creativecommons.org/licenses/by/4.0/).
Share and Cite
Zhou, W.; Pei, P.; Hao, D.; Wang, C. A Numerical Study on the Performance of Ground Heat Exchanger Buried in Fractured Rock Bodies. Energies 2020, 13, 1647. https://doi.org/10.3390/en13071647
Zhou W, Pei P, Hao D, Wang C. A Numerical Study on the Performance of Ground Heat Exchanger Buried in Fractured Rock Bodies. Energies. 2020; 13(7):1647. https://doi.org/10.3390/en13071647
Chicago/Turabian StyleZhou, Weisong, Peng Pei, Dingyi Hao, and Chen Wang. 2020. "A Numerical Study on the Performance of Ground Heat Exchanger Buried in Fractured Rock Bodies" Energies 13, no. 7: 1647. https://doi.org/10.3390/en13071647
APA StyleZhou, W., Pei, P., Hao, D., & Wang, C. (2020). A Numerical Study on the Performance of Ground Heat Exchanger Buried in Fractured Rock Bodies. Energies, 13(7), 1647. https://doi.org/10.3390/en13071647
