A Local Control Strategy for Distributed Energy Fluctuation Suppression Based on Soft Open Point
Abstract
1. Introduction
- (1)
- Taking both the active and reactive power of SOP into consideration to regulate the voltage of feeder nodes based on the line impedance, which can fully utilize the apparent power of SOP.
- (2)
- Achieving the goal of saving the computation and communication costs, and the local control proposed can respond rapidly to voltage fluctuation compared with the traditional global optimization control.
2. System Modeling and Analysis
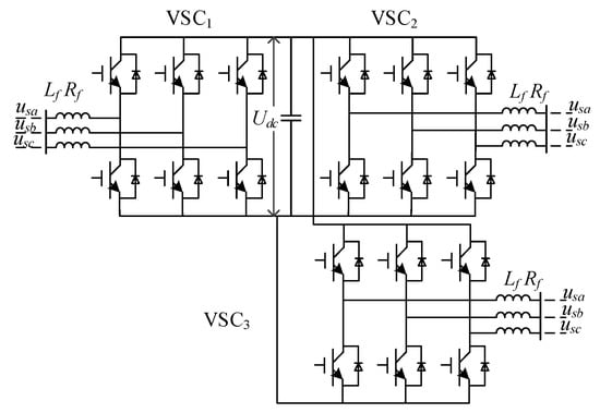
2.1. Modeling of Soft Open Points
2.2. Local Network Modeling
3. Distributed Energy Fluctuation Suppression Strategy
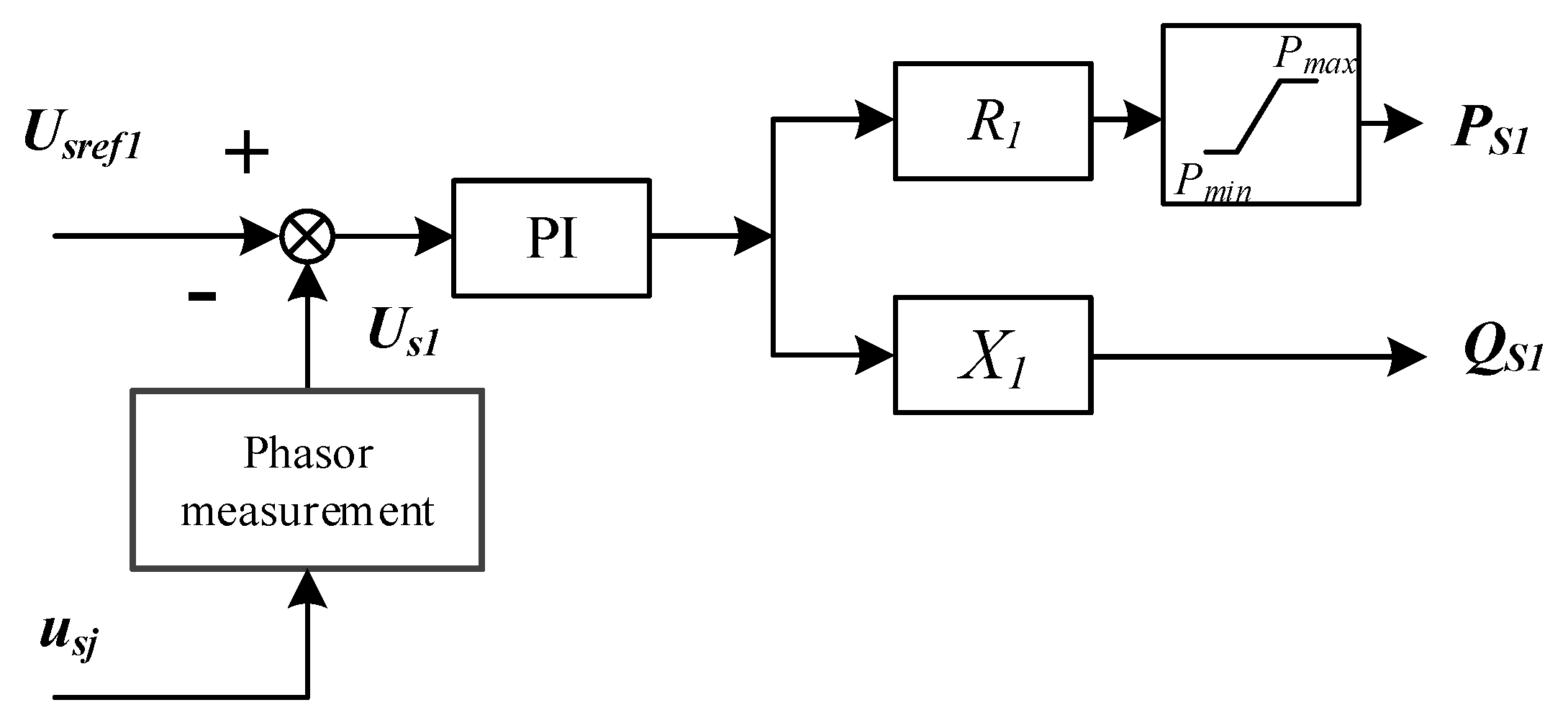
3.1. Converter Control Strategy
3.2. Feeder Voltage Control Strategy
4. Simulation Analysis
4.1. Verification of Minimum Apparent Power Compensation for Soft Open Point
4.2. Verification of Mode Switching for SOP
5. Conclusions
Author Contributions
Funding
Conflicts of Interest
Nomenclature
| mj | Modulation ratio of the SOP | ||
| indices | usd, usq(usdq) | Voltage source of PCC in DQ form | |
| j | Phase a, b and c | id, iq | Output current of converter in DQ form |
| i | Indices of nodes, from 1 to 3 | ps, qs | Active and reactive power of the SOP |
| Variables | usdq_ref | Reference voltage of PCC in DQ form | |
| Pi, Qi | Active and reactive power of load in feeder i | Parameters | |
| PPV | Active power of photovoltaic generation | μ, ε | undetermined coefficient of control |
| PSi, QSi | Active and reactive power of SOP in feeder i | Usref | Reference voltage of PCC |
| UPCC | Voltage at the point of common coupling | Rf, Lf | Resistance and Inductance of SOP |
| Smax | The maximum apparent power of SOP | Udc | SOP bus voltage |
| PSimax | The maximum active power of SOP | Ri, Xi | Equivalent line resistance and inductance |
| usj | Voltage source of PCC | U0 | Voltage at the secondary side of the transformer |
| ij | Output current of SOP | ||
References
- Narayan, S.; Doytch, N. An investigation of renewable and non-renewable energy consumption and economic growth nexus using industrial and residential energy consumption. Energy Econ. 2017, 68, 160–176. [Google Scholar] [CrossRef]
- Bloemink, J.M. Increasing distributed generation penetration using soft normally-open points. In Proceedings of the Power & Energy Society General Meeting, Providence, RI, USA, 25–29 July 2010; pp. 1–8. [Google Scholar]
- Huo, Q.; Su, M.; Wu, L.; Wei, T.; Wang, P. Compound Control Strategy for Soft open point. Autom. Electr. Power Syst. 2018, 42, 166–170. [Google Scholar]
- Ji, H.; Wang, C.; Li, P.; Zhao, J.; Song, G.; Wu, J. Quantified Flexibility Evaluation of Soft Open Points to Improve Distributed Generator Penetration in Active Distribution Networks Based on Difference-of-Convex Programming. Appl. Energy 2018, 218, 338–348. [Google Scholar] [CrossRef]
- Qi, Q.; Wu, J.; Long, C. Multi-Objective Operation Optimization of an Electrical Distribution Network with Soft Open Point. Appl. Energy 2017, 208, 734–744. [Google Scholar] [CrossRef]
- Yao, C.; Zhou, C.; Yu, J.; Xu, K.; Li, P.; Song, G. A Sequential Optimization Method for Soft Open Point Integrated with Energy Storage in Active Distribution Network. Energy Procedia 2018, 145, 528–533. [Google Scholar] [CrossRef]
- Ji, H.; Yu, H.; Song, G.; Li, P.; Wang, C.; Wu, J. A decentralized voltage control strategy of soft open points in active distribution networks. Energy Procedia 2019, 159, 412–417. [Google Scholar] [CrossRef]
- Li, P.; Ji, H.; Song, G.; Yao, M.; Wang, C.; Wu, J. A Combined Central and Local Voltage Control Strategy of Soft Open Points in Active Distribution Networks. Energy Procedia 2019, 158, 2524–2529. [Google Scholar] [CrossRef]
- Li, P.; Ji, H.; Yu, H.; Zhao, J.; Wang, C.; Song, G.; Wu, J. Combined decentralized and local voltage control strategy of soft open points in active distribution networks. Appl. Energy 2019, 241, 613–624. [Google Scholar] [CrossRef]
- Zheng, Y.; Song, Y.; Hill, D.J. A general coordinated voltage regulation method in distribution networks with soft open points. Int. J. Electr. Power Energy Syst. 2020, 116, 105571. [Google Scholar] [CrossRef]
- Cai, Y.; Tang, W.; Xu, O.; Zhang, L. Review of Voltage Control Research in LV Distribution Network With High Proportion of Residential PVs. Power Syst. Technol. 2018, 42, 220–229. [Google Scholar]
- Cao, W.; Wu, J.; Jenkins, N.; Wang, C.; Green, T. Operating principle of Soft Open Points for electrical distribution network operation. Appl. Energy 2016, 164, 245–257. [Google Scholar] [CrossRef]
- Long, C.; Wu, J.; Thomas, L.; Jenkins, N. Optimal operation of soft open points in medium voltage electrical distribution networks with distributed generation. Appl. Energy 2016, 184, 427–437. [Google Scholar] [CrossRef]
















| Switching State | Feed 1 | Feed 2 | Feed 3 |
|---|---|---|---|
| uncommitted | 0.0189 | 1e-6 | 3.3e-7 |
| committed | 0.0014 | 0.0021 | 0.0021 |
| Switching State | Feed 1 | Feed 2 | Feed 3 |
|---|---|---|---|
| uncommitted | 0.0184 | 1.5e-7 | 0.0059 |
| committed | 0.0013 | 0.0015 | 0.0008 |
© 2020 by the authors. Licensee MDPI, Basel, Switzerland. This article is an open access article distributed under the terms and conditions of the Creative Commons Attribution (CC BY) license (http://creativecommons.org/licenses/by/4.0/).
Share and Cite
Xinming, G.; Qunhai, H.; Tongzhen, W.; Jingyuan, Y. A Local Control Strategy for Distributed Energy Fluctuation Suppression Based on Soft Open Point. Energies 2020, 13, 1520. https://doi.org/10.3390/en13061520
Xinming G, Qunhai H, Tongzhen W, Jingyuan Y. A Local Control Strategy for Distributed Energy Fluctuation Suppression Based on Soft Open Point. Energies. 2020; 13(6):1520. https://doi.org/10.3390/en13061520
Chicago/Turabian StyleXinming, Guo, Huo Qunhai, Wei Tongzhen, and Yin Jingyuan. 2020. "A Local Control Strategy for Distributed Energy Fluctuation Suppression Based on Soft Open Point" Energies 13, no. 6: 1520. https://doi.org/10.3390/en13061520
APA StyleXinming, G., Qunhai, H., Tongzhen, W., & Jingyuan, Y. (2020). A Local Control Strategy for Distributed Energy Fluctuation Suppression Based on Soft Open Point. Energies, 13(6), 1520. https://doi.org/10.3390/en13061520

