Optimization to Limit the Effects of Underloaded Generator Sets in Stand-Alone Hybrid Ship Grids
Abstract
1. Introduction
2. Description of the Mechatronic PMSG–EESG System
- A diesel generator (DG), which consists of a diesel engine (D) with a speed regulator (SR) and an electric excitation synchronous generator (EESG) with electromagnetic excitation and a voltage regulator (VR);
- A shaft generator (SGAR) that is mechanically connected to the ship’s shaft and consists of:
- -
- a permanent magnet synchronous generator (PMSG); and
- -
- an active rectifier (AR) with a control system (active rectifier control—ARC);
- An autonomous inverter (AI) with a control system (inverter control); and
- An alternating current grid (380 V, 50 Hz) with a variable load (VL).
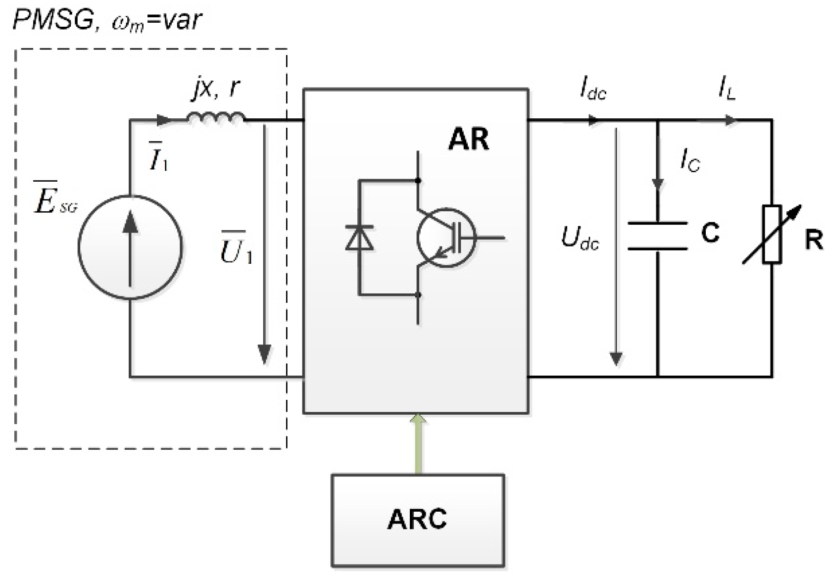
2.1. Analysis of the PMSG–AR Mechatronic System
2.2. Analysis of the SGAR+AI–EESG Mechatronic System
- (a)
- In the case of equal distribution of both the active and reactive power of the load into the DG and SGAR+AI, the relation between the currents of the load of the generator and current source (AI) in the synchronously rotating coordinate system d, q takes the form:Figure 8 presents a vector diagram for this case.
- (b)
- In the case when all active power is realized by SGAR+AI (active power generated by the inverter) and all reactive by the EESG, the relation between the currents of the generator load and current source (AI) in the synchronously rotating coordinate system d, q takes the form:Figure 9a presents a vector diagram for this case.
- (c)
- In the case when all active power is realized in the EESG and all reactive power is realized in SGAR+AI (generated by the inverter), the relation between the currents of the load of the generator and current source (AI) in the synchronously rotating coordinate system d, q takes the form:
- k = 0.5 for (JAIx = 0.5ILx, JAIy = 0.5ILy);
- k = 0 for (JAIx = 0, JAIy = ILy); and
- k = 1.0 for (JAix = ILx, JAIy = 0).
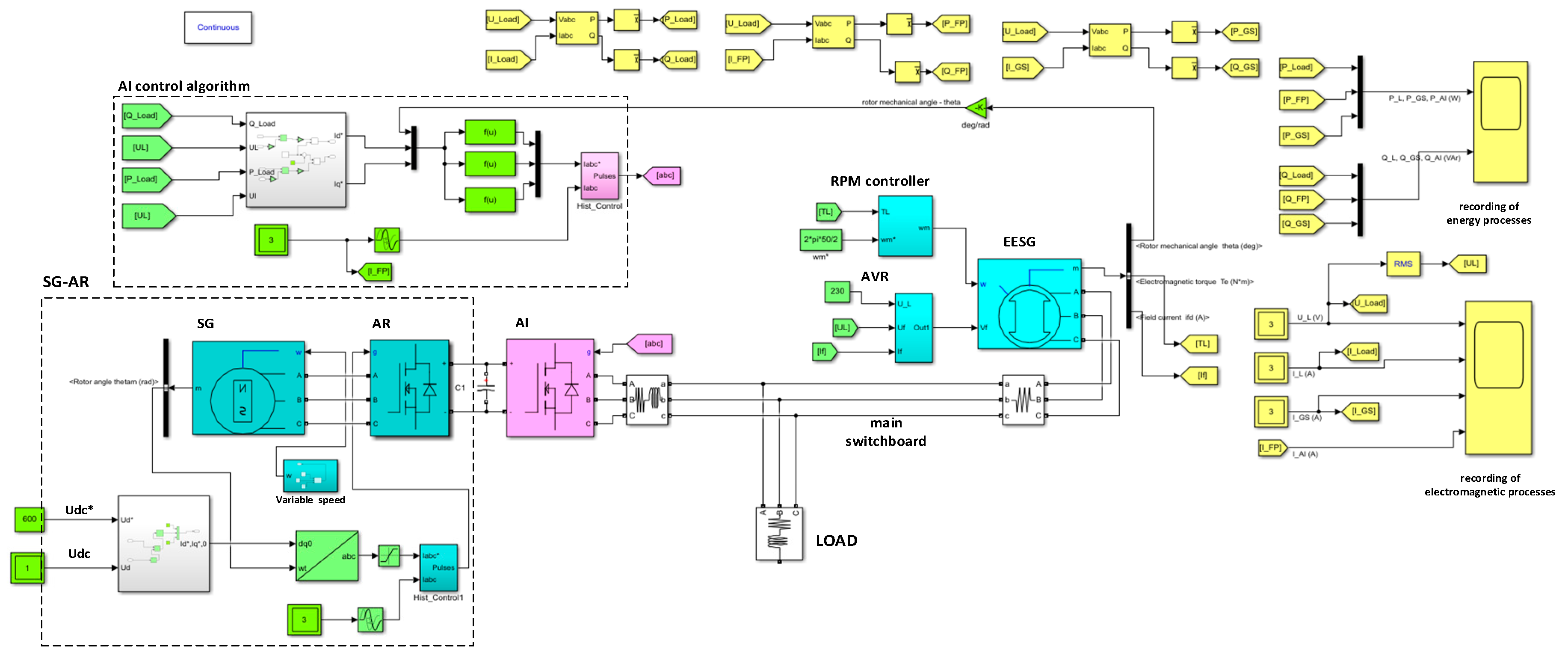
3. Implementation of the Proposed DG–SG System
4. Results and Discussion
5. Conclusions
Author Contributions
Funding
Conflicts of Interest
References
- Nicewicz, G.; Tarnapowicz, D. Conceptions of Shaft Generators Use in Up-to-Date Marine Power Plants. Stud. Proc. Polish Assoc. Knowl. Manag. 2011, 40, 283–294. [Google Scholar]
- PRS Classification Rules Part VIII. In Electrical Installations and Control Systems; PRS: Gdańsk, Poland, 2007.
- Tarnapowicz, D. The conception of the use of multi-level inverters in the shipping shaft generator systems of high power. Sci. J. Marit. Univ. Szczec. 2010, 22, 67–70. [Google Scholar]
- Tarnapowicz, D. Load Analysis of a Ship Generating Sets During the Maneuvers of the Vessel. In Proceedings of the 59th International Conference of Machine Design Departments, Demanovska Dolina, Slovakia, 11–14 September 2018. [Google Scholar]
- Wright, G. Fundamentals of Medium/Heavy Duty Diesel Engines; Jones & Bartlett: Burlington, MA, USA, 2015; p. 234. [Google Scholar]
- Semken, R.S.; Polikarpova, M.; Röyttä, P.; Alexandrova, J.; Pyrhönen, J.; Nerg, J.; Mikkola, A.; Backman, J. Direct-Drive Permanent Magnet Generators for High-power Wind Turbines: Benefits and Limiting Factors; Renewable Power Generation; IET: London, UK, 2012; Volume 6, pp. 1–8. [Google Scholar]
- Kristenen, H.O. Energy Demand and Exhaust Gas Emissions of Marine Engines; Psaraftis, H., Ed.; Project no. 2014-122: Mitigating and Reversing the Side-Effects of Environmental Legislation on Ro-Ro Shipping in Northern Europe Work Package 2.3, Report no. 03 2015; The Technical University of Denmark: Kopenhaga, Denmark, 2015; Available online: https://www.danishshipping.dk/ (accessed on 29 November 2019).
- ASCO Power Technologies. Adverse Effects of Low Load Operation on Diesel Generating Sets. Available online: Whitepapers.ascopower.com (accessed on 1 November 2019).
- German-Galkin, S.; Tarnapowicz, D.; Tomasov, S. The Use of Topology of IHBI Inverters in Parallel Operation of Ship Generating Sets with PMSG Generators Published Online in New Trends in Production Engineering; De Gruyter Poland: Warsaw, Poland, 2018; Volume 1, pp. 309–315. [Google Scholar] [CrossRef][Green Version]
- Jamieson, P. Innovation in Wind Turbine Design, 1st ed.; A John Wiley & Sons, Ltd.: Hoboken, NJ, USA, 2011. [Google Scholar]
- López-Ortiz, E.N.; Campos-Gaona, D.; Moreno-Goytia, E.L. Modelling of a wind turbine with permanent magnet synchronous generator. In Proceedings of the IEEE 2012 North American Power Symposium (NAPS), Champaign, IL, USA, 9–11 September 2012. [Google Scholar]
- Kostin, V.N.; Belsky, A.A. Wind and Diesel Paralleled Generators Characteristics of Operating Parameters. In Proceedings of the 2016 2nd International Conference on Industrial Engineering, Applcations and Manufacturing (ICIEAM), Chelyabinsk, Russia, 19–20 May 2016; ISBN 978-1-5090-1322-7. [Google Scholar]
- Moon, H.; Kim, Y.J.; Chang, J.W.; Moon, S. Decentralised Active Power Control Strategy for Real-Time Power Balance in an Isolated Microgrid with an Energy Storage System and Diesel Generators. Energies 2019, 12, 511. [Google Scholar] [CrossRef]
- Hamilton, J.M.; Negnevitsky, M.; Wang, X.; Tavakoli, A. Investigation of no load diesel technology in isolated power systems. In Proceedings of the IEEE Power and Energy Society General Meeting (PESGM), Boston, MA, USA, 17–21 July 2016. [Google Scholar]
- Guo, L.; Liu, W.; Li, X.; Liu, Y.; Jiao, B.; Wang, B.; Wang, C.; Li, F. Energy management system for stand-alone wind-powered-desalination microgrid. IEEE Trans. Smart Grid 2016, 7, 1079–1087. [Google Scholar] [CrossRef]
- Hasanien, H.M.; Muyeen, S.M.; Tamura, J. Frequency Control of Isolated Network with Wind and Diesel Generators by Using Fuzzy Logic Controller. In Proceedings of the International Conference on Electrical Machines and Systems, Tokyo, Japan, 15–18 November 2009. [Google Scholar]
- Gado, A.; Okasha, H.; Salama, G. Optimizing alternative backup power supplies with wind generator to supply isolated loads. In Proceedings of the 22nd International Conference and Exhibition on Electricity Distribution (CIRED 2013), Stockholm, Sweden, 10–13 June 2013; ISBN 978-1-84919-732-8. [Google Scholar]
- Sujith, S.; Ramesh, V. Reducing the transient active power from diesel generator using flywheel energy storage system in isolated wind-diesel hybrid power system. In Proceedings of the 2015 International Conference on Power, Instrumentation, Control and Computing (PICC), Thrissur, India, 9–11 December 2015. [Google Scholar]
- Hamilton, J.M.; Negnevitsky, M.; Wang, X.; Tavakoli, A.; Mueller-Stoffels, M. Utilization and Optimization of Diesel Generation for Maximum Renewable Energy Integration. In Smart Energy Grid Design for Island Countries; Green Energy and Technology; Springer: Cham, Switzerland, 2017. [Google Scholar] [CrossRef]
- Ochoa, D.; Martinez, S. Proposals for Enhancing Frequency Control in Weak and Isolated Power Systems: Application to the Wind-Diesel Power System of San Cristobal Island-Ecuador. Energies 2018, 11, 910. [Google Scholar] [CrossRef]
- Lu, J.; Wang, W.; Zhang, Y. Multi-Objective Optimal Design of Stand-Alone Hybrid Energy System Using Entropy Weight Method Based on HOMER. Energies 2017, 10, 1664. [Google Scholar] [CrossRef]
- Tokarev, L.N. Mathematical Description, Calculation and Modeling of Physical Processes in Ship Power Plants; Sudostroenie: Leningrad, Russia, 1980; p. 119. [Google Scholar]
- Yasakov, G.S. Ship Electric Power Systems. Part 1—S.-Pb; N. G. Kuznetsov Naval Academy: Saint Petersburg, Russia, 1999; p. 640. [Google Scholar]
- Tarnapowicz, D.; German-Galkin, S. Energy optimization of mechatronic systems with PMSG. In Proceedings of the 3rd International Conference on Energy and Environmental Protection, Kraków, Poland, 13–14 September 2018; Volume 46, pp. 1–8. [Google Scholar] [CrossRef]
- German-Galkin, S. Matlab and Simulink; Designing Mechatronic Systems on a PC. St.; KORONA-Vek: Petersburg, Russia, 2008; pp. 220–228. ISBN 978-5-903383-39-9. [Google Scholar]
- German-Galkin, S. MATLAB School: Lesson 24. In Mechatronic System with Magnetoelectric Generator and Active Semiconductor Rectifier; Magazine “Power Electronics” No.1(70); Power-e: St-Petersburg, Russia, 2018; pp. 65–72. [Google Scholar]
- Wu, B.; Lang, Y.; Zargari, N.; Kouro, S. Power Conversion and Control of Wind Energy Systems; John & Sons, Inc.: Hoboken, NJ, USA, 2011; ISBN 9780470593653. [Google Scholar]
- Park, R.H. Two-Reaction Theory of Synchronous Machines—II; IEEE: New York, NY, USA, 1933; Volume 52, Available online: https://ieeexplore.ieee.org/ (accessed on 29 November 2019). [CrossRef]
- Bulgakov, A.A. New Theory of Controlled Rectifiers; Science: Moscow, Russian, 1970; p. Il. [Google Scholar]
- Kovacs, K.P.; Racz, I. Transient Processes in Alternating Current Machines; Transiente Vorgänge in Wechselstrommaschinen; Verlag der Ungar.: Budapest, Hungary, 1959. [Google Scholar]
- Gorev, A. Transient Processes of Synchronous Machine; State Energy Publishing House (Gosenergoizdat): Leningrad, Russia, 1950. [Google Scholar]



















| Parameters of PMSG | Symbol | Unit | Size |
|---|---|---|---|
| PMSG electromagnetic torque | Ten | kNm | 848 |
| nominal apparent power | Sn | MVA | 2.24 |
| nominal speed | nn | RPM | 22.5 |
| nominal angular speed | wm | rad/s | 2.36 |
| stator voltage frequency | fn | Hz | 9.75 |
| nominal phase voltage | Un | V(rms) | 398.4 |
| resistance of armature winding | rs | mΩ | 0.821 |
| longitudinal armature induction | Ld | mH | 1.5731 |
| longitudinal armature induction | Lq | mH | 1.5731 |
| inductance of the armature winding | Ls | mH | 1.6 |
| number of pole pairs | p | - | 26 |
| number of phases | m | - | 3 |
| Parameters of the Generator (EESG) of the DG Set | Symbol | Unit | Size |
|---|---|---|---|
| nominal apparent power | SNOM | kVA | 2000 |
| nominal frequency | fNOM | Hz | 50 |
| nominal voltage | UNOM | V | 400 |
| nominal speed | nNOM | RPM | 1500 |
| nominal angular speed | , NOM | rad/s | 157 |
| amplitude of phase voltage | V | 310 | |
| resistance of armature winding | r | m | 0.76 |
| inductance of armature winding | LS | mH | 0.0127 |
| longitudinal inductance of armature | Ld | mH | 0.5426 |
| transversal inductance of armature | Lq | mH | 0.3845 |
| number of pole pairs | p | - | 2 |
| number of phases | m | - | 3 |
© 2020 by the authors. Licensee MDPI, Basel, Switzerland. This article is an open access article distributed under the terms and conditions of the Creative Commons Attribution (CC BY) license (http://creativecommons.org/licenses/by/4.0/).
Share and Cite
German-Galkin, S.; Tarnapowicz, D.; Matuszak, Z.; Jaskiewicz, M. Optimization to Limit the Effects of Underloaded Generator Sets in Stand-Alone Hybrid Ship Grids. Energies 2020, 13, 708. https://doi.org/10.3390/en13030708
German-Galkin S, Tarnapowicz D, Matuszak Z, Jaskiewicz M. Optimization to Limit the Effects of Underloaded Generator Sets in Stand-Alone Hybrid Ship Grids. Energies. 2020; 13(3):708. https://doi.org/10.3390/en13030708
Chicago/Turabian StyleGerman-Galkin, Sergey, Dariusz Tarnapowicz, Zbigniew Matuszak, and Marek Jaskiewicz. 2020. "Optimization to Limit the Effects of Underloaded Generator Sets in Stand-Alone Hybrid Ship Grids" Energies 13, no. 3: 708. https://doi.org/10.3390/en13030708
APA StyleGerman-Galkin, S., Tarnapowicz, D., Matuszak, Z., & Jaskiewicz, M. (2020). Optimization to Limit the Effects of Underloaded Generator Sets in Stand-Alone Hybrid Ship Grids. Energies, 13(3), 708. https://doi.org/10.3390/en13030708

