Aerosol Shock Tube Designed for Ignition Delay Time Measurements of Low-Vapor-Pressure Fuels and Auto-Ignition Flow-Field Visualization
Abstract
1. Introduction
2. Aerosol Shock Tube
3. Fuel Atomization and Aerosol Intake
3.1. Fuel Atomization
3.2. Aerosol Intake
4. Sauter Mean Diameter Measurement and Droplet Evaporation
4.1. SMD Measurement
4.2. Droplet Evaporation and Diffusion Estimation
5. Results and Discussion
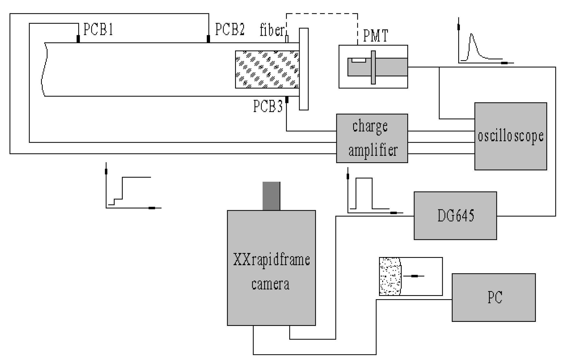
5.1. Pressure and Optical Measurements
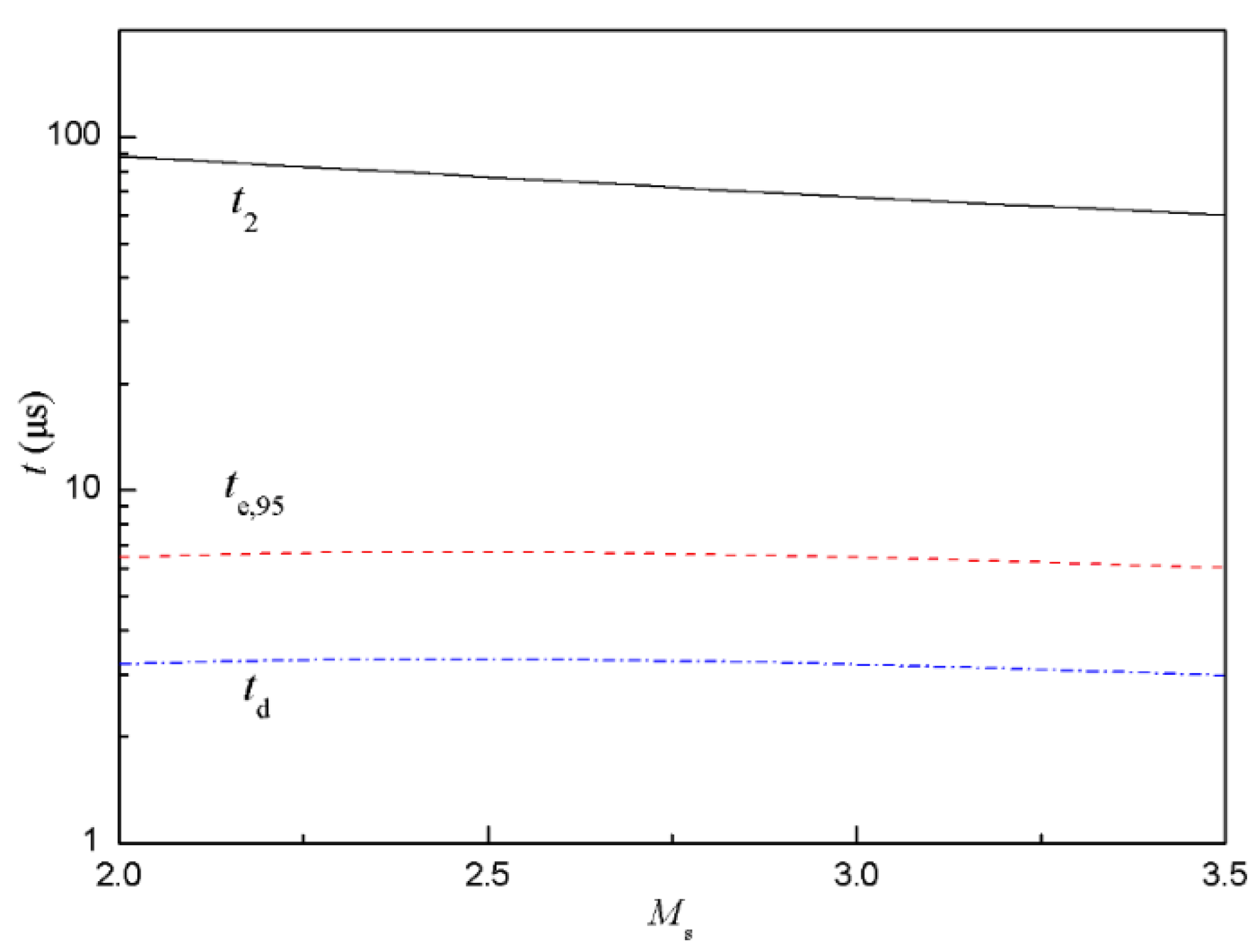
5.2. Ignition Delay Time Measurements
5.3. High-Speed Photography of Auto-Ignition Flow-Field
6. Conclusions
Author Contributions
Funding
Acknowledgments
Conflicts of Interest
References
- Davison, D.F.; Haylett, D.R.; Hanson, R.K. Development of an aerosol shock tube for kinetic studies of low vapor-pressure fuels. Combust. Flame 2008, 155, 108–117. [Google Scholar] [CrossRef]
- Tranter, R.S.; Fulle, D.; Brezinsky, K. Design of a high-pressure single pulse shock tube for chemical kinetic investigations. Rev. Sci. Instrum. 2001, 72, 3046–3054. [Google Scholar] [CrossRef]
- Tranter, R.S.; Sivaramakrishnan, R.; Brezinsky, K.; Allendorf, M.D. High pressure, high temperature shock tube studies of ethane pyrolysis and oxidation. Phys. Chem. Chem. Phys. 2002, 4, 2001–2010. [Google Scholar] [CrossRef]
- Bakali, A.E.; Dagaut, P.; Pillier, L.; Desgroux, P.; Pauwels, J.-F.; Rida, A.; Meunier, P. Experimental and modeling study of the oxidation of natural gas in a premixed flame, shock tube and jet-stirred reactor. Combust. Flame 2004, 137, 109–128. [Google Scholar] [CrossRef]
- Hanson, R.K.; Davidson, D.F. Recent advances in laser absorption and shock tube methods for studies of combustion chemistry. Prog. Energy Combust. Sci. 2014, 44, 103–114. [Google Scholar] [CrossRef]
- Tsuboi, T.; Hozumi, T.; Hayata, K.; Ishii, K. Study of diesel spray combustion in air containing burnt gas using a shock tube. Combust. Sci. Technol. 2005, 177, 513–537. [Google Scholar] [CrossRef]
- Cadman, P. Shock tube combustion of liquid hydrocarbon sprays of toluene. Phys. Chem. Chem. Phys. 2001, 3, 4301–4309. [Google Scholar] [CrossRef]
- Campbell, M.F. Studies of Biodiesel Surrogates Using Novel Shock Tube Techniques. Ph.D. Thesis, Stanford University, Palo Alto, CA, USA, July 2014. [Google Scholar]
- Haylett, D.R.; Davidson, D.F.; Hanson, R.K. Second-generation aerosol shock tube: An improved design. Shock Waves 2012, 22, 483–493. [Google Scholar] [CrossRef]
- Campbell, M.F.; Tulgestke, A.M.; Davidson, D.F.; Hanson, R.K. A second-generation constrained reaction volume shock tube. Rev. Sci. Instrum. 2014, 85, 055108. [Google Scholar] [CrossRef]
- Haylett, D.R.; Lappas, P.P.; Davidson, D.F.; Hanson, R.K. Application of an aerosol shock tube to the measurement of diesel ignition delay times. Proc. Combust. Inst. 2009, 32, 477–484. [Google Scholar] [CrossRef]
- Haylett, D.R.; Davidson, D.F.; Hanson, R.K. Ignition delay times of low-vapor-pressure fuels measured using an aerosol shock tube. Combust. Flame 2012, 159, 552–561. [Google Scholar] [CrossRef]
- Hedman, T.D.; Cho, K.Y.; Pfeil, M.A.; Satija, A.; Mongia, H.C.; Groven, L.J.; Lucht, R.P.; Son, S.F. High speed OH PLIF applied to multiphase combustion (Review). Combust. Explos. Shock Waves 2016, 52, 1–13. [Google Scholar] [CrossRef]
- Lobasov, A.S.; Chikishev, L.M.; Dulin, V.M. Comparison between premixed and partially premixed combustion in swirling jet from PIV, OH PLIF and HCHO PLIF measurements. J. Phys. Conf. Ser. 2017, 899, 062002. [Google Scholar] [CrossRef]
- Donbar, J.M.; Driscoll, J.F.; Carter, C.D. Reaction zone structure in turbulent non-premixed jet flames from CH-OH PLIF images. Combust. Flame 2000, 122, 1–19. [Google Scholar] [CrossRef]
- Donbar, J.M.; Gruber, M.R.; Jackson, T.A.; Carter, C.D.; Mathur, T. OH planar laser-induced fluorescence imaging in a hydrocarbon-fueled scramjet combustion. Proc. Combust. Inst. 2000, 28, 679–687. [Google Scholar] [CrossRef]
- Kamel, M.R.; Morris, C.I.; Stouklov, I.G.; Hanson, R.K. PLIF imaging of hypersonic reactive flow around blunt bodies. Symp. Combust. 1996, 26, 2909–2915. [Google Scholar] [CrossRef]
- Tranter, R.S.; Giri, B.R.; Kiefer, J.H. Shock tube/time-of-flight mass spectrometer for high temperature kinetic studies. Rev. Sci. Instrum. 2007, 78, 034101. [Google Scholar] [CrossRef]
- Timmler, J.; Roth, P. Measurements of high-temperature evaporation rates of solid and liquid aerosol particles. Int. J. Heat Mass Transf. 1989, 32, 1887–1895. [Google Scholar] [CrossRef]
- Zhang, Y.; Huang, Z.; Wang, J.; Xu, S. Shock tube study on auto-ignition characteristics of kerosene/air mixtures. Chin. Sci. Bull. 2011, 56, 1399–1406. [Google Scholar] [CrossRef][Green Version]
- Landry, E.S.; Mikkilineni, S.; Paharia, M.; Mcgaughey, A.J.H. Droplet evaporation: A molecular dynamics investigation. J. Appl. Phys. 2007, 102, 124301. [Google Scholar] [CrossRef]
- Faeth, G.M. Current status of droplet and liquid combustion. Prog. Energy Combust. Sci. 1977, 3, 191–224. [Google Scholar] [CrossRef]
- Davidson, D.F.; Hanson, R.K. Interpreting shock tube ignition data. Int. J. Chem. Kinet. 2004, 36, 510–523. [Google Scholar] [CrossRef]
- Chris, M. Gaseq Version 0.79. Available online: http://www.gaseq.co.uk (accessed on 21 January 2005).
- Vasudevan, V.; Davidson, D.F.; Hanson, R.K. Shock tube measurements of toluene ignition times and OH concentration time histories. Proc. Combust. Inst. 2005, 30, 1155–1163. [Google Scholar] [CrossRef]
- Pitz, W.J.; Seiser, R.; Bozzelli, J.W.; Costa, I.D.; Fournet, R.; Billaud, F.; Battin-leclerc, F.; Seshadri, K.; Westbrook, C.K. Chemical Kinetic Characterization of Combustion of Toluene. In Proceedings of the Second Joint Meeting of the U. S. Section of the Combustion Institute, Oakland, CA, USA, 20 March 2001. UCRL-JC-142415. [Google Scholar]
- Burcat, A.; Farmer, R.C.; Espinoza, R.L.; Matula, R.A. Comparative ignition delay times for selected ring-structured hydrocarbons. Combust. Flame 1979, 36, 313–316. [Google Scholar] [CrossRef]










| Case | Pb/P0 | Wave Structure | Velocity of Outlet Airflow |
|---|---|---|---|
| 1 | Pb/P0 < 0.0036 | expansion wave at nozzle outlet | supersonic |
| 2 | 0.0036 < Pb/P0 < 0.084 | oblique shock wave at nozzle outlet | supersonic |
| 3 | 0.084 < Pb/P0 < 0.999 | normal shock wave in nozzle | subsonic |
| Configuration | Atomizing Method | Atomizing Position | SMD | Aerosol Inlet Method | |
|---|---|---|---|---|---|
| Reference | Round | Ultrasonic nebulizer | Out of shock tube | 4.5 μm | Valve with 8 mm diameter—Hydraulically driven |
| This work | Rectangle | Shear atomization by high-speed airflow | Out of shock tube | 2–5 μm | Piston with 60 mm diameter—Screw-driven |
© 2020 by the authors. Licensee MDPI, Basel, Switzerland. This article is an open access article distributed under the terms and conditions of the Creative Commons Attribution (CC BY) license (http://creativecommons.org/licenses/by/4.0/).
Share and Cite
Liu, E.; Liao, Q.; Xu, S. Aerosol Shock Tube Designed for Ignition Delay Time Measurements of Low-Vapor-Pressure Fuels and Auto-Ignition Flow-Field Visualization. Energies 2020, 13, 683. https://doi.org/10.3390/en13030683
Liu E, Liao Q, Xu S. Aerosol Shock Tube Designed for Ignition Delay Time Measurements of Low-Vapor-Pressure Fuels and Auto-Ignition Flow-Field Visualization. Energies. 2020; 13(3):683. https://doi.org/10.3390/en13030683
Chicago/Turabian StyleLiu, Erwei, Qin Liao, and Shengli Xu. 2020. "Aerosol Shock Tube Designed for Ignition Delay Time Measurements of Low-Vapor-Pressure Fuels and Auto-Ignition Flow-Field Visualization" Energies 13, no. 3: 683. https://doi.org/10.3390/en13030683
APA StyleLiu, E., Liao, Q., & Xu, S. (2020). Aerosol Shock Tube Designed for Ignition Delay Time Measurements of Low-Vapor-Pressure Fuels and Auto-Ignition Flow-Field Visualization. Energies, 13(3), 683. https://doi.org/10.3390/en13030683
