Next Article in Journal
Wind Characteristics in the Taiwan Strait: A Case Study of the First Offshore Wind Farm in Taiwan
Previous Article in Journal
What Makes Decentralised Energy Storage Schemes Successful? An Assessment Incorporating Stakeholder Perspectives
 
 
Font Type:
Arial Georgia Verdana
Font Size:
Aa Aa Aa
Line Spacing:
Column Width:
Background:
Article

Optimization of Transformer Winding Deformation Assessment Criterion Considering Insulation Aging and Moisture Content

State Key Laboratory of Electrical Insulation for Power Equipment, Xi’an Jiaotong University, Xi’an 710049, China
*
Authors to whom correspondence should be addressed.
These authors contributed equally to this work and considered as co-first author.
Energies 2020, 13(24), 6491; https://doi.org/10.3390/en13246491
Submission received: 2 November 2020 / Revised: 1 December 2020 / Accepted: 4 December 2020 / Published: 8 December 2020
(This article belongs to the Section F: Electrical Engineering)

Abstract

Frequency response analysis is widely used to diagnose transformer winding deformation faults due to its high sensitivity, strong anti-interference capability, and equipment portability, but the results of frequency response analysis can be affected by insulation aging and moisture in the transformer, leading to errors in the diagnosis of winding deformation faults. Currently, there is no effective method to prevent such errors. This paper focuses on optimizing the criterion for diagnosing winding deformations when insulation aging and moisture are present. First, the winding frequency response curves of oil-paper insulation were determined by combining insulation aging and moisture tests of the oil-paper insulation with frequency response simulations of the transformer winding. Next, the winding deformation criterion predicting the likelihood and extent of errors diagnosing transformer winding deformations due to the insulation aging and moisture content is discussed. Finally, the corresponding criterion optimization method is proposed. The corresponding results show that insulation aging and moisture can lead to errors when using the correlation coefficient R criterion to diagnose the transformer winding deformations. Moreover, the possibility of winding deformation errors caused by the change of insulation state can be reduced by introducing the corresponding auxiliary criterion through comparing the capacitance change rate based on the frequency response method and that based on the dielectric spectrum method.

1. Introduction

Oil-immersed power transformers are at the core of energy transmission and distribution in power systems, and their safe operation is of great significance to ensure reliable power delivery [1,2,3]. Winding deformations are one of the leading causes of transformer faults [4]. If the winding deformation occurs in an operating transformer, the mechanical properties of the winding drop sharply, which damages the transformer and prevents it from operating normally [5]. Therefore, the ability to effectively detect transformer winding deformations is essential to the safe and stable operation of transformers, which has important academic and engineering significance.
The early detection of winding deformations in power transformers is typically performed by inspecting the hanging cover. However, this method is time-consuming and laborious, and atmospheric moisture can enter the transformer and negatively affect the performance of the insulation. In recent years, the frequency response analysis (FRA) method has attracted significant attention because of its high sensitivity, strong anti-interference capabilities, and measuring equipment portability. The FRA method was first proposed by Dick and Erven [6], since then Jensen [7], Islam [8], and many other scholars [9,10,11] have done extensive work in this field. Currently, the FRA method has become the main method for diagnosing transformer winding deformations in European countries. Since the 1990s, FRA has received increased attention by scholars and has been applied to the detection of transformer winding deformations in real-world applications [12]. In 2004, the FRA method was written into the power industry standard DL/T 911-2004 [13] as a method for analyzing winding deformations in power transformers. However, the frequency response of transformers is affected not only by winding deformations but also by insulation aging, moisture exposure, internal transformer temperature during measurement, and other factors, which can lead to errors in the analysis [14]. Researchers have confirmed that the insulation state of the oil-paper insulation affects the frequency response of the transformer. A simulation study demonstrated that the aging of the oil-paper insulation does not significantly affect the frequency of the resonance peak of the FRA curve of the winding, but it does affect its peak value [15]. In another study [16], the FRA curves of the winding of a 5 kV transformer were measured before and after drying, and it was found that the FRA curve of the transformer shifted to higher frequencies after being dried. Nevertheless, the insulation state of transformers is still evaluated through the FRA results. Research on the influence of the transformers’ oil-paper insulation state on the assessment of winding deformations has been limited to simple qualitative discussions, and a method that can effectively avoid errors when analyzing winding deformations has not been proposed yet.
In this paper, the influence of insulation aging and moisture on the frequency response characteristics of transformer windings is investigated. Since the transformer in long-term operation will be affected by uncontrollable and uneven insulation aging or moisture exposure due to the change of actual working conditions, it is difficult to directly test transformers, so the aging and moisture tests of the oil-paper insulation materials were combined with a winding frequency response simulation to determine the frequency response characteristics of the transformer windings after aging and exposure to moisture. Based on the simulation of winding frequency response curves with different aging and moisture degrees, the possibility and degree of errors when analyzing winding deformations caused by aging and exposure to moisture is discussed by combining with the correlation coefficient R criterion. Finally, two optimization methods of an auxiliary criterion based on the rate of change of the capacitance are proposed and their effectiveness is verified.

2. Theory of Frequency Response and Winding Deformation Diagnosis

2.1. Principle of Frequency Response Analysis

According to the DL/T 911-2004 standard [13], the amplitude-frequency response characteristics in the 1 kHz-1 MHz range should be investigated when diagnosing and analyzing winding deformation faults for transformers with a voltage of 6 kV and above using the FRA method. Due to the influence of the winding on the ground capacitance and longitudinal capacitance, the transformer winding can be represented by a circuit composed of distributed parameters such as inductance, capacitance and resistance [13]. The test circuit for the FRA method is shown in Figure 1. where, R0, L0, C0, and Cs are the distributed resistance, distributed inductance, distributed capacitance to ground, and longitudinal distributed capacitance per unit length of winding, respectively. Us and Rs are the voltage and output impedance of the excitation signal source, respectively. R is the measured resistance. U1 and U2 are the voltages at the excitation and response ends of the winding equivalent circuit, respectively.
The amplitude–frequency response of the transformer winding can be expressed as in Formula (1).
H ( f ) = 20 log U 2 ( f ) U 1 ( f )
where H(f) is the amplitude of the frequency response when the frequency is f; U2(f) is the effective or peak value of the voltage at the response end when the frequency is f; U1(f) is the effective or peak value of the voltage at the excitation end when the frequency is f.
Two commonly used connection modes for the frequency response method are shown in Figure 2. In Figure 2a, the in-phase non-measurement winding of the tested winding is in a short circuit state, which is called end-to-end open-circuit connection mode. In Figure 2b, the winding is in the end-to-end short-circuit connection mode, where the input signal is applied to one end of one winding, and the output signal is at one end of the other windings in the same phase; aside for these two ends, the other ends of the transformer winding should be in a suspended state. The frequency response in this connection mode is sensitive to radial deformations of the windings. The frequency response measured by both connection modes is the frequency response of a single winding.

2.2. Winding Deformation Criterion

Winding deformations in transformers are diagnosed using FRA, which compares the measured winding frequency response characteristic curve with the reference curve to assess the transformer winding [5].
To diagnose winding deformations, the correlation coefficient CC is commonly used and is defined as follows [17]. Assuming that x and y are the first and second frequency response sequences of the transformer, x ¯ and y ¯ are the average values of x and y, respectively, and N is the length of x and y, the correlation coefficient CC can be determined using Formula (2).
CC = i = 1 N ( ( x i x ¯ ) × ( y i y ¯ ) ) i = 1 N ( x i x ¯ ) 2 i = 1 N ( y i y ¯ ) 2
However, there is no unified standard for the relationship between correlation coefficient CC and the degree of transformer winding deformation. The correlation coefficient R criterion was formally put forward in a different power industry standard, the DL/T 911-2004 [13]. The algorithm at the core of the two correlation coefficients is the same, the only difference is that the correlation coefficient R divides the frequency band into three sections, which is better for practical engineering applications.
The correlation coefficient R criterion is one of the most important methods for determining whether a winding is deformed, and has been widely adopted in the field [11,12]. In this method, the measured frequency band in the FRA is divided into three small frequency bands: low frequency (1–100 kHz), medium frequency (100–600 kHz), and high frequency (600–1000 kHz) bands. The degree of winding deformation is determined according to the correlation coefficient in each of the three frequency bands. Assuming that there are two transformer transfer function sequences, X(k) and Y(k) (k = 0, 1, …, N-1) with length N, and both X(k) and Y(k) are all real numbers, then the correlation coefficient R of the two sequences can be calculated according to Formula (3).
R x y = { 10 , ( 1 σ ) < 10 1 log 10 ( 1 σ )
where Rxy is the correlation coefficient in the low (medium/high) frequency band; σ is the normalized covariance coefficient of the two sequences, where σ can be determined using Formula (4).
σ ( x , y ) = C x y D x D y
where Cxy is the covariance of the two sequences; Dx and Dy are the standard variances of the two sequences.
The relation between the correlation coefficient R and the degree of transformer winding deformation is presented in Table 1 [13], and the severity of the winding deformation can be assessed according to the correlation coefficients of the different frequency bands.

3. Establishment of the Transformer Frequency Response Simulation Model

Owing to the high cost and complexity of performing aging and moisture tests on actual transformers, a method that combines the tests with simulations was adopted. In this method, the aging and moisture tests are carried out on transformer oil-paper insulation materials in a laboratory to measure the dielectric parameters of such materials. Next, the measured results are substituted into a transformer frequency response simulation model. Finally, the transformer frequency response of insulation materials under the condition of the aging and moisture is calculated.

3.1. Transformer Single-Phase Winding Equivalent Circuit Model

According to Figure 1, the equivalent circuit model of a single-phase transformer is established based on the structure of a 10 kV three-phase double-winding transformer, as shown in Figure 3, where C10 and G10 refer to the capacitance and conductance between the high voltage winding and the transformer wall, respectively; C20 and G20 are the capacitance and conductance between the low voltage winding and the iron core, respectively; C12 and G12 refer to the capacitance and conductance between high and low voltage windings, that is, the main insulation of transformer, respectively; CS1 and GS1 are longitudinal capacitance and longitudinal conductance of high voltage windings, respectively; CS2 and GS2 are longitudinal capacitance and longitudinal conductance of low voltage winding, respectively; L1 and R1 are equivalent inductance and equivalent resistance of high voltage winding, respectively; L2 and R2 are equivalent inductance and equivalent resistance of low voltage winding, respectively; and M is the mutual inductance between windings. The structural parameters of the transformer, corresponding to this model, are given in Table A1 (Appendix A).
When constructing the simulation model of the transformer frequency response, the transformer winding is divided into several parts and the lumped parameters of each part are calculated. In order to ensure the constant current flowing through each lumped parameter part, this paper takes a piece of high-voltage winding and other structures with the same height as it as a unit to build the model and calculate the lumped parameters. The specific calculation method and derivation are shown in Appendix B.

3.2. Three-Phase Transformer Frequency Response Simulation Model

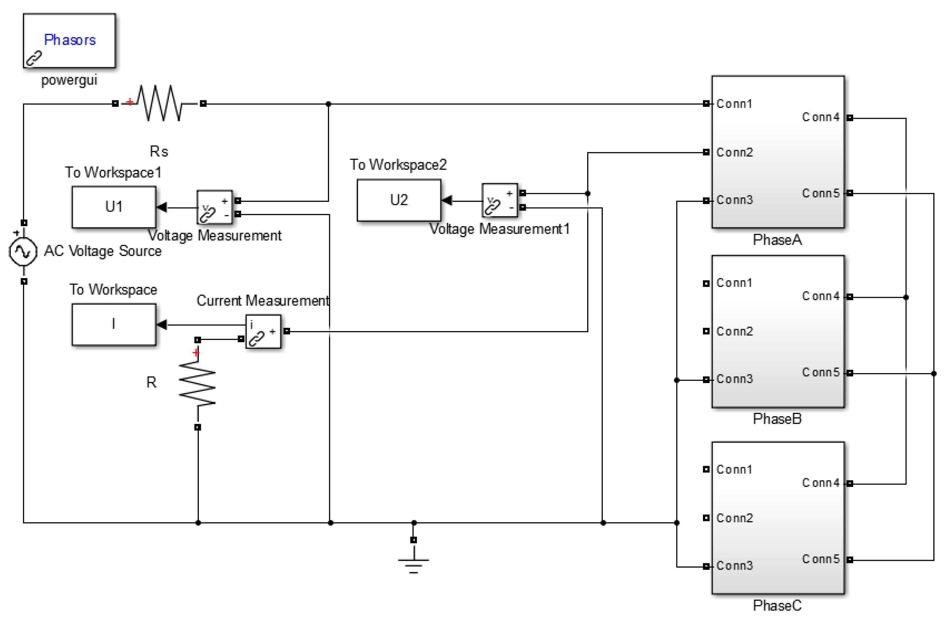
Because the transformer simulation model requires sweeps of the frequency values over multiple ranges, and the lumped parameters change as the frequency changes, the model was constructed in Matlab/Simulink, and values were quickly assigned to the parameters. The equivalent circuit model of a three-phase transformer can be constructed by connecting three equivalent circuit models of single-phase transformer winding, as shown in Figure 3, in a particular way. The frequency domain response simulation model built in Simulink is shown in Figure 4, where Rs is the output impedance of the signal source and its value does not affect the frequency response; R is the measured impedance and its value is set to 50 Ω in accordance with regulations; I is the current flowing through the response end; U1 and U2 are the effective voltage values of the excitation and response ends, respectively.
Phase A, Phase B, and Phase C are the modules packaged in Figure 3, which respectively represent the A, B, and C phases of the transformer, and their lead-out ends are the two ends of the high and low voltage windings and the ground end. The frequency response curve of the transformer can be obtained by simultaneously changing the frequency of the excitation source and the lumped parameters in the model through programming in Matlab.

4. Frequency Response with Insulation Aging and Moisture

Using the test results of the dielectric parameters of oil-immersed paperboard from Figure A2 (Appendix C) and the corresponding formulas in Appendix B, the lumped parameters in the simulation model were calculated. Subsequently, the frequency response curves under different conditions were obtained using the simulation, and the influence of the oil-paper insulation state change on transformer winding fault diagnosis results was discussed by using the correlation coefficient R criterion.

4.1. Amplitude-Frequency Response and Winding Deformation Assessment Results of Overall Insulation Aging and Moisture Conditions

Figure 5 shows the results of the transformer winding amplitude–frequency response simulation with different degrees of aging and moisture content of the oil-immersed paperboard. This simulation was performed at 30 °C and with two connection modes, a and b. It is clear that the resonance points of the amplitude–frequency response curve of the transformer shifted to higher frequencies as the degree of aging of the insulation paperboard was increased, in either connection mode. Combined with the results of the measurement of the dielectric parameters, presented in Figure A2, it was determined that in the frequency range of 1 kHz to 1 MHz, the real part of the relative complex dielectric constant ε’ decreased as the degree of aging of the oil-immersed paperboard increased, which led to a reduction in the capacitance of the main insulation of the transformer, thus causing the resonance frequency shift to a high frequency.
The resonance points of the frequency response curve of the transformer shifted to lower frequencies as the moisture content of the insulation paperboard was increased, which is opposite to the trend seen with insulation aging. Combined with the results of the measurement of the dielectric parameters, presented in Figure A2, it was determined that in the frequency range of 1 kHz to 1 MHz, the real part of the relative complex dielectric constant ε’ of the oil-immersed paperboard increased as the moisture content increased, which led to an increase in the capacitance of the main insulation of the transformer, thus causing the resonance frequency shift to a low frequency.
The influence of the degree of aging of insulation paperboard on the diagnosis of winding deformations is investigated considering the correlation coefficient R criterion. Taking the amplitude–frequency response curve of a transformer with a degree of polymerization (DP) value of 1256 as the reference curve, the correlation coefficient R between the amplitude–frequency response curve with different degrees of aging and the reference curve was calculated, and the result of the assessment of the winding deformation was determined by combining the correlation coefficient R criterion, as shown in Table 2.
Similarly, taking the amplitude–frequency response curve of a transformer with 0.4% moisture content as the reference curve, the correlation coefficient R between the amplitude–frequency response curve with different moisture contents and the reference curve was calculated, and the result of the winding deformation assessment was given by combining the correlation coefficient R criterion, as shown in Table 3.
According to the results presented in Table 3, the correlation coefficient decreased as the frequency was increased, in both connection mode a (high voltage winding) and connection mode b, and a normal winding would be misjudged to be slightly deformed. As the degree of aging increased, the correlation coefficient tended to decrease, and the likelihood that the winding was misdiagnosed as deformed increased. In addition, by analyzing the correlation coefficients at low, medium, and high frequencies in different connection modes, it was determined that the degree of aging in connection mode a (high voltage winding) caused the correlation coefficient in the low frequency band to decrease by a greater amount. The misdiagnosis of winding deformations was mainly caused by the change of the correlation coefficient in the low frequency band from 1 kHz to 100 kHz. However, when the degree of aging changed in connection mode b, the range over which the correlation coefficient varied for low, medium, and high frequencies was relatively consistent. This was mainly affected by the number and amplitude of resonance peaks in the different frequency bands in different connection modes.
Table 4 shows that there was an error in the winding deformation evaluation after a change in the moisture content in both connection modes. As the moisture content increased, the correlation coefficient showed a decreasing trend, and the likelihood that a normal winding was misdiagnosed as being deformed windings increased.
Consistent with the results of the degree of aging, the likelihood of a misdiagnosis due to the correlation coefficient of the low frequency band was greater when the moisture content changed in connection mode a (high voltage winding), while the likelihood of misdiagnosis caused by the low, medium, and high frequency correlation coefficients in connection mode b was relatively consistent.

4.2. Amplitude–Frequency Response and Winding Deformation Assessment Results of Local Moisture Conditions

Due to the uneven distribution of the internal electric field, the constant change in load, change in temperature, and other factors, the state of the oil-paper insulation inside the main insulation structure was not consistent everywhere. The moisture content of the transformer insulation was often greater in areas where the electric field was concentrated and where there was significant aging. In this section, the influence of the local concentrated moisture distribution on the transformer frequency response is discussed.
Taking the winding lead-out end as a benchmark, the local insulation moisture-affected parts were the main insulation parts of the head part, the middle part and the tail part. The height of the moisture-affected part was the height of one unit, namely, the height of a piece of high-voltage winding. The moisture contents of the paperboard at insulation moisture part and other locations were 2.5% and 0.4%, respectively. The frequency response of the transformer in both connection modes at 30 °C was calculated via the simulation, as shown in Figure 6. Additionally, the correlation coefficient calculated based on the frequency response without local insulation moisture in the transformer is presented in Table 4. It was determined that the influence of local insulation moisture on the amplitude–frequency response of transformer did not change significantly compared with the overall insulation state and would not affect the winding deformation evaluation results.

5. Correlation Coefficient Criterion Optimization of Winding Deformation

5.1. Winding Deformation Criterion Optimization Based on Capacitance Change Rate Comparison

The main insulation section between the high and low voltage windings is typically the test object in the frequency domain dielectric response test. This means that the frequency domain spectrum when excessive aging and moisture are present mainly reflects the change of equivalent capacitance of the main insulation section, while the winding deformation affects the equivalent capacitance of other parts, including the main insulation and the longitudinal insulation. Therefore, this section discusses the relationship between the frequency domain spectrum of the transformers main insulation and the rate of change of the capacitance, determined from the transformer winding frequency response, and explores the optimization method for the winding deformation criterion when aging and moisture become a factor.
The resonant frequency f in the equivalent circuit was determined using the equivalent capacitance C and the equivalent inductance L in the circuit, where the relationship is shown in Formula (5).
f = 1 2 π L C
It was reported that the inductance of the transformer winding did not change significantly with the change in frequency, so the shift of the resonance peak in the frequency response curve was mainly caused by the change in capacitance in the equivalent circuit of the transformer [14]. Assuming that f1 and f2 were the frequencies of a particular resonance peak in the first and second tests, and C1 and C2 were the corresponding equivalent capacitances, respectively, the equivalent capacitance change rate ΔCFRA, based on the frequency response curve, can be expressed as Formula (6).
Δ C F R A = | C 2 C 1 1 | × 100 % = | f 1 2 f 2 2 1 | × 100 %
It is difficult to carry out quantitative aging and moisture treatment on the main insulation system of a transformer. Therefore, a finite element simulation model was established in Comsol based on the dielectric parameters in Figure A2, according to the structural parameters of the transformer presented in Table A1, as shown in Figure 7. Subsequently, the complex capacitance frequency domain spectrum of the transformer’s main insulation is calculated via simulation. The capacitance change rate ΔCFDS, based on the frequency domain spectrum of the transformer’s main insulation, can be determined through its complex capacitance frequency domain spectrum.
Using the points at each resonance peak in the winding amplitude–frequency response curve with an insulation DP value of 1256 and moisture content of 0.4% as the reference frequencies, the capacitance change rate at each resonance peak frequency point, in both connection modes, could be determined, and the capacitance change rate at different resonance peak frequency points could be averaged. The results are presented in Table 5. Due to the difference in the two connection modes, the positions of the resonance peaks were also different. Therefore, there were some differences in the average values of ΔCFDS between the two connection modes.
The capacitance change rate in the different connection modes was compared, as shown in Figure 8 and Figure 9. As can be seen, the capacitance change rate (ΔCFRA) calculated by the frequency response of the transformer was smaller than the capacitance change rate (ΔCFDS) calculated by the frequency domain dielectric spectrum at the same reference resonance frequency. This is because the capacitance of the main insulation measured by frequency domain spectrum (FDS) was only a part of the capacitance in the frequency response model of transformer, and the change of transformer insulation state mainly affected the capacitance of the main insulation. Essentially, the capacitance of other parts did not change like the main insulation, which was reflected in the overall frequency response of transformer in that the overall capacitance change rate was less than that of the main insulation part. In addition, ΔCFRA and ΔCFDS increased significantly as the degree of aging increased and increased slightly as the moisture content increased. It can be seen from these figures that the difference in capacitance change rate between the a and b connection modes was very small.
The ΔCFRA and ΔCFDS with different degrees of aging, moisture content, and different connection modes were plotted in the same figure, and the relationship between ΔCFRA and ΔCFDS was fit based on the method of least squares. The result is shown in Figure 10, where the correlation coefficient reaches 0.991, indicating that there was a significant correlation between ΔCFRA and ΔCFDS, which was independent of the connection mode. In the figure, A is the slope of the fitted straight line and the constant related to the transformer structure, and A = 0.425.
It can be seen from the above analysis that the average values of ΔCFRA and ΔCFDS satisfied an approximately linear relationship; that is, when ΔCFDS changed by a given amount, ΔCFRA also changed, within a particular range. If the change in ΔCFRA exceeded a certain amount, it indicated that in addition to the state of the main insulation, the winding state had also changed. Therefore, in this section, the addition of an auxiliary criterion, based on the correlation coefficient R criterion, was considered to help curtail the influence of the state change of the insulation in diagnosing winding faults. When performing the transformer winding fault test, the following conditions should be met: (1) the value of the correlation coefficient R conforms to the assessment range corresponding to the winding deformation, (2) the auxiliary criterion is established, at which point it can be confirmed that the winding is indeed deformed. The auxiliary criterion is presented in Formula (7).
C F R A > A C F D S
Notably, when ΔCFRA does not satisfy Formula (7), it does not mean that a winding deformation does not exist. The auxiliary criterion is proposed simply to reduce the likelihood of misdiagnosing winding deformations due to insulation aging or moisture.

5.2. Validity Verification of the Criterion Optimization Based on Capacitance Change Rate

In this section, using connection mode a as an example, the frequency response curves of high-voltage windings, with three DP for the insulation of 1078 with normal winding, 1078 with a local short circuit of high-voltage winding, and 857 with normal winding, were simulated and the results are shown in Figure 11. As seen, the amplitude-frequency response curve of the high-voltage winding, after the local short circuit, was clearly different than that of the normal winding. Additionally, this change was more pronounced in the high-frequency region, while there was no clear absence or increase of extreme points. Using the amplitude-frequency response curve of the insulation paperboard DP = 1078, with normal high-voltage winding as the reference curve, two types of capacitance change rates, ΔCFRA and ΔCFDS, when the high-voltage winding was locally short-circuited, were obtained when DP = 1078 and DP = 857, as shown in Table 6.
According to the data presented in Table 6, when the insulation paperboard DP = 1078 with the high voltage winding was locally short-circuited, ΔCFRA = 1.28% and ΔCFDS = 0, which satisfies the auxiliary criterion in Formula (7). When the insulation paperboard DP = 857 with the normal high-voltage winding, ΔCFRA = 1.89%, indicating that the frequency response curve slightly deviated from the reference curve; however, ΔCFDS = 5.13%, indicating that the main insulation capacitance changed significantly. At this time, ΔCFRA = 0.368ΔCFDS, which did not meet the auxiliary criterion in Formula (7). Therefore, according to the optimized criterion, the winding was not deformed, which is consistent with the actual situation. The above results verify that the criterion optimization method based on the comparison of the capacitance change rate can avoid misdiagnosing winding deformations due to insulation aging and moisture.

6. Conclusions

The aging of oil-paper insulation or changes in the moisture content can lead to errors when diagnosing the transformer winding faults. To address this issue, the frequency response of transformer windings with insulation aging and moisture was simulated and analyzed. According to the correlation coefficient R criterion, two criteria optimization methods based on the comparison of capacitance change rates were proposed, and the effectiveness of the methods was verified. The main conclusions of this study are as follows:
(a)
The overall aging and moisture of the transformer’s main insulation affects the winding frequency response, and errors may occur when diagnosing the winding deformations according to the correlation coefficient R criterion. The more significant the aging or moisture, the greater the possibility of misdiagnosis. The local moisture of the insulation has little effect on the frequency response of the winding as a whole.
(b)
When the oil-paper insulation state changes, the average value of the capacitance change rate ΔCFRA that is based on the transformer frequency response method is always smaller than the average value of capacitance change rate ΔCFDS that is based on the frequency domain dielectric spectrum of the transformer’s main insulation. The average values of ΔCFRA and ΔCFDS satisfy a linear relationship, which is not significantly affected by the particular connection mode.
(c)
Based on the correlation coefficient R criterion, the auxiliary criterion ΔCFRA > AΔCFDS can be added to suppress the influence of the change of state of the insulation on the winding fault diagnosis results and achieve the optimization of the winding deformation criterion.
Notably, the proposed criterion optimization method is basically not affected by the particular connection mode, but the value of the coefficient A in the auxiliary criterion still depends on the transformer voltage grade and structure. In addition, when the auxiliary criterion is not satisfied, it does not mean that a winding deformation does not exist. The two methods proposed here aim to develop techniques to avoid misdiagnosing winding deformations due to insulation aging and moisture and provide a reference for the improvement and optimization of diagnostic standards for winding deformations.

Author Contributions

Conceptualization, Q.W., Y.H., B.Y. and Z.Z.; methodology, Q.W. and Y.H.; validation, B.Y., Z.Z., C.X. and Y.L.; formal analysis, Q.W. and Y.H.; investigation, Q.W., Y.H., M.D. and B.S.; resources, C.X.; data curation, M.D. and B.S.; writing—original draft preparation, Q.W. and Y.H.; writing—review and editing, M.D. and B.S.; visualization, Q.W. and Y.H.; supervision, Q.W. and Y.H.; project administration, B.Y. and Z.Z.; funding acquisition, C.X. All authors have read and agreed to the published version of the manuscript.

Funding

This research was funded by the Natural Science Foundation of China, grant no. U1866603.

Conflicts of Interest

The authors declare no conflict of interest.

Appendix A. Main Parameters of a 10 kV Three-Phase Two-Winding Transformer

Table A1. Main parameters of a 10 kV three-phase two-winding transformer.
Table A1. Main parameters of a 10 kV three-phase two-winding transformer.
Transformer Parameter NameParameter Value
Rated power50 kVA
High voltage windingRated voltage10 kV
Winding typeContinuous winding
Total turns490
Low voltage windingRated voltage380 V
Winding typeSpiral winding
Total turns18
Main insulationTotal thickness of paper tube7 mm
Total thickness of oil passage36 mm
Number of stay8
Connection modeY, yn0
Height696 mm

Appendix B. Calculation Method of Lumped Parameters in the Finite Element Simulation Model of Transformer

In the equivalent circuit model of single-phase transformer shown in Figure 3, the parameters other than the winding inductance and resistance parameters, L1, R1, L2, R2 and M, need to be calculated according to the dielectric parameters of the oil-paper insulation materials. The lumped parameters in Figure 3 are calculated according to the structural dimensions of the transformer in Table A1 and the dielectric parameters of oil-paper insulation materials. The specific methods are as follows:
  • Calculation of C10, G10, C20, G20
The multi-physical field analysis software COMSOL MultiphsicsTM is used to model the transformer structure to obtain the relevant parameters. Here, the transformer shell is considered as a cuboid, and the finite element simulation model is constructed by taking the height of a unit on the radial plane of the winding, as shown in Figure A1. Using the model, the vacuum capacitance C0 between the high voltage winding and the transformer wall can be determined, then C10 and G10 can be obtained using Formulas (A1) and (A2).
C 10 = ε C 0
C 10 = ω ε C 0
Because the insulation oil is mainly used between the high voltage winding and the transformer wall, both ε′ and ε″ in these formulas take on the values from the data of insulating oil, and the results are presented in Section 3.2. C20 and G20 can be obtained by an analogous process.
Figure A1. Finite element simulation model of a unit height part of a transformer.
Figure A1. Finite element simulation model of a unit height part of a transformer.
Energies 13 06491 g0a1
2.
Calculation of C12, G12
First, the vacuum capacitance between the high and low voltage windings is calculated, and then the relative complex dielectric constant of the main insulation is calculated. Accounting for the cylindrical structure of the high and low voltage windings, the vacuum capacitance C0 between the high and low voltage windings can be expressed as in Formula (A3).
C 0 = 2 π ε 0 h 0 In ( r 1 / r 2 )
where ε0 is the vacuum dielectric constant, which is 8.85 × 10−12 F/m; h0 is the height of a unit in the transformer simulation model/m; r1 is the inner diameter of the high voltage winding/m; and r2 is the outer diameter of the low voltage winding/m.
The relative complex dielectric constant of the main insulation section can be determined using the XY model expression in Formula (A4). The dielectric parameters of oil-immersed paperboard and the insulating oil are given as the test results in Section 3.
ε * = Y 1 X ε spacer * + X ε spacer * + 1 Y 1 X ε oil * + X ε spacer *
Here, X is the ratio of the total thickness of paper tube to the main insulation thickness of the transformer; Y is the ratio of the total width of the stay to the average circumference of the main insulation of the transformer; ε*oil is the relative complex dielectric constant of the insulating oil; ε*paper is the relative complex dielectric constant of the paperboard; and ε*spacer is the relative complex dielectric constant of the stay.
3.
Calculation of CS1, GS1, CS2, GS2
The longitudinal capacitance of a continuous winding is composed of the interturn capacitance Ct and inter-cake capacitance Cd. The interturn capacitance Ct can be determined using Formula (A5).
C t = 2 π ε 0 ε i r h 0 d
where εi is the relative dielectric constant of the winding varnish; r is the average radius of the high voltage winding/m; d is the distance between two adjacent high voltage windings/m.
The inter-cake capacitance Cd can be determined using Formula (A6).
C d = π ε 0 ε o i l ( r 0 2 r 1 2 ) τ ks
where ε′oil is the real part of the relative complex dielectric constant of the insulating oil; r0 is the outer diameter of the high voltage winding/m; τks is the distance between two adjacent high voltage windings/m.
The relationship between the longitudinal capacitance CS1 and interturn capacitance Ct and inter-cake capacitance Cd can be expressed as in Formula (A7).
C s = n 6 C d + n 2 n 2 C t
where n is the number of turns in a cake of high voltage winding.
GS1 can be calculated according to the relationship between Formulas (A1) and (A2).
The spiral winding can be regarded as a continuous winding with 1 turn, CS2 and GS2 can be obtained by an analogous process.
4.
Calculation of L1, R1, L2, R2
A single-cake high voltage winding can be regarded as a thin cylindrical coil whose coil width is much smaller than the inner diameter of the coil, and its self-inductance can be approximated by Formula (A8).
L 1 = μ 0 n 2 r 1 [ ln ( 8 h 0 / r 1 ) ) 1 2 + 0.0182 ( h 0 r 1 ) 1.64 ]
where μ0 is the vacuum permeability, which is 4π × 10−7 H/m.
The equivalent resistance of a cake of high voltage winding at different frequencies can be expressed using Formula (A9).
R 1 = α l ( 1 σ w h + 1 2 ( w + h ) μ 0 π f σ )
where α is the correction factor; l is the equivalent length of a single-cake high voltage winding/m; σ is the conductivity of the winding/S·m−1; w and h are the width and height of the winding cross s/m; f is the frequency of applied excitation/Hz.
In Formula (A9), the first term is the DC resistance of the winding, the second term considers the high-frequency skin effect of the conductor, and α is the correction factor considering the proximity effect, where the value is generally greater than 1.
L2 and R2 can be obtained by an analogous process.
5.
Calculation of M
The single-cake high voltage winding has mutual inductance with other high voltage windings, as well as with low voltage windings. Here, COMSOL MultiphsicsTM is used to carry out two-dimensional axisymmetric modeling according to the actual position of the windings to calculate the mutual inductance between the windings. After the mutual inductance M is determined, the value of the inductance when establishing the equivalent circuit model of transformer is shown in Formula (A10).
L = L s + M
where Ls is the winding self-inductance/H, namely L1 and L2 in the above text.

Appendix C. Dielectric Parameter Test of Oil Paper Insulation Material

According to the IEC60641-2 test standards for oil-paper insulation materials, the samples of insulation paperboard with moisture content of 0.4%, 1.1%, 1.7% and 2.5% and polymerization degree of 1256, 1078, 957, 893 and 857 were prepared in this paper, and the dielectric parameters of the samples in the range of 1 kHz-1 MHz were measured by a concept40 broadband dielectric response tester. The results are shown in Figure A2.
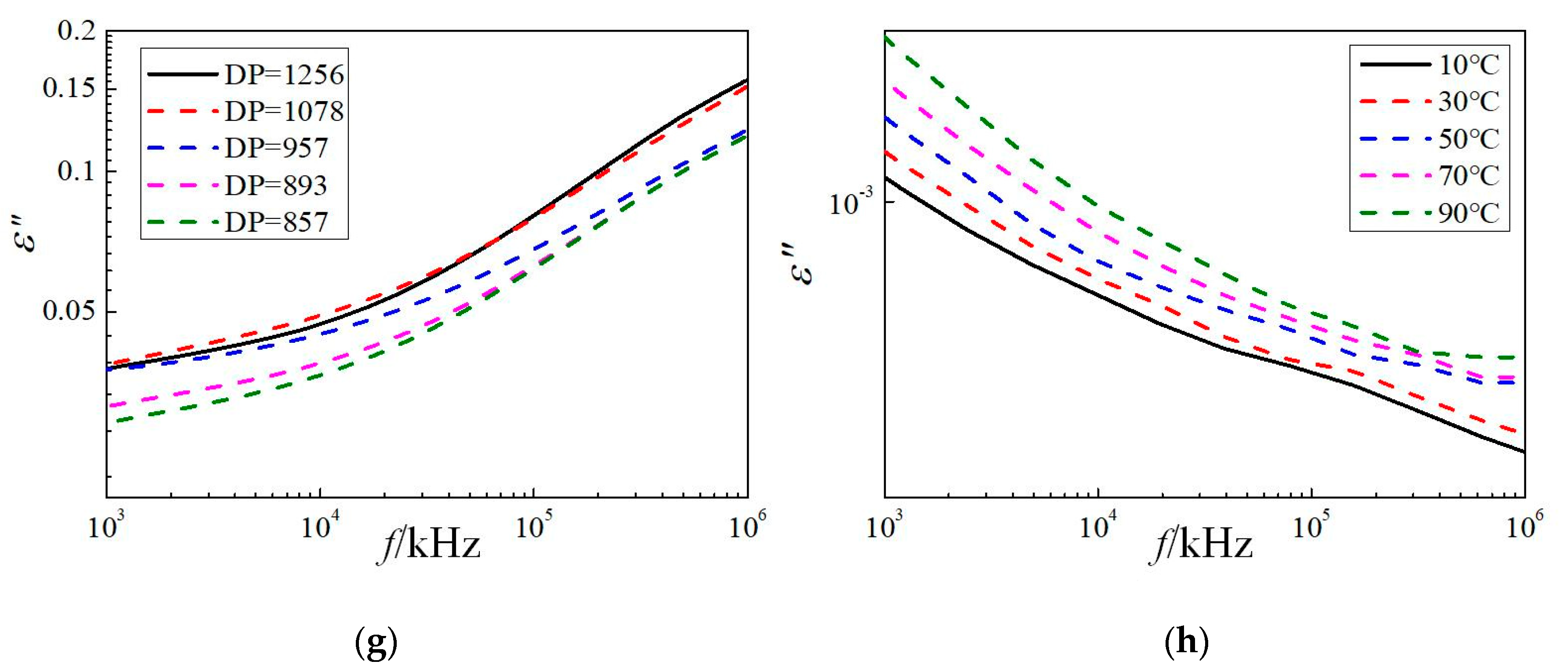
Figure A2. Dielectric properties results from oil-impregnated paperboard and insulating oil. (a) Real part of dielectric constant of oil-immersed paperboard at different temperatures; (b) real part of dielectric constant of oil-immersed paperboard with different moisture contents; (c) real part of dielectric constant of oil-immersed paperboard with different aging degrees; (d) real part of dielectric constant of insulating oil at different temperatures; (e) imaginary part of dielectric constant of oil-immersed paperboard at different temperatures; (f) imaginary part of dielectric constant of oil-immersed paperboard with different moisture contents; (g) imaginary part of dielectric constant of oil-immersed paperboard with different aging degrees; (h) imaginary part of dielectric constant of insulating oil at different temperatures.
Figure A2. Dielectric properties results from oil-impregnated paperboard and insulating oil. (a) Real part of dielectric constant of oil-immersed paperboard at different temperatures; (b) real part of dielectric constant of oil-immersed paperboard with different moisture contents; (c) real part of dielectric constant of oil-immersed paperboard with different aging degrees; (d) real part of dielectric constant of insulating oil at different temperatures; (e) imaginary part of dielectric constant of oil-immersed paperboard at different temperatures; (f) imaginary part of dielectric constant of oil-immersed paperboard with different moisture contents; (g) imaginary part of dielectric constant of oil-immersed paperboard with different aging degrees; (h) imaginary part of dielectric constant of insulating oil at different temperatures.
Energies 13 06491 g0a2aEnergies 13 06491 g0a2b

References

  1. Saha, T.K. Review of modern diagnostic techniques for assessing insulation condition in aged transformers. IEEE Trans. Dielectr. Electr. Insul. 2003, 10, 903–917. [Google Scholar] [CrossRef]
  2. Issouf, F.; Yazid, H. Electrical-based diagnostic techniques for assessing insulation condition in aged transformers. Energies 2016, 9, 679–705. [Google Scholar]
  3. Xie, J.; Dong, M.; Xu, G.; Hu, Y.; Yang, K. Quantitative aging assessment method for cellulose pressboard based on the interpretation of the dielectric response mechanism. Cellulose 2020, 27, 4773–4785. [Google Scholar] [CrossRef]
  4. Zhang, B.; Li, Y. Radial Stability of Large Transformer Windings under Multiple Inrush Conditions. Trans. China Electrotech. Soc. 2017, S2, 75–80. [Google Scholar]
  5. Gan, X.; Li, Y.; Fu, C.; Guo, H.; Yang, T. Information fusion and CS-SVM based research on diagnosis method for transformer winding deformation fault. Power Syst. Prot. Control 2018, 46, 156–161. [Google Scholar]
  6. Dick, E.P.; Erven, C.C. Transformer diagnostic testing by frequency response analysis. IEEE Trans. Power Appar. Syst. 1978, 97, 2144–2153. [Google Scholar] [CrossRef]
  7. Jensen, J.B.; Jensen, B.B.; Mikkelsen, S.D. Detection of faults and ageing phenomena in transformers by transfer function. IEEE Trans. Power Deliv. 1995, 10, 308–314. [Google Scholar] [CrossRef]
  8. Islam, S.M. Detection of shorted turns and winding movements in large power transformers using frequency response analysis. In Proceedings of the IEEE Power Engineering Society Winter Meeting, Singapore, 23–27 January 2000; pp. 2233–2238. [Google Scholar]
  9. Wang, M.; Vandermaar, A.J.; Srivastava, K.D. Review of condition assessment of power transformers in service. IEEE Electr. Insul. Mag. 2002, 18, 12–25. [Google Scholar] [CrossRef]
  10. Saleh, A.; Yasin, K.; Abderrahmane, B.; Nazar, M. A review of frequency response analysis methods for power transformer diagnostics. Energies 2016, 9, 879–896. [Google Scholar]
  11. Khalili Senobari, R.; Sadeh, J.; Borsi, H. Frequency response analysis (FRA) of transformers as a tool for fault detection and location: A review. Electr. Power Syst. Res. 2018, 155, 172–183. [Google Scholar] [CrossRef]
  12. Yue, Z.; Yang, W.; Jiang, J. Diagnosis example of transformer winding deformation using frequency response analysis. High Volt. Eng. 2001, 27, 74–75. [Google Scholar]
  13. China Electricity Council. DL/T 911—2004 Frequency Response Analysis Method for Power Transformer Winding Deformation; China Electric Power Press: Beijing, China, 2004.
  14. Yousof, M.F.M.; Ekanayake, C.; Saha, T.K. Examining the ageing of transformer insulation using FRA and FDS techniques. IEEE Trans. Dielectr. Electr. Insul. 2015, 22, 1258–1265. [Google Scholar] [CrossRef]
  15. Liu, Y.; Yang, F.; Zhang, F. Study on Sweep Frequency Impedance to Detect Winding Deformation Within Power Transformer. Proc. CSEE 2015, 35, 4505–4516. [Google Scholar]
  16. Liu, Y.; Ji, S.; Yang, F.; Cui, Y.; Zhu, L.; Rao, Z.; Ke, C.; Yang, X. A study of the sweep frequency impedance method and its application in the detection of internal winding short circuit faults in power transformers. IEEE Trans. Dielectr. Electr. Insul. 2015, 22, 2046–2056. [Google Scholar] [CrossRef]
  17. Saha, T.K.; Purkait, P. Transformer Ageing: Monitoring and Estimation Techniques; John Wiley & Sons: Singapore, 2017; pp. 303–314. [Google Scholar]
Figure 1. Basic test loop of the frequency response method.
Figure 1. Basic test loop of the frequency response method.
Energies 13 06491 g001
Figure 2. Two wiring methods commonly used in frequency response analysis (FRA). (a) End-to-end short-circuit; (b) capacitive inter-winding.
Figure 2. Two wiring methods commonly used in frequency response analysis (FRA). (a) End-to-end short-circuit; (b) capacitive inter-winding.
Energies 13 06491 g002
Figure 3. Equivalent circuit model of single-phase transformer.
Figure 3. Equivalent circuit model of single-phase transformer.
Energies 13 06491 g003
Figure 4. Frequency response simulation model based on Simulink.
Figure 4. Frequency response simulation model based on Simulink.
Energies 13 06491 g004
Figure 5. Amplitude-frequency response of windings with different aging degrees and moisture contents. (a) Full-band response of connection mode a under different aging degrees; (b) full-band response of connection mode b under different aging degrees; (c) full-band response of connection mode a under different moisture contents; (d) full-band response of connection mode b under different moisture contents; (e) local-band response of connection mode a under different aging degrees; (f) local-band response of connection mode b under different aging degrees; (g) local-band response of connection mode a under different moisture contents; (h) local-band response of connection mode b under different moisture contents.
Figure 5. Amplitude-frequency response of windings with different aging degrees and moisture contents. (a) Full-band response of connection mode a under different aging degrees; (b) full-band response of connection mode b under different aging degrees; (c) full-band response of connection mode a under different moisture contents; (d) full-band response of connection mode b under different moisture contents; (e) local-band response of connection mode a under different aging degrees; (f) local-band response of connection mode b under different aging degrees; (g) local-band response of connection mode a under different moisture contents; (h) local-band response of connection mode b under different moisture contents.
Energies 13 06491 g005
Figure 6. Amplitude–frequency response curve of oil-impregnated paperboard with localized moisture. (a) Connection mode a; (b) connection mode b.
Figure 6. Amplitude–frequency response curve of oil-impregnated paperboard with localized moisture. (a) Connection mode a; (b) connection mode b.
Energies 13 06491 g006
Figure 7. Finite element simulation model of 10 kV transformer.
Figure 7. Finite element simulation model of 10 kV transformer.
Energies 13 06491 g007
Figure 8. Capacitance change rate obtained by FRA and FDS with different degrees of aging.
Figure 8. Capacitance change rate obtained by FRA and FDS with different degrees of aging.
Energies 13 06491 g008
Figure 9. Capacitance change rate obtained by FRA and FDS with different moisture contents.
Figure 9. Capacitance change rate obtained by FRA and FDS with different moisture contents.
Energies 13 06491 g009
Figure 10. Relationship between the capacitance change rates based on FRA and FDS.
Figure 10. Relationship between the capacitance change rates based on FRA and FDS.
Energies 13 06491 g010
Figure 11. Relationship between the capacitance change rates based on FRA and FDS.
Figure 11. Relationship between the capacitance change rates based on FRA and FDS.
Energies 13 06491 g011
Table 1. Relation between correlation coefficient R and deformation degree of transformer winding.
Table 1. Relation between correlation coefficient R and deformation degree of transformer winding.
Winding Deformation DegreeR
Severe deformationRLF < 0.6
Obvious deformation1.0 > RLF ≥ 0.6 or RMF < 0.6
Mild deformation2.0 > RLF ≥ 1.0 or 0.6 ≤ RMF< 1.0
Normal windingRLF ≥ 2.0 and RMF ≥ 1.0 and RHF ≥ 0.6
Table 2. Correlation coefficient R and winding deformation assessment of aging insulating paperboard.
Table 2. Correlation coefficient R and winding deformation assessment of aging insulating paperboard.
Connection ModeDP ValueRTransformer Status
Low FrequencyMedium FrequencyHigh Frequency
connection mode a (high voltage winding)10782.47162.11991.7368Normal winding
9571.54431.19180.8005Mild deformation
8931.56251.15850.7624Mild deformation
8571.56471.08410.6853Mild deformation
connection mode b10782.57051.86921.4818Normal winding
9572.05470.95690.5373Mild deformation
8932.04080.91740.4994Mild deformation
8571.98460.83970.4213Mild deformation
Table 3. Correlation coefficient R and winding deformation assessment of moist insulating paperboard.
Table 3. Correlation coefficient R and winding deformation assessment of moist insulating paperboard.
Connection ModeMoisture ContentRTransformer Status
Low FrequencyMedium FrequencyHigh Frequency
connection mode a (high voltage winding)1.1%1.81931.60271.2171Mild deformation
1.7%1.65071.44761.0482Mild deformation
2.5%1.60741.40571.0028Mild deformation
connection mode b1.1%2.14221.36540.9339Normal winding
1.7%1.98621.20610.7641Mild deformation
2.5%1.94591.16470.7190Mild deformation
Table 4. Correlation coefficient R and winding deformation assessment of insulating paperboard with localized moisture.
Table 4. Correlation coefficient R and winding deformation assessment of insulating paperboard with localized moisture.
Connection ModeMoisture-Affected PartRTransformer Status
Low FrequencyMedium FrequencyHigh Frequency
connection mode a (high voltage winding)head part6.01276.82995.6905Normal winding
middle part6.38194.52947.2117Normal winding
tail part107.21175.6923Normal winding
connection mode bhead part4.36884.4023.8419Normal winding
middle part4.70494.80854.4063Normal winding
tail part7.29824.26904.8028Normal winding
Table 5. Capacitance change rates under different insulation aging degrees and moisture contents.
Table 5. Capacitance change rates under different insulation aging degrees and moisture contents.
Influence FactorConnection Mode AConnection Mode B
ΔCFRAΔCFDSΔCFRAΔCFDS
DP value10780.561.270.501.26
9571.854.301.774.29
8931.964.551.874.54
8572.225.132.035.11
moisture content1.1%1.332.681.132.68
1.7%1.433.291.433.30
2.5%1.513.471.483.48
Table 6. Capacitance change rates under different insulation aging degrees and moisture contents.
Table 6. Capacitance change rates under different insulation aging degrees and moisture contents.
Test MethodDP Value of Insulating PaperboardWinding ConditionAverage Value of ΔC/%
FRA1078locally short-circuited1.28
857normal1.89
FDS1078locally short-circuited0
857normal5.13
Publisher’s Note: MDPI stays neutral with regard to jurisdictional claims in published maps and institutional affiliations.

Share and Cite

MDPI and ACS Style

Wu, Q.; Hu, Y.; Dong, M.; Song, B.; Xia, C.; Yu, B.; Zhang, Z.; Liu, Y. Optimization of Transformer Winding Deformation Assessment Criterion Considering Insulation Aging and Moisture Content. Energies 2020, 13, 6491. https://doi.org/10.3390/en13246491

AMA Style

Wu Q, Hu Y, Dong M, Song B, Xia C, Yu B, Zhang Z, Liu Y. Optimization of Transformer Winding Deformation Assessment Criterion Considering Insulation Aging and Moisture Content. Energies. 2020; 13(24):6491. https://doi.org/10.3390/en13246491

Chicago/Turabian Style

Wu, Qian, Yizhuo Hu, Ming Dong, Bo Song, Changjie Xia, Boning Yu, Zhibin Zhang, and Yang Liu. 2020. "Optimization of Transformer Winding Deformation Assessment Criterion Considering Insulation Aging and Moisture Content" Energies 13, no. 24: 6491. https://doi.org/10.3390/en13246491

APA Style

Wu, Q., Hu, Y., Dong, M., Song, B., Xia, C., Yu, B., Zhang, Z., & Liu, Y. (2020). Optimization of Transformer Winding Deformation Assessment Criterion Considering Insulation Aging and Moisture Content. Energies, 13(24), 6491. https://doi.org/10.3390/en13246491

Note that from the first issue of 2016, this journal uses article numbers instead of page numbers. See further details here.

Article Metrics

Back to TopTop