Abstract
High-impedance faults (HIFs) represent one of the biggest challenges in power distribution networks. An HIF occurs when an electrical conductor unintentionally comes into contact with a highly resistive medium, resulting in a fault current lower than 75 amperes in medium-voltage circuits. Under such condition, the fault current is relatively close in value to the normal drawn ampere from the load, resulting in a condition of blindness towards HIFs by conventional overcurrent relays. This paper intends to review the literature related to the HIF phenomenon including models and characteristics. In this work, detection, classification, and location methodologies are reviewed. In addition, diagnosis techniques are categorized, evaluated, and compared with one another. Finally, disadvantages of current approaches and a look ahead to the future of fault diagnosis are discussed.
1. Introduction
High-impedance faults (HIFs) represent a persistent issue in the field of power system protection. Hence, a comprehensive understanding of such faults is a necessity for many engineers in order to innovate practical solutions. The authors of [1,2] introduced an HIF detection-oriented review. Their research defined the HIF problem as a pattern classification task that can be encountered using neural network classifiers trained via features extracted from measurements (i.e., current, voltage, and magnetic field intensity). Mishra et al. [3] further reviewed HIF detection techniques and expanded on mathematical and mechanical approaches. Industrially applied schemes were discussed by the authors of [4] to detect HIFs such as the broken conductor detection method, watt-metric protection relaying, and the ground wire grid approach. HIFs prior to the 2000s were covered by [5]. This article aims to provide an up-to-date comprehensive review on the current HIF detection, classification, and location techniques. The article will be divided as follows: the rest of this section will discuss the HIF definition, hazard, and characteristics; Section 2 will review the up-to-date HIF modeling techniques; Section 3 will discuss the recent HIF diagnosis methodologies attempted by researchers; Section 4 will compare the performance of most novel approaches in HIF detection, classification, and location; and finally, Section 5 will illustrate the conclusions and future recommendations.
1.1. Definition
When an electrical conductor unintentionally comes into contact with a highly resistive medium, it creates what is commonly referred to as a high-impedance fault (HIF). HIFs can be classified into two main types: active and passive, the latter of which occurs in underground conductor insulation deuteriation over a period of time [6], and the other occurs when an overhead conductor breaks and touches highly resistive ground, creating an immediate transient arc [7,8]. The current levels of the resulting phenomena are marginally higher than the normal drawn ampere from the load, hence deeming them impossible to be detected by conventional overcurrent relays [9,10,11,12,13,14,15,16]. Moreover, ground-sensitive relays proved to be unreliable during unbalanced loading conditions [17]. According to [5,6,17], current values can range between 1 and 75 A in 20 kV systems, as shown in Table 1, and it can be observed that the nature of the conductive medium and its humidity affect the HIF current.
Table 1.
High-impedance fault (HIF) current on various surfaces.
1.2. Hazards
It has been reported in the literature that 5% to 10% of overall system faults are classified as HIFs [18]. However, this figure only reflects HIFs that further developed into high-current short-circuit faults. Furthermore, [19] stated that conventional relays are blinded to 80% of HIFs occurring in a distribution system which highlights the present level of ambiguity towards HIFs in power system protection schemes. During its undetected state, an HIF is a risk to public safety, since a downed conductor can create hazardous shock, fire, or life-threatening injuries through unintentional human contact [20,21,22,23]. Equipment damages due to the presence of HIFs are also considered as a threat to the facility’s assets and may cause irreparable damage [24,25].
1.3. Characteristics
HIFs exhibit different characteristics from normal short-circuit faults and are highly complex. Such complexity is due to the following typical traits presented in the literature and shown in Figure 1:
Figure 1.
Characteristics of HIFs [26].
- A-
- Low current magnitude [26,27] that can be difficult to distinguish from a normal increase or decrease in the electrical load.
- B-
- Intermittent arcing [28,29,30] associated with low harmonics and noises in the measurement signals.
- C-
- Asymmetry and randomness [31] due to the varying fault path which leads to a change in the HIF current magnitude from cycle to cycle.
- D-
- Nonlinearity [32,33,34] in the relationship between voltage and current sinusoidal signals during the HIF condition.
- E-
- Build-up and shoulder [35] where the current magnitude of an HIF gradually increases during several cycles until it reaches a steady state condition.
2. HIF Modeling
The modeling of HIFs represents the cornerstone for many research papers as the accuracy of the results rely highly on the modeling method’s ability to simulate the characteristics of an HIF. Characteristics such as nonlinearity, asymmetry, randomness, intermittence, build-up, and shoulder require elaborate techniques to be modeled in a simulated environment. Hence, this section will discuss the current modeling techniques utilized in the literature.
2.1. Real-Time Models
HIF diagnosis aims to eventually solve a real-world problem. Therefore, utilization of real-world data modeled in a high-current research laboratory is an obvious path to take. In [18], materials such as tree branches, grass, and concrete surfaces were used in dry and wet conditions with utilization of digital data recording equipment to simulate several HIFs and record relevant current and voltage magnitudes. Figure 2 shows the experimental setup performed by [18]. Although this methodology represents the closest approximation to an HIF and provided valuable study data, it can be unpractical for many other researchers due to space limitations. Moreover, laboratories will require expensive high-voltage equipment to replicate the performances of a real HIF and strict safety measures to mitigate any potential dangers from HIF arcing.
Figure 2.
Experimental setup of a downed conductor on a high-impedance surface.
2.2. Simulated Models
The second class of modeling is performed in a simulated environment. This section will explain the three main models used in the literature to simulate HIFs characteristics in electromagnetic transients (EMT) modules.
2.2.1. Single Variable Resistor
This model was proposed by [36,37,38] to simulate the arcing characteristics of an HIF based on Cassie’s and Mayr’s [39,40] theories via utilizing the following equation to calculate the arcing resistance :
where is the system’s initial fault resistance, is time, and is the time constant defined by the user. This approach provides a layer of randomness to the simulated HIF. However, asymmetry and nonlinearity aspects of the fault are not represented correctly.
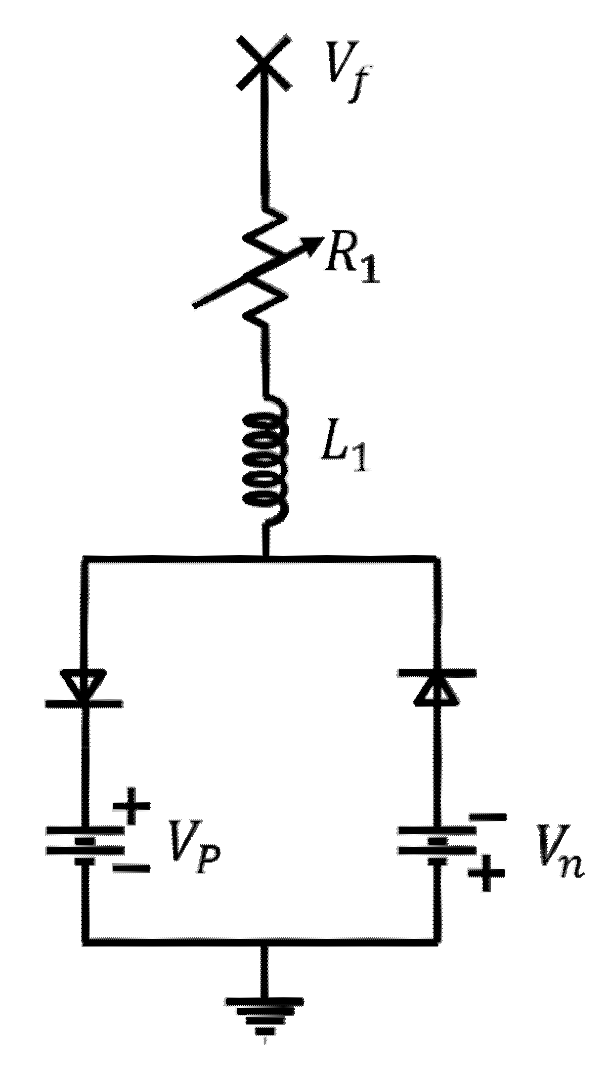
2.2.2. Variable Resistor and Single Inductor
Alternatively, [41] proposed the representation of an HIF shown in Figure 3. Fault resistance can be calculated via the following mathematical equation:
where and are constants defined by the user, is the fault current, and is the initial fault current. The fault resistance is connected in series with an inductor with a typical value of as per [42]. This approach is simple and will reduce the overall computational burden of the experiment, but it is far from a real data representation due to empirical assumptions.
Figure 3.
Variable resistor with inductor model.
2.2.3. Two Variable Resistors
In another model proposed by [43,44] using two variable resistors as shown in Figure 4, is designed to model the HIF asymmetry and nonlinearity between the voltage () and current () via calculating their respective ratios as stated by Ohm’s law. The values of the current and voltage are sampled over time, where each sample is taken from one complete cycle. Values used in are from cycles that are similar in amplitude to the preceding cycles so that build-up characteristics are excluded. The current can be calculated via the following equation [45]:
where and are extracted from the voltage vs. current characteristic curve in sample . On the other hand, is designed to represent the build-up and shoulder characteristics of an HIF. The resistance in this variable will start at a high value and decrease over time so that the fault current will eventually reach a steady state value.
Figure 4.
Two variable resistors model.
The polynomial expression defining is as follows [45]:
where is the polynomial degree, is the coefficient, and is the growing period of the HIF current. The methodology presents a good approach to emulate nonlinearity, asymmetry, build-up, and shoulder features of an HIF. It is worth mentioning that sampling data can vary depending on the surface material and condition. This model is unique in the sense that it is the closest representation to the HIF’s build-up and shoulder characteristics. However, the discharged arcing component is not considered.
2.2.4. Two Antiparallel Diodes
Emanuel et al. [46] proposed another model to replicate the unique characteristics of an HIF. As shown in Figure 5, and alongside and add the nonlinearity dimension to the HIF, and and factor in the discharged arcing voltage of the incident. This model is designed with directional diodes so that if > , the fault current will flow from the source to the ground. The opposite will occur at < as the current will flow back to the source, and when < < , no current will flow into the system. Other researchers in [47,48,49,50] expanded into Emanuel’s model by experimenting with a variable resistor, as shown in Figure 6. However, this model lacks the ability to simulate the build-up and shoulder characteristics of an HIF.
Figure 5.
Two antiparallel diodes model.
Figure 6.
Two antiparallel diodes with resistors and inductors.
3. HIF Diagnosis Techniques
During its undetected state, an HIF is a risk to public safety and eventually the electrical distribution system. Hence, many researchers attempted to identify techniques that can detect, classify, and locate HIFs. This section is going to discuss the recent methodologies used to diagnose HIFs.
3.1. Traditional Methods
In a balanced three-phase system, the summation of the currents in all phases is equal to zero as per the following equation:
Monitoring via a core balanced current transformer (CT) can be referred to in the industry as sensitive ground fault relaying [51]. This method is widely used. However, loads in nature are unbalanced. Therefore, residual current is always present in the system, which will require the relay to be set at a certain tolerance rate to avoid nuisance trips. This tolerance rate may increase the difficulty of HIF detection. The comparison between outgoing and incoming current flows is used in differential protection schemes similar to pipeline leakage detection, where the flow rates are observed. The methodology is sensitive to HIFs. However, the implementation of differential protection in distribution networks is a difficult task as the network may contain various generation points and loading busses.
An alternative technique can be to install a ground grid below the phases of a transmission line, as shown in Figure 7. The method proposed by [4] is intended to capture the falling conductor prior to it being in contact with a high-impedance surface. Once the conductor is in contact with the grid, the overcurrent relay will be able to detect the fault easily and trip the breaker. However, such method is economically infeasible as it requires an additional ground grid mounted at the transmission line poles over lengthy distances. An approach to install a mechanical hook underneath the phase conductors and connected to the natural grid was proposed by [52]. The method will cause a line-to-neutral short circuit in case of a downed conductor, which will trigger the existing overcurrent relays and isolate the line.
Figure 7.
Transmission line ground grid.
3.2. Signal Processing Techniques
To tackle HIFs during the presence of nonlinear loads, [53] presented a fast Fourier transform (FFT)-based approach to analyze electrical currents in single-phase feeders. The method considers the even and odd harmonic components to assess the condition of the electrical distribution system. In the harmonic magnitude vs. time plane, it was observed by the authors that the relevant distance between the third- and seventh-order harmonics clearly changes during an HIF, hence allowing the method to detect HIFs. It is worth noting that such approach is noise-sensitive and will require a noise reduction scheme to achieve desirable results.
A Stockwell transform (ST)-based approach was proposed by [54] to continuously monitor the third harmonic phase angle of the current sinusoidal signal. The variation in third harmonics is correlated with load operations and switching. Therefore, a stabilized value will indicate the presence of an HIF in the system. However, the method may take up to 150 ms to detect the fault which may allow for incident energy build-up.
The authors of [55] introduced a novel approach hybridizing maximum overlap discrete wavelet packet transform (MODWPT) and empirical mode decomposition (EMD). The scheme estimates the change in the inter-harmonic energy content in the fault signal normalized by the pre-fault condition. Such presence indicates the possibility of an existing HIF. The model is unlikely to succeed in real operating conditions for all types of HIFs.
Roy and Debnath [56] proposed an approach utilizing power spectral density (PSD) calculated from a wavelet covariance matrix. The method decomposes current signals up to the third level via wavelet transform. The detailed coefficients are then used to calculate the wavelet transform and PSD for both frequency and time domains. Threshold analysis is applied as the basis for fault detection in the presented approach, but the method was not tested for fault location estimation.
The signal processing-based orthogonal component decomposition of three-phase voltage and current signals method was explored by [57]. The projection of voltage and current components in the plenary function will produce eight components for voltages and eight for the current. The calculated values maintain an absolute value equivalent to zero during normal operating conditions. However, the components may experience variations during a faulty condition, which will lead to HIF detection. While the method is robust in terms of fault detection, its fault distance estimation absolutive error is higher than 10% for half of the cases tested.
3.3. Mathematical Approximation
To estimate the zero-sequence grid capacitance, the authors of [58] implanted an algorithm employing differential equations to estimate the capacitance upstream and downstream of the fault. The calculated values are compared to the expected capacitance during normal operation to detect variations. The method proved to be fast, self-calibrating, and noise-independent. However, it was only introduced for isolated neutral grids. Another estimation method was introduced in [59] to calculate the fault admittance in a medium voltage by relying on field measurements. The method was verified for HIFs with resistance ranging from 100 to 200 kΩ for detecting and locating HIFs.
A state estimation model modified to diagnose HIFs was presented in [60] consisting of elements such as voltage measurements as well as power measurements. The authors were able to prove the efficacy of such an approach in HIF detection. However, faulty line identification results show significant errors while the load is varied. An iterative-based approach for the fault location problem was discussed in [61]. The presented algorithm will estimate an initial location of the fault and fault current and voltage. The weighted least squares (WLS) approach is used to calculate the resistance and reactance estimate of the fault. Afterwards, the estimate is compared with a tolerance rate for convergence, returning the final fault distance, resistance, and reactance. The method requires heavy iterative computational processing and may delay the fault identification time. Ramos et al. [62] employed an analytical WLS state estimator to calculate the fault voltage and current and identify HIFs in distribution networks; the methodology further utilizes the values obtained from the linear regression of the estimated fault distance components.
Monitoring the zero-sequence voltage to reconstruct the declining periodic components via the extended Prony method was the subject of [63]. The methodology aimed to estimate the single-phase to ground fault information with the deployed feeder terminal units. The method’s robustness was only proved for single-line to ground fault location estimation.
A searching-based technique was developed in [64]. The method will estimate the fault location based on a comparison of the calculated fault parameters (voltage and current) at certain locations of the feeder and compares it with the reference data for faults in a feeder. Such approach requires a high calculation burden for lower tolerance rates and can be considered only effective at single-feeder distribution lines. Linear prediction was used by [65] to represent time series of signal samples over time. The model uses the energy raising of the linear prediction error to detect HIFs. However, the authors of this research did not consider nonlinear loads existing in the power distribution network.
3.4. Artificial Intelligence-Based Methods
Artificial intelligence-based methods to diagnose HIFs revolve around three main processes: acquisition of data, feature extraction with signal processing techniques, and training using machine learning algorithms. This section will discuss the latest developments in each process.
3.4.1. Data Acquisition
The basis of intelligent-based methods is the measurement signal type used to diagnose HIFs. Various signals were used in the literature, however, current waveforms in HIFs carry over harmonic components that can be distinguished from normal loading situations [1]. The subject measurements were applied in [66,67] to detect and classify HIFs in distribution networks. It is worth noting that current measurements are affected by current transformers ration percentage errors.
On the other hand, a voltage transient spike can be observed due to arcing phenomena in HIFs while considering a fault caused by moving objects such as trees. The movement will introduce air gaps between the conductor and surface which will result in a varying fault impedance. The authors of [68] based their approach on arcing voltage measurements. However, the changes in the voltage waveform are increasingly difficult to capture as the voltage dip is low in case of HIFs. Therefore, many authors such as [69,70] experimented on utilizing both current and voltage waveforms in training the neural network to diagnose HIFs in distribution systems which provided better results. Nevertheless, the approach increases the dataset size for the neural network and will require extensive analysis to limit the training on useful features so that the computational burden can be controlled.
Resistance measurements were used by the authors of [71] to diagnose HIFs. Such measurements, when compared to the original impedance values of a transmission line, will provide an insight to the fault location in the line and reduce the network downtime. The issue is resistance alone cannot represent the nonlinearity, asymmetry, or arcing characteristics of HIFs. Hence, the detection of such faults using this measurement is highly compromised.
The representation of a signal in a defined period of time as an absolute value paired with the phase angle is the objective of synchronized phasor measurement units (SPMUs) [72]. Such measurements provide an accurate representation of current and voltage waveforms in power systems. An application of SPMUs in HIF diagnosis was discussed in [73,74] but the implementation of SPMUs in HIF location considering fault asymmetry and load nonlinearity is subject to further research.
3.4.2. Feature Extraction
Feature extraction using signal processing techniques is an essential tool for the efficient performance in machine learning algorithms. One which is widely used in power quality disturbance application is Fourier transform (FT). This signal processing tool detects the existence of signal frequency components during disturbances [75]. FT is continuous over time; however, discrete Fourier transform (DFT) is commonly used in computational applications and was implemented in [76] for HIF detection. Another form known as fast Fourier transform (FFT) was applied in [77]. However, for HIF diagnosis application, FT can only represent the features in the frequency domain.
Unlike FT, wavelet transform (WT) is an advanced signal processing tool that can represent the features of a signal in the time–frequency domain [78]. This representation is useful in HIF diagnosis applications when represented in discrete format, as shown in [79]. Furthermore, wavelet packet transform (WPT) provides more information in comparison to discrete wavelet transform (DWT) as higher and lower bands of frequency can be decomposed at each decomposition level. Such application was introduced in [80,81] providing satisfactory results in HIF detection and classification. Moreover, the application of multi-wavelet transform (MWT) was discussed in [82]. It was observed that MWT is the extension of scalar wavelet where numerous scaling functions and related multiple wavelets are applied. WT can provide information on the fault during a specified period of time and in decision-making applications, this downfall can compromise the reliability of such applications.
3.4.3. Machine Learning
A neural network (NN) is an interconnection of several processing nodes performing a series of mathematical operations governed by the network’s internodal strength, or weight, influenced by an external input referred to as bias attained by a set of historical patterns through the process of adaptation [83,84,85].
A typical artificial neuron input comprises signals weighted through multiplication factors and summed together alongside the bias to feed a node, as shown in Figure 8, where represents the inputs, is the weight, and is the bias. The resulting value is then compared to a threshold; if the result exceeds the threshold, the node will produce a value output close or equal to one, otherwise it yields zero. The objective of training a neural network is to identify the optimal weights and biases to obtain the desired output.
Figure 8.
Typical neural network.
A multilayer perceptron neural network (MLP-NN) model was used by [86,87,88] to diagnose HIFs. The algorithm utilized the effective backpropagation technique to train the network in detecting and classifying faults. However, a technique to choose the accurate number of hidden layers and neurons is required to achieve optimal results with less computational time. Moreover, a hybrid approach using MLP-NN and Gaussian process regression (GPR) was implemented by [80,89]. In the subject research, MLP-NN was used to determine the optimum weights and biases for HIF detection and classification, and on the other hand, GPR plays the role of a linear regressor that aims to approximate the fault location in a transmission line. The authors of [90] utilized MLP-NN in a live experimental setup to diagnose faults in a modeled transmission line. The approach utilized Stockwell transform as a preprocessing and feature extraction tool in the attempts at developing the optimal approach.
4. Comparative Analysis
The presented measurement signals, feature extraction techniques, and machine learning classifiers have distinctive abilities to detect, classify, and locate HIFs. Hence, a comparison was made, as shown in Table 2. The evaluation criteria of such papers can depend on the following [2,31]:
Table 2.
Comparison between existing techniques.
- Accuracy is used to measure the performance of proposed techniques against the expected results.
- Dependability and security can measure the precision percentage and miscalculation ratio of HIF diagnosis techniques which are missing in most studies.
It can be observed that in most of the literature, wavelet transform dominates the signal processing techniques. However, other methods utilizing the time–frequency domain such as Stockwell transform have been introduced in recent years.
5. Conclusions and Future Recommendations
A comprehensive review on HIF detection, classification, and location techniques was discussed in this paper. The review defined the phenomenon of HIFs, where the current levels of the resulting fault are marginally higher than the normal drawn ampere from the load, hence deeming the fault impossible to be detected by conventional overcurrent relays. Such a fault, while undetected, is a risk to public safety since a downed conductor can create hazardous shock, fire, or life-threatening injuries through unintentional human contact. Most challenges in HIF diagnosis result from the unusual characteristics associated with the occurrence of HIFs such as low current magnitude, intermittent arcing, randomness, asymmetry, nonlinearity, build-up, and shoulder.
Moreover, the paper also discussed modeling techniques utilized in the literature for HIFs. The utilization of real-world data modeled in a high-current research laboratory with materials such as tree branches, grass, and concrete surfaces embodies a path to incorporate real-time data into the research. On the other hand, most authors used simulated environments with a single variable resistor, a variable resistor single inductor, two variable resistors, and two antiparallel diodes.
Finally, fault diagnosis techniques were discussed in this review including relay-based methods, signal processing techniques, parameter estimation, mathematical approaches, and artificial intelligence-based methods to diagnose HIFs which revolve around three main processes: acquisition of data, feature extraction, and training using machine learning algorithms.
The presented methodologies in the literature mostly focus on offline systems and will require extensive research to obtain a developed approach. Moreover, the fault clearing time (FCT) of machine learning techniques is still in question since such methodologies will require additional processing time that may increase the risk of hazards resulting from the existence of HIFs.
Highlights on the road ahead for the HIF field are desired. The possible future of the field is outlined as followed:
- MLP-NN is known to be a universal approximator that helps solve nonlinear problems such as HIFs. The utilization of one hidden layer is widely used in the literature. However, a methodology to determine the optimum number of hidden layers and neurons is still required to increase the effectiveness of neural network-based approaches.
- Datasets represent the cornerstone of intelligent-based methods. Therefore, scaling, removing outliners, and filtering out noises can improve the learning process of neural networks.
- Convolutional neural network (CNN) algorithms proved to be capable of training multidimensional data for image processing. An implementation of such techniques to solve the HIF problem can be considered.
- PMUs are used to measure the magnitude and phase angle of the voltage and current in a distribution grid using a common time source for synchronization. Such measurements provide an additional layer of information to help neural network-based schemes better diagnose HIFs.
Funding
This research received no external funding.
Acknowledgments
The authors of this article would like to acknowledge King Fahd University of Petroleum and Minerals’ support in conducting this research.
Conflicts of Interest
The authors declare no conflict of interest.
References
- Ghaderi, A.; Ginn, H.L.; Mohammadpour, H.A. High impedance fault detection: A review. Electr. Power Syst. Res. 2017, 143, 376–388. [Google Scholar] [CrossRef]
- Hao, B. AI in arcing-HIF detection: A brief review. IET Smart Grid 2020, 3, 435–444. [Google Scholar] [CrossRef]
- Mishra, M.; Panigrahi, R.R. Taxonomy of high impedance fault detection algorithm. Measurement 2019, 148, 106955. [Google Scholar] [CrossRef]
- Theron, J.C.J.; Pal, A.; Varghese, A. Tutorial on high impedance fault detection. In Proceedings of the 2018 71st Annual Conference for Protective Relay Engineers (CPRE), College Station, TX, USA, 26–29 March 2018; pp. 1–23. [Google Scholar] [CrossRef]
- Wester, C. High impedance fault detection on distribution systems. In Proceedings of the 1998 Rural Electric Power Conference Presented at 42nd Annual Conference, St. Louis, MO, USA, 26–28 April 1998; p. c5-1. [Google Scholar] [CrossRef]
- Chen, J.C.; Phung, B.T.; Wu, H.W.; Zhang, D.M.; Blackburn, T. Detection of High Impedance Faults using wavelet transform. In Proceedings of the 2014 Australasian Universities Power Engineering Conference (AUPEC), Perth, WA, Australia, 28 September–1 October 2014; pp. 1–6. [Google Scholar] [CrossRef]
- Vico, J.; Adamiak, M.; Wester, C.; Kulshrestha, A. High impedance fault detection on rural electric distribution systems. In Proceedings of the 2010 IEEE Rural Electric Power Conference (REPC), Orlando, FL, USA, 16–19 May 2010. [Google Scholar] [CrossRef]
- Sarlak, M.; Shahrtash, S.M. High-Impedance Faulted Branch Identification Using Magnetic-Field Signature Analysis. IEEE Trans. Power Deliv. 2012, 28, 67–74. [Google Scholar] [CrossRef]
- Lai, T.; Snider, L.; Lo, E.; Sutanto, D. High-Impedance Fault Detection Using Discrete Wavelet Transform and Frequency Range and RMS Conversion. IEEE Trans. Power Deliv. 2005, 20, 397–407. [Google Scholar] [CrossRef]
- Thakallapelli, A.; Mehra, R.; Mangalvedekar, H.A. Differentiation of faults from power swings and detection of high impedance faults by distance relays. In Proceedings of the 2013 IEEE 1st International Conference on Condition Assessment Techniques in Electrical Systems (CATCON), Kolkata, India, 6–8 December 2013; pp. 374–377. [Google Scholar] [CrossRef]
- Lukowicz, M.; Kang, S.-H.; Michalik, M.; Rebizant, W.; Lee, S.-J. High-Impedance Fault Detection in Distribution Networks with Use of Wavelet-Based Algorithm. IEEE Trans. Power Deliv. 2006, 21, 1793–1802. [Google Scholar] [CrossRef]
- Milioudis, A.; Andreou, G.T.; Labridis, D.P. Detection and Location of High Impedance Faults in Multiconductor Overhead Distribution Lines Using Power Line Communication Devices. IEEE Trans. Smart Grid 2014, 6, 894–902. [Google Scholar] [CrossRef]
- Ali, M.S.; Abu Bakar, A.H.; Mokhlis, H.; Aroff, H.; Illias, H.A.; Aman, M. High impedance fault localization in a distribution network using the discrete wavelet transform. In Proceedings of the 2012 IEEE International Power Engineering and Optimization Conference, Melaka, Malaysia, 6–7 June 2012; pp. 349–354. [Google Scholar] [CrossRef]
- Baqui, I.; Zamora, I.; Mazón, J.; Buigues, G. High impedance fault detection methodology using wavelet transform and artificial neural networks. Electr. Power Syst. Res. 2011, 81, 1325–1333. [Google Scholar] [CrossRef]
- Abu Bakar, A.H.; Ali, M.S.; Tan, C.; Mokhlis, H.; Arof, H.; Illias, H. High impedance fault location in 11 kV underground distribution systems using wavelet transforms. Int. J. Electr. Power Energy Syst. 2014, 55, 723–730. [Google Scholar] [CrossRef]
- Mahari, A.; Seyedi, H. High impedance fault protection in transmission lines using a WPT-based algorithm. Int. J. Electr. Power Energy Syst. 2015, 67, 537–545. [Google Scholar] [CrossRef]
- Mokhtari, H.; Aghatehrani, R. A new wavelet-based method for detection of high impedance faults. In Proceedings of the 2005 International Conference on Future Power Systems, Amsterdam, The Netherlands, 18 November 2005. [Google Scholar] [CrossRef]
- Ghaderi, A.; Mohammadpour, H.A.; Ginn, H.L.; Shin, Y.-J. High-Impedance Fault Detection in the Distribution Network Using the Time-Frequency-Based Algorithm. IEEE Trans. Power Deliv. 2015, 30, 1260–1268. [Google Scholar] [CrossRef]
- Gautam, S.; Brahma, S.M. Detection of High Impedance Fault in Power Distribution Systems Using Mathematical Morphology. IEEE Trans. Power Syst. 2012, 28, 1226–1234. [Google Scholar] [CrossRef]
- Kawady, T.A.; Taalab, A.E.-M.I.; Elgeziry, M.Z. Experimental investigation of high impedance faults in low voltage distribution networks. In Proceedings of the 2009 IEEE Power & Energy Society General Meeting, Calgary, AB, Canada, 26–30 July 2009. [Google Scholar] [CrossRef]
- Torres-Garcia, V.; Paredes, H.F.R. High Impedance Fault Detection Using Discrete Wavelet Transform. In Proceedings of the 2011 IEEE Electronics, Robotics and Automotive Mechanics Conference, Cuernavaca, Mexico, 15–18 November 2011; pp. 325–329. [Google Scholar] [CrossRef]
- Shahrtash, S.M.; Sarlak, M. High Impedance Fault Detection Using Harmonics Energy Decision Tree Algorithm. In Proceedings of the 2006 International Conference on Power System Technology, Chongqing, China, 22–26 October 2006. [Google Scholar] [CrossRef]
- Sheng, Y.; Rovnyak, S. Decision Tree-Based Methodology for High Impedance Fault Detection. IEEE Trans. Power Deliv. 2004, 19, 533–536. [Google Scholar] [CrossRef]
- Prasad, C.D.; Srinivasu, N.; Prasad, D.J.V.; Saiveerraju, M. Reliability of different fault detection algorithms under high impedance faults. In Proceedings of the 2013 International Conference on Advanced Computing and Communication Systems, Coimbatore, India, 19–21 December 2013. [Google Scholar] [CrossRef]
- Siadatan, A.; Karegar, H.K.; Najmi, V. New high impedance fault detection. In Proceedings of the 2010 IEEE International Conference on Power and Energy, Kuala Lumpur, Malaysia, 29 November–1 December 2010; pp. 573–576. [Google Scholar] [CrossRef]
- Bretas, A.S.; Moreto, M.; Salim, R.H.; Pires, L.O. A Novel High Impedance Fault Location for Distribution Systems Considering Distributed Generation. In Proceedings of the 2006 IEEE/PES Transmission & Distribution Conference and Exposition: Latin America, Caracas, Venezuela, 15–18 August 2006. [Google Scholar] [CrossRef]
- Milioudis, A.; Andreou, G.T.; Labridis, D.P. Enhanced Protection Scheme for Smart Grids Using Power Line Communications Techniques—Part II: Location of High Impedance Fault Position. IEEE Trans. Smart Grid 2012, 3, 1631–1640. [Google Scholar] [CrossRef]
- Sharaf, A.; Wang, G. High impedance fault detection using feature-pattern based relaying. In Proceedings of the 2003 IEEE PES Transmission and Distribution Conference and Exposition (IEEE Cat. No.03CH37495), Dallas, TX, USA, 7–12 September 2003; pp. 222–226. [Google Scholar] [CrossRef]
- Samantaray, S.; Dash, P.; Upadhyay, S. Adaptive Kalman filter and neural network based high impedance fault detection in power distribution networks. Int. J. Electr. Power Energy Syst. 2009, 31, 167–172. [Google Scholar] [CrossRef]
- Abohagar, A.A.; Mustafa, M. Back propagation neural network aided wavelet transform for high impedance fault detection and faulty phase selection. In Proceedings of the 2012 IEEE International Conference on Power and Energy (PECon), Kota Kinabalu, Malaysia, 2–5 December 2012; pp. 790–795. [Google Scholar] [CrossRef]
- Chen, J.; Phung, B.; Zhang, D.; Blackburn, T.; Ambikairajah, E. Study on high impedance fault arcing current characteristics. In Proceedings of the 2013 Australasian Universities Power Engineering Conference (AUPEC), Hobart, TAS, Australia, 29 September–3 October 2013. [Google Scholar] [CrossRef]
- Eldin, E.S.T.; Aboul-Zahab, D.K.I.E.M.; Saleh, S.M. High impedance fault detection in EHV series compensated lines using the wavelet transform. In Proceedings of the 2009 IEEE/PES Power Systems Conference and Exposition, Seattle, WA, USA, 15–18 March 2009. [Google Scholar] [CrossRef]
- Ibrahim, D.K.; Eldin, E.S.T.; Aboul-Zahab, E.M.; Saleh, S.M. Real time evaluation of DWT-based high impedance fault detection in EHV transmission. Electr. Power Syst. Res. 2010, 80, 907–914. [Google Scholar] [CrossRef]
- Zanjani, M.G.M.; Karegar, H.K.; Niaki, H.A.; Zanjani, M.G.M. High Impedance Fault Detection of Distribution Network by Phasor Measurement Units. Smart Grid Renew. Energy 2013, 4, 297–305. [Google Scholar] [CrossRef]
- Costa, F.B.; Souza, B.A.; Brito, N.S.D.; Silva, J.A.C.B.; Santos, W.C. Real-Time Detection of Transients Induced by High-Impedance Faults Based on the Boundary Wavelet Transform. IEEE Trans. Ind. Appl. 2015, 51, 5312–5323. [Google Scholar] [CrossRef]
- Torres, V.; Guardado, J.; Ruiz, H.; Maximov, S. Modeling and detection of high impedance faults. Int. J. Electr. Power Energy Syst. 2014, 61, 163–172. [Google Scholar] [CrossRef]
- Torres-Garcia, V.; Guillen, D.; Olveres, J.; Escalante-Ramírez, B.; Rodríguez-Rodríguez, J.R. Modelling of high impedance faults in distribution systems and validation based on multiresolution techniques. Comput. Electr. Eng. 2020, 83, 106576. [Google Scholar] [CrossRef]
- Maximov, S.; Torres-Garcia, V.; Ruiz, H.F.; Guardado, J. Analytical Model for High Impedance Fault Analysis in Transmission Lines. Math. Probl. Eng. 2014, 2014, 1–10. [Google Scholar] [CrossRef]
- Cassie, A.M. Theorie Nouvelle des Arcs de Rupture et de la Rigidité des Circuits. Cigre Rep. 1939, 102, 588–608. [Google Scholar]
- Mayr, O. Beiträge zur Theorie des statischen und des dynamischen Lichtbogens. Electr. Eng. 1943, 37, 588–608. [Google Scholar] [CrossRef]
- Wontroba, A.; De Morais, A.P.; Rossini, J.P.; Gallas, M.; Cardoso, G.; Vieira, J.P.A.; Farias, P.E.; Santos, M.C. Modeling and Real-Time Simulation of High Impedance Faults for Protection Relay Testing and Methods Validation. In Proceedings of the 2019 IEEE PES Innovative Smart Grid Technologies Conference-Latin America (ISGT Latin America), Gramado, Brazil, 15–18 September 2019. [Google Scholar] [CrossRef]
- Sharaf, A.; Abu-Azab, S. Smart relaying scheme for high impedance faults in distribution and utilization networks. In Proceedings of the 2000 Canadian Conference on Electrical and Computer Engineering. Conference Proceedings Navigating to a New Era (Cat. No.00TH8492), Halifax, NS, Canada, 7–10 May 2000; Volume 2, pp. 740–744. [Google Scholar]
- Dos Santos, W.C.; De Souza, B.A.; Brito, N.S.D.; Costa, F.B.; Paes, M.R.C. High Impedance Faults: From Field Tests to Modeling. J. Control. Autom. Electr. Syst. 2013, 24, 885–896. [Google Scholar] [CrossRef]
- Wontroba, A.; De Morais, A.P.; Rossini, J.P.; Gallas, M.; Cardoso, G.; Vieira, J.P.A.; Santos, M.C.; Farias, P.E. Comprehensive High Impedance Fault Model for Real-Time Environment. In Proceedings of the IECON 2019-45th Annual Conference of the IEEE Industrial Electronics Society, Lisbon, Portugal, 14–17 October 2019; pp. 6432–6437. [Google Scholar] [CrossRef]
- Nam, S.; Park, J.; Kang, Y.; Kim, T. A modeling method of a high impedance fault in a distribution system using two series time-varying resistances in EMTP. In Proceedings of the 2001 Power Engineering Society Summer Meeting. Conference Proceedings (Cat. No.01CH37262), Vancouver, BC, Canada, 15–19 July 2001; Volume 2, no. SUMMER. pp. 1175–1180. [Google Scholar] [CrossRef]
- Emanuel, A.E.; Cyganski, D.; Orr, J.A.; Shiller, S.; Gulachenski, E.M. High impedance fault arcing on sandy soil in 15 kV distribution feeders: Contributions to the evaluation of the low frequency spectrum. IEEE Trans. Power Deliv. 1990, 5, 676–686. [Google Scholar] [CrossRef]
- Mishra, M.; Rout, P.K.; Routray, P. High impedance fault detection in radial distribution system using wavelet transform. In Proceedings of the 2015 Annual IEEE India Conference (INDICON), New Delhi, India, 17–20 December 2015. [Google Scholar] [CrossRef]
- Nayak, P.K.; Sarwagya, K.; Biswal, T. A novel high impedance fault detection technique in distribution systems with distributed generators. In Proceedings of the 2016 National Power Systems Conference (NPSC), Bhubaneswar, India, 19–21 December 2016. [Google Scholar] [CrossRef]
- Iurinic, L.U.; Herrera-Orozco, A.R.; Ferraz, R.G.; Bretas, A.S. Distribution Systems High-Impedance Fault Location: A Parameter Estimation Approach. IEEE Trans. Power Deliv. 2015, 31, 1806–1814. [Google Scholar] [CrossRef]
- Zamanan, N.; Sykulski, J.K. The evolution of high impedance fault modeling. In Proceedings of the 2014 16th International Conference on Harmonics and Quality of Power (ICHQP), Bucharest, Romania, 25–28 May 2014; pp. 77–81. [Google Scholar] [CrossRef]
- Novak, T.; Morley, L.; Trutt, F. Sensitive ground-fault relaying. IEEE Trans. Ind. Appl. 1988, 24, 853–861. [Google Scholar] [CrossRef]
- Mitolo, M.; Musca, R.; Zizzo, G. A Cost-Effective Solution for Clearing High-Impedance Ground Faults in Overhead Low-Voltage Lines. IEEE Trans. Ind. Appl. 2018, 55, 1208–1213. [Google Scholar] [CrossRef]
- Soheili, A.; Sadeh, J.; Bakhshi, R. Modified FFT based high impedance fault detection technique considering distribution non-linear loads: Simulation and experimental data analysis. Int. J. Electr. Power Energy Syst. 2018, 94, 124–140. [Google Scholar] [CrossRef]
- Lima, É.M.; Brito, N.S.; Souza, B.A. High impedance fault detection based on Stockwell transform and third harmonic current phase angle. Electr. Power Syst. Res. 2019, 175, 105931. [Google Scholar] [CrossRef]
- Gadanayak, D.A.; Mallick, R.K. Interharmonics based high impedance fault detection in distribution systems using maximum overlap wavelet packet transform and a modified empirical mode decomposition. Int. J. Electr. Power Energy Syst. 2019, 112, 282–293. [Google Scholar] [CrossRef]
- Roy, S.; Debnath, S. PSD based high impedance fault detection and classification in distribution system. Measurement 2020, 169, 108366. [Google Scholar] [CrossRef]
- Batista, O.E.; Flauzino, R.A.; De Araujo, M.A.; De Moraes, L.A.; Da Silva, I.N. Methodology for information extraction from oscillograms and its application for high-impedance faults analysis. Int. J. Electr. Power Energy Syst. 2016, 76, 23–34. [Google Scholar] [CrossRef]
- Gonzalez, C.; Tant, J.; Germain, J.G.; De-Rybel, T.; Driesen, J.; Miguel, C.G.-D. Directional, High-Impedance Fault Detection in Isolated Neutral Distribution Grids. IEEE Trans. Power Deliv. 2018, 33, 2474–2483. [Google Scholar] [CrossRef]
- Nikander, A.; Jarventausta, P. Identification of High-Impedance Earth Faults in Neutral Isolated or Compensated MV Networks. IEEE Trans. Power Deliv. 2017, 32, 1187–1195. [Google Scholar] [CrossRef]
- Langeroudi, A.T.; Abdelaziz, M.M. Preventative high impedance fault detection using distribution system state estimation. Electr. Power Syst. Res. 2020, 186, 106394. [Google Scholar] [CrossRef]
- Nunes, J.; Bretas, A.S.; Bretas, N.G.; Herrera-Orozco, A.; Iurinic, L. Distribution systems high impedance fault location: A spectral domain model considering parametric error processing. Int. J. Electr. Power Energy Syst. 2019, 109, 227–241. [Google Scholar] [CrossRef]
- Ramos, M.J.; Resener, M.; Bretas, A.S.; Bernardon, D.P.; Leborgne, R.C. Physics-based analytical model for high impedance fault location in distribution networks. Electr. Power Syst. Res. 2020, 188, 106577. [Google Scholar] [CrossRef]
- Li, J.; Wang, G.; Zeng, D.; Li, H. High-impedance ground faulted line-section location method for a resonant grounding system based on the zero-sequence current’s declining periodic component. Int. J. Electr. Power Energy Syst. 2020, 119, 105910. [Google Scholar] [CrossRef]
- Mortazavi, S.H.; Moravej, Z.; Shahrtash, S.M. A Searching Based Method for Locating High Impedance Arcing Fault in Distribution Networks. IEEE Trans. Power Deliv. 2018, 34, 438–447. [Google Scholar] [CrossRef]
- Grimaldi, R.B.; Chagas, T.S.; Montalvão, J.; Brito, N.S.; Dos Santos, W.C.; Ferreira, T.V. High impedance fault detection based on linear prediction. Electr. Power Syst. Res. 2021, 190, 106846. [Google Scholar] [CrossRef]
- Mortazavi, S.H.; Moravej, Z.; Shahrtash, S.M. A hybrid method for arcing faults detection in large distribution networks. Int. J. Electr. Power Energy Syst. 2018, 94, 141–150. [Google Scholar] [CrossRef]
- Aziz, M.S.A.; Hassan, M.A.; Zahab, E.A. Applications of ANFIS in high impedance faults detection and classification in distribution networks. In Proceedings of the 8th IEEE Symposium on Diagnostics for Electrical Machines, Power Electronics & Drives, Bologna, Italy, 5–8 September 2011; pp. 612–619. [Google Scholar] [CrossRef]
- Lala, H.; Karmakar, S. Detection and Experimental Validation of High Impedance Arc Fault in Distribution System Using Empirical Mode Decomposition. IEEE Syst. J. 2020, 14, 3494–3505. [Google Scholar] [CrossRef]
- Hafidz, I.; Nofi, P.E.; Anggriawan, D.O.; Priyadi, A.; Pumomo, M.H. Neuro wavelet algortihm for detecting high impedance faults in extra high voltage transmission systems. In Proceedings of the 2017 2nd International Conference Sustainable and Renewable Energy Engineering (ICSREE), Hiroshima, Japan, 10–12 May 2017; pp. 97–100. [Google Scholar] [CrossRef]
- Lai, T.M.; Lo, W.; To, W.-M.; Lam, K. RMS percent of wavelet transform for the detection of stochastic high impedance faults. In Proceedings of the 2012 IEEE 15th International Conference on Harmonics and Quality of Power, Hong Kong, China, 17–20 June 2012; Volume 3, pp. 823–828. [Google Scholar] [CrossRef]
- Mahmoud, M.M.A.S. Detection of high impedance faults in M.V. mesh distribution network. In Proceedings of the 2015 Modern Electric Power Systems (MEPS), Wroclaw, Poland, 6–9 July 2015; pp. 1–8. [Google Scholar] [CrossRef]
- De La Ree, J.; Centeno, V.; Thorp, J.S.; Phadke, A.G. Synchronized Phasor Measurement Applications in Power Systems. IEEE Trans. Smart Grid 2010, 1, 20–27. [Google Scholar] [CrossRef]
- Ledesma, J.J.G.; Nascimento, K.B.D.; De Araujo, L.R.; Penido, D.R.R. A two-level ANN-based method using synchronized measurements to locate high-impedance fault in distribution systems. Electr. Power Syst. Res. 2020, 188, 106576. [Google Scholar] [CrossRef]
- Cui, Q.; Weng, Y. Enhance High Impedance Fault Detection and Location Accuracy via [Math Processing Error] -PMUs. IEEE Trans. Smart Grid 2020, 11, 797–809. [Google Scholar] [CrossRef]
- Khokhar, S.; Zin, A.A.B.M.; Mokhtar, A.S.B.; Pesaran, M. A comprehensive overview on signal processing and artificial intelligence techniques applications in classification of power quality disturbances. Renew. Sustain. Energy Rev. 2015, 51, 1650–1663. [Google Scholar] [CrossRef]
- Cui, Q.; El-Arroudi, K.; Weng, Y. A Feature Selection Method for High Impedance Fault Detection. IEEE Trans. Power Deliv. 2019, 34, 1203–1215. [Google Scholar] [CrossRef]
- Suliman, M.Y.; Ghazal, M.T. Detection of High impedance Fault in Distribution Network Using Fuzzy Logic Control. In Proceedings of the 2019 2nd International Conference on Electrical, Communication, Computer, Power and Control Engineering (ICECCPCE), Mosul, Iraq, 13–14 February 2019; pp. 103–108. [Google Scholar] [CrossRef]
- Huang, S.-J.; Hsieh, C.-T.; Huang, C.-L. Application of wavelets to classify power system disturbances. Electr. Power Syst. Res. 1998, 47, 87–93. [Google Scholar] [CrossRef]
- Kannan, A.N.; Rathinam, A. High Impedance Fault Classification Using Wavelet Transform and Artificial Neural Network. In Proceedings of the 2012 Fourth International Conference on Computational Intelligence and Communication Networks, Mathura, India, 3–5 November 2012; pp. 831–837. [Google Scholar] [CrossRef]
- Moloi, K.; Jordaan, J.A.; Hamam, Y. High Impedance Fault Classification and Localization Method for Power Distribution Network. In Proceedings of the 2018 IEEE PES/IAS PowerAfrica, Cape Town, South Africa, 28–29 June 2018; pp. 84–89. [Google Scholar] [CrossRef]
- Sirojan, T.; Lu, S.; Phung, B.T.; Zhang, D.; Ambikairajah, E. High Impedance Fault Detection by Convolutional Deep Neural Network. In Proceedings of the 2018 IEEE International Conference on High Voltage Engineering and Application (ICHVE), ATHENS, Greece, 10–13 September 2018. [Google Scholar] [CrossRef]
- Narasimhulu, N.; Kumar, D.V.A.; Kumar, M.V. Classification of high impedance fault using MWT and enhanced fuzzy logic controller in power system. In Proceedings of the 2017 Innovations in Power and Advanced Computing Technologies (i-PACT), Vellore, India, 21–22 April 2017; Volume 2017, pp. 1–13. [Google Scholar] [CrossRef]
- Gurney, K. An Introduction to Neural Networks; CRC Press: Boca Raton, FL, USA, 1997; Available online: https://books.google.com.sa/books/about/An_Introduction_to_Neural_Networks.html?id=sn6oBHq8qQQC&printsec=frontcover&source=kp_read_button&redir_esc=y#v=onepage&q&f=false (accessed on 1 December 2020).
- Nielsen, M. Neural Networks and Deep Learning; Springer: Berlin, Germany, 2018; Available online: https://books.google.com.sa/books?id=STDBswEACAAJ&dq=Neural+Networks+and+Deep+Learning&hl=en&sa=X&ved=2ahUKEwihhoONoq3tAhXOxYUKHcMsB4wQ6AEwAnoECAIQAQ (accessed on 1 December 2020).
- Belfast, G.I.; Reading, K.W.; Berlin, K.H. Neural Network Applications in Control; Institution of Electrical Engineers: London, UK, 1995. [Google Scholar]
- Vijayachandran, G.; Mathew, B. High impedance arcing fault detection in MV networks using discrete wavelet transform and Artificial Neural Networks. In Proceedings of the 2012 International Conference on Green Technologies (ICGT), Trivandrum, India, 18–20 December 2012; pp. 89–98. [Google Scholar] [CrossRef]
- Uma, U.U.; Ekwue, A.; Ejiogu, E. An Adaptive Distance Protection Scheme for High Varying Fault Resistances: Updated Results. Sci. Afr. 2020, 9, e00528. [Google Scholar] [CrossRef]
- Aljohani, A.; AlJurbua, A.; Shafiullah, M.; Abido, M.A. Smart Fault Detection and Classification for Distribution Grid Hybridizing ST and MLP-NN. In Proceedings of the 2018 15th International Multi-Conference on Systems, Signals & Devices (SSD), Hammamet, Tunisia, 19–22 March 2018; pp. 94–98. [Google Scholar] [CrossRef]
- Lucas, F.; Costa, P.; Batalha, R.; Leite, D. High Impedance Fault Detection in Time-Varying Distributed Generation Systems Using Adaptive Neural Networks. In Proceedings of the 2018 International Joint Conference on Neural Networks (IJCNN), Rio de Janeiro, Brazil, 8–13 July 2018. [Google Scholar] [CrossRef]
- Aljohani, A.; Sheikhoon, T.; Fataa, A.; Shafiullah, M.; Abido, M. Design and Implementation of an Intelligent Single Line to Ground Fault Locator for Distribution Feeders. In Proceedings of the 2019 International Conference on Control, Automation and Diagnosis (ICCAD), Grenoble, France, 2–4 July 2019; pp. 1–6. [Google Scholar] [CrossRef]
- Mortazavi, S.H.; Moravej, Z.; Shahrtash, S.M. A Hybrid Method for Arcing Faults Detection in Large Distribution Networks. Available online: https://www.sciencedirect.com/science/article/abs/pii/S0142061517311596 (accessed on 1 December 2020).
- Lala, H.; Karmakar, S. Detection and Experimental Validation of High Impedance Arc Fault in Distribution System Using Empirical Mode Decomposition. Available online: https://ieeexplore.ieee.org/document/9018242 (accessed on 1 December 2020).
- Moloi, K.; Jordaan, J.A.; Hamam, Y. A hybrid method for high impedance fault classification and detection. In Proceedings of the 2019 Southern African Universities Power Engineering Conference/Robotics and Mechatronics/Pattern Recognition Association of South Africa (SAUPEC/RobMech/PRASA), Bloemfontein, South Africa, 28–30 January 2019; pp. 548–552. [Google Scholar] [CrossRef]
- Chaitanya, B.K.; Yadav, A.; Pazoki, M. An Intelligent Detection of High-Impedance Faults for Distribution Lines Integrated With Distributed Generators. IEEE Syst. J. 2020, 14, 870–879. [Google Scholar] [CrossRef]
- Chaitanya, B.; Yadav, A. An intelligent fault detection and classification scheme for distribution lines integrated with distributed generators. Comput. Electr. Eng. 2018, 69, 28–40. [Google Scholar] [CrossRef]
- Sekar, K.; Mohanty, N.K. Data mining-based high impedance fault detection using mathematical morphology. Comput. Electr. Eng. 2018, 69, 129–141. [Google Scholar] [CrossRef]
- Routray, P.; Mishra, M.; Rout, P. High Impedance Fault detection in radial distribution system using S-Transform and neural network. In Proceedings of the 2015 IEEE Power, Communication and Information Technology Conference (PCITC), Bhubaneswar, India, 15–17 October 2015; pp. 545–551. [Google Scholar] [CrossRef]
- Sekar, K.; Mohanty, N.K. A fuzzy rule base approach for High Impedance Fault detection in distribution system using Morphology Gradient filter. J. King Saud Univ. Eng. Sci. 2020, 32, 177–185. [Google Scholar] [CrossRef]
- Sarwar, M.; Mehmood, F.; Abid, M.; Khan, A.Q.; Gul, S.T.; Khan, A.S. High impedance fault detection and isolation in power distribution networks using support vector machines. J. King Saud Univ. Eng. Sci. 2019. [Google Scholar] [CrossRef]
- Moshtagh, J.; Rafinia, A. A new approach to high impedance fault location in three-phase underground distribution system using combination of fuzzy logic & wavelet analysis. In Proceedings of the 2012 11th International Conference on Environment and Electrical Engineering, Venice, Italy, 18–25 May 2012; pp. 90–97. [Google Scholar] [CrossRef]
- Sekar, K.; Mohanty, N.K. Combined Mathematical Morphology and Data Mining Based High Impedance Fault Detection. Energy Procedia 2017, 117, 417–423. [Google Scholar] [CrossRef]
- Bhongade, S.; Golhani, S. HIF detection using wavelet transform, travelling wave and support vector machine. In Proceedings of the 2016 International Conference on Electrical Power and Energy Systems (ICEPES), Bhopal, India, 14–16 December 2016; pp. 151–156. [Google Scholar] [CrossRef]
- Bueno, D.M.; Dos Santos, E.M.; Stein, H.; Fagundes, A.R.; Franco, M.C.; Rodrigues, A.H. High Impedance Fault Detection and Classification in Medium Voltage Distribution Networks. In Proceedings of the 2019 IEEE PES Innovative Smart Grid Technologies Conference-Latin America (ISGT Latin America), Gramado, Brazil, 15–18 September 2019. [Google Scholar] [CrossRef]
- Silva, S.; Costa, P.; Gouvea, M.; Lacerda, A.; Alves, F.; Leite, D. High impedance fault detection in power distribution systems using wavelet transform and evolving neural network. Electr. Power Syst. Res. 2018, 154, 474–483. [Google Scholar] [CrossRef]
- Moloi, K.; Jordaan, J.A.; Hamam, Y. High impedance fault detection technique based on Discrete Wavelet Transform and support vector machine in power distribution networks. In Proceedings of the 2017 IEEE AFRICON, Cape Town, South Africa, 18–20 September 2017; pp. 9–14. [Google Scholar] [CrossRef]
- Sekar, K.; Mohanty, N.K.; Sahoo, A.K. High impedance fault detection using wavelet transform. In Proceedings of the 2018 Technologies for Smart-City Energy Security and Power (ICSESP), Bhubaneswar, India, 28–30 March 2018; pp. 1–6. [Google Scholar] [CrossRef]
- Bouricha, A.; Bouthiba, T.; Boukhari, R.; Seghir, S. High Impedance Faults Location in the Distribution Networks using Adaptive Neuro-Fuzzy Inference System. In Proceedings of the 2018 International Conference on Electrical Sciences and Technologies in Maghreb (CISTEM), Algiers, Algeria, 28–31 October 2018. [Google Scholar] [CrossRef]
- AsghariGovar, S.; Pourghasem, P.; Seyedi, H. High impedance fault protection scheme for smart grids based on WPT and ELM considering evolving and cross-country faults. Int. J. Electr. Power Energy Syst. 2019, 107, 412–421. [Google Scholar] [CrossRef]
- Hong, Y.-Y.; Huang, W.-S.; Chang, Y.-R.; Lee, Y.-D.; Ouyang, D.-C. Locating high-impedance fault in a smart distribution system using wavelet entropy and hybrid self-organizing mapping network. In Proceedings of the 2017 IEEE PES Innovative Smart Grid Technologies Conference Europe (ISGT-Europe), Torino, Italy, 26–29 September 2017; pp. 1–6. [Google Scholar] [CrossRef]
- Aljohani, A. Centralized Fault Detection and Classification for Motor Power Distribution Centers Utilizing MLP-NN and Stockwell Transform. In Proceedings of the 2020 IEEE PES Innovative Smart Grid Technologies Europe (ISGT-Europe), The Hague, The Netherlands, 26–28 October 2020; pp. 222–226. [Google Scholar] [CrossRef]
Publisher’s Note: MDPI stays neutral with regard to jurisdictional claims in published maps and institutional affiliations. |
© 2020 by the authors. Licensee MDPI, Basel, Switzerland. This article is an open access article distributed under the terms and conditions of the Creative Commons Attribution (CC BY) license (http://creativecommons.org/licenses/by/4.0/).







