Comparison of the Interrupting Capability of Gas Circuit Breaker According to SF6, g3, and CO2/O2 Mixture
Abstract
1. Introduction
| Item | E | MW(g/mol) | GWP | Lifetime | T() | Ref. |
|---|---|---|---|---|---|---|
| SF | 1 | 6 | 23,500 | 3200 year | −64 | [1,14,15] |
| CO | 0.3 | 44 | 1 | <15 year | −78.5 | [1,14,15] |
| N | 0.36 | 28 | 0 | Infinity | −195.8 | [1,14,15] |
| O | 0.3 | 32 | 0 | Infinity | −183 | [1,14,15] |
| CF | 0.39 | 88 | 50,000 | 6300 year | −128 | [14,15] |
| CFI | 1.23 | 196 | 0.45 | <1 day | −22.5 | [1,14] |
| CFN | 2.2 | 195 | 2100 | 30 day | −4.7 | [14,15] |
| CFO | 2.0 | 266 | <1 | 0.04 day | 26.9 | [14,15] |
2. Experimental Setup
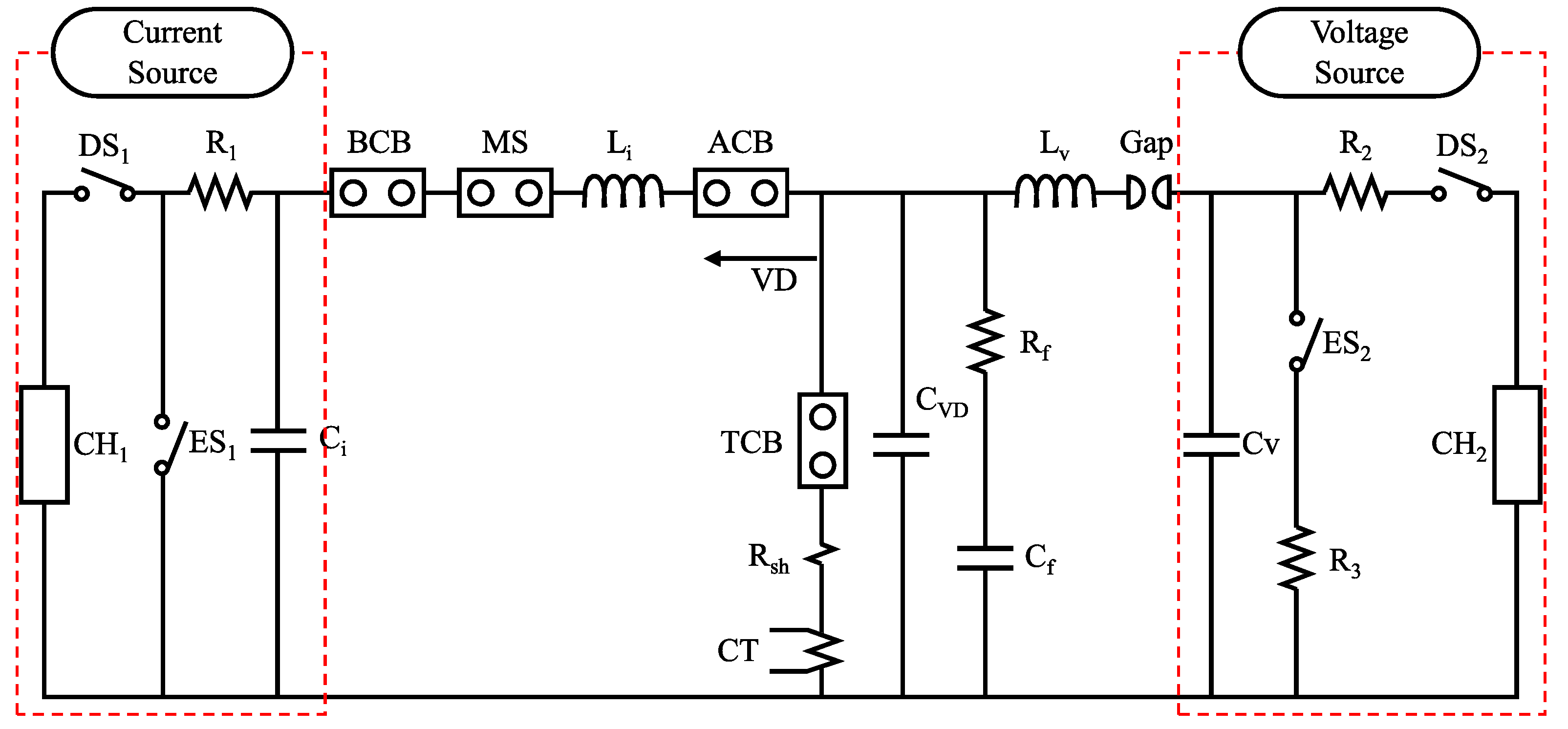
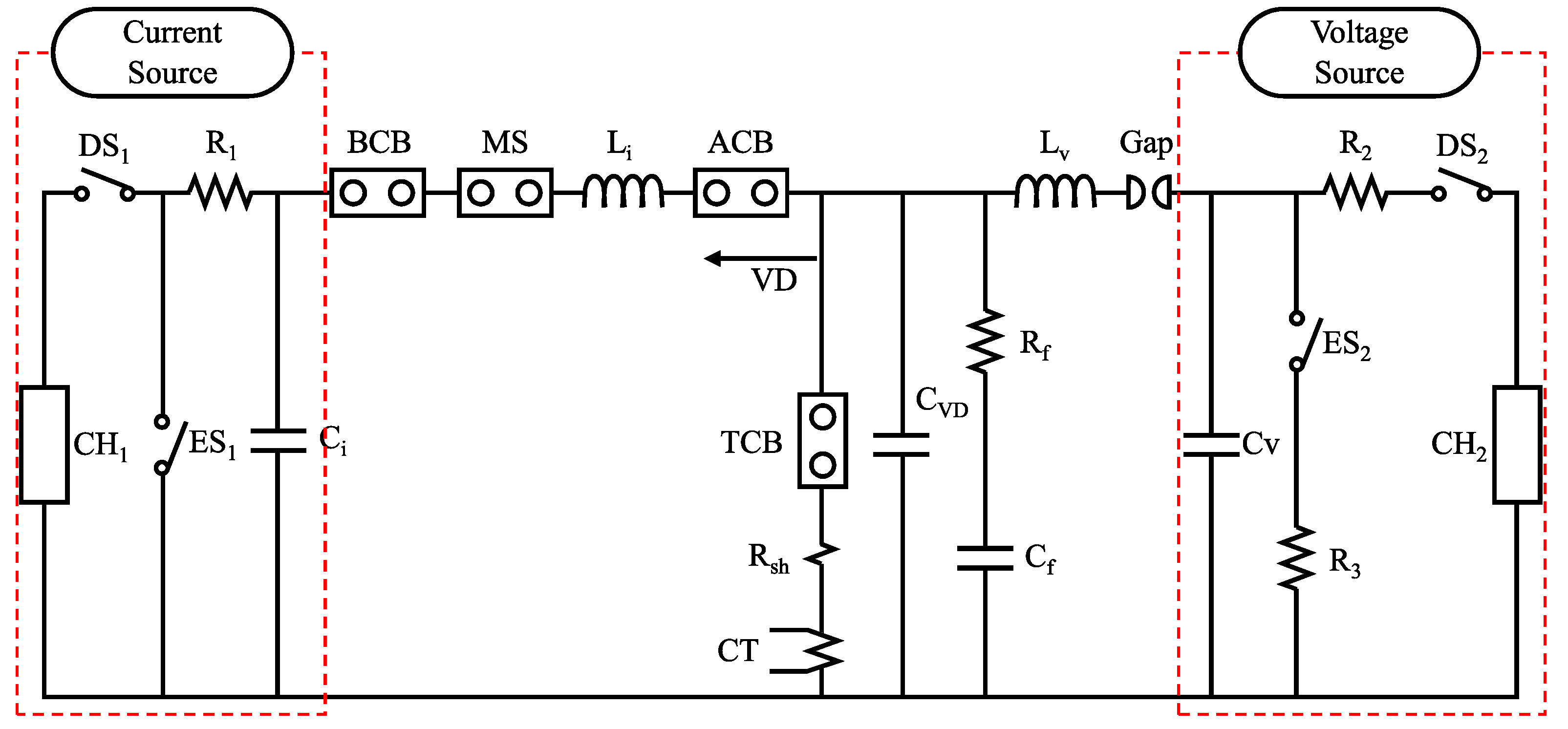
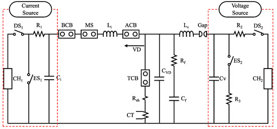
2.1. Test Circuit
2.2. Voltage and Current Measurement Scheme
3. Current and Voltage Signal Processing at Current Zero Point
4. Comparison of Interrupting Performance According to Different Arc-Quenching Gases
4.1. Interrupting Test Condition
4.2. Arc-Conductance Behavior
4.3. Interrupting Current Behavior
5. Conclusions
Author Contributions
Funding
Acknowledgments
Conflicts of Interest
References
- Zhao, H.; Li, X.; Zhu, K.; Wang, Q.; Lin, H.; Guo, X. Study of the arc interruption performance of SF6-CO2 mixtures as a substitute for SF6. Trans. Dielectr. Electr. Insul. 2016, 23, 2657–2667. [Google Scholar] [CrossRef]
- Meier, R.; Kneubuhl, F.K.; Coccioni, R.; Wyss, H.; Fischer, E.; Schotzau, H.J. Investigations of nozzle materials in SF6 circuit breakers. IEEE Trans. Plasma Sci. 1986, PS-14, 390–394. [Google Scholar] [CrossRef]
- Stoller, P.C.; Dolron, C.B.; Tehlar, D.; Simka, P.; Ranjan, N. Mixtures of CO2 and C5F10O perfluoroketone for high voltage applications. IEEE Trans. Dielectr. Electr. Insul. 2017, 24, 2712–2721. [Google Scholar] [CrossRef]
- Cheng, X.; Yang, P.; Ge, G.; Yao, L.; Xie, W. Investigation on dielectric recovery characteristics of CO2 gas circuit breakers with current commutation regulation. IEEE Trans. Plasma Sci. 2019, 47, 5070–5077. [Google Scholar] [CrossRef]
- Yannick, K.; Todd, I.; Philippe, P.; John, O. Green gas to replace SF6 in electrical grids. IEEE Power Mag. 2016, 14, 32–39. [Google Scholar]
- Nechmi, H.E.; Slama, M.E.A.; Haddad, A.M.; Wilson, G. AC volume breakdown and surface flashover of a 4% NovecTM4710/96% CO2 gas mixture compared to CO2 in highly nonhomogeneous fields. Energies 2020, 13, 1710. [Google Scholar] [CrossRef]
- Nechmi, H.E.; Beroual, A.; Girodet, A.; Vinson, P. Fluoronitriles/CO2 gas mixture as promising substitute to SF6 insulation in high voltage applications. IEEE Trans. Dielectr. Electr. Insul. 2016, 23, 2587–2593. [Google Scholar] [CrossRef]
- Zhang, B.; Uzelac, N.; Cao, Y. Fluoronitrile/CO2 mixtures as an eco-friendly alternative to SF6 for medium voltage switchgears. IEEE Trans. Dielectr. Electr. Insul. 2018, 25, 1340–1350. [Google Scholar] [CrossRef]
- Stoller, P.C.; Seegr, M.; Iordanidis, A.A.; Naidis, G.V. CO2 as an arc interruption medium in gas circuit breakers. IEEE Trans. Plasma Sci. 2013, 41, 2359–2369. [Google Scholar] [CrossRef]
- Xu, M.; Yan, J.; Liu, Z.; Geng, Y.; Wang, Z. Simulation of the decomposition pathways and products of perfluoronitrile C4F7N (3M:Novec4710). In Proceedings of the International Conference on Electric Power Equipment-Switching Technology, Xi’an, China, 22–25 October 2017. [Google Scholar]
- Chen, L.; Widger, P.; Kamarudin, M.S.; Griffiths, H.; Haddad, A. CF3I gas mixtures: Breakdown characteristics and potential electrical insulation. IEEE Trans. Power Deliv. 2017, 32, 1089–1097. [Google Scholar] [CrossRef]
- Xiao, A.; Owens, J.G.; Bonk, J.; Zhang, A. Environmentally friendly insulating gases as SF6 alternatives for power utilities. In Proceedings of the International Conference on Electrical Materials and Power Equipment, Guangzhou, China, 7–10 April 2019; pp. 42–48. [Google Scholar]
- Li, Y.; Zhang, X.; Zhang, J.; Xiao, S.; Xie, B.; Chen, D.; Gao, Y.; Tang, J. Assessment on the toxicity and application risk of C4F7N: A new SF6 alternative gas. J. Hazard. Mater. 2019, 368, 653–660. [Google Scholar] [CrossRef] [PubMed]
- Tian, S.; Zhang, X.; Cressault, Y.; Hu, J.; Wang, B.; Xiao, S.; Li, Y.; Kabbaj, N. Research status of replacement gases for SF6 in power industry. AIP Adv. 2020, 10, 050702. [Google Scholar] [CrossRef]
- Zhong, L.; Wang, J.; Wang, X.; Rong, M. Comparison of dielectric breakdown properties for different carbon-fluoride insulating gases as SF6 alternatives. AIP Adv. 2018, 8, 085122. [Google Scholar] [CrossRef]
- Li, X.; Guo, X.; Zhao, H.; Jia, S.; Murphy, A.B. Prediction of the critical reduced electric field strength for carbon dioxide and its mixtures with copper vapor from Boltzmann analysis for a gas temperature range of 300 K to 4000 K at 0.4 MPa. J. Appl. Phys. 2015, 117, 143302. [Google Scholar] [CrossRef]
- Guo, Z.; Liu, S.; Pu, Y.; Zhang, B.; Li, X.; Tang, F.; Lv, Q.; Jia, S. Study of the arc interruption performance of CO2 gas in high-voltage circuit breaker. IEEE Trans. Plasma Sci. 2019, 47, 2742–2751. [Google Scholar] [CrossRef]
- Uchii, T.; Hoshina, Y.; Kawano, H.; Suzuki, K.; Nakamoto, T.; Toyoda, M. Fundamental research on SF6-free gas insulated switchgear adopting CO2 gas and its mixtures. In Proceedings of the International Synposium on EcoTopia Science (ISETS07), Nagoya, Japan, 23–25 November 2007. [Google Scholar]
- Chen, Z.; Niu, C.; Zhang, H.; Sun, H.; Wu, Y.; Yang, F.; Rong, M.; Xu, Z. Investigation on the reduced critical breakdown field of hot CO2 gas and CO2-based mixtures. In Proceedings of the International Conference on Electric Power Equipment–Switching Technology (ICEPE–ST), Pusan, Korea, 25–28 October 2015. [Google Scholar]
- Smeets, R.P.P.; Kertesz, V. A new arc parameter database for characterization of short-line fault interruption capability of high-voltage circuit breakers. In Proceedings of the CIGRE, Paris, France, 27 August–1 September 2006. A3-110. [Google Scholar]
- Smeets, R.P.P.; Kertesz, V.; Nishwaki, S.; Suzuki, K. Performance evaluation of high-voltage circuit breakers by means of current zero analysis. In Proceedings of the IEEE/PES Transmission and Distribution Conference and Exibition, Yokohama, Japan, 6–10 October 2003. [Google Scholar]








| Item | Definition | |
|---|---|---|
| Current source part | CH | Charger for current source capacitor |
| DS | Disconnecting switch for current source | |
| ES | Earthing switch for current source | |
| R | Resistor for current source | |
| L | Reactor for current source | |
| C | Capacitor for current source | |
| Voltage source part | CH | Charger for voltage source capacitor |
| DS | Disconnecting switch for voltage source | |
| ES | Earthing switch for voltage source | |
| R | Resistor for voltage source | |
| L | Reactor for voltage source | |
| C | Capacitor for voltage source | |
| Others | R | Resistor for TRV |
| C | Capacitor for TRV | |
| C | Capacitor of voltage divider | |
| BCB | Back-up circuit breaker | |
| MS | Main switch | |
| TCB | Test circuit breaker | |
| ACB | Auxiliary circuit breaker | |
| R | Shunt resistor | |
| CT | Current transformer (Rogowski coil) | |
| Gap | Gap to control voltage source | |
| Item | Unit | Value | |
|---|---|---|---|
| CH | kV | 5.6 | |
| Current source part | C | F | 45,000 |
| L | mH | 0.156 | |
| CH | kV | 14 | |
| Voltage source part | C | F | 88 |
| L | mH | 0.824 | |
| Item | Unit | Specification | |
|---|---|---|---|
| Voltage Divider (RCR 600) | Rated Voltage | kV | 600 |
| Capacitance | pF | 500 | |
| Ratio | - | 2000:1 | |
| Shunt (SH-R 160kA) | Resistance | m | 0.63 |
| Oscilloscope (MSO54) | Sampling Rate | MS/s | 62.5 |
| Record Length | Mpts | 1.25 | |
| Rogowski coil | Output | V/A/s | 1V/4.9A/s |
| Item | P (bar) | T(C ) | t (ms) | R () | C (nF) | dv/dt (kV/s) | S/F |
|---|---|---|---|---|---|---|---|
| SF | 5.5 | 20 | 16.2 | 500 | 1.0 | 10.0 | S |
| 15.9 | 500 | 1.0 | 10.0 | F | |||
| g (5 %Novec4710/95 %CO) | 8 | 20 | 15.0 | 150 | 7.8 | 4.3 | S |
| 14.3 | 150 | 9.8 | 4.8 | F | |||
| CO/O (70%/30%) | 8 | 20 | 15.6 | 150 | 7.8 | 4.3 | S |
| 15.7 | 150 | 9.8 | 4.8 | F |
| Extinguishing Gas | Pressure (bar) | Conductance (mS) [Test Condition: dV/dt (kV/s)] | |
|---|---|---|---|
| Success | Failure | ||
| SF | 5.5 | 0.4 [10.0] | 0.77 [10.0] |
| g (5% Novec4710/95% CO) | 8.0 | 0.36 [4.3] | 0.9 [4.8] |
| CO/O (70%/30%) | 8.0 | 0.7 [4.3] | 0.7 [4.8] |
Publisher’s Note: MDPI stays neutral with regard to jurisdictional claims in published maps and institutional affiliations. |
© 2020 by the authors. Licensee MDPI, Basel, Switzerland. This article is an open access article distributed under the terms and conditions of the Creative Commons Attribution (CC BY) license (http://creativecommons.org/licenses/by/4.0/).
Share and Cite
Lee, W.-Y.; Jun, J.-U.; Oh, H.-S.; Park, J.-K.; Oh, Y.-H.; Song, K.-D.; Jang, H.-J. Comparison of the Interrupting Capability of Gas Circuit Breaker According to SF6, g3, and CO2/O2 Mixture. Energies 2020, 13, 6388. https://doi.org/10.3390/en13236388
Lee W-Y, Jun J-U, Oh H-S, Park J-K, Oh Y-H, Song K-D, Jang H-J. Comparison of the Interrupting Capability of Gas Circuit Breaker According to SF6, g3, and CO2/O2 Mixture. Energies. 2020; 13(23):6388. https://doi.org/10.3390/en13236388
Chicago/Turabian StyleLee, Woo-Young, Jang-Un Jun, Ho-Seok Oh, Jun-Kyu Park, Yeon-Ho Oh, Ki-Dong Song, and Hyun-Jae Jang. 2020. "Comparison of the Interrupting Capability of Gas Circuit Breaker According to SF6, g3, and CO2/O2 Mixture" Energies 13, no. 23: 6388. https://doi.org/10.3390/en13236388
APA StyleLee, W.-Y., Jun, J.-U., Oh, H.-S., Park, J.-K., Oh, Y.-H., Song, K.-D., & Jang, H.-J. (2020). Comparison of the Interrupting Capability of Gas Circuit Breaker According to SF6, g3, and CO2/O2 Mixture. Energies, 13(23), 6388. https://doi.org/10.3390/en13236388

