Fault Diagnosis and Tolerant Control of Three-Level Neutral-Point Clamped Inverters in Motor Drives
Abstract
1. Introduction
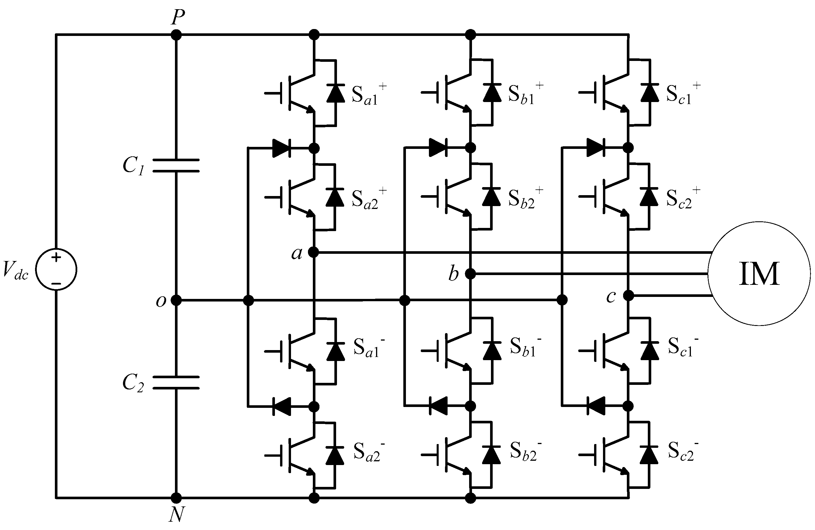
2. Characteristics of Faults for Three-Level Inverters
3. Extension Theory
3.1. Basic Concept of Extension Matter-Element Theory
3.2. Correlation Function
4. Extension Theory-Based Fault Diagnosis for Inverters
- Step 1:
- Create a matter-element model for fault characteristics , , and on the frequency spectra for the line current for each fault type.
- Step 2:
- Input uncategorized fault characteristics , , and with the frequency spectra of the line current to create a matter-element model.
- Step 3:
- Assign weights to the characteristics of each fault type (, , and ) which represent the significance of these characteristics. Set = = = 1/3 here.
- Step 4:
- Calculate the correlation between uncategorized fault characteristics on the frequency spectra of the line current and each existing fault type.
- Step 5:
- The maximum correlation value from the calculation determines the category of the uncategorized fault characteristics , , and on the frequency spectra of the line current. Thus, the fault type is identified.
5. Test Results
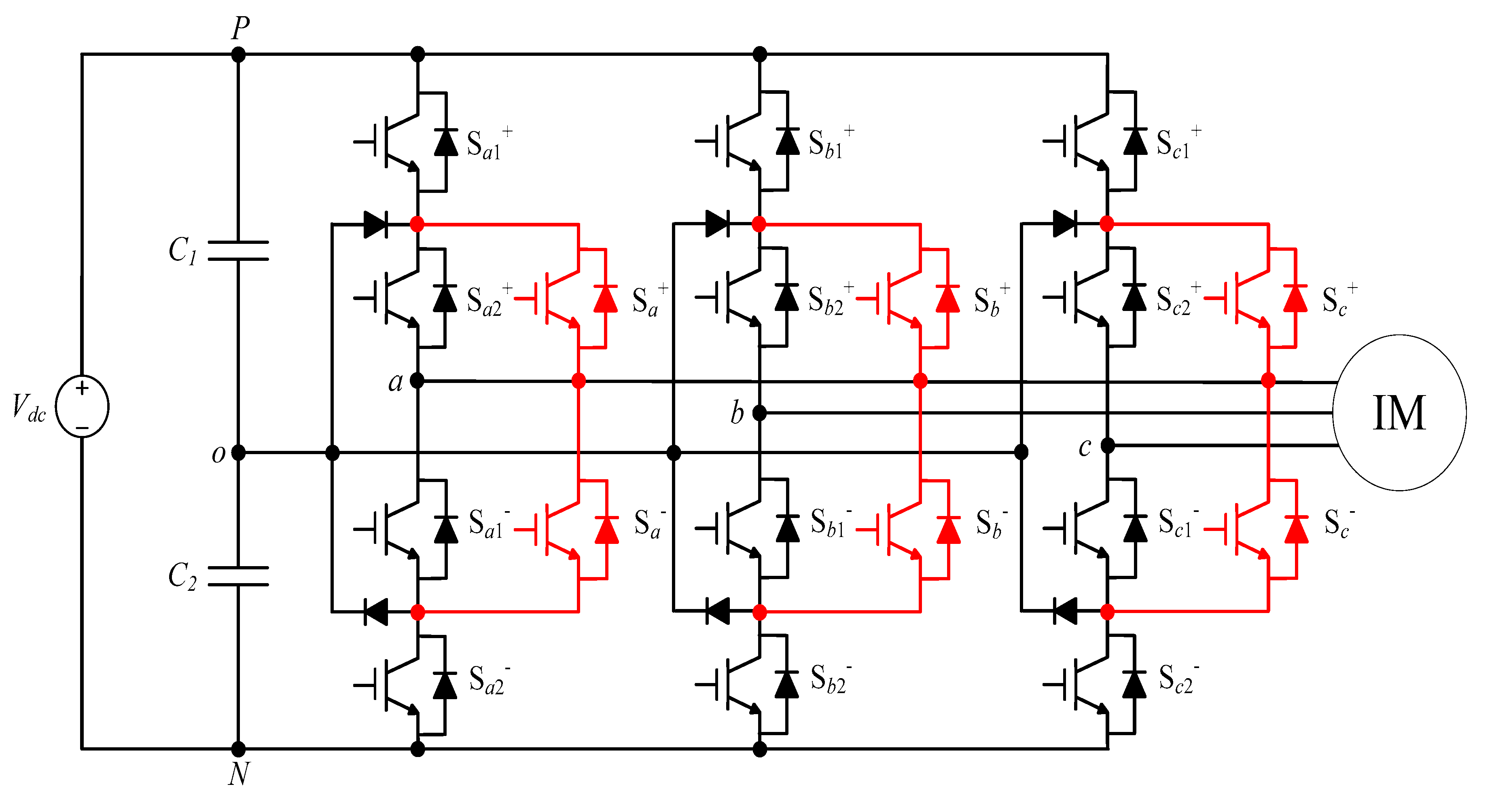
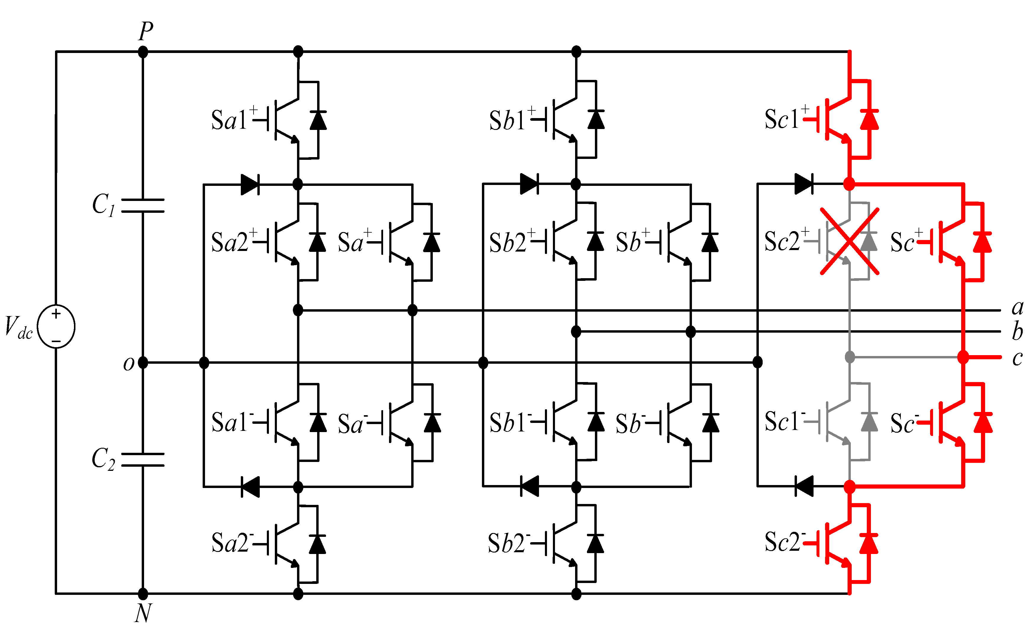
6. Fault-Tolerant Control for Three-Level NPC Inverters
6.1. Analysis of Tolerant Control
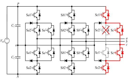
6.1.1. Tolerant Control Strategy for External Switch Faults
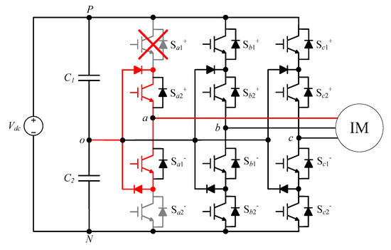
6.1.2. Tolerant Control Strategy for Internal Switch Faults
6.2. Tolerant Control Simulations
6.3. Tolerant Control Experiments
7. Conclusions
Author Contributions
Funding
Conflicts of Interest
References
- Rodriguez, J.I.; Leeb, S.B. A multilevel inverter topology for inductively coupled power transfer. IEEE Trans. Power Electron. 2006, 21, 1607–1617. [Google Scholar] [CrossRef]
- Escalante, M.F.; Vannier, J.C.; Arzande, A. Flying capacitor multilevel inverters and DTC motor drive applications. IEEE Trans. Ind. Electron. 2002, 49, 809–815. [Google Scholar] [CrossRef]
- Tourkhani, F.; Viarouge, P.; Meynard, T.A. Optimal design and experimental results of a multilevel inverter for an UPS application. In Proceedings of the International Conference on Power Electronics and Drive Systems, Singapore, 26–29 May 1997; pp. 340–343. [Google Scholar]
- Daher, S.; Schmid, J.; Antunes, F.L.M. Multilevel inverter topologies for stand-alone PV systems. IEEE Trans. Ind. Electron. 2008, 55, 2703–2712. [Google Scholar] [CrossRef]
- Naik, R.L.; Udaya, K.R.Y. A novel technique for control of cascaded multilevel inverter for photovoltaic power supplies. In Proceedings of the European Conference on Power Electronics and Applications, Dresden, Germany, 11–14 September 2005; pp. 1–9. [Google Scholar]
- Nabae, A.; Takahashi, I.; Akagi, H. A new neutral-point clamped PWM inverter. IEEE Trans. Ind. Appl. 1981, 17, 518–523. [Google Scholar] [CrossRef]
- Chen, A.L.; Hu, L.; Chen, L.F.; Deng, Y.; He, X.N. A multilevel converter topology with fault-tolerant ability. IEEE Trans. Power Electron. 2005, 20, 405–415. [Google Scholar] [CrossRef]
- Khomfoi, S.; Tolbert, L.M. Fault diagnostic system for a multilevel inverter using a neural network. IEEE Trans. Power Electron. 2007, 22, 1062–1069. [Google Scholar] [CrossRef]
- Choi, U.; Lee, K.; Blaabjerg, F. Diagnosis and tolerant strategy of an open-switch fault for T-type three-level inverter systems. IEEE Trans. Ind. Appl. 2014, 50, 495–508. [Google Scholar] [CrossRef]
- Altug, S.; Chen, M.Y.; Trussell, H.J. Fuzzy inference systems implemented on neural architectures for motor fault detection and diagnosis. IEEE Trans. Ind. Electron. 2002, 46, 1069–1079. [Google Scholar] [CrossRef]
- Peng, Z. An integrated approach to fault diagnosis of machinery using wear debris and vibration analysis. Wear 2003, 255, 1221–1232. [Google Scholar] [CrossRef]
- Han, T.; Yang, B.S.; Lee, J.M. A new condition monitoring and fault diagnosis system of induction motors using artificial intelligence algorithms. In Proceedings of the IEEE International Conference on Electric Machines and Drives, San Antonio, TX, USA, 15–18 May 2005; pp. 1967–1974. [Google Scholar]
- Pedrayes, F.; Rojas, C.H.; Cabanas, M.F.; Melero, M.G.; Orcajo, G.A.; Cano, J.M. Application of a dynamic model based on a network of magnetically coupled reluctances to rotor fault diagnosis in induction motors. In Proceedings of the IEEE International Symposium on Diagnostics for Electric Machines, Power Electronics and Drives, Cracow, Poland, 6–8 September 2007; pp. 241–246. [Google Scholar]
- Lehtoranta, J.; Koivo, H.N. Fault diagnosis of induction motors with dynamical neural networks. In Proceedings of the IEEE International Conference on Systems, Man and Cybernetics, Waikoloa, HI, USA, 10–12 October 2005; pp. 2979–2984. [Google Scholar]
- He, Q.; Du, D.M. Fault diagnosis of induction motor using neural networks. In Proceedings of the International Conference on Machine Learning and Cybernetics, Hong Kong, China, 19–22 August 2007; pp. 1090–1095. [Google Scholar]
- Martin-Diaz, I.; Morinigo-Sotelo, D.; Duque-Perez, O.; Romero-Troncoso, R.J. An experimental comparative evaluation of machine learning techniques for motor fault diagnosis under various operating conditions. IEEE Trans. Ind. Appl. 2018, 54, 2215–2224. [Google Scholar] [CrossRef]
- Torabi, N.; Sundaram, V.M.; Toliyat, H.A. On-line fault diagnosis of multi-phase drives using self-recurrent wavelet neural networks with adaptive learning rates. In Proceedings of the IEEE Applied Power Electronics Conference and Exposition (APEC), Tampa, FL, USA, 26–30 March 2017; pp. 570–577. [Google Scholar]
- Chowdhury, D.; Bhattacharya, M.; Khan, D.; Saha, S.; Dasgupta, A. Wavelet decomposition based fault detection in cascaded H-bridge multilevel inverter using artificial neural network. In Proceedings of the 2nd IEEE International Conference Recent Trends in Electronics, Information & Communication Technology (RTEICT), Bangalore, India, 19–20 May 2017; pp. 1931–1935. [Google Scholar]
- Xu, J.; Song, B.; Zhang, J.; Xu, L. A new approach to fault diagnosis of multilevel inverter. In Proceedings of the Chinese Control and Decision Conference (CCDC), Shenyang, China, 9–11 June 2018; pp. 1054–1058. [Google Scholar]
- Li, W.; Li, G.Y.; Zeng, R.; Ni, K.; Hu, Y.H.; Wen, H.Q. The fault detection, localization, and tolerant operation of modular multilevel converters with an insulated gate bipolar transistor (IGBT) open circuit fault. Energies 2018, 11, 837. [Google Scholar] [CrossRef]
- Liu, Y.Q.; Li, D.H.; Jin, Y.; Wang, Q.B.; Song, W.L. Research on unbalance fault-tolerant control strategy of modular multilevel photovoltaic grid-connected inverter. Energies 2018, 11, 1368. [Google Scholar] [CrossRef]
- Jung, J.H.; Ku, H.K.; Son, Y.D.; Kim, J.M. Open-switch fault diagnosis algorithm and tolerant control method of the three-phase three-level NPC active rectifier. Energies 2019, 12, 2495. [Google Scholar] [CrossRef]
- Ahmadipour, M.; Hizam, H.; Othman, M.L.; Radzi, M.A.M.; Chireh, N. A fast fault identification in a grid-connected photovoltaic system using wavelet multi-resolution singular spectrum entropy and support vector machine. Energies 2019, 12, 2508. [Google Scholar] [CrossRef]
- He, Z.; Zhang, X.C.; Liu, C.; Han, T. Fault prognostics for photovoltaic inverter based on fast clustering algorithm and Gaussian mixture model. Energies 2020, 13, 4901. [Google Scholar] [CrossRef]
- Kwon, B.H.; Kim, S.H.; Kim, S.M.; Lee, K.B. Fault diagnosis of open-switch failure in a grid-connected three-level Si/SiC hybrid ANPC inverter. Electronics 2020, 9, 399. [Google Scholar] [CrossRef]
- Li, M.; Li, G. Based on theory of extenics research assessment and classification of soil erosion. In Proceedings of the World Automation Congress, Puerto Vallarta, Mexico, Mexico, 24–28 June 2012; pp. 1–6. [Google Scholar]
- Chen, P.Y.; Chao, K.H.; Wu, Z.Y. An optimal collocation strategy for the key components of compact photovoltaic power generation systems. Energies 2018, 11, 2523. [Google Scholar] [CrossRef]
- Wang, M.H.; Huang, M.L.; Jiang, W.J. Maximum power point tracking and harmonic reducing control method for generator-based exercise equipment. Energies 2016, 9, 103. [Google Scholar] [CrossRef]
- Ju, Y.; Yu, Y.; Ju, G.; Cai, W. Extension set and restricting qualifications of matter-elements’ extension. In Proceedings of the 3rd International Conference on Information Technology and Applications, Sydney, NSW, Australia, 4–7 July 2005; pp. 395–398. [Google Scholar]
- Xiao, L.; Li, X. Supplier selection based on matter element analysis. In Proceedings of the fourth International Conference on Transportation Engineering, Chengdu, China, 19–20 October 2013; pp. 551–557. [Google Scholar]






















| Fault Condition | Type |
|---|---|
| A faulty Sa1+ switch | F1 |
| A faulty Sa2+ switch | F2 |
| A faulty Sa1− switch | F3 |
| A faulty Sa2− switch | F4 |
| A faulty Sb1+ switch | F5 |
| A faulty Sb2+ switch | F6 |
| A faulty Sb1− switch | F7 |
| A faulty Sb2− switch | F8 |
| A faulty Sc1+ switch | F9 |
| A faulty Sc2+ switch | F10 |
| A faulty Sc1− switch | F11 |
| A faulty Sc2− switch | F12 |
| Fault Type | ia Characteristic Frequency Spectrum (mA) | ib Characteristic Frequency Spectrum (mA) | ic Characteristic Frequency Spectrum (mA) | ||||||
|---|---|---|---|---|---|---|---|---|---|
| mf + 1 | mf + 5 | mf − 5 | mf + 1 | mf + 5 | mf − 5 | mf + 1 | mf + 5 | mf − 5 | |
| F1 | 0.59 | 0.14 | 0.15 | 0.26 | 0.11 | 0.11 | 0.33 | 0.03 | 0.06 |
| F2 | 0.43 | 0.26 | 0.23 | 0.17 | 0.13 | 0.14 | 0.26 | 0.14 | 0.10 |
| F3 | 0.37 | 0.28 | 0.27 | 0.22 | 0.13 | 0.10 | 0.15 | 0.16 | 0.18 |
| F4 | 0.56 | 0.21 | 0.22 | 0.31 | 0.06 | 0.07 | 0.26 | 0.15 | 0.15 |
| F5 | 0.26 | 0.10 | 0.11 | 0.58 | 0.23 | 0.21 | 0.30 | 0.16 | 0.13 |
| F6 | 0.21 | 0.10 | 0.11 | 0.32 | 0.31 | 0.33 | 0.12 | 0.22 | 0.21 |
| F7 | 0.13 | 0.20 | 0.20 | 0.36 | 0.28 | 0.28 | 0.24 | 0.08 | 0.08 |
| F8 | 0.32 | 0.13 | 0.12 | 0.56 | 0.20 | 0.21 | 0.26 | 0.10 | 0.13 |
| F9 | 0.31 | 0.08 | 0.07 | 0.28 | 0.10 | 0.11 | 0.59 | 0.19 | 0.18 |
| F10 | 0.19 | 0.14 | 0.14 | 0.18 | 0.13 | 0.15 | 0.37 | 0.27 | 0.27 |
| F11 | 0.20 | 0.11 | 0.17 | 0.19 | 0.11 | 0.14 | 0.39 | 0.22 | 0.28 |
| F12 | 0.22 | 0.14 | 0.14 | 0.25 | 0.11 | 0.09 | 0.48 | 0.26 | 0.29 |
| Fault Type | ia Characteristic Frequency Spectrum (mA) | ib Characteristic Frequency Spectrum (mA) | ic Characteristic Frequency Spectrum (mA) | ||||||
|---|---|---|---|---|---|---|---|---|---|
| mf + 1 | mf + 5 | mf − 5 | mf + 1 | mf + 5 | mf − 5 | mf + 1 | mf + 5 | mf − 5 | |
| F1 | 0.59 | 0.13 | 0.14 | 0.28 | 0.08 | 0.08 | 0.3 | 0.05 | 0.06 |
| F2 | 0.25 | 0.24 | 0.24 | 0.12 | 0.12 | 0.12 | 0.13 | 0.12 | 0.11 |
| F3 | 0.19 | 0.28 | 0.30 | 0.11 | 0.12 | 0.13 | 0.07 | 0.16 | 0.16 |
| F4 | 0.55 | 0.19 | 0.19 | 0.28 | 0.08 | 0.08 | 0.26 | 0.11 | 0.10 |
| F5 | 0.26 | 0.09 | 0.10 | 0.55 | 0.20 | 0.20 | 0.29 | 0.12 | 0.11 |
| F6 | 0.11 | 0.12 | 0.13 | 0.17 | 0.31 | 0.31 | 0.07 | 0.19 | 0.19 |
| F7 | 0.07 | 0.19 | 0.18 | 0.17 | 0.31 | 0.31 | 0.11 | 0.12 | 0.13 |
| F8 | 0.29 | 0.13 | 0.11 | 0.55 | 0.20 | 0.20 | 0.26 | 0.09 | 0.10 |
| F9 | 0.30 | 0.08 | 0.07 | 0.26 | 0.10 | 0.11 | 0.56 | 0.18 | 0.17 |
| F10 | 0.10 | 0.15 | 0.14 | 0.10 | 0.13 | 0.15 | 0.19 | 0.27 | 0.29 |
| F11 | 0.09 | 0.14 | 0.17 | 0.10 | 0.13 | 0.14 | 0.19 | 0.27 | 0.32 |
| F12 | 0.23 | 0.12 | 0.14 | 0.27 | 0.09 | 0.09 | 0.51 | 0.21 | 0.23 |
| Fault Type | F1 | F2 | F3 | F4 | F5 | F6 | F7 | F8 | F9 | F10 | F11 | F12 | Identification Result |
|---|---|---|---|---|---|---|---|---|---|---|---|---|---|
| F1 | 0.559732 | −0.2341 | −0.30163 | −0.25791 | −0.35161 | −0.28997 | −0.28827 | −0.37557 | −0.13128 | −0.19571 | −0.09069 | 0.122352 | F1 |
| F2 | −0.31894 | 0.529985 | 0.19564 | 0.101215 | −0.24656 | −0.39278 | −0.13254 | −0.18231 | −0.38297 | −0.06586 | −0.03606 | −0.39277 | F2 |
| F3 | −0.32544 | 0.153303 | 0.480904 | −0.28298 | −0.35341 | −0.24157 | −0.23005 | −0.45123 | −0.15916 | −0.30098 | −0.31193 | −0.30453 | F3 |
| F4 | −0.19607 | −0.02785 | −0.05336 | 0.669501 | −0.25911 | −0.38318 | −0.191 | −0.29812 | −0.35435 | −0.31991 | −0.25472 | −0.35481 | F4 |
| F5 | −0.30139 | −0.1844 | −0.11302 | −0.27134 | 0.78784 | −0.14891 | −0.31367 | 0.170666 | −0.27814 | −0.28528 | −0.1707 | −0.33376 | F5 |
| F6 | −0.5183 | −0.40867 | −0.23671 | −0.5169 | −0.1806 | 0.410636 | −0.05613 | −0.31277 | −0.3506 | −0.35322 | −0.1498 | −0.15425 | F6 |
| F7 | −0.35259 | −0.12849 | −0.3183 | −0.11627 | −0.33122 | −0.09984 | 0.386716 | −0.25002 | −0.54508 | −0.20199 | −0.1635 | −0.48438 | F7 |
| F8 | −0.19771 | −0.04102 | −0.25002 | −0.07334 | 0.370901 | −0.22944 | −0.12948 | 0.729028 | −0.28932 | −0.14899 | −0.15479 | −0.23812 | F8 |
| F9 | −0.10774 | −0.24794 | −0.13496 | −0.26971 | −0.19914 | −0.13057 | −0.42272 | −0.2614 | 0.729557 | −0.40752 | −0.27084 | −0.06767 | F9 |
| F10 | −0.21181 | −0.04626 | 0.010629 | −0.39599 | −0.31255 | −0.06477 | −0.34739 | −0.33145 | −0.31563 | 0.35106 | 0.337094 | 0.172031 | F10 |
| F11 | −0.20393 | −0.17468 | −0.14651 | −0.38417 | −0.24391 | 0.13807 | −0.3556 | −0.2593 | −0.17523 | 0.138607 | 0.454056 | 0.202084 | F11 |
| F12 | −0.11796 | −0.17041 | −0.18303 | −0.36593 | −0.38078 | −0.13336 | −0.31591 | −0.39715 | −0.15802 | 0.096222 | 0.373375 | 0.5391 | F12 |
| Fault Type | F1 | F2 | F3 | F4 | F5 | F6 | F7 | F8 | F9 | F10 | F11 | F12 | Identification Result |
|---|---|---|---|---|---|---|---|---|---|---|---|---|---|
| F1 | 0.622689 | −0.34653 | −0.43611 | −0.06351 | −0.32677 | −0.28556 | −0.30873 | −0.27985 | −0.34084 | −0.23062 | −0.18383 | −0.13332 | F1 |
| F2 | −0.38422 | 0.592683 | 0.4343 | −0.09045 | −0.25795 | −0.38591 | −0.06168 | −0.31945 | −0.35681 | −0.21063 | −0.05411 | −0.33311 | F2 |
| F3 | −0.58218 | −0.28377 | 0.547845 | −0.56388 | −0.3993 | −0.3059 | −0.50629 | −0.56016 | −0.41968 | −0.28528 | −0.13195 | −0.44254 | F3 |
| F4 | 0.06017 | 0.043765 | −0.23491 | 0.561843 | −0.33158 | −0.35213 | 0.19983 | −0.17871 | −0.29778 | −0.28035 | −0.17302 | −0.29794 | F4 |
| F5 | −0.36619 | −0.07315 | −0.25264 | −0.24308 | 0.585479 | −0.27545 | −0.20206 | 0.325634 | −0.21915 | −0.27345 | −0.18597 | −0.38598 | F5 |
| F6 | −0.46206 | −0.39656 | −0.16292 | −0.52598 | −0.31768 | 0.599934 | 0.122139 | −0.29312 | −0.27273 | −0.14926 | −0.08569 | −0.31517 | F6 |
| F7 | −0.50241 | −0.04344 | −0.06313 | −0.13996 | −0.31732 | 0.130542 | 0.403082 | −0.39168 | −0.55918 | −0.37664 | −0.19821 | −0.52746 | F7 |
| F8 | −0.18896 | −0.09863 | −0.27318 | −0.18287 | 0.249617 | −0.28389 | −0.10745 | 0.686704 | −0.36196 | −0.19957 | −0.1727 | −0.25936 | F8 |
| F9 | −0.17866 | −0.19605 | −0.01026 | −0.32171 | −0.17182 | −0.15735 | −0.38808 | −0.29794 | 0.773997 | −0.39863 | −0.25987 | 0.095117 | F9 |
| F10 | −0.39289 | −0.05756 | −0.16112 | −0.47144 | −0.42423 | −0.19086 | −0.21326 | −0.40214 | −0.47384 | 0.664821 | 0.341783 | −0.13587 | F10 |
| F11 | −0.34599 | −0.00483 | −0.19398 | −0.4578 | −0.50207 | −0.32113 | −0.22635 | −0.47022 | −0.51012 | 0.347249 | 0.458702 | −0.19029 | F11 |
| F12 | 0.1033 | −0.28286 | −0.18499 | −0.22448 | −0.27963 | 0.12889 | −0.33649 | −0.22669 | 0.053569 | −0.15907 | 0.002915 | 0.446516 | F12 |
| Horsepower (Hp) | Rotor Resistance (Ω) | Rotor Leakage Inductance (H) | Stator Resistance (Ω) | Stator Leakage Inductance (H) | Magnetization Inductance (H) | Moment of Inertia (kg-m2) |
|---|---|---|---|---|---|---|
| 1 | 10.4 | 0.04 | 11.6 | 0.04 | 0.557 | 0.004 |
Publisher’s Note: MDPI stays neutral with regard to jurisdictional claims in published maps and institutional affiliations. |
© 2020 by the authors. Licensee MDPI, Basel, Switzerland. This article is an open access article distributed under the terms and conditions of the Creative Commons Attribution (CC BY) license (http://creativecommons.org/licenses/by/4.0/).
Share and Cite
Chao, K.-H.; Ke, C.-H. Fault Diagnosis and Tolerant Control of Three-Level Neutral-Point Clamped Inverters in Motor Drives. Energies 2020, 13, 6302. https://doi.org/10.3390/en13236302
Chao K-H, Ke C-H. Fault Diagnosis and Tolerant Control of Three-Level Neutral-Point Clamped Inverters in Motor Drives. Energies. 2020; 13(23):6302. https://doi.org/10.3390/en13236302
Chicago/Turabian StyleChao, Kuei-Hsiang, and Chen-Hou Ke. 2020. "Fault Diagnosis and Tolerant Control of Three-Level Neutral-Point Clamped Inverters in Motor Drives" Energies 13, no. 23: 6302. https://doi.org/10.3390/en13236302
APA StyleChao, K.-H., & Ke, C.-H. (2020). Fault Diagnosis and Tolerant Control of Three-Level Neutral-Point Clamped Inverters in Motor Drives. Energies, 13(23), 6302. https://doi.org/10.3390/en13236302

