Application of Perovskite Layer to Rotor for Enhanced Stator-Rotor Capacitance for PMSM Shaft Voltage Reduction
Abstract
1. Introduction
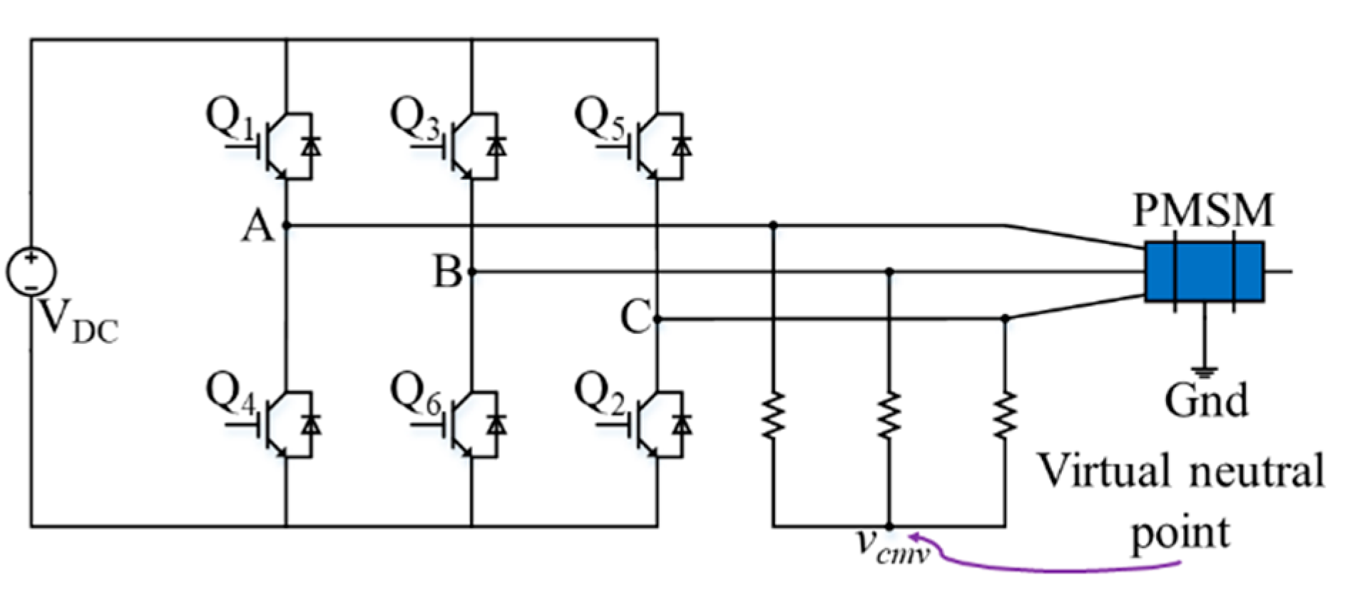
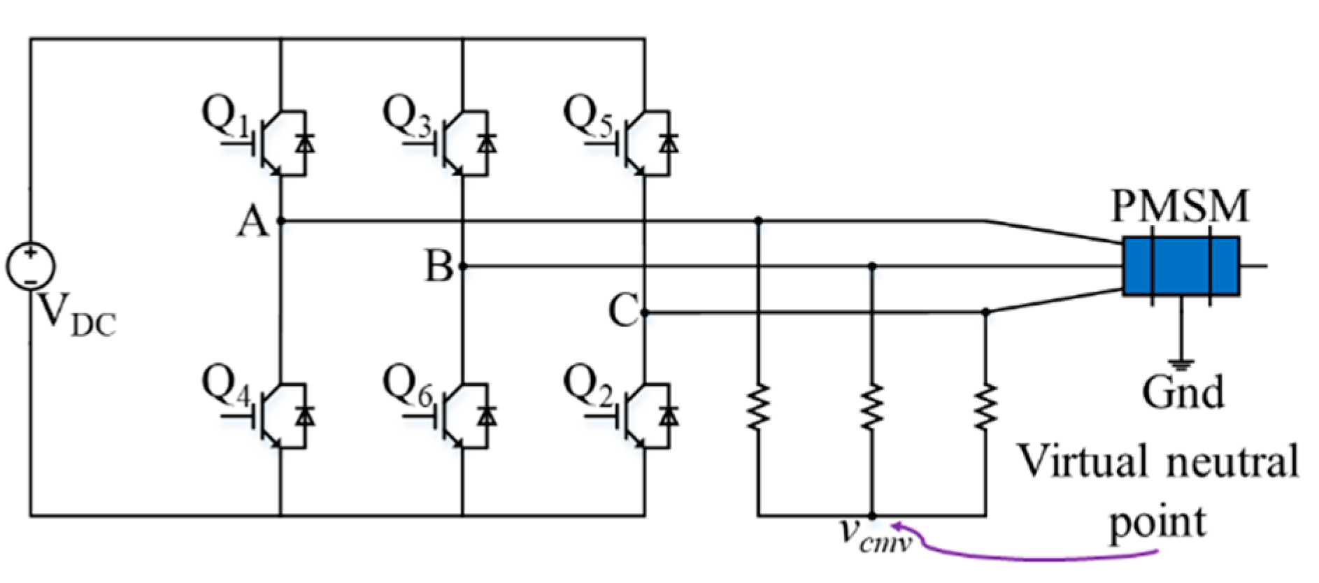
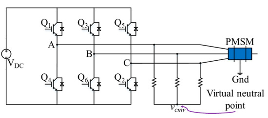
2. High Frequency Motor Model, Capacitive Voltage Divider, and Shaft Voltage
3. Measurements of Motor Capacitance
4. Csr as a Compound Dielectric Capacitor and Shaft Voltage Reduction
5. Motor with Normal and Increased Length of the Stator Tooth Wedge
6. Experiments of the Motor with and Without a Rotor BTO Layer
6.1. Rotor with the BTO Layer and Stator Without Tooth Wedges
6.2. Rotor with BTO Layer and Stator with Tooth Wedges
6.3. Back EMF of the Motor with and without the Rotor BTO Layer
6.4. A Comparison of the Simulation and Experimental Results
7. Explanation for the Shaft Voltage Mitigation
8. Conclusions
Author Contributions
Funding
Conflicts of Interest
References
- Li, Y.; Lin, H.; Huang, H.; Chen, C.; Yang, H. Analysis and Performance Evaluation of an Efficient Power-Fed Permanent Magnet Adjustable Speed Drive. IEEE Trans. Ind. Electron. 2019, 66, 784–794. [Google Scholar] [CrossRef]
- Durocher, D.B.; Thompson, C. Medium-Voltage Adjustable-Speed Drives Upgrade: Delivering Operational Benefits for a Steel Mill Runout Table Cooling System. IEEE Ind. Appl. Mag. 2019, 25, 34–43. [Google Scholar] [CrossRef]
- Choi, U.-M.; Jørgensen, S.; Blaabjerg, F. Impact of Cooling System Capacity on Lifetime of Power Module in Adjustable Speed Drives. IEEE J. Emerg. Sel. Top. Power Electron. 2019, 7, 1768–1776. [Google Scholar] [CrossRef]
- Ruffo, R.; Guglielmi, P.; Armando, E. Inverter Side RL Filter Precise Design for Motor Overvoltage Mitigation in SiC-Based Drives. IEEE Trans. Ind. Electron. 2020, 67, 863–873. [Google Scholar] [CrossRef]
- Muetze, A. Bearing Currents in Inverter-Fed AC-Motors. Ph.D. Thesis, Technische Universität Darmstadt, Darmstadt, Germany, 2004. [Google Scholar]
- SKF Group. Rolling Bearings and Seals in Electric Motors and Generators; SKF Group: Gothenburg, Sweden, August 2013. [Google Scholar]
- Wittek, E.; Kriese, M.; Tischmacher, H.; Gattermann, S.; Ponick, B.; Poll, G. Capacitance of bearings for electric motors at variable mechanical loads. In Proceedings of the 2012 XXth International Conference on Electrical Machines, Marseille, France, 2–5 September 2012; pp. 1602–1607. [Google Scholar]
- Wittek, E.; Kriese, M.; Tischmacher, H.; Gattermann, S.; Ponick, B.; Poll, G. Capacitances and lubricant film thicknesses of motor bearings under different operating conditions. In Proceedings of the The XIX International Conference on Electrical Machines—ICEM 2010, Rome, Italy, 6–8 September 2010; pp. 1–6. [Google Scholar]
- Magdun, O.; Gemeinder, Y.; Binder, A. Prevention of harmful EDM currents in inverter-fed AC machines by use of electrostatic shields in the stator winding overhang. In Proceedings of the IECON 2010—36th Annual Conference on IEEE Industrial Electronics Society, Glendale, AZ, USA, 7–10 November 2010; pp. 962–967. [Google Scholar]
- Erdman, J.M.; Kerkman, R.J.; Schlegel, D.W.; Skibinski, G.L. Effect of PWM inverters on AC motor bearing currents and shaft voltages. IEEE Trans. Ind. Appl. 1996, 32, 250–259. [Google Scholar] [CrossRef]
- Busse, D.F.; Erdman, J.M.; Kerkman, R.J.; Schlegel, D.W.; Skibinski, G.L. The effects of PWM voltage source inverters on the mechanical performance of rolling bearings. IEEE Trans. Ind. Appl. 1997, 33, 567–576. [Google Scholar] [CrossRef]
- Holbert, K.E.; Lin, K.; Karady, G.G. Enhancement of Electric Motor Reliability through Condition Monitoring. IFAC Proc. Vol. 2006, 39, 255–260. [Google Scholar] [CrossRef]
- von Jauanne, A.; Zhang, H. A dual-bridge inverter approach to eliminating common-mode voltages and bearing and leakage currents. IEEE Trans. Power Electron. 1999, 14, 43–48. [Google Scholar] [CrossRef]
- NSK. Rolling Bearings; NSK: Tokyo, Japan, March 2005. [Google Scholar]
- Wang, F. Motor shaft voltages and bearing currents and their reduction in multilevel medium-voltage PWM voltage-source-inverter drive applications. IEEE Trans. Ind. Appl. 2000, 36, 1336–1341. [Google Scholar] [CrossRef]
- Alger, P.L.; Samson, H.W. Shaft currents in electric machines. J. Am. Inst. Electr. Eng. 1923, 42, 1325–1334. [Google Scholar] [CrossRef]
- Qin, C.; Zhang, C.; Xing, X.; Li, X.; Chen, A.; Zhang, G. Simultaneous Common-Mode Voltage Reduction and Neutral-Point Voltage Balance Scheme for the Quasi-Z-Source Three-Level T-Type Inverter. IEEE Trans. Ind. Electron. 2020, 67, 1956–1967. [Google Scholar] [CrossRef]
- Qin, C.; Zhang, C.; Chen, A.; Xing, X.; Zhang, G. A Space Vector Modulation Scheme of the Quasi-Z-Source Three-Level T-Type Inverter for Common-Mode Voltage Reduction. IEEE Trans. Ind. Electron. 2018, 65, 8340–8350. [Google Scholar] [CrossRef]
- Samanes, J.; Gubia, E.; Juankorena, X.; Girones, C. Common-Mode and Phase-to-Ground Voltage Reduction in Back-to-Back Power Converters with Discontinuous PWM. IEEE Trans. Ind. Electron. 2020, 67, 7499–7508. [Google Scholar] [CrossRef]
- Mishra, P.; Maheshwari, R. Design, Analysis, and Impacts of Sinusoidal LC Filter on Pulsewidth Modulated Inverter Fed-Induction Motor Drive. IEEE Trans. Ind. Electron. 2020, 67, 2678–2688. [Google Scholar] [CrossRef]
- Han, D.; Morris, C.T.; Sarlioglu, B. Common-Mode Voltage Cancellation in PWM Motor Drives with Balanced Inverter Topology. IEEE Trans. Ind. Electron. 2017, 64, 2683–2688. [Google Scholar] [CrossRef]
- Gerber, S.; Wangi, R.-J. Reduction of Inverter-Induced Shaft Voltages Using Electrostatic Shielding. In Proceedings of the 2019 Southern African Universities Power Engineering Conference/Robotics and Mechatronics/Pattern Recognition Association of South Africa (SAUPEC/RobMech/PRASA), Bloemfontein, South Africa, 28–30 January 2019; pp. 310–315. [Google Scholar]
- Lee, S.-T.; Park, J.-K.; Jeong, C.-L.; Rhyu, S.-H.; Hur, J. Shaft-to-Frame Voltage Mitigation Method by Changing Winding-to-Rotor Parasitic Capacitance of IPMSM. IEEE Trans. Ind. Appl. 2019, 55, 1430–1436. [Google Scholar] [CrossRef]
- Zhong, E.; Lipo, T.A.; Rossiter, S. Transient modeling and analysis of motor terminal voltage on PWM inverter-fed AC motor drives. In Proceedings of the Conference Record of 1998 IEEE Industry Applications Conference. Thirty-Third IAS Annual Meeting (Cat. No.98CH36242), St. Louis, MO, USA, 12–15 October 1998; Volume 1, pp. 773–780. [Google Scholar]
- Bose, B.K. Power Electronics and Motor Drives: Advances and Trends; Elsevier: Amsterdam, The Netherlands, 2010; ISBN 978-0-08-045738-3. [Google Scholar]
- Rodriguez, J.; Cortes, P. Predictive Control of Power Converters and Electrical Drives; John Wiley & Sons: Hoboken, NJ, USA, 2012; ISBN 978-1-119-94264-1. [Google Scholar]
- Muetze, A.; Binder, A. Calculation of Motor Capacitances for Prediction of the Voltage across the Bearings in Machines of Inverter-Based Drive Systems. IEEE Trans. Ind. Appl. 2007, 43, 665–672. [Google Scholar] [CrossRef]
- Sirviö, P. Electrical and Dielectric Properties of Uncoated and Coated Wood-free Paper for Electrophotography. Ph.D. Thesis, Åbo Akademi University, Turku, Finland, 2016. [Google Scholar]
- Park, J.; Wellawatta, T.R.; Choi, S.-J.; Hur, J. Mitigation Method of the Shaft Voltage According to Parasitic Capacitance of the PMSM. IEEE Trans. Ind. Appl. 2017, 53, 4441–4449. [Google Scholar] [CrossRef]
- Popielarz, R.; Chiang, C.K.; Nozaki, R.; Obrzut, J. Dielectric Properties of Polymer/Ferroelectric Ceramic Composites From 100 Hz to 10 GHz. Macromolecules 2001, 34, 5910–5915. [Google Scholar] [CrossRef]
- McNeal, M.P.; Jang, S.-J.; Newnham, R.E. Particle size dependent high frequency dielectric properties of barium titanate. In Proceedings of the ISAF’96. Tenth IEEE International Symposium on Applications of Ferroelectrics, East Brunswick, NJ, USA, 18–21 August 1996; Volume 2, pp. 837–840. [Google Scholar]
- Arlt, G.; Hennings, D.; de With, G. Dielectric properties of fine-grained barium titanate ceramics. J. Appl. Phys. 1985, 58, 1619–1625. [Google Scholar] [CrossRef]
- Theraja, B.L. Textbook of Electrical Technology; Chand: New Dehli, India, 2008; ISBN 978-81-219-2441-2. [Google Scholar]
- Mao, Y.; Zhou, H.; Wong, S.S. Synthesis, Properties, and Applications of Perovskite- Phase Metal Oxide Nanostructures. Mater. Matters 2010, 5, 50. [Google Scholar]
- Frost, N.E.; McGrath, P.B. Dielectric properties of barium titanate and alumina filled epoxy. In Proceedings of the 1995 Conference on Electrical Insulation and Dielectric Phenomena, Virginia Beach, VA, USA, 22–25 October 1995; pp. 564–567. [Google Scholar]













| Capacitance Name | Symbol | Capacitance Value [pF] |
|---|---|---|
| Stator-to-Rotor | 53.2 | |
| Winding-to-Rotor | 7.45 | |
| Bearing Capacitance | 7.35 |
| Motor Parameter | Symbol | Measurements [mm] |
|---|---|---|
| Rotor radius | 27 | |
| Stator inner radius | 28 | |
| Stator outer radius | 50 | |
| Air gap length | 1 | |
| Stack length | 40 | |
| Slot Opening | 3 | |
| Slot Width | 12 | |
| Slot Height | 13 |
| Material | Symbol | Value |
|---|---|---|
| Barium Titanate (BTO) | BaTiO3 | 15.1 g |
| Adhesive | 16 g | |
| Dielectric constant of the BTO-Adhesive solution | 5 | |
| Dielectric constant of pure BTO | 1000 to 10,000 [33] |
| Motor | Vb [V] | Reduction in Vb [%] | BVR [%] |
|---|---|---|---|
| Motor without BTO and without stator wedges | 4.457 | 0 | 11 |
| Motor without BTO and with stator wedges | 3.772 | 15.4 | 9.2 |
| Motor with BTO and without stator wedges | 3.649 | 18.1 | 8.9 |
| Motor with BTO and with stator wedges | 2.840 | 36.3 | 6.9 |
Publisher’s Note: MDPI stays neutral with regard to jurisdictional claims in published maps and institutional affiliations. |
© 2020 by the authors. Licensee MDPI, Basel, Switzerland. This article is an open access article distributed under the terms and conditions of the Creative Commons Attribution (CC BY) license (http://creativecommons.org/licenses/by/4.0/).
Share and Cite
Aqil, M.; Im, J.-H.; Hur, J. Application of Perovskite Layer to Rotor for Enhanced Stator-Rotor Capacitance for PMSM Shaft Voltage Reduction. Energies 2020, 13, 5762. https://doi.org/10.3390/en13215762
Aqil M, Im J-H, Hur J. Application of Perovskite Layer to Rotor for Enhanced Stator-Rotor Capacitance for PMSM Shaft Voltage Reduction. Energies. 2020; 13(21):5762. https://doi.org/10.3390/en13215762
Chicago/Turabian StyleAqil, Muhammad, Jun-Hyuk Im, and Jin Hur. 2020. "Application of Perovskite Layer to Rotor for Enhanced Stator-Rotor Capacitance for PMSM Shaft Voltage Reduction" Energies 13, no. 21: 5762. https://doi.org/10.3390/en13215762
APA StyleAqil, M., Im, J.-H., & Hur, J. (2020). Application of Perovskite Layer to Rotor for Enhanced Stator-Rotor Capacitance for PMSM Shaft Voltage Reduction. Energies, 13(21), 5762. https://doi.org/10.3390/en13215762

