Next Article in Journal
The Influence of pH on the Combustion Properties of Bio-Coal Following Hydrothermal Treatment of Swine Manure
Previous Article in Journal
Evolution of Virtual Water Transfers in China’s Provincial Grids and Its Driving Analysis
 
 
Font Type:
Arial Georgia Verdana
Font Size:
Aa Aa Aa
Line Spacing:
Column Width:
Background:
Review

Architectures of Planetary Hybrid Powertrain System: Review, Classification and Comparison

1
School of Mechanical and Precision Instrument Engineering, Xi’an University of Technology, Xi’an 710048, China
2
Key laboratory of Shaanxi Province for Development and Application of New Transportation, Chang ’an University, Xi’an 710064, China
*
Author to whom correspondence should be addressed.
Energies 2020, 13(2), 329; https://doi.org/10.3390/en13020329
Submission received: 29 November 2019 / Revised: 25 December 2019 / Accepted: 8 January 2020 / Published: 9 January 2020

Abstract

Increasing environmental issues and energy crises led to rapid developments of hybrid electric vehicles, especially the planetary hybrid powertrain system (PHPS). This paper presents a comprehensive review of the PHPS, focusing primarily on contributions in the aspect of configuration, classification and comparison. In this work, a new classification method for PHPS architectures is proposed according to the number of electric motors (EMs). In addition, two kinds of PHPS, in the new classification framework, are extensively emphasized in terms of its architectures, advantages and disadvantages. Furthermore, the port diagrams of representative architectures are presented to provide an intuitive method for power flow representation. Finally, a conclusion is made to provide an insight for developing PHPS as well.

Graphical Abstract

1. Introduction

During the last twenty years, the number of the passenger cars worldwide has inexorably increased [1]. As a result, traffic-related energy and environmental problems have become serious [2,3,4,5,6]. This has pushed the governments, automotive companies and research institutes worldwide to seek economical viable and environmentally-friendly personal transportation solutions. The policymakers have made a series of vehicle emission regulations to reduce carbon emission stemming from transportation sources [7,8,9,10]. It is urgent to develop alternative fuels and energy-save technology [11,12,13,14,15]. Thus, the automotive makers and researchers have made great effort to explore efficient and sustainable solutions, most of which are focused on vehicle hybridization/electrification [16,17,18,19,20,21,22].
Hybrid electric vehicles (HEVs) have been widely considered as one of the most promising solutions to achieve superior mileage, lower fuel consumption and less tailpipe emission compared to conventional internal combustion engine based vehicles [16,23,24,25]. Generally, the HEV is composed of an internal combustion engine (ICE) (gasoline or diesel fueled) with one or more electric motors (EMs). Traditionally, based on the combinations of connections among components of the powertrain system, HEVs can be classified into three basic drivetrain architectures: series, parallel and power-split (also called series-parallel) [21,26,27,28,29]. A schematic representation of these three architectures is given in Figure 1. Nevertheless, it is critical to combine multi-powertrain transfer with different operation modes via power coupling device. Specifically, the power coupling of series HEVs is achieved by electro-electric coupling device only with electrical energy transfer in the drive system, while electromechanical coupling device are employed for parallel and power-split HEVs to combine multi-power sources, either propelling the vehicle together or independently. Various electromechanical coupling devices for a parallel or power-split HEV will be discussed in Section 2. In addition, the power-split HEVs can be further divided into sub-categories as shown in Figure 2 [30].
Several review papers have discussed the electromechanical power coupling for HEVs. Miller [26] proposed power split architecture of full HEVs, including input split and compound split type electric continuously variable transmissions (e-CVTs). Manuele Bertoluzzo [31] introduced the mechanical and electric solutions for implementing power split in series-parallel HEV architectures. Yubin Wang [32] compared various e-CVT propulsion systems for full HEVs, and classified them as the gear e-CVT and the gearless e-CVT. Duan Wei [33] briefly summarized the electromechanical power coupling strategies based on the way they coupled. Jian Dong [34] reviewed the state-of-the-art of the three main categories: mechanical continuously variable transmissions (CVT), e-CVT and pure electrical CVT (EVT). Yuan Cheng [35] introduced e-CVT and electric variable transmission (EVT) technology for full HEVs. Yinye Yang [36] presented a comprehensive review of various integrated powertrains including the power-split, two-mode hybrid transmission systems and the EVT. However, these scholars mainly focus on the power-split architectures for full HEVs via employing planetary gears (PGs) as the power coupling device and its various variants. In power-split HEVs, two EMs are utilized, and one of them works mostly as a driving motor while the other is considered as a generator. In fact, if the two degrees of freedom (DOF) planetary gear (PG) is used as the power coupling device, the hybrid powertrain can be equipped with only one electric machine. Some literatures have been reported regarding hybrid powertrain system using planetary gears with one electric motor [37,38,39,40,41,42,43,44]. To the best of our knowledge, there is still a lack of published papers involving a comprehensive overview of power coupling device architectures using PGs for HEVs, denoting as planetary hybrid powertrain system (PHPS) in this paper. It is a critical procedure to design a proper power coupling device architecture before developing a PHPS, since powertrain architecture have significant influence on the control and optimization performance. However, unlike conventional vehicle powertrain, it is a very challenging task to identify a desirable architecture of PHPS in the early stage. There are more variables, for example, number of EMs, count of PG coupling devices, the type of transmission and topological relationship of components. Furthermore, it can operate in different modes for certain architecture by changing states of power coupling device, EMs and transmission, further complicating selection of an appropriate architecture. Hence, in order to facilitate architecture selection and design of PHPS, various architectures of PHPS are categorized systematically in this paper, following comprehensive review of various architectures.
The rest of this paper is organized as follows: the electromechanical power coupling system is introduced at first, and the definition, classification of PHPS is proposed in Section 2. In Section 3, the classification of the two primary PHPS architectures is given, and the corresponding typical architectures are analyzed and compared, respectively, and followed by the conclusion in Section 4.

2. Planetary Hybrid Powertrain System

The electromechanical power coupling system that implements the combined output power of two or more independent power systems is a general term for all components of a HEV power transmission system [45]. Specifically, the most popular electromechanical power coupling system is based on PG(s), denoted as planetary hybrid powertrain system in this research. Hence, in this section, based on brief introduction of functional classification and structure of electromechanical power coupling system, the definition and classification of planetary hybrid powertrain system are presented.

2.1. Introduction to Electromechanical Power Coupling System

Antoni Szumanowski et al. [46] illustrated four basic function of electromechanical power coupling system for a HEV. The power couple schematic of the electromechanical power coupling system is shown in Figure 3. Specifically, it can be divided into three categories: torque coupling, speed coupling and power coupling [45,47]. Table 1 summarizes three kinds of electromechanical power coupling system.
The torque coupling system, characterized by controllable engine torque and uncontrollable speed, is commonly used in parallel HEVs. The system output speed is in a fixed proportion to the ICE speed and EM speed, and the system output torque is a linear combination of the ICE and EM torque. Hence, the ICE torque is adjusted by controlling the EM torque. Two typical architectures are adopted to realize the torque coupling, i.e., fixed gear transmission coupling and coaxial motor coupling. The most typical applications are Dongfeng Motor’s EQ7200 system, Honda Insight’s integrated motor assist (IMA) system, Chang’an Motor’s integrated starter generator (ISG) system, etc. The speed coupling system, with the characteristic of controllable engine speed and uncontrollable torque, is mainly employed in parallel HEVs. The system output torque is in a fixed proportion to the ICE torque and EM torque, and the system output speed is a linear combination of the ICE and EM speed. Hence, the ICE speed is adjusted by controlling EM speed. As for two typical architectures, the PG(s) and stator floating motor are utilized to realize the speed coupling. One typical application is the compact hybrid planetary transmission drive (CHPTD). The power coupling system that integrates the characteristics of the above coupling system to control the engine torque and speed, is widely adopted in power-split HEVs. The system output torque and speed are the linear sum of the ICE and EM torque and speed respectively. Hence, the ICE torque and speed are both controllable. Two typical architectures are PG(s) and double rotor motor, respectively, and the PG(s) is the mainstream on market. The well-known typical applications are Toyota hybrid system (THS) and General Motor’s advanced hybrid system (AHS).
The architecture of electromechanical power coupling system is one of the most critical technologies for a HEV. The power coupling mode of the different structure not only determines the operating mode of the hybrid powertrain system, but also provides a basis of formulating the power distribution strategy. In a word, a reasonable power coupling system architecture for HEV is beneficial for ensuring power performance, economy and lowest emission. The previous power coupling device mainly focuses on the belt type and the fixed axis gear transmission type. Due to the large slip loss of belt drive and the rigidity of fixed axis gear meshing drive, many new structures have emerged, such as gear box type and PG(s) type. At present, the power coupling device is mainly concentrated in CVT [48,49,50] and EVT [51]. Figure 4 shows the three existing electromechanical power coupling systems and its various structures, and the structures with gray backgrounds are PG(s) type, which is a main concern in this paper.
In terms of a specific structure, the most attractive electromechanical power coupling systems are based on PG(s) by merging or splitting the ICE and battery (via electric motor) energy flows. Firstly, because of its small volume and mass proportionate to the shaft loads, thus, in case of great power transferred, the PG(s) is small and compact. Secondly, it is efficient to adopt PG(s) with two degrees of freedom for coupling power for hybrid powertrain. In addition, if more PG(s) are combined as a power coupling device, the freedom of the system and design flexibility can be increased. Thus, engineers may have more opportunity to optimize the powertrain system for both fuel economy and driving performance. Finally, the manufacturing technology of the planetary gear production is highly developed for the conventional vehicle’s application. The energy economy of the planetary power coupling system, if the architecture is reasonably designed, can be most effective among all-known electromechanical power coupling system architectures. Hence, for the convenience of architecture selection and design, a comprehensive overview of hybrid powertrain system using PG(s) as the power coupling device, will be presented in this paper.
In the following, the definition of the planetary hybrid powertrain system (PHPS) is firstly presented, and then a new classification method for PHPS is proposed according to the number of the EMs.

2.2. Definition of the PHPS

According to the definition of hybrid powertrain system by the Society of Automotive Engineers (SAE) (J1715) [52], the planetary hybrid powertrain system (PHPS) is defined as: a hybrid electric vehicle, encompassing an internal combustion engine and one or more electric motors, can be propelled by internal combustion engine and motor separately or together, and the electromechanical power coupling system is devised based on the PG(s). Figure 5 shows the concept of PHPS and possible energy flow routes [53].
The planetary gears, as a core of the PHPS, sum or split the internal combustion engine and battery (via electric motor) energy flows. Figure 6a is a schematic of a PG with four planet gears supported by a carrier and interposed between the sun gear and ring gear, which is widely adopted in hybrid powertrain. The PG has three basic members with two DOF, sun gear (denoted as S), ring gear (denoted as R) and carrier (denoted as C), which are respectively connected with the external power components. Hence, a single PG with two DOFs can be regarded as a three-port device, as shown in Figure 6b. The three ports, denoted as a, b and c, represent any three basic components of the PG, respectively.
In addition, multiple PG(s) can be combined to form a compound PG(s). According to the calculation method of operating DOF [54], the number of DOF for compound PG(s) can be formulated as:
D O F = 2 n p
where n and p are number of PG(s) and fixed interconnection, respectively.
Generally, a HEV includes an internal combustion engine and one output shaft, and the number of electric motors can be one or two. An electromechanical power coupling system with two DOF is commonly employed in the PHPS. As listed in Table 2, if the PHPS has three powertrain components (ICE, output, EM), a three-port device can be used as the power coupling device. However, if the PHPS with four powertrain components (ICE, output, EM1, EM2), both three-port and four-port device are available. Various three-port or four-port devices can be formed by adding clutches and brakes to compound PG(s), and thus numerous PHPS architectures can be developed. In addition, the PG(s) combined with other transmission (such as fixed gears) can also form a three-port or four-port device. The typical two DOF PG(s) systems are shown in Figure 7, where e, m1, m2 and o represent ports that are connected to power components ICE, EM1, EM2 and output shaft, respectively.

2.3. Classification of the PHPS

The PHPS is as complex as HEVs since it involves to how to combine internal combustion engine, electric motor(s), planetary gear(s) and transmission. Different PHPS powertrain architectures can be classified by locations and number of electric motor(s), type of transmission, number of planetary gear(s) etc. As previously mentioned, some scholars have classified PHPS with two electric motors into three categories. However, it is not suitable for PHPS with one electric motor. Hence, for the convenience of architecture selection and design of PHPS, depending on the number of electric motor, the PHPS can be categorized into two categories: PHPS with single electric motor (EM) and PHPS with two electric motors (EMs), as shown in Figure 8. It is noted that the PHPS with a single EM can be considered as three-port system, whereas the PHPS with two EMs is considered as three-port or four-port system (depended on one of two EMs share the same port with other components or not).
In the following sections, two primary PHPS architectures and its sub-architectures are analyzed and compared.

3. Planetary Hybrid Powertrain System Architecture

In this section, the representative PHPS architectures are introduced in detail according to the number of EMs, the number of the planetary gears, type of transmission and clutch-brake, etc.

3.1. PHPS with Single EM

The PHPS with a single EM (denoted as SEM-PHPS) has the advantages of simple structure, easy to control and low-cost. Various SEM-PHPS architectures are proposed in the literatures. The initial image of the SEM-PHPS is as speed coupling with single planetary gear, used in parallel HEVs [46]. Enlightened by remarkable fuel efficiency of the power-split HEVs, some scholars have investigated multi-mode SEM-PHPS architectures, which realize necessary operating modes and gain comparable fuel economy to power-split HEVs with two electric motors [42,43,44,55,56,57,58,59,60,61]. By coupling the PG(s) with clutches or brakes, the SEM-PHPS can realize multiple operating modes to increase the system flexibility. Thus, the fuel efficiency can be improved by choosing a proper operating mode in different driving conditions. However, the additional wet clutches or brakes is required, leading to more complexity, cost and energy losses for the system [62,63]. Furthermore, longitudinal drivability degraded by abrupt torque drops while shifting gears [64]. To this end, a few clutchless multi-mode SEM-PHPS were recently proposed [43,65]. Motivated by the clutchless multi-mode HEVs, Sun, J.K et al. investigated the clutchless geared smart transmission (CGST) that consists of a PG, a dual-input gear box, and synchromeshes [38,41,66,67,68,69].
Hence, according to the number of planetary gears and type of transmission, the SEM-PHPS can be further classified into four categories, which are typically referred as type-a to type-d, shown in Figure 9a–d, respectively. In this section, typical architectures are analyzed and compared.

3.1.1. Type-a: SEM-PHPS with Single Planetary Gear and No Other Transmission

This kind of SEM-PHPS architecture with only one planetary gear is simplest and low-cost solution. The schematic of the representative compact hybrid planetary transmission drive (CHPD, invented by Szumanowski in 1994) powertrain system is shown in Figure 10a.
The CHPD with small volume and higher efficiency is similar to the hybrid drive applied in the Toyota Prius, in 1997. The main difference is the number of the EM(s). Details of the CHPD system can be found in [70,71]. The CHPD system can be considered as three-port transmission system. The ports e, m and o are connected with ICE, EM and output shaft, respectively, as shown in Figure 10b.
This architecture possesses simple layout, requiring smaller installation space and lower cost. However, it is only used as speed coupling, yielding worst overall performance compared to other SEM PHPS architectures.

3.1.2. Type-b: SEM-PHPS with Planetary Gear and Other Transmission

Type-b of SEM-PHPS architecture is an improvement of type-a by inserting other transmission (e.g., CVT) between planetary gear and output shaft. The added CVT is beneficial to overcome those shortcomings of type-a architecture and thus realize two ways of adjustment: the EM electric adjustment and the CVT mechanical adjustment. Generally, the metal belt is adopted in the CVT structure. The representative Chery Arrizo 7e [37,72] hybrid system, that has been mass-produced and put into the market, is shown in Figure 11. In addition, the one-way clutch (OWC) in the system can diminish fuel consumption and ICE wear. Compared to CHPD system, the Chery Arrizo 7e can realize torque coupling mode by engaging the clutch to connect the ring gear and carrier of PG together. The Arrizo 7e system can be considered as a three-port transmission system. Three ports e, m and o connected with ICE, EM and output shaft, respectively, as shown in Figure 11b.
To further improve the comprehensive operating performance of this architecture, Hu et al. explored a single motor hybrid powertrain configuration with dual planetary gears based on Arrizo 7e by increasing the number of PG to two, details can be found in [37]. In addition, Toyota corporation launched their THS-C system in 2001 [73], consisting of THS and CVT. The THS-C system has a special single PG with two rows of planets sharing the same planetary carrier, and it is excluded from consideration of this paper.
Compared to type-a architecture, the mechanism architecture is complex and costs more, which limits its application. Moreover, a motor is required for CVT to drive the hydraulic pump in the system, which exacerbates the complexity of the system. Thus, the overall effect of type-b architecture is not so ideal.

3.1.3. Type-c: SEM-PHPS with Compound Planetary Gears and No Other Transmission

Type-c is an improved architecture of aforementioned one by adding a second PG to form a 2-DOF compound PG(s). The 2-DOF compound PG(s) is composed of two conjoined simple PG to form four separated ports, including two compound ports (formed by two interconnected members of the two PGs) and two single ports. Three of the four separated ports can be linked to three powertrain components, and the fourth port should be constrained to have deterministic output. According to the combination of three powertrain components with four ports, there are four common types of connection: type-I, type-II, type-III and type-IV, as shown in Figure 12.
In this type of SEM-PHPS system, clutches and brakes are employed to control the multiple operation modes of the system. Thus, the fuel efficiency can be improved by choosing a proper operational mode depending on the driving conditions. Generally, the number of clutches and brakes used in system should not exceed four. The four existing specific architectures, corresponding with the four common types in Figure 12, are shown in Figure 13.
Figure 13a shows one of type-c with six operation modes proposed by Tsai et al. [44]. In this system, the EM and output shaft are connected to the compound PG(s) through two compound ports. The ICE is connected to one of the single ports via a clutch and the other is constrained by a brake. Tsai et al. patented a SEM-PHPS [57] architecture as shown in Figure 13d with five major operating modes, detailed analysis can be found in [55]. Compared to the previous architecture shown in Figure 13a, the main difference is that the ICE shaft can be coupled to the fourth free port via the clutch CL2. In addition, for further improvement, Tsai et al. [58] patented another SEM-PHPS architecture with five basic operating modes, and details can be found in [74]. In the new version system, the electric motor (EM) is integrated coaxially with the 2-DOF compound PG(s), the internal combustion engine (ICE) shaft can be coupled to the electric motor shaft through a clutch. The layout of the system is similar with the one proposed by Zhu et al. shown in Figure 13b, and the main difference is whether the electric motor is integrated coaxially with the PG(s). Compared to the three previous architectures developed by Tsai et al., the motor-integrated hybrid system can be incorporated not only in front-wheel-drive but also in rear-wheel-drive vehicles. However, it is not easy to realize in practice.
Figure 13b shows the architecture proposed by Zhu et al. [42], with sixteen basic operation modes. In this system, the ICE and output shaft are connected to the compound PG(s) through two compound ports. The EM is connected to one of the single ports directly and the other is constrained by a brake. In addition, the ICE shaft can be coupled to the EM shaft through the clutch CL2. In this architecture, the connection of the compound PG(s) is identical to that widely used in several conventional four-speed ATs. The cost and reliability of this architecture are superior to other completely redesigned transmissions because of using the components of the traditional four-speed ATs. In addition, the fuel economy potential of this architecture, proved by Zhu et al., is comparable to a benchmark “THS II-like” vehicle.
The SEM-PHPS architecture patented by Chachra et al. [60], is shown in Figure 13c. In this system, the output shaft is connected to one compound port and the ICE is connected to one single port via a clutch, while the EM can be coupled to the other two remainder ports through a clutch. This architecture can limit the re-circulating power in the system to a fraction of the input power.
These four hybrid systems can be considered as three-port system. The ports e, m and o are connected with three powertrain components ICE, EM and output shaft, respectively, as shown in Figure 14.
Compared to type-a and type-b architectures aforementioned, this type architecture can create a more fuel-efficient multi-mode PHPS. However, additional wet clutches and brakes using hydraulic components increase the complexity and cost of system.

3.1.4. Type-d: SEM-PHPS with Single Planetary Gear and Multiple Input Axis Gearboxes

Type-d, using multi-axis gearboxes instead of the second PG in type-c architecture, can realize multi-mode operation. This architecture is inspired by the automatic geared transmission (AGT). The AGT with no fluid coupler can gain better fuel economy than the CVT hybrid powertrain. However, conventional AGT hybrid vehicles have some disadvantages. For example, the AGT with one axle and single clutch [75] has a longer shifting time, which makes the driver uncomfortable. To prevent the power interruption, the AGT is devised by two axles with dual clutch (DCT) [76]. However, a general wet-clutch DCT has a higher energy loss and short lifetime. Therefore, other AGTs using a single planetary gear, with dual input axes like the DCT, were developed. Specifically, the PG combined with attached motor allows flexible torque or speed control depending on the number of connections to the dual input axes of the transmissions.
This type of architecture is mainly equipped with single PG, multi-axis gearboxes and synchromeshes. The multi-axis gearbox has two input axes connected with two ports of PG and one output axis linked to the output port of the system. Generally, the multi-axis gearbox is composed of various gear sets, which decide gear ratio of each gear step in the system. It is noted that the synchromesh in multi-axis gearboxes engages or disengages the gear mesh for gear shifting operation. In fact, various operational modes can be generated depending on the engagement combination of synchromeshes. In addition to being in the multi-axis gearboxes, the synchromesh may also be located at the port of PG connected with ICE or EM, as shown in Figure 15b,c.
This type architecture can be realized in various forms. Three representative schemes: one hybrid drive train (HDT) [59,77] with clutch (developed by Bachmann M), two so-called clutchless system—Hitachi active shift transmission (HAST) [65] (developed by Teshima T) and clutchless geared smart transmission (CGST) [67] (developed by Y-S Yoon), are shown in Figure 15a–c respectively. These three systems, with different type of the clutch and location of the synchromeshes, are different as the configurations of multi-axis gearboxes differ.
In the HDT system, the ICE is directly connected to one input axis of the multi-axis gearbox. Thus, it requires a clutch at the back of the ICE for starting the vehicle from the standing-still. The HAST system temporarily changes the power flow from the gear-train to a path through the PG while shifting gears without requiring a clutch. However, there are two changes in the power flow, and it inevitably requires long gear-trains. The CGST system, with similar multi-axis gearbox structure in HDT system, has a compact structure and can remarkably shorten the length of the power-train compared with HAST system. Table 3 compares the three hybrid systems and DCT system. As listed in Table 3, the CGST hybrid system has better comprehensive performance than the other systems. These three hybrid systems can also be considered as three-port system. Three ports e, m and o are connected with three powertrain components ICE, EM and output shaft, respectively, as shown in Figure 16.
This type architecture, different from type-c that adopted brakes or clutches, especially for the clutchless systems using synchromeshes and EM instead of clutches, has higher fuel efficiency and control flexibility. However, the use of the multi-axis gearboxes increases the length of the powertrain. As a summary, Table 4 listed the main advantages and disadvantages of the four type of SEM-PHPS architectures.

3.2. PHPS with Two EMs

The PHPS with two EMs (denoted as TEM-PHPS), that is composed of an internal combustion engine, two electric motors and planetary gear(s), is the mainstream in HEV market [26]. With the help of a planetary gear system and the two electric motors, the ICE speed can be decoupled from wheels speed to enable ICE operating efficiently in a wide range of vehicle speed. This kind of CVT is referred to as e-CVT by researchers. However, due to the unavoidable energy conversion between two electric motors (from the generator to the motor), the TEM-PHPS system has greater energy losses compared to SEM-PHPS in highway driving conditions.
At present, a variety of TEM-PHPS architectures have been commercialized. Three of the top selling architectures available in today’s HEV market, Toyota Prius, Chevrolet Volt and Ford Ford Hybrid System (FHS), all began with single-PG architectures. In recent years, power-split HEVs tend to use two PG(s) since double-PG(s) HEVs appear to have better performance than single-PG one, the above two currently popular HEVs were both changed to double-PG designs in 2010 and 2015 [78], respectively. Besides the vehicles mentioned above, another typical double-PG HEV introduced by General Motors (GM) has two e-CVT modes, known as the Allison hybrid system (AHS) [79]. GM announced the second generation of AHS later (called “two-mode hybrid”) with three planetary gears and four clutches [80]. According to the definition by GM, “the two-mode” refers to the combination of both e-CVT modes and fixed gear ratio modes. Compared to single-PG and double-PG(s) HEVs, multi-PG(s) HEVs can provide more design flexibility by switching clutch states to achieve multiple operating modes. By comparing multi-mode hybrid powertrains with multiple PG(s), Zhuang et al. considered that triple-PG hybrids have a slight efficiency improvement and better power performance compared to double-PG [81]. It is clear that the number of the PG(s) is one of the key factors influencing the performance of the TEM-PHPS system.
Therefore, according to the number of PG(s) and type of transmission, the TEM-PHPS can be classified into four main categories, which are typically referred as type-a to type-d, shown in Figure 17, respectively. In this section, representative architectures of each type are analyzed and compared.

3.2.1. Type-a: TEM-PHPS with Single Planetary Gear and No Other Transmission

This type of architecture is the most compact and low-cost of TEM-PHPS to realize the function of e-CVT. This architecture can be further included two categories: clutchless and with a clutch system. Toyota Prius [82] and Chevrolet Volt [83] are the most widely-known examples available on the market with single PG, as shown in Figure 18. However, these two systems can be very distinct in different component arrangements. The THS configuration, as shown in Figure 18a, in which the output shaft and the EM2 are connected to the same port of the planetary gear (known as input-split) without clutch, is called as clutchless system in this paper. For the Volt system, as shown in Figure 18b, where the ICE and the EM2 shared the same port of the planetary gear (known as output-split), using three clutches to realize four operating modes, is called the clutch system here. As shown in Figure 7b, the two hybrid systems can be considered as three-port system despite of having four powertrain components. Three ports e, m1 and o connected with three powertrain components ICE, EM1 and output shaft, respectively, as shown in Figure 18c,d. The function of EM2 is to supplement the ICE torque, thus allowing the ICE to operate in the high-efficiency regions.
Inspired by the different choices of clutch engagements and operating modes in Prius and Volt, Zhang et al. presented a thorough analysis on twelve possible single-PG configurations for this type by adding three clutches and proposed the Prius+ and Volt- designs to achieve considerable fuel economy improvement [84,85]. Bayrak et al. conducted a similar research using the bond graph technique [86]. In addition, Toyota Motor Co. obtained another patent license in 2000 [87], introducing another single-PG power output device (called THS with clutch). The main differences between this system and the THS are that the two components are separated or connected by a clutch between PG and EM2. It sets a brake to fix ring gear while clutch is separated to realize a series hybrid configuration and become a power-split hybrid configuration while clutch is engaged. However, production plans for the THS with clutch have not been found anywhere in the literature or automotive industry.
Compared to double-PG(s) or even multi-PG(s) architecture, this architecture is most compact and economical, whether having clutches or not, although its performance is the worst compared with the other types.

3.2.2. Type-b: TEM-PHPS with Single Planetary Gear and Other Transmission

Type-b architecture is an evolution of the type-a with an additional transmission between the single PG and the final drive, such as fixed gears. The schematic of the representative FHS (developed by Ford Motor Co.) is shown in Figure 19a. The inserted fixed gears (FG), as an output torque multiplier, is helpful to add further mechanical advantage to the EM and the ICE torque. The output torque multiplier model of FHS is analyzed in detail in [26,50], and further background can be found in [88]. The FHS was utilized in Escape, Ford hybrid vehicle produced in 2005. The FHS system can be considered as a four-port system. The four ports e, m1, m2 and o are connected with ICE, EM1, EM2 and output shaft, respectively, as shown in Figure 19b.
Compared to type-a architecture, the traction motor is always connected with the output shaft for type-b, and motor efficiency drops when the vehicle reaches high speeds.

3.2.3. Type-c: TEM-PHPS with Two Planetary Gears

This type of TEM-PHPS architecture, improved based on type-b architecture by replacing the fixed gears with a second planetary gear, can be further divided into single-mode and two-mode depending on the function of the additional planetary gear.
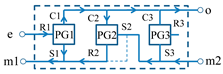
A typical single-mode architecture with dual-PG, launched by Toyota Motor Co. in 2005 [89], as shown in Figure 20a, is applied in Lexus RX400h, Camry and Lexus Highlander [90]. In this hybrid system, the dual-PG is conjoined together through the ring gear of two PG(s) forming one compound port where the power is coupled and transferred to the output drive shaft. In addition to the compound port, the dual-PG has four separated ports, and three of them are linked to ICE, EM1 and EM2, respectively, and the fourth port (C2) is constrained via a brake (B) to have deterministic output. Furthermore, the ICE is connected to the port of dual-PG via the torsional damper (TD). Hermance et al. conducted research on this architecture [91]. Compared with the THS system belonging to type-a of TEM-PHPS, this architecture can achieve better power and off-road. However, it still has only one operating mode due to the second PG is a simple gear mechanism [92]. In addition to this system with dual-PG, Toyota launched a special dual-planetary (a simple PG and a Ravigneaux planetary) configuration so-called THS-II [93], used in Lexus GS450h, Harrier, Kluger and Lexus LS600hL, which can achieve two different operation modes to fulfil different speed cycles.
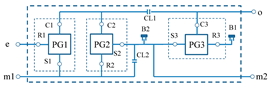
Different from the Toyota dual-PG system, the two-mode architecture with two simple PG(s) achieves a significant improvement over the Toyota THS by employing additional PG with clutches and brakes to realize compound split mode. The characteristic is that the 2-DOF compound PG(s) include two interconnected simple PG bonded by two compound branches inside the compound PG(s) and form four separate ports. The four separate ports, consisting of two single ports and two compound ports, generally linked to ICE, EM1, EM2 and output shaft, respectively, making up a four-port hybrid system. In this system, clutches and brakes are employed to control the multiple operation modes. Thus, the fuel efficiency can be improved by choosing a proper operational mode depending on the driving conditions. Zhang et al. suggested that the total number of clutches and brakes used in this architecture should not exceed four and proposed a Prius 2010++ configuration based on Prius 2010 (Figure 20a) [94].
A variety of two-mode with 2-PG(s) architectures have been put forth by GM-Allison, Renault, and the Timken Company. Figure 20b–e shows the schematic of four typical two-mode with 2-PG(s) systems. The main differences of these systems are the location of the powertrain components connected with the compound PG(s) and the number of the clutches and brakes. The GM AHS system with dual-PG [79], as shown in Figure 20b, having two operating modes, are suitable for both the high speed low load condition and the low speed high load condition. This system, mainly employed in Chevy Tahoe Hybrid and GMC Yukon Hybrid, is suitable for the SUV with higher power requirement. As shown in Figure 20c, the Timken EVT system, patented by GM Motor Co., is directed to improve the Schmidt powertrain [95] by reducing mechanical and control complexity [96]. The analysis of the Timken EVT can be found in [97]. Different from the GM Allison, the Renault IVT [98] hybrid system adopted dog clutches to achieve two modes, as shown in Figure 20d. Recently, a new typical two-mode with 2-DOF PG(s) was launched by GM Motor Co. in 2016, referred as the Voltec II [78,99] to replace the Voltec I (shown in Figure 18b), as shown in Figure 20e. The powertrain components layout of this system is similar with the Timken EVT system except the number and type of clutches. This system, having five operating modes including two e-CVT modes, one fixed gear ratio mode and two pure electric (EV) driving modes, has been applied to several popular production vehicles on the market, such as Chevy Volt, Malibu Hybrid, and Buick Velite5. Zhang et al. presented a detailed analysis of the Voltec II system as a case study for the systematic design methodology [100]. The four hybrid systems can be regarded as four-port transmission system. The four ports e, m1, m2 and o are connected with three powertrain components ICE, EM1, EM2 and output shaft, respectively, as shown in Figure 21b–e.
Compared to type-a and type-b architectures, type-c architecture, especially for two-mode, having more operating modes by adding PG and clutches, can optimize the engine operation points and thus improve the fuel economy. However, the design complexity and cost increase accordingly.

3.2.4. Type-d: TEM-PHPS with Multiple Planetary Gears

Type-d architecture, a further improvement of the GM Allison, having multiple modes by employing more than two PG(s) referred to multi-PG(s), can provide more design flexibility and achieve strong output torque reinforcement and better fuel economy. However, the additional PG(s) will certainly increase system complexity and cost.
A variety of TEM-PHPS with multi-PG(s) can be found in patent documents and academic literatures. For example, GM has a series of patents on multi-PG(s) hybrid system designs. One of designs comes from US patent has four PG(s) and five clutches although the fourth PG is not strictly necessary [101], while other designs mainly focus on triple-PG(s) architectures. A patent published in 1999 [102], introducing a triple-PG configuration, has a low utilization rate. In addition, the patents, published by the engineer of GM in 2007 [103], introducing fifteen kinds of triple-PG architecture, almost all possible architectures. Recently, Hendrickson et al. [104] and Meisel [105] introduced a new 2MT + 4FG configuration with three PG(s), which is known as 2MT70 and used in the Saturn Vue Green Line vehicle. However, it is usually considered as dual-PG architecture. In addition, an IVT system with four-PG(s) is developed by Renault, which differs from the GM designs that dog clutches are employed to realize two modes [98].
Two typical triple-PG architectures are analyzed in this section, as shown in Figure 22. The two-mode EVT referred to AHS with triple-PG(s) [95], as shown in Figure 22a, is successfully utilized in transit buses and is appropriate for many other heavy-duty stop-and-go applications [80]. This system achieves two modes of high speed and low speed via two clutches. A new triple-PG(s) architecture introduced by Tim M. Grewe, a modified design of AHS by adding two clutches CL2 and B2, is specifically designed for full-size SUVs and other personal trucks, as shown in Figure 22b [80]. The relevant patent is awarded to M. Schmidt in 2005 used for personal trucks [106]. This architecture is known as the two-mode hybrid (Allison Hybrid System-2 (AHS2)). The only slight difference between the design shown in the Figure 22b and the schematic of the patent is the location of the additional clutch CL2 that is linked to the carrier of the second PG in the latter. In both the cases, the engagement of the CL2 can lock the first two planetary gears, and all components will have the same angular speed. Compared to the AHS, two additional clutches in the AHS2 architecture are added to produce four fixed speed ratio (FG) modes. The analysis of the new architecture by Kaehler et al. shows that it is suitable for personal trucks since it can achieve maximum fuel economy at a reasonable cost [107]. In addition, Tamai G et al. described how fuel economy functionality was blended with full-size truck utility functions [108]. The AHS2 architecture was applied to the new version of Yukon and Tahoe vehicles.
The AHS and AHS2 architecture can be considered as four-port system. The four ports e, m1, m2 and o are connected with four powertrain components ICE, EM1, EM2 and output shaft, respectively, as shown in Table 5. The AHS2 system has the same EVT modes with the AHS, and the power flow of the main drive modes of the AHS2 are listed in Table 5. This provides the designer with insight into a method to show the power flow of the system, which is intuitive and easy to understand.
Compared to other types, it is flexible to operate in many power-split modes for type-d architecture. Thus, it is better than the other type architectures in both overall efficiency and power performance. However, this architecture is more complex and thus difficult to manufacture due to more PG(s), clutches and brakes than others. Furthermore, its control strategy is quite complicated. Table 6 summarizes the above four types of TEM-PHPS.

3.3. Summary

At present, PHPS with single EM and PHPS with two EMs are two primary architectures, and either can be divided into various sub-architectures according to the number of planetary gears.
By comparing different PHPS architectures, it can be observed that various architectures appear with different merits and may be applied in distinct vehicle types to fulfill various requirements. The SEM-HPS have the advantages of lower cost, lower power loss, and more compactness over the PHPS with two EMs, while the TEM-PHPS can achieve better fuel economy and larger output power. For the same number of powertrain components, less number of PG(s) implies a more compact transmission, while more PG(s) can increase the flexibility of the system and fuel economy. The modular design for whole vehicle configuration is a development direction of the PHPS in the future. Recently, a new type of multi-mode powertrain with two output shafts for tracked vehicles proposed by Zhaobo Qin et al., is composed of three EMs besides ICE and three planetary gears [109]. Thus, the hybrid powertrain system with multi-EMs (more than two) and two output shafts is another trend in heavy-duty vehicles.

4. Conclusions

As concerns of environment deterioration and energy supply security keep increasing, PHPS has been the mainstream on HEV market. The purpose of this review work is to classify and compare different PHPS architectures and provide insights into architecture selection and design. A new classification method for PHPS is systematically proposed to organize various HEV using planetary gears. As a critical step, two primary types of PHPS are identified to enable new classification suitable for HEV using planetary gears. In addition, the representative PHPS architectures are reviewed and organized in the new classification framework based on number of EM(s), number of planetary gears and type of transmission. Furthermore, the port diagram of representative PHPS powertrains is given, and provides the designer with a method to show the power flow of the system, which is intuitive and easy to understand. This review work, based on extensive references and industry products, not only provides an up-to-date summary of PHPS powertrain architecture, but also presents relationship of different architectures in the new classification framework.

Author Contributions

Wrote the original draft, L.W.; Supervised this research work, Y.C.; Edited and proofread the manuscript, F.Z.; Collected the literatures, G.L. All authors have read and agreed to the published version of the manuscript.

Funding

This research was funded by National Natural Science Foundation of China (Grant No. 51905419) and Natural Science Basic Research Plan in Shaanxi Province of China (No. 2019JQ-503), the Fundamental Research Fund for the Central Universities of China (grant No. 300102229514).

Conflicts of Interest

The authors declare no conflict of interest.

Abbreviations

HEVsHybrid Electric Vehicles
PHPSPlanetary Hybrid Powertrain System
EMsElectric Motors
ICEInternal Combustion Engine
CVTContinuously Variable Transmissions
e-CVTelectric Continuously Variable Transmissions
EVTElectric Variable Transmissions
PGsPlanetary Gears
DOFDegrees of Freedom
SAESociety of Automotive Engineers
SEMSingle Electric Motor
TEMTwo Electric Motor
CGSTClutchless Geared Smart Transmission
CHPTDCompact Hybrid Planetary Transmission Drive
OWCOne-Way Clutch
SSun gear
RRing gear
CCarrier
ATAutomatic Transmission
AGTAutomatic Geared Transmission
DCTDual Clutch Transmission
HDTHybrid Drive Train
HASTHitachi Active Shift Transmission
AHSAllison Hybrid System
FHSFord Hybrid System

References

  1. Schafer, A.; Victor, D.G. The Future Mobility of the World Population. Transp. Res. Part A Policy Pract. 2000, 34, 171–205. [Google Scholar] [CrossRef]
  2. Wee, J.-H. Contribution of Fuel Cell Systems to CO2 Emission Reduction in their Application Fields. Renew. Sustain. Energy Rev. 2010, 14, 735–744. [Google Scholar] [CrossRef]
  3. Conti, J.; Holtberg, P.; Diefenderfer, J.; LaRose, A.; Turnure, J.T.; Westfall, L. International Energy Outlook 2016 with Projections to 2040; Technical Report for USDOE; Energy Information Administration (EIA): Washington, DC, USA, 2016. [CrossRef]
  4. Mohr, S.; Wang, J.; Ellem, G.; Ward, J.; Giurco, D. Projection of World Fossil Fuels by Country. Fuel 2015, 141, 120–135. [Google Scholar] [CrossRef]
  5. Ramachandran, S.; Stimming, U. Well to Wheel Analysis of Low Carbon Alternatives for Road Traffic. Energy Environ. Sci. 2015, 8, 3313–3324. [Google Scholar] [CrossRef]
  6. Palencia, J.C.G.; Sakamaki, T.; Araki, M.; Shiga, S. Impact of Powertrain Electrification, Vehicle Size Reduction and Lightweight Materials Substitution on Energy Use, CO2 Emissions and Cost of a Passenger Light-Duty Vehicle Fleet. Energy 2015, 93, 1489–1504. [Google Scholar] [CrossRef]
  7. Global Comparison of Light-Duty Vehicle Fuel Economy/GHG Emissions Standards. Available online: https://theicct.org/sites/default/files/ICCT_PVStd_Aug2011_web.pdf (accessed on 1 August 2011).
  8. Johnson, T.; Joshi, A. Review of Vehicle Engine Efficiency and Emissions. SAE Int. J. Engines 2018, 11, 1307–1330. [Google Scholar] [CrossRef]
  9. Huang, Y.; Surawski, N.C.; Organ, B.; Zhou, J.L.; Tang, O.H.; Chan, E.F. Fuel Consumption and Emissions Performance under Real Driving: Comparison between Hybrid and Conventional Vehicles. Sci. Total. Environ. 2019, 659, 275–282. [Google Scholar] [CrossRef] [PubMed]
  10. Zhou, Y.; Wang, M.; Hao, H.; Johnson, L.; Wang, H. Plug-In Electric Vehicle Market Penetration and Incentives: A Global Review. Mitig. Adapt. Strateg. Glob. Chang. 2015, 20, 777–795. [Google Scholar] [CrossRef]
  11. Sabri, M.; Danapalasingam, K.; Rahmat, M. A Review on Hybrid Electric Vehicles Architecture and Energy Management Strategies. Renew. Sustain. Energy Rev. 2016, 53, 1433–1442. [Google Scholar] [CrossRef]
  12. Mintz, M.; Han, J.; Burnham, A. Alternative and Renewable Gaseous Fuels to Improve Vehicle Environmental Performance. In Alternative Fuels and Advanced Vehicle Technologies for Improved Environmental Performance; Elsevier: Amsterdam, The Netherlands, 2014; pp. 90–116. [Google Scholar]
  13. Sadeghinezhad, E.; Kazi, S.; Badarudin, A.; Oon, C.; Zubir, M.; Mehrali, M. A Comprehensive Review of Bio-Diesel as Alternative Fuel for Compression Ignition Engines. Renew. Sustain. Energy Rev. 2013, 28, 410–424. [Google Scholar] [CrossRef]
  14. Sutula, R.A.; Heitner, K.L.; Rogers, S.A.; Duong, T.Q.; Kirk, R.S.; Kumar, B.; Schonefeld, C. Advanced Automotive Technologies Energy Storage R&D Programs at the US Department of Energy-Recent Achievements and Current Status; SAE Technical Paper 0148-7191; SAE International: Warrendale, PA, USA, 2000. [Google Scholar]
  15. Fang, H.-Y.; Wang, J.; Liu, K.-Q. Automotive Industry Energy Analysis and Energy-Saving Technology Research. Automob. Parts 2009, 35, 42–45. [Google Scholar]
  16. Ehsani, M.; Gao, Y.; Longo, S.; Ebrahimi, K. Modern Electric, Hybrid Electric, and Fuel Cell Vehicles; CRC Press: Boca Raton, FL, USA, 2018. [Google Scholar]
  17. Nikowitz, M. Advanced Hybrid and Electric Vehicles— System Optimization and Vehicle Integration; Springer: New York, NY, USA, 2016; pp. 1–3. [Google Scholar]
  18. Veneri, O. Technologies and Applications for Smart Charging of Electric and Plug-In Hybrid Vehicles; Springer: New York, NY, USA, 2017. [Google Scholar]
  19. Emadi, A.; Lee, Y.J.; Rajashekara, K. Power Electronics and Motor Drives in Electric, Hybrid Electric, and Plug-In Hybrid Electric Vehicles. IEEE Trans. Ind. Electron. 2008, 55, 2237–2245. [Google Scholar] [CrossRef]
  20. Hawkins, T.R.; Gausen, O.M.; Strømman, A.H. Environmental Impacts of Hybrid and Electric Vehicles—A Review. Int. J. Life Cycle Assess. 2012, 17, 997–1014. [Google Scholar] [CrossRef]
  21. Wu, G.; Zhang, X.; Dong, Z. Powertrain Architectures of Electrified Vehicles: Review, Classification and Comparison. J. Frankl. Inst. 2015, 352, 425–448. [Google Scholar] [CrossRef]
  22. Liu, Y.; Li, J.; Chen, Z.; Qin, D.; Zhang, Y. Research on a Multi-Objective Hierarchical Prediction Energy Management Strategy for Range Extended Fuel Cell Vehicles. J. Power Sources 2019, 429, 55–66. [Google Scholar] [CrossRef]
  23. Chan, C.C. The State of the Art of Electric, Hybrid, and Fuel Cell Vehicles. Proc. IEEE 2007, 95, 704–718. [Google Scholar] [CrossRef]
  24. Hannan, M.; Azidin, F.; Mohamed, A. Hybrid Electric Vehicles and Their Challenges: A Review. Renew. Sustain. Energy Rev. 2014, 29, 135–150. [Google Scholar] [CrossRef]
  25. Zhang, F.; Hu, X.; Langari, R.; Cao, D. Energy Management Strategies of Connected HEVs and PHEVs: RECENT Progress and Outlook. Prog. Energy Combust. Sci. 2019, 73, 235–256. [Google Scholar] [CrossRef]
  26. Miller, J.M. Hybrid Electric Vehicle Propulsion System Architectures of the e-CVT type. IEEE Trans. Power Electron. 2006, 21, 756–767. [Google Scholar] [CrossRef]
  27. Emadi, A.; Rajashekara, K.; Williamson, S.S.; Lukic, S.M. Topological Overview of Hybrid Electric and Fuel Cell Vehicular Power System Architectures and Configurations. IEEE Trans. Veh. Technol. 2005, 54, 763–770. [Google Scholar] [CrossRef]
  28. Ehsani, M.; Gao, Y.; Miller, J.M. Hybrid Electric Vehicles: Architecture and Motor Drives. Proc. IEEE 2007, 95, 719–728. [Google Scholar] [CrossRef]
  29. Miller, J.M. Propulsion Systems for Hybrid Vehicles, 2nd ed.; The Institution of Engineering and Technology: London, UK, 2010; p. 67. [Google Scholar]
  30. Brendan, C. Comparative Analysis of Single and Combined Hybrid Electrically Variable Transmission Operating Mode. SAE Trans. 2005, 1265–1275. [Google Scholar] [CrossRef]
  31. Bertoluzzo, M.; Bolognesi, P.; Buja, G. Role and Technology of the Power Split Apparatus in Hybrid Electric Vehicles. IEEE Trans. Control. Syst. Technol. 2007. [Google Scholar] [CrossRef]
  32. Wang, Y.; Cheng, M.; KT, C. Review of Electronic-Continuously Variable Transmission Propulsion System for Full Hybrid Electric Vehicles. J. Asian Electr. Veh. 2009, 7, 1297–1302. [Google Scholar] [CrossRef]
  33. Wei, D.; Fuwu, Y.; Changqing, D. Powertrain Control Strategies Overview for Hybrid Electric Vehicles. In Proceedings of the 2010 Asia-Pacific Power and Energy Engineering Conference, Chengdu, China, 28–31 March 2010. [Google Scholar]
  34. Dong, J.; Dong, Z.; Crawford, C. Review of Continuously Variable Transmission Powertrain System for Hybrid Electric Vehicles. In Proceedings of the ASME 2011 International Mechanical Engineering Congress & Exposition, Denver, CO, USA, 11–17 November 2011; ASME: New York, NY, USA, 2012. [Google Scholar]
  35. Cheng, Y.; Cheng, M. EVT and E-CVT for Full Hybrid Electric Vehicles. Encycl. Automot. Eng. 2014, 1–9. [Google Scholar] [CrossRef]
  36. Yang, Y.; Ali, K.A.; Roeleveld, J.; Emadi, A. State-Of-The-Art Electrified Powertrains-Hybrid, Plug-In, and Electric Vehicles. Int. J. Powertrains 2016, 5, 1. [Google Scholar] [CrossRef]
  37. Hu, J.; Mei, B.; Peng, H.; Jiang, X. Optimization Design and Analysis for a Single Motor Hybrid Powertrain Configuration with Dual Planetary Gears. Appl. Sci. 2019, 9, 707. [Google Scholar] [CrossRef]
  38. Kim, S.J.; Kim, K.-S.; Kum, D. Feasibility Assessment and Design Optimization of a Clutchless Multimode Parallel Hybrid Electric Powertrain. IEEE/ASME Trans. Mechatron. 2016, 21, 774–786. [Google Scholar] [CrossRef]
  39. Yang, Y.; Hu, X.; Pei, H.; Peng, Z. Comparison of Power-Split and Parallel Hybrid Powertrain Architectures with a Single Electric Machine: Dynamic Programming Approach. Appl. Energy 2016, 168, 683–690. [Google Scholar] [CrossRef]
  40. Ngo, H.-T.; Yan, H.-S. Novel Configurations for Hybrid Transmissions Using a Simple Planetary Gear Train. J. Mech. Robot. 2016, 8, 021020. [Google Scholar] [CrossRef]
  41. Yoon, Y.-S.; Kim, S.; Kim, K.-S. Conceptual Design of Economic Hybrid Vehicle System Using Clutchless Geared Smart Transmission. Int. J. Automot. Technol. 2013, 14, 779–784. [Google Scholar] [CrossRef]
  42. Zhu, F.; Chen, L.; Yin, C. Design and Analysis of a Novel Multimode Transmission for a HEV Using a Single Electric Machine. IEEE Trans. Veh. Technol. 2013, 62, 1097–1110. [Google Scholar] [CrossRef]
  43. Zhang, Y.; Lin, H.; Zhang, B.; Mi, C. Performance Modeling and Optimization of a Novel Multi-Mode Hybrid Powertrain. J. Mech. Des. 2006, 128, 79–89. [Google Scholar] [CrossRef]
  44. Tsai, L.-W. Design of a Paper Regulating Gearbox for Parallel Hybrid Electric Vehicles. Available online: https://drum.lib.umd.edu/bitstream/handle/1903/5746/TR_96-16.pdf?sequence=1&isAllowed=y (accessed on 29 February 1996).
  45. Wen, S. New Energy Vehicles and Intelligent Technologies; Southeast University Press: Nanjing, China, 2017. [Google Scholar]
  46. Szumanowski, A. Hybrid Electric Vehicle Drives Design Edition Based on Urban Buses; Beijing Institute of Technology Press: Beijing, China, 2007. [Google Scholar]
  47. Zhao, H. Hybrid Electric Vehicle Technology; China Machine Press: Beijing, China, 2012. [Google Scholar]
  48. Yao, M.; Qin, D.; Zhou, X.; Zhan, S.; Zeng, Y. Integrated Optimal Control of Transmission Ratio and Power Split Ratio for a CVT-Based Plug-In Hybrid Electric Vehicle. Mech. Mach. Theory 2019, 136, 52–71. [Google Scholar] [CrossRef]
  49. Mayet, C.; Welles, J.; Bouscayrol, A.; Hofman, T.; Lemaire-Semail, B. Influence of a CVT on the Fuel Consumption of a Parallel Medium-Duty Electric Hybrid Truck. Math. Comput. Simul. 2018, 158, 120–129. [Google Scholar] [CrossRef]
  50. Miller, J.M.; Everett, M. An Assessment of Ultra-Capacitors as the Power Cache in TOYOTA THS-II, GM-Allision AHS-2 and Ford FHS Hybrid Propulsion Systems. In Proceedings of the Twentieth Annual IEEE Applied Power Electronics Conference and Exposition, Austin, TX, USA, 6–10 March 2005; IEEE: Piscataway, NJ, USA, 2005. [Google Scholar]
  51. Tinelli, V.; Galvagno, E.; Velardocchia, M. Dynamic Analysis and Control of a Dual Mode Electrically Variable Transmission. In Advances in Mechanism and Machine Science; Springer: New York, NY, USA, 2019; Volume 73, pp. 3731–3740. [Google Scholar]
  52. Reif, K.; Noreikat, K.E.; Borgeest, K. Kraftfahrzeug-Hybridantriebe: Grundlagen, Komponenten, Systeme, Anwendungen; Springer Fachmedien Wiesbaden: Wiesbaden, Germany, 2012. [Google Scholar]
  53. Gao, Y.; Ehsani, M.; Miller, J.M. Hybrid Electric Vehicle: Overview and State of the Art. In Proceedings of the IEEE International Symposium on Industrial Electronics, Dubrovnik, Croatia, 20–23 June 2005. [Google Scholar]
  54. Wan, Y.; Liu, T. Scheme Selection Theory and Optimization of Planetary Gearbox; National Defense Industry Press: Beijing, China, 1997. [Google Scholar]
  55. Tsai, L.W.; Schultz, G.; Higuchi, N. A Novel Parallel Hybrid Transmission. J. Mech. Des. 2001, 123, 161–168. [Google Scholar] [CrossRef]
  56. A Motor-Integrated Parallel Hybrid Transmission. Available online: https://escholarship.org/uc/item/1nm1408v (accessed on 2 October 2002).
  57. Tsai, L.-W.; Schultz, G.A. Transmission Gearbox for Parallel Hybrid Electric Vehicles. U.S. Patent 6592484B1, 15 July 2003. [Google Scholar]
  58. Tsai, L.-W.; Schultz, G. Motor integrated parallel hybrid transmission. U.S. Patent 6,837,816, 4 January 2005. [Google Scholar]
  59. Bachmann, M. Hybrid Drive Train of a Motor Vehicle. U.S. Patent 2010/0009805, 14 January 2010. [Google Scholar]
  60. Chachra, D.; Seth, B. Hybrid Transmission System. U.S. Patent 7753816B2, 13 July 2010. [Google Scholar]
  61. Turnbull, P.F.; Conlon, B.M.; Holmes, A.G.; Swales, S.H. Electrically Variable Transmission. U.S. Patent 8585520, 19 November 2013. [Google Scholar]
  62. Newcomb, T.; Spurr, R. Friction Materials in MJ Neale. In Tribology Handbook; Butterworths: London, UK, 1996. [Google Scholar]
  63. Zagrodzki, P. Analysis of Thermomechanical Phenomena in Multidisc Clutches and Brakes. Wear 1990, 140, 291–308. [Google Scholar] [CrossRef]
  64. Heijden, A.V.D.; Serrarens, A.; Camlibel, M.; Nijmeijer, H. Hybrid Optimal Control of Dry Clutch Engagement. Int. J. Control. 2007, 80, 1717–1728. [Google Scholar] [CrossRef]
  65. Teshima, T.; Uezono, S.; Izumi, S.; Sakamoto, H.; Ibamoto, M.; Heath, R. Experimental Manufactured Car of Hybrid System (HAST); JSAE Paper No. 20065638; JSAE: Tokyo, Japan, 2006. [Google Scholar]
  66. Yoon, Y.-S.; Kim, K.S.; Kim, S.J. Clutchless Geared Smart Transmission; SAE Technical Paper 2011-01-2031; SAE International: Warrendale, PA, USA, 2011. [Google Scholar] [CrossRef]
  67. Kim, S.J.; Song, C.; Km, S.K.; Yoon, Y.-S. Analysis of the shifting behavior of a novel clutchless geared smart transmission. Int. J. Automot. Technol. 2014, 15, 125–134. [Google Scholar] [CrossRef]
  68. Son, H.; Yoon, Yo.; Kim, S.J.; Song, C.; Kim, K. Economic Hybrid Transmission System Using Clutchless Geared Manual Transmission. 2015. Available online: http://www.evs28.org/event_file/event_file/1/pfile/EVS28_Full%20papers_4.pdf (accessed on 3 May 2015).
  69. Kim, S.J.; Yoon, Y.-S.; Kim, S.; Kim, K.-S. Fuel Economy Assessment of Novel Multi-Mode Parallel Hybrid Electric Vehicle. Int. J. Automot. Technol. 2015, 16, 501–512. [Google Scholar] [CrossRef]
  70. Szumanowski, A.; Piórkowski, P.; Hajduga, A.; Ngueyen, K. The Approach to Proper Control of Hybrid Drive. In Proceedings of the World Electric Vehicle Symposium and Exposition (EVS) EVS17, Montreal, QC, Canada, 2000. [Google Scholar]
  71. Szumanowski, A. Hybrid Electric Vehicle Drives Design; Publishing and Printing House of the Institute for Sustainable Technologies-NRI: Warsaw, Poland, 2006. [Google Scholar]
  72. Liu, G.-R.; Zhou, M.-Z.; Wang, L.-L.; Wang, H. A Radar-Based Door Open Warning Technology for Vehicle Active Safety. In Proceedings of the 2016 International Conference on Information System and Artificial Intelligence (ISAI), Hongkong, China, 24–26 June 2016; IEEE: Piscataway, NJ, USA, 2017. [Google Scholar]
  73. Oba, H.; Yamanaka, A.; Katsuta, H.; Kamichi, K. Development of a Hybrid Powertrain System Using CVT in a Minivan; SAE Technical Paper 0148-7191; SAE International: Warrendale, PA, USA, 2002. [Google Scholar]
  74. Tsai, L.W.; Schultz, G. A Motor-Integrated Parallel Hybrid Transmission. J. Mech. Des. Sep. 2002, 126, 889–894. [Google Scholar] [CrossRef][Green Version]
  75. Shin, S.; Oh, J.; Kim, J.; Hong, S. A Method of Gear-Shift in Parallel Hybrid Electric Vehicle Using Motor Control; SAE Technical Paper 0148-7191; SAE International: Warrendale, PA, USA, 2010. [Google Scholar]
  76. Kulkarni, M.; Shim, T.; Zhang, Y. Shift Dynamics and Control of Dual-Clutch Transmissions. Mech. Mach. Theory 2007, 42, 168–182. [Google Scholar] [CrossRef]
  77. Gelb, G.H.; Richardson, N.; Wang, T.; Berman, B. An Electromechanical Transmission for Hybrid Vehicle Power Trains–Design and Dynamometer Testing. SAE Trans. 1971, 80, 915–929. [Google Scholar]
  78. Duhon, A.N.; Sevel, K.S.; Tarnowsky, S.A.; Savagian, P.J. Chevrolet Volt Electric Utilization. SAE Int. J. Altern. Powertrains 2015, 4, 269–276. [Google Scholar] [CrossRef]
  79. Holmes, A.G.; Klemen, D.; Schmidt, M.R. Electrically Variable Transmission with Selective Input Split, Compound Split, Neutral and Reverse Modes. U.S. Patent 6527658B2, 4 March 2003. [Google Scholar]
  80. Grewe, T.M.; Conlon, B.M.; Holmes, A.G. Defining the General Motors 2-Mode Hybrid Transmission. 2007. Available online: https://documents.epfl.ch/users/f/fr/froulet/www/Hybrid/HybridVehiclessession5-1.pdf (accessed on 16 April 2007).
  81. Zhuang, W.; Zhang, X.; Ding, Y.; Wang, L.; Hu, X. Comparison of Multi-Mode Hybrid Powertrains with Multiple Planetary Gears. Appl. Energy 2016, 178, 624–632. [Google Scholar] [CrossRef]
  82. Koide, T.; Matsui, H.; Nada, M. Hybrid Vehicle Drive System Having Two Motor/Generator Units and Engine Starting Means. U.S. Patent 5,934,395, 10 August 1999. [Google Scholar]
  83. Miller, M.A.; Holmes, A.G.; Conlon, B.M.; Savagian, P. The GM “Voltec” 4ET50 Multi-Mode Electric Transaxle. SAE Int. J. Engines 2011, 4, 1102–1114. [Google Scholar] [CrossRef]
  84. Zhang, X.; Peng, H.; Sun, J. Fellow, IEEE. Prius(+) and Volt(-)_ Configuration Analysis of Power-Split Hybrid Vehicles With a Single Planetary Gear. IEEE Trans. Veh. Technol. 2012, 61, 3544–3552. [Google Scholar] [CrossRef]
  85. Li, C.-T.; Zhang, X.; Peng, H. Design of Power-Split Hybrid Vehicles with a Single Planetary Gear. In Proceedings of the ASME 2012 5th Annual Dynamic Systems and Control Conference joint with the JSME 2012 11th Motion and Vibration Conference, Fort Lauderdale, FL, USA, 17–19 October 2012. [Google Scholar]
  86. Bayrak, A.E.; Ren, Y.; Papalambros, P.Y. Design of hybrid-electric vehicle architectures using auto-generation of feasible driving modes. In Proceedings of the ASME 2013 International Design Engineering Technical Conferences and Computers and Information in Engineering Conference, Portland, OR, USA, 4–7 Augest 2013; American Society of Mechanical Engineers: New York, NY, USA, 2013; p. V001T01A005. [Google Scholar]
  87. Hata, H.; Matsui, H.; Ibaraki, R. Power Output Device, Hybrid Vehicle, and Method of Controlling Them. U.S. Patent 6886648B1, 3 May 2005. [Google Scholar]
  88. Shen, S.; Veldpaus, F.E. Analysis and Control of a Flywheel Hybrid Vehicular Powertrain. Control. Syst. Technol. IEEE Trans. 2004, 12, 645–660. [Google Scholar] [CrossRef]
  89. Kikuchi, Y. Power Output Apparatus, Motor Vehicle Equipped with Power Output Apparatus, and Control Method of Power Output Apparatus. CN101248260B, 27 April 2011. [Google Scholar]
  90. Kimura, A.; Ando, I.; Itagaki, K. Development of Hybrid System for SUV; SAE Technical Paper 0148-7191; SAE International: Warrendale, PA, USA, 2005; Available online: https://pdfs.semanticscholar.org/649c/24f178eeb049bd69e978b4cddd3565cd1edf.pdf (accessed on 11 April 2005).
  91. Hermance, D.; Abe, S. Hybrid Vehicles Lessons Learned and Future Prospects; SAE Technical Paper; SAE International: Warrendale, PA, USA, 2006. [Google Scholar]
  92. Muta, K.; Yamazaki, M.; Tokieda, J. Development of New-Generation Hybrid System THS II-Drastic Improvement of Power Performance and Fuel Economy; SAE Technical Paper 0148-7191; SAE International: Warrendale, PA, USA, 2004. [Google Scholar]
  93. Kamichi, K.; Okasaka, K.; Tomatsuri, M.; Matsubara, T.; Kaya, Y.; Asada, H. Hybrid System Development for a High-Performance Rear Drive Vehicle; SAE Technical Paper 0148-7191; SAE International: Warrendale, PA, USA, 2006. [Google Scholar]
  94. Zhang, X.; Peng, H.; Sun, J.; Li, S.E. Automated Modeling and Mode Screening for Exhaustive Search of Double-Planetary-Gear Power Split Hybrid Powertrains; ASME Paper No. DSCC2014-6028; ASME: New York, NY, USA, 2014. [Google Scholar] [CrossRef]
  95. Schmidt, M.R. Two-Mode, Compound-Split Electro-Mechanical Vehicular Transmission. U.S. Patent 5,931,757, 3 August 1999. [Google Scholar]
  96. Holmes, A.G.; Schmidt, M.R. Hybrid Electric Powertrain Including a Two-Mode Electrically Variable Transmission. U.S. Patent 6,478,705, 12 November 2002. [Google Scholar]
  97. Ai, X.; Mohr, T.; Anderson, S. An Electro-Mechanical Infinitely Variable Speed Transmission. SAE Trans. 2004, 113, 96–110. [Google Scholar]
  98. Villeneuve, A.M. Dual Mode Electric Infinitely Variable Transmission; SAE Technical Paper; SAE International: Warrendale, PA, USA, 2004. [Google Scholar]
  99. Conlon, B.M.; Blohm, T.; Harpster, M.; Holmes, A.; Palardy, M.; Tarnowsky, S.; Zhou, L. The Next Generation “Voltec” Extended Range EV Propulsion System. SAE Int. J. Altern. Powertrains 2015, 4, 248–259. [Google Scholar] [CrossRef]
  100. Zhang, X.; Li, S.E.; Peng, H.; Sun, J. Design of Multimode Power-Split Hybrid Vehicles—A Case Study on the Voltec Powertrain System. IEEE Trans. Veh. Technol. 2016, 65, 4790–4801. [Google Scholar] [CrossRef]
  101. Schmidt, M.R. Four-Mode, Input-Split, Paralell, Hybrid Transmission. U.S. Patent 5,571,058, 5 November 1996. [Google Scholar]
  102. Schmidt, M.R. Electro-Mechanical Powertrain. U.S. Patent 5,935,035, 10 August 1999. [Google Scholar]
  103. Raghavan, M.; Bucknor, N.K.; Hendrickson, J.D. Electrically Variable Transmission Having Three Planetary Gear Sets and Three Fixed Interconnections. WO2006073705A2, 13 July 2006. [Google Scholar]
  104. Hendrickson, J.; Holmes, A.; Freiman, D. General Motors front Wheel Drive Two-Mode Hybrid Transmission; SAE Technical Paper 0148-7191; SAE International: Warrendale, PA, USA, 2009. [Google Scholar]
  105. Meisel, J. An Analytic Foundation for the Two-Mode Hybrid-Electric Powertrain with a Comparison to the Single-Mode Toyota Prius THS-II Powertrain; SAE Technical Paper 0148-7191; SAE International: Warrendale, PA, USA, 2009. [Google Scholar]
  106. Schmidt, M.R.; Klemen, D.; Nitz, L.T.; Holmes, A.G. Two-Mode, Compound-Split, Hybrid Electro-Mechanical Transmission Having Four Fixed Ratios. U.S. Patent 6953409B2, 11 October 2005. [Google Scholar]
  107. Kaehler, B.; Kersting, K.; Brouwer, M.; Christ, T. Design Criteria, Methods of Analysis, and Evaluation of Power Split Transmissions Explained through a Two-Mode Hybrid Application. In Proceedings of the Aachen Colloquium Automobile and Engine Technology, Aachen, Germany, 8–10 October 2007. [Google Scholar]
  108. Tamai, G.; Reeves, S.; Grewe, T.H. Truck Utility & Functionality in the GM 2-Mode Hybrid. SAE Int. J. Engines 2010, 3, 620–630. [Google Scholar]
  109. Qin, Z.; Luo, Y.; Zhuang, W.; Pan, Z.; Li, K.; Peng, H. Simultaneous Optimization of Topology, Control and Size for Multi-Mode Hybrid Tracked Vehicles. Appl. Energy 2018, 212, 1627–1641. [Google Scholar] [CrossRef]
Figure 1. Three architectures of hybrid electric vehicles (HEVs): (a) series; (b) parallel; (c) power-split. (FT—fuel tank; BP—battery pack; ICE—internal combustion engine; G—generator; M—motor; EC—electro-electric coupling; T—transmission; DW—drive wheel; EMC—electro-mechanical coupling; MC—mode choose; Energies 13 00329 i001 unidirectional power flow; Energies 13 00329 i002 bidirectional power flow).
Figure 1. Three architectures of hybrid electric vehicles (HEVs): (a) series; (b) parallel; (c) power-split. (FT—fuel tank; BP—battery pack; ICE—internal combustion engine; G—generator; M—motor; EC—electro-electric coupling; T—transmission; DW—drive wheel; EMC—electro-mechanical coupling; MC—mode choose; Energies 13 00329 i001 unidirectional power flow; Energies 13 00329 i002 bidirectional power flow).
Energies 13 00329 g001
Figure 2. Classification of power-split HEVs.
Figure 2. Classification of power-split HEVs.
Energies 13 00329 g002
Figure 3. Electromechanical power coupling system schematic.
Figure 3. Electromechanical power coupling system schematic.
Energies 13 00329 g003
Figure 4. Existing electromechanical power coupling systems.
Figure 4. Existing electromechanical power coupling systems.
Energies 13 00329 g004
Figure 5. Conceptual illustration of the planetary hybrid powertrain system (PHPS).
Figure 5. Conceptual illustration of the planetary hybrid powertrain system (PHPS).
Energies 13 00329 g005
Figure 6. (a) Planetary gear scheme; (b) three-port diagram. (1—sun gear (S); 2—ring gear (R); 3—carrier (C); 4—planet gear (PG)).
Figure 6. (a) Planetary gear scheme; (b) three-port diagram. (1—sun gear (S); 2—ring gear (R); 3—carrier (C); 4—planet gear (PG)).
Energies 13 00329 g006
Figure 7. Typical 2—DOF PG(s) system: (a) three-port device with three PC; (b) three-port device with four PC; (c) four-port device with four PC. (PC—powertrain components; PG—planetary gear.)
Figure 7. Typical 2—DOF PG(s) system: (a) three-port device with three PC; (b) three-port device with four PC; (c) four-port device with four PC. (PC—powertrain components; PG—planetary gear.)
Energies 13 00329 g007
Figure 8. Classification of the PHPS: (a) PHPS with single EM; (b) PHPS with two EMs (O—output).
Figure 8. Classification of the PHPS: (a) PHPS with single EM; (b) PHPS with two EMs (O—output).
Energies 13 00329 g008
Figure 9. Four configurations of single EM (SEM)-PHPS: (a) type-a; (b) type-b; (c) type-c; (d) type-d. (OT—other transmission; Ms-G—multi-axis gearbox; O—output.).
Figure 9. Four configurations of single EM (SEM)-PHPS: (a) type-a; (b) type-b; (c) type-c; (d) type-d. (OT—other transmission; Ms-G—multi-axis gearbox; O—output.).
Energies 13 00329 g009
Figure 10. Type-a typical architecture: (a) the basic compact hybrid planetary transmission drive (CHPTD); (b) three-port diagram. (RG—reduced gear; CL—clutch; B—brake).
Figure 10. Type-a typical architecture: (a) the basic compact hybrid planetary transmission drive (CHPTD); (b) three-port diagram. (RG—reduced gear; CL—clutch; B—brake).
Energies 13 00329 g010
Figure 11. Type-b typical architecture: (a) Arrizo 7e; (b) Three-port diagram. (OWC—one way clutch).
Figure 11. Type-b typical architecture: (a) Arrizo 7e; (b) Three-port diagram. (OWC—one way clutch).
Energies 13 00329 g011
Figure 12. Four common connections of 2-DOF compound PG(s): (a) Type-I; (b) Type-II; (c) Type-III; (d) Type-IV.
Figure 12. Four common connections of 2-DOF compound PG(s): (a) Type-I; (b) Type-II; (c) Type-III; (d) Type-IV.
Energies 13 00329 g012
Figure 13. Type-c typical architecture developed by (a) Tsai; (b) Zhu; (c) Chachra; (d) Tsai.
Figure 13. Type-c typical architecture developed by (a) Tsai; (b) Zhu; (c) Chachra; (d) Tsai.
Energies 13 00329 g013
Figure 14. Port diagram of typical architecture developed by (a) Tsai; (b) Zhu; (c) Chachra; (d) Tsai.
Figure 14. Port diagram of typical architecture developed by (a) Tsai; (b) Zhu; (c) Chachra; (d) Tsai.
Energies 13 00329 g014
Figure 15. Type-d SEM PHPS architecture: (a) hybrid drive train (HDT); (b) Hitachi active shift transmission (HAST); (c) clutchless geared smart transmission (CGST). (Ms-G—multi-axis gearbox; FG—fixed gear; SM—synchromeshes; Ps—path switch; CL—clutch.).
Figure 15. Type-d SEM PHPS architecture: (a) hybrid drive train (HDT); (b) Hitachi active shift transmission (HAST); (c) clutchless geared smart transmission (CGST). (Ms-G—multi-axis gearbox; FG—fixed gear; SM—synchromeshes; Ps—path switch; CL—clutch.).
Energies 13 00329 g015
Figure 16. Port diagram of a typical architecture: (a) HDT; (b) HAST; (c) CGST.
Figure 16. Port diagram of a typical architecture: (a) HDT; (b) HAST; (c) CGST.
Energies 13 00329 g016aEnergies 13 00329 g016b
Figure 17. Four architecture types of two EMs PHP: (a) type-a; (b) type-b; (c) type-c; (d) type-d. (OT—other transmission; M-PG(s)—multi-planetary gear(s)).
Figure 17. Four architecture types of two EMs PHP: (a) type-a; (b) type-b; (c) type-c; (d) type-d. (OT—other transmission; M-PG(s)—multi-planetary gear(s)).
Energies 13 00329 g017
Figure 18. Type-a architecture: (a) Clutchless system-THS; (b) With clutch system-Volt; (c) Three-port diagram of THS; (d) Three-port diagram of Volt.
Figure 18. Type-a architecture: (a) Clutchless system-THS; (b) With clutch system-Volt; (c) Three-port diagram of THS; (d) Three-port diagram of Volt.
Energies 13 00329 g018
Figure 19. Type-b architecture: (a) FHS; (b) four-port diagram.
Figure 19. Type-b architecture: (a) FHS; (b) four-port diagram.
Energies 13 00329 g019
Figure 20. Type-c architecture: (a) THS with dual-PG; (b) General Motors (GM) advanced hybrid system (AHS); (c) Timken EVT; (d) Renault IVT; (e) Voltec II. (TD—torsional damper; D—dog clutch).
Figure 20. Type-c architecture: (a) THS with dual-PG; (b) General Motors (GM) advanced hybrid system (AHS); (c) Timken EVT; (d) Renault IVT; (e) Voltec II. (TD—torsional damper; D—dog clutch).
Energies 13 00329 g020
Figure 21. Port diagram of five architectures: (a) THS with dual-PG; (b) GM AHS; (c) Timken EVT; (d) Renault IVT; (e) Voltec II.
Figure 21. Port diagram of five architectures: (a) THS with dual-PG; (b) GM AHS; (c) Timken EVT; (d) Renault IVT; (e) Voltec II.
Energies 13 00329 g021
Figure 22. Type-d architecture: (a) GM AHS; (b) GM AHS2.
Figure 22. Type-d architecture: (a) GM AHS; (b) GM AHS2.
Energies 13 00329 g022
Table 1. Three kinds of electromechanical power coupling systems.
Table 1. Three kinds of electromechanical power coupling systems.
Class.Controllability of ICEV-Class.Typical Application
Torquecontrollable torque uncontrollable speedParallelEQ7200, IMA, ISG
Speedcontrollable speed uncontrollable torqueParallelCHPTD
Powercontrollable torque controllable speedPower-splitTHS, AHS
Note: Class.—classification; V-Class.—vehicle-classification; IMA—integrated motor assist; ISG—integrated starter generator; CHPTD—compact hybrid planetary transmission drive; THS—Toyota hybrid system; AHS—advanced hybrid system.
Table 2. Feasible connections in the two degrees of freedom planetary hybrid powertrain system.
Table 2. Feasible connections in the two degrees of freedom planetary hybrid powertrain system.
DOFEM Nu.PG Nu.Port Nu.Components Connected in PG(s)System Port Nu.
DOF = 2113ICE, Output, EM3
24ICE, Output, EM3
ICE, Output, EM3
213ICE, Output, EM1, EM23
24ICE, Output, EM1, EM24
34ICE, Output, EM1, EM24
4
Note: DOF—degree of freedom; Nu.—number; ICE—internal combustion engine; EM—electric motor.
Table 3. Comparison of the three hybrid transmission systems and the dal clutch (DCT) system.
Table 3. Comparison of the three hybrid transmission systems and the dal clutch (DCT) system.
HEV Class.CL No.PG No.I-a No.P-p No.Sy. No.Shift SpeedShift ImpactP-m
HAST01245-++
HTD11234--0
CGST012250++
DCT20220+-0
Class.—classification; No.—number; CL—clutch; I-a—input axis; P-p—power paths; Sy.—synchromesh; P-m—power merge.
Table 4. Comparison of four types of SEM-PHPS architectures.
Table 4. Comparison of four types of SEM-PHPS architectures.
Arc.PG.OTACOMAdvantagesDisadvantagesLit.
Type-a1-2Ssimplest and low-costused as speed coupling only[70,71]
Type-b1Continuously variable transmission (CVT)3Mspeed and torque adjustmentCVT increases system complexity[37,72]
Type-c2-3/4Mmore fuel-efficient and higher control flexibilityadditional wet clutches and brakes, more complexity and costs[42,44,57,60]
Type-d1Ms-G0/1Mbetter fuel efficiency and higher control flexibilityincrease the length of the power-train[59,65,67]
Arc.—architectures; PG.—PG number; OT—other transmission; AC—additional clutches; S—single; OM—operating mode; M—multiple; Ms-G—multi-axis gear; Lit.—literature.
Table 5. The power flow of the main drive modes of GM AHS2 by four-port diagram.
Table 5. The power flow of the main drive modes of GM AHS2 by four-port diagram.
MMC and B StatePower FlowPort Diagram
C1C2B1B2
E10010Energies 13 00329 i003Energies 13 00329 i004
E21000Energies 13 00329 i005
1F0110Energies 13 00329 i006
2F1010Energies 13 00329 i007
3F1001Energies 13 00329 i008
4F0110Energies 13 00329 i009
MM—main mode; E1-EVT1; E2-EVT2; 1F—first fixed gear; 2F—second fixes gear; 3F—third fixed gear; 4F—forth fixed gear; C—clutches; B—brakes.
Table 6. The Comparison of four types of two EMs planetary hybrid powertrain system (TEM-PHPS).
Table 6. The Comparison of four types of two EMs planetary hybrid powertrain system (TEM-PHPS).
Arc.PG.OTACOMAdvantagesDisadvantagesLit.
Type-a1-0Ssimplest and low-costonly one mode worst performance[82]
1-3Mfour operating modes better fuel economylower performance[83]
Type-b1FG1Mlarger output torquemotor efficiency drops at high speed[26]
Type-c2-1Sbetter power and off-road than THSstill has only one operating mode[89]
2-2/3/4Menable more operating modes higher fuel economymore complex and costs[79,96,98,99]
Type-dM-2/4Mbetter overall efficiency power performancemost complex and complicated control[80,95]
Arc.—architectures; PG.—PG number; OT—other transmission; AC—additional clutches; OM—operating mode; S—single; M—multiple; Ms-G—multiple shaft gears; Lit.—Literature.

Share and Cite

MDPI and ACS Style

Wang, L.; Cui, Y.; Zhang, F.; Li, G. Architectures of Planetary Hybrid Powertrain System: Review, Classification and Comparison. Energies 2020, 13, 329. https://doi.org/10.3390/en13020329

AMA Style

Wang L, Cui Y, Zhang F, Li G. Architectures of Planetary Hybrid Powertrain System: Review, Classification and Comparison. Energies. 2020; 13(2):329. https://doi.org/10.3390/en13020329

Chicago/Turabian Style

Wang, Lihua, Yahui Cui, Fengqi Zhang, and Guanglei Li. 2020. "Architectures of Planetary Hybrid Powertrain System: Review, Classification and Comparison" Energies 13, no. 2: 329. https://doi.org/10.3390/en13020329

APA Style

Wang, L., Cui, Y., Zhang, F., & Li, G. (2020). Architectures of Planetary Hybrid Powertrain System: Review, Classification and Comparison. Energies, 13(2), 329. https://doi.org/10.3390/en13020329

Note that from the first issue of 2016, this journal uses article numbers instead of page numbers. See further details here.

Article Metrics

Back to TopTop