Development of Brushless Claw Pole Electrical Excitation and Combined Permanent Magnet Hybrid Excitation Generator for Vehicles
Abstract
1. Introduction
2. Design and Calculation of HEG
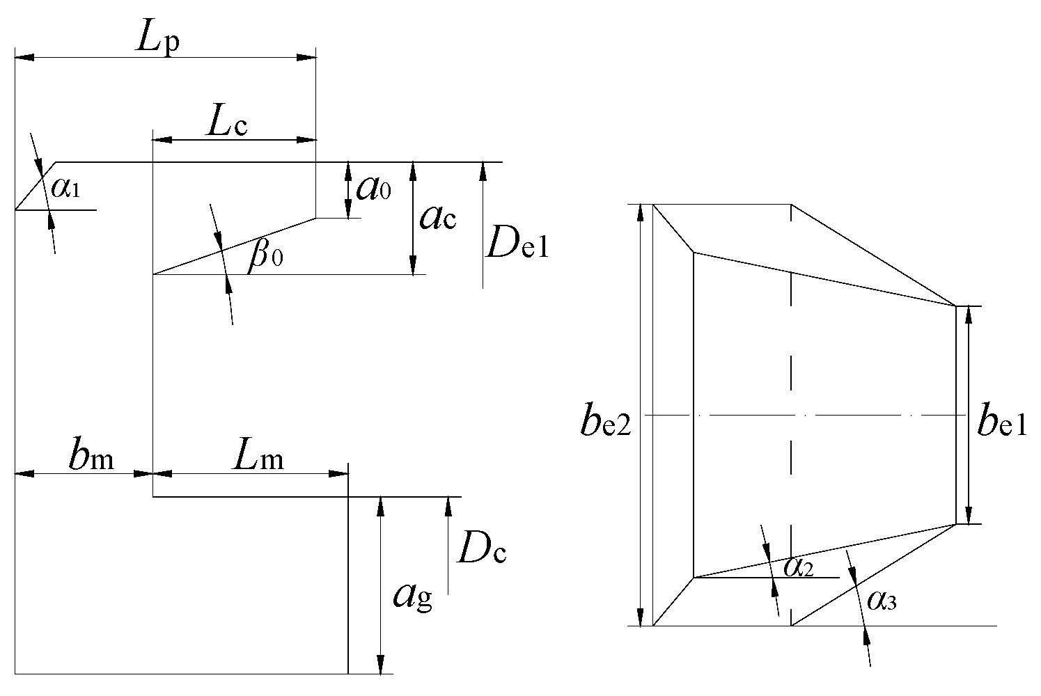
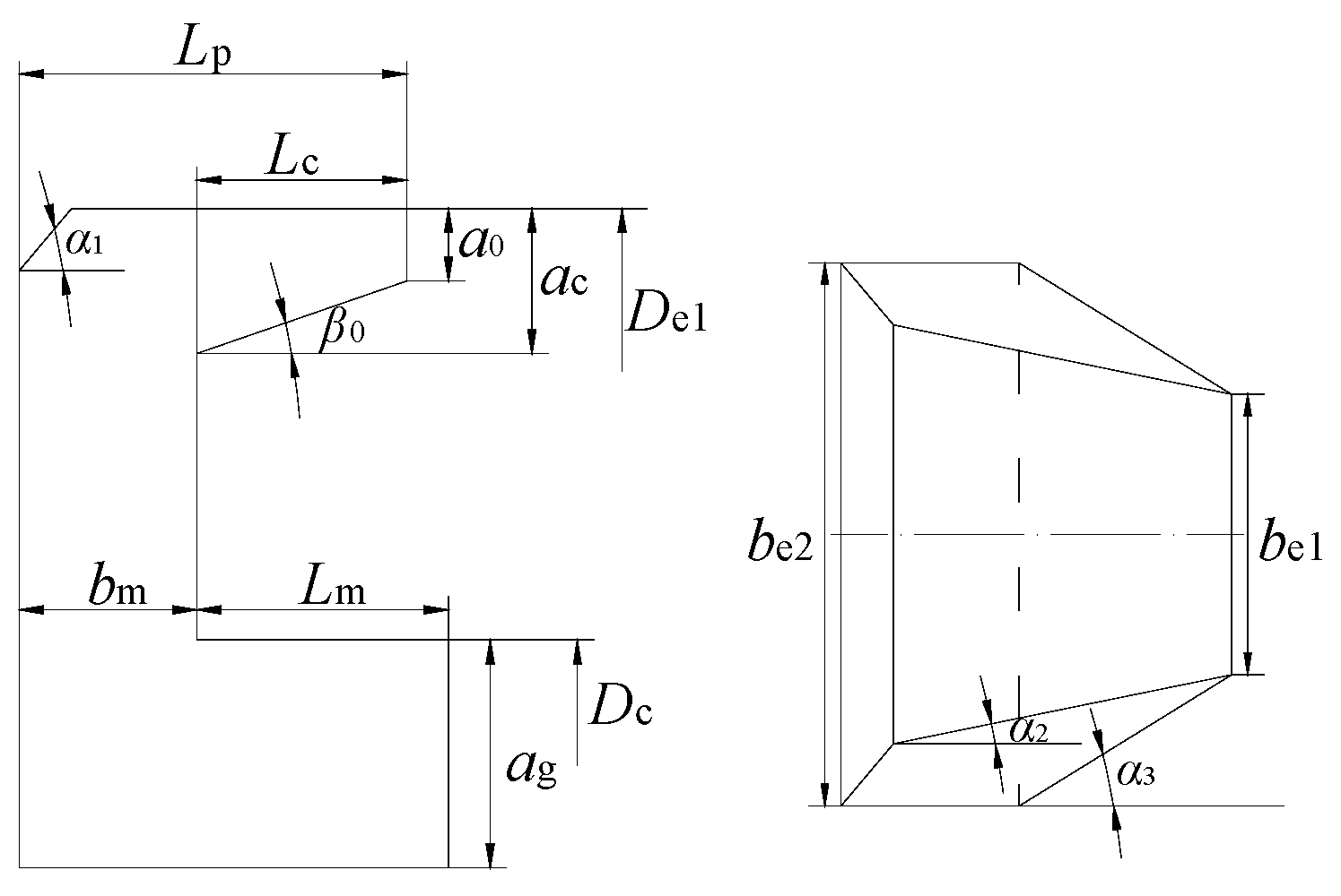
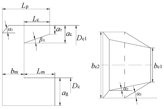
2.1. The EER Rotor of HEG
2.2. The PM Rotor of HEG
2.3. Stator of HEG
3. Magnetic Field Simulation Analysis and Output Characteristic Analysis
3.1. The Finite Element Simulation Model
3.2. Simulation Analysis of Magnetic Field
3.3. The Output Characteristic Analysis
4. Conclusions
Author Contributions
Funding
Conflicts of Interest
References
- Aladsani, A.S.; Beik, O. Characterization of a Hybrid PM Generator Using a 32-phase Brushless Excitation Scheme. IEEE Trans. Energy Convers. 2019, 34, 1391–1400. [Google Scholar] [CrossRef]
- Wardach, M.; Bonislawski, M.; Palka, R.; Paplicki, P.; Prajzendanc, P. Hybrid Excited Synchronous Machine with Wireless Supply Control System. Energies 2019, 12, 3153. [Google Scholar] [CrossRef]
- Wang, D.; Zhang, D.; Xue, D.; Peng, C.; Wang, X. A New Hybrid Excitation Permanent Magnet Machine with an Independent AC Excitation Port. IEEE Trans. Ind. Electron. 2019, 66, 5872–5882. [Google Scholar] [CrossRef]
- Zhang, X.; Zhao, X.; Niu, S. A Novel Dual-Structure Parallel Hybrid Excitation Machine for Electric Vehicle Propulsion. Energies 2019, 12, 338. [Google Scholar] [CrossRef]
- Ye, C.; Du, Y.; Yang, J.; Liang, X.; Xiong, F.; Xu, W. Research of an Axial Flux Stator Partition Hybrid Excitation Brushless Synchronous Generator. IEEE Trans. Magn. 2018, 54, 1–4. [Google Scholar]
- Zhu, H.; Hu, Y. Research on Operation Principle and Control of Novel Hybrid Excitation Bearingless Permanent Magnet Generator. Energies 2016, 9, 673. [Google Scholar] [CrossRef]
- Yao, S.; Zhang, W. Stator Tooth Shape Optimization for Double Salient Hybrid Excitation Generator Based on Asymmetric Circuit Analysis. Compel Int. J. Comput. Math. Electr. 2019, 38, 1738–1755. [Google Scholar] [CrossRef]
- Mykola, O.; Vadim, C.; Eugene, M. Ouput Voltage Stabilization Process Simulation in Generator with Hybrid Excitation at Variable Drive Speed. In Proceedings of the 2019 IEEE 2nd Ukraine Conference on Electrical and Computer Engineering (UKRCON), Lviv, Ukraine, 2–6 July 2019; pp. 310–313. [Google Scholar]
- Gu, X.; Zhang, Z.; Sun, L.; Yu, L. Phase Displacement Characteristics of a Parallel Hybrid Excitation Brushless DC Generator. IEEE Trans. Energy Convers. 2020, 35, 875–885. [Google Scholar] [CrossRef]
- Wu, Y.; Sun, L.; Zhang, Z.; Miao, Z.; Liu, C. Analysis of Torque Characteristics of Parallel Hybrid Excitation Machine Drives With Sinusoidal and Rectangular Current Excitations. IEEE Trans. Magn. 2018, 54, 1–5. [Google Scholar] [CrossRef]
- Zhang, Z.; Yu, L.; Dai, C.; Yan, Y. Investigation and Development of a New Brushless DC Generator System for Extended-Range Electric Vehicle Application. In IEEE Energy Conversion Congress & Exposition (ECCE); IEEE: Piscataway, NJ, USA, 2014; pp. 3155–3162. [Google Scholar]
- Zhang, Z.; Dai, J.; Dai, C.; Yan, Y. Design Considerations of a Hybrid Excitation Synchronous Machine with Magnetic Shunt Rotor. IEEE Trans. Magn. 2013, 49, 5566–5573. [Google Scholar] [CrossRef]
- Zhang, Z.; Yan, Y.; Yang, S.; Bo, Z. Principle of Operation and Feature Investigation of a New Topology of Hybrid Excitation Synchronous Machine. IEEE Trans. Magn. 2008, 44, 2174–2180. [Google Scholar] [CrossRef]
- Malanciuc, A.; Simion, A.; Livadaru, L.; Munteanu, A.; Afanasov, C. FEM-based Analysis of a Hybrid Synchronous Generator with Skewed Stator Slots. Adv. Electr. Comput. Eng. 2011, 11, 9–14. [Google Scholar] [CrossRef]
- Thammasiriroj, W.; Nuchkrua, T.; Ruayariyasub, S. Sliding Mode Control for Stabilizing DC-Link of DC-DC Converter in Photovoltaic Systems. In Proceedings of the 2nd International Symposium on Power Electronics for Distributed Generation Systems, Hefei, China, 16–18 June 2010; pp. 347–351. [Google Scholar]
- Dong, Y.; Nuchkrua, T.; Shen, T. Asymptotical Stability Contouring Control of Dual-Aarm Robot with Holonomic Constraints: Modified Distributed Control Framework. IET Control Theory Appl. 2019, 13, 2877–2885. [Google Scholar] [CrossRef]
- Zidani, Y.; Zouggar, S.; Elbacha, A. Steady-State Analysis and Voltage Control of the Self-Excited Induction Generator Using Artificial Neural Network and an Active Filter. Iran. J. Sci. Technol. Trans. Electr. Eng. 2018, 42, 41–48. [Google Scholar] [CrossRef]
- Popenda, A.; Chwalba, S.; Sowiński, J. The Synchronous Generator Based on a Hybrid Excitation with the Extended Range Of Voltage Adjustment. E3S Web Conf. 2019, 84, 1–7. [Google Scholar] [CrossRef]
- Zhu, S.; Liu, C.; Wang, K.; Yuan, X.; Hu, Y.; Ning, Y. Magnetic Field Distribution and Operating Characteristics of a Hybrid Excitation Generator Based on Integrated Brushless Excitation. IEEE Trans. Magn. 2016, 52, 1–12. [Google Scholar] [CrossRef]
- Wang, H.; Zhang, F.; Guan, T.; Yu, S. Equivalent circuit and characteristic simulation of a brushless electrically excited synchronous wind power generator. Front. Mech. Eng. 2017, 12, 420–426. [Google Scholar] [CrossRef]
- Zhu, C.; Wang, X.; Zhao, W.; Yang, Y.; Yu, P. Performance Analysis on a Surface-mounted Permanent Magnet Synchronous Generator with Hybrid Excitation based on Equivalent Magnetic Circuit. In Proceedings of the 2019 22nd International Conference on Electrical Machines and Systems (ICEMS), Harbin, China, 11–14 August 2019; pp. 1–5. [Google Scholar]
- Zhang, X.; Du, Q.; Xu, J.; Zhao, Y.; Ma, S. Development and Analysis of the Magnetic Circuit on Double-Radial Permanent Magnet and Salient-Pole Electromagnetic Hybrid Excitation Generator for Vehicles. Chin. J. Mech. Eng. 2019, 32, 100–112. [Google Scholar] [CrossRef]
- Sun, L.; Zhang, Z.; Yu, L.; Gu, X. Development and Analysis of a New Hybrid Excitation Brushless DC Generator With Flux Modulation Effect. IEEE Trans. Ind. Electron. 2019, 66, 4189–4198. [Google Scholar] [CrossRef]
- Zhu, S.; Liu, C.; Wang, K.; Hu, Y.; Ning, Y. Theoretical and Experimental Analyses of a Hybrid Excitation Synchronous Generator with Integrated Brushless Excitation. IET Electr. Power Appl. 2016, 10, 258–267. [Google Scholar] [CrossRef]
- Zhang, X.; Du, Q.; Ma, S.; Geng, H.; Hu, W.; Li, Z.; Liu, G. Permeance Analysis and Calculation of the Double-Radial Rare-Earth Permanent Magnet Voltage-Stabilizing Generation Device. IEEE Access 2018, 6, 23939–23947. [Google Scholar] [CrossRef]
- Xia, Y.; Wen, Z.; Zhu, Z.; Zhong, S.; Chen, Y.; Zhang, J. Research on a Hybrid Excitation PM Synchronous Generator with Stator Third Harmonic Winding Excitation. IET Electr. Power Appl. 2020, 14, 418–425. [Google Scholar] [CrossRef]
- Zhu, C.; Yang, Y.; Jiang, B.; Zhang, G.; Yu, P. Equivalent Magnetic Circuit Analysis of a Novel Brushless Hybrid Excitation Synchronous Generator. In Proceedings of the 2018 21st International Conference on Electrical Machines and Systems (ICEMS), Jeju, Korea, 7–10 October 2018; pp. 458–462. [Google Scholar]
- Hu, W.; Zhang, X.; Yin, H.; Geng, H.; Zhang, Y.; Shi, L. Analysis of Magnetic Field and Electromagnetic Performance of a New Hybrid Excitation Synchronous Motor with dual-V type Magnets. Energies 2020, 13, 1501. [Google Scholar] [CrossRef]
- Zhang, X.; Du, Q.; Ma, C.; Ma, S.; Xu, J.; Geng, H.; Tian, G. Nd-Fe-B Permanent Magnet Generator and Voltage Stabilizing Control Technology for Vehicles. Adv. Mech. Eng. 2016, 8, 1–11. [Google Scholar] [CrossRef]
- Yu, L.; Zhang, Z.; Sun, L.; Yan, Y. A Split-Field-Windings Doubly Salient Brushless DC Generator with Reduced Excitation Capacity for Hybrid Electric Vehicles. IEEE Trans. Ind. Electron. 2018, 65, 7697–7708. [Google Scholar] [CrossRef]
- Kanti, R.T.; Apel, M.M.; Oo, A.M. Robust Adaptive Backstepping Excitation Controller Design for Higher-Order Models of Synchronous Generators in Multimachine Power Systems. IEEE Trans. Power Syst. 2018, 34, 40–51. [Google Scholar]
- Wang, Y.; Niu, S.; Fu, W. A Novel Dual-Rotor Bidirectional Flux-Modulation PM Generator for Stand-Alone DC Power Supply. IEEE Trans. Ind. Electron. 2019, 66, 818–828. [Google Scholar] [CrossRef]
- Aladsani, A.S.; Beik, O. Design of a Multiphase Hybrid Permanent Magnet Generator for Series Hybrid EV. IEEE Trans. Energy Convers. 2018, 33, 1–9. [Google Scholar]
- Zhao, X.; Niu, S.; Ching, T. Design and Analysis of a New Brushless Electrically Excited Claw-Pole Generator for Hybrid Electric Vehicle. IEEE Trans. Magn. 2018, 54, 1–5. [Google Scholar] [CrossRef]















| Technical Index | Parameter Value | Technical Index | Parameter Value |
|---|---|---|---|
| Rated voltage | 14 V | Insulation class | E |
| Rated power | 1000 W | Protection level | IPX3 |
| Rated speed | 4000/r/min | Working temperature | −40 to +75 °C |
| Work form | Continuous work | Output mode | Direct current |
| Parameter Name | Parameter Value | Parameter Name | Parameter Value |
|---|---|---|---|
| The thickness of flange plate | 7 mm | The claw root thickness | 6.2 mm |
| The arc length of claw root | 42 mm | The thickness of the tip of the claw | 2.2 mm |
| The diameter of claw pole yoke | 44.5 mm | The length of claw | 7 mm |
| Parameter Name | V-Shaped PM Steel | Rectangular PM Steel |
|---|---|---|
| Magnetization direction length | 2.5 mm | 4.0 mm |
| Width | 30 mm | 14 mm |
| Axial length | 20 mm | 20 mm |
| Phase | Vector Coil Number | |||||||||||
|---|---|---|---|---|---|---|---|---|---|---|---|---|
| Phase A | 1 | 2 | −6 | 10 | 11 | −15 | 19 | 20 | −24 | 28 | 29 | −33 |
| Phase B | 4 | 5 | −9 | 13 | 14 | −18 | 22 | 23 | −27 | 31 | 32 | −36 |
| Phase C | −3 | 7 | 8 | −12 | 16 | 17 | −21 | 25 | 26 | −30 | 34 | 35 |
| Speed (r/min) | Load Power (W) | The Voltage of HEG (V) |
|---|---|---|
| 2000 | 950 | 13.83 |
| 1000 | 13.01 | |
| 1050 | 12.01 | |
| 4000 | 950 | 14.23 |
| 1000 | 14.14 | |
| 1050 | 14.06 | |
| 4800 | 950 | 12.21 |
| 1000 | 14.13 | |
| 1050 | 14.08 |
© 2020 by the authors. Licensee MDPI, Basel, Switzerland. This article is an open access article distributed under the terms and conditions of the Creative Commons Attribution (CC BY) license (http://creativecommons.org/licenses/by/4.0/).
Share and Cite
Geng, H.; Zhang, X.; Zhang, Y.; Hu, W.; Lei, Y.; Xu, X.; Wang, A.; Wang, S.; Shi, L. Development of Brushless Claw Pole Electrical Excitation and Combined Permanent Magnet Hybrid Excitation Generator for Vehicles. Energies 2020, 13, 4723. https://doi.org/10.3390/en13184723
Geng H, Zhang X, Zhang Y, Hu W, Lei Y, Xu X, Wang A, Wang S, Shi L. Development of Brushless Claw Pole Electrical Excitation and Combined Permanent Magnet Hybrid Excitation Generator for Vehicles. Energies. 2020; 13(18):4723. https://doi.org/10.3390/en13184723
Chicago/Turabian StyleGeng, Huihui, Xueyi Zhang, Yufeng Zhang, Wenjing Hu, Yulong Lei, Xiaoming Xu, Aichuan Wang, Shanjian Wang, and Liwei Shi. 2020. "Development of Brushless Claw Pole Electrical Excitation and Combined Permanent Magnet Hybrid Excitation Generator for Vehicles" Energies 13, no. 18: 4723. https://doi.org/10.3390/en13184723
APA StyleGeng, H., Zhang, X., Zhang, Y., Hu, W., Lei, Y., Xu, X., Wang, A., Wang, S., & Shi, L. (2020). Development of Brushless Claw Pole Electrical Excitation and Combined Permanent Magnet Hybrid Excitation Generator for Vehicles. Energies, 13(18), 4723. https://doi.org/10.3390/en13184723

