Analyzing Impact of Distributed PV Generation on Integrated Transmission & Distribution System Voltage Stability—A Graph Trace Analysis Based Approach
Abstract
1. Introduction
- Integrated T&D models can have multiple voltage levels, diverse topologies (radial, lightly meshed, heavily meshed) and varying impedance characteristics. It is well known that Jacobian-based power flow approaches converge well for certain topologies and impedance characteristics only. For example, the Newton-Raphson method exhibits poor convergence characteristics for radial/lightly meshed systems with high R/X ratios [26,27].
- Integrated T&D systems operate unbalanced, and thus, the resulting matrices do not possess the symmetry observed for balanced systems. This renders the matrix decomposition difficult, or impractical, as the size of the system grows.
- The large size and unbalanced nature of Integrated T&D systems implies that any matrix-based approach must be able to manage millions of rows and columns of a multi-phase system, and without significant advances in matrix-based computations, rendering the analysis complicated and slow.
- Voltage stability of integrated T&D systems is discussed in the context of variations in distributed PV generation in a system. Specifically, how the PV variability relates to changes in static voltage stability margins, leading to empirical relations and conclusions.
- A method to identify weak regions in a system is demonstrated. The method involves the use of selected load buses in different segments of the system, and employs a voltage stability heat map that provides a visual picture of vulnerable lines and buses in the system.
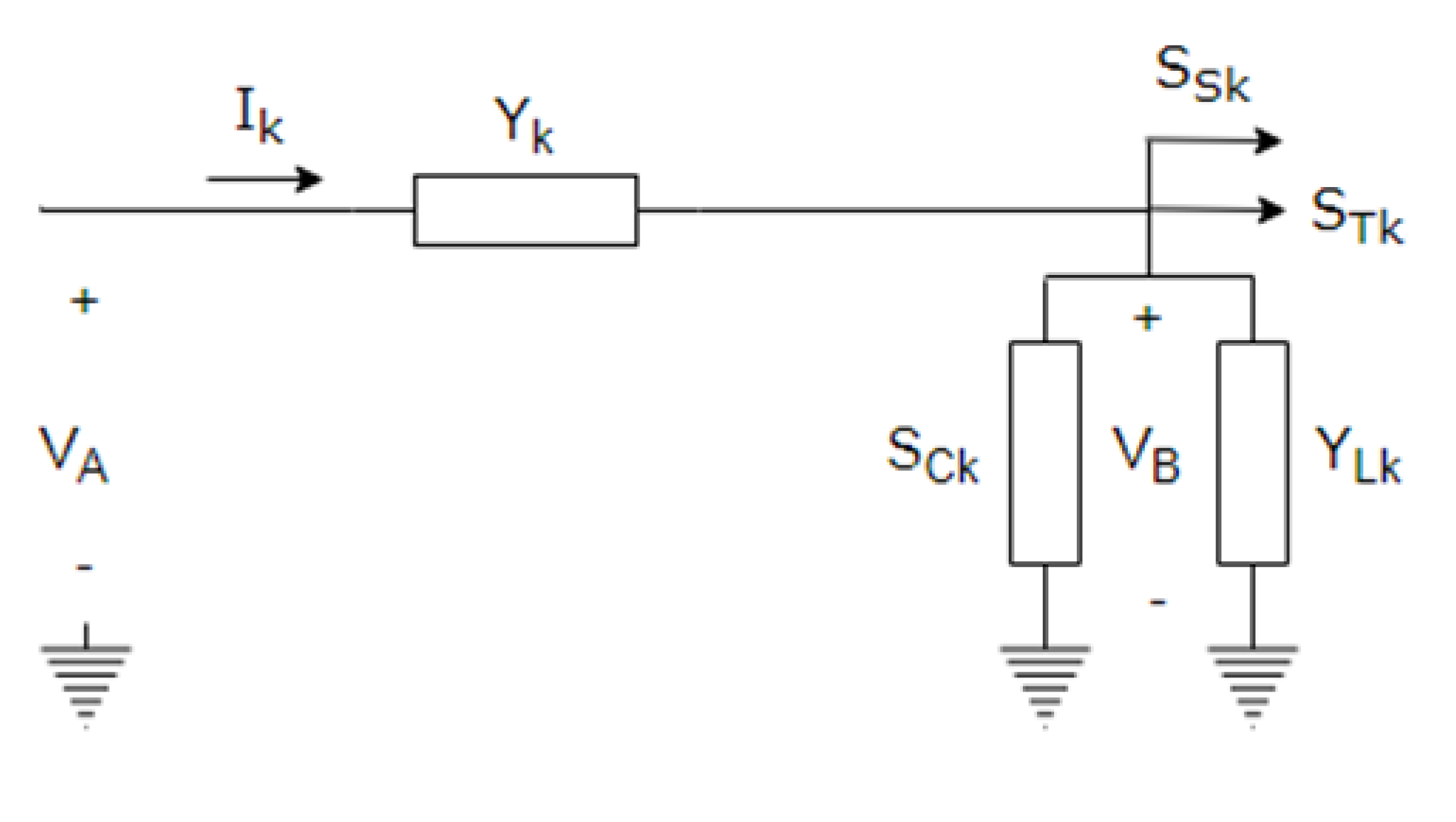
2. Static Stability Margin
- —Constant power load.
- —Admittance representing constant Impedance load.
- Constant power equivalent load , which represents the sum of all the loads connected downstream of section k.
- Constant power equivalent load , which represents the sum of all the losses downstream of section k.
3. Case Studies and Results
3.1. Case Study 1
- Stability margins at base load without PV.
- Stability margins at five times increased loading (compared to base load) without PV.
- Stability margins at five times increased loading (compared to base load) with PV.
- Stability margins if loading is increased beyond five times.
3.1.1. Stability Margins at Base Load without PV
3.1.2. Stability Margins at Five Times Increased Loading (Compared to Base Load) and without PV
3.1.3. Stability Margins at Five Times Increased Loading (Compared to Base Load) and with PV
3.1.4. Stability Margins if Loading is Increased beyond Five Times
- As loading is increased on the system, stability margins decrease due to decrease in voltages.
- As distributed PVs are added to the system, stability margins increase slightly due to increased voltages as a result of PV generation.
3.2. Case Study 2
3.2.1. Stability Analysis with Localized Loading Increases
- The area of the entire system is covered.
- Potential hotspots, such as nodes with multiple transmission lines terminating, are analyzed.
- The transmission bus has a significant level of PV generation in the distribution system.
3.2.2. Stability Analysis with Uniform Loading Increases across Entire System
3.2.3. Heat Map Generation
- Loss of a large PV farm connected to the bulk system. Under certain situations, a rapid cloud cover across a large area where bulk PV farms are located could create a similar severe impact.
- System frequency events causing PV inverters to trip. This is true for both the bulk system and distributed PV. This was reported by North American Electric Reliability Corporation (NERC) for both the Blue Cut fire (2016) and Canyon fire (2017) events. In both cases, a fault on the transmission line resulted in an extreme system frequency [31,32], causing PV inverters to enter the momentary cessation mode. Moreover, IEEE 1547–2018 also directs inverters to enter momentary cessation if certain system frequency limits are violated.
3.2.4. Calculating MW Distance from Instability at Each Load Bus Location
3.2.5. Impact of Generator Failure on Voltage Stability Heat Map
4. Conclusions
Author Contributions
Funding
Conflicts of Interest
References
- Bhatti, B.A.; Broadwater, R.; Delik, M. Integrated T&D Modeling vs. Co-Simulation–Comparing Two Approaches to Study Smart Grid. In Proceedings of the 2019 IEEE Power & Energy Society General Meeting (PESGM), Atlanta, GA, USA, 4–8 August 2019; pp. 1–5. [Google Scholar]
- Lof, P.A.; Andersson, G.; Hill, D.J. Voltage Stability Indices for Stressed Power Systems. IEEE Trans. Power Syst. 1993, 8, 326–335. [Google Scholar] [CrossRef]
- Thomas, R.J.; Tiranuchit, A. Voltage Instabilities in Electric Power Networks. In Proceedings of the 18‘h Southeastern Symposium on System Theory, Knoxville, TN, USA, 7 April 1986; pp. 359–363. [Google Scholar]
- Tiranuchit, A.; Thomas, R.J. A Posturing Strategy Against Voltage Instabilities in Electric Power Systems. IEEE Trans. Power Syst. 1988, 3, 87–93. [Google Scholar] [CrossRef]
- Tiranuchit, A.; Ewerbring, L.M.; Duryea, R.A.; Thomas, R.J.; Luk, F.T. Towards a Computationally Feasible On-Line Voltage Instability Index. IEEE Trans. Power Syst. 1988, 3, 669–675. [Google Scholar] [CrossRef]
- Pandey, A.; Jereminov, M.; Wagner, M.R.; Bromberg, D.M.; Hug, G.; Pileggi, L. Robust Power Flow and Three-Phase Power Flow Analyses. IEEE Trans. Power Syst. 2019, 34, 616–626. [Google Scholar] [CrossRef]
- Jain, H.; Rahimi, K.; Tbaileh, A.; Broadwater, R.P.; Jain, A.K.; Dilek, M. Integrated Transmission & Distribution System Modeling and Analysis: Need & Advantages. In Proceedings of the 2016 IEEE Power and Energy Society General Meeting (PESGM), Boston, MA, USA, 17–21 July 2016; pp. 1–5. [Google Scholar]
- Krishnamoorthy, G.; Dubey, A. A Framework to Analyze Interactions between Transmission and Distribution Systems. In Proceedings of the 2018 IEEE Power & Energy Society General Meeting (PESGM), Portland, OR, USA, 5–10 August 2018; pp. 1–5. [Google Scholar]
- Sadnan, R.; Krishnamoorthy, G.; Dubey, A. Transmission and Distribution (T&D) Quasi-static Co-simulation: Analysis and Comparison of T&D Coupling Strength. IEEE Access 2020, 8, 124007–124019. [Google Scholar]
- Ciraci, S.; Daily, J.; Fuller, J.; Fisher, A.; Marinovici, L.; Agarwal, K. Fncs: A Framework for Power System and Communication Networks Co-Simulation. In Proceedings of the Symposium on Theory of Modeling & Simulation, San Diego, CA, USA, 13–16 April 2014. [Google Scholar]
- Palmintier, B.; Hale, E.; Hansen, T.; Jones, W.; Biagioni, D.; Sorensen, H.; Wu, H.; Hodge, B.M. Igms: An Integrated Iso-To-Appliance Scale Grid Modeling System. IEEE Trans. Smart Grid 2017, 8, 1525–1534. [Google Scholar] [CrossRef]
- Palmintier, B.; Krishnamurthy, D.; Top, P.; Smith, S.; Daily, J.; Fuller, J. Design of the Helics High-Performance Transmission-Distribution-Communication-Market Co-Simulation Framework. In Proceedings of the Workshop on Modeling and Simulation of Cyber-Physical Energy Systems (MSCPES), Pittsburgh, PA, USA, 21 April 2017; pp. 1–6. [Google Scholar]
- Balasubramaniam, K.; Abhyankar, S. A combined transmission and distribution system co-simulation framework for assessing the impact of volt/var control on transmission system. In Proceedings of the 2017 IEEE Power & Energy Society General Meeting, Chicago, IL, USA, 16–20 July 2017; pp. 1–5. [Google Scholar]
- Rahimi, K.; Jain, H.; Broadwater, R.; Hambrick, J. Application of Distributed Series Reactors in Voltage Balancing. In Proceedings of the 2015 IEEE Power & Energy Society General Meeting, Denver, CO, USA, 26–30 July 2015; pp. 1–5. [Google Scholar]
- Adibi, M.M.; Milanicz, D.P.; Volkmann, T.L. Asymmetry Issues in Power System Restoration. IEEE Trans. Power Syst. 1999, 14, 1085–1091. [Google Scholar] [CrossRef]
- Omran, S.; Broadwater, R.; Hambrick, J.; Dilek, M.; Thomas, C.; Kreikebaum, F. Load Growth and Power Flow Control with DSRs: Balanced vs Unbalanced Transmission Networks. Electr. Power Syst. Res. 2017, 145, 207–213. [Google Scholar] [CrossRef]
- Goh, H.H.; Tai, C.W.; Chua, Q.S.; Lee, S.W.; Kok, B.C.; Goh, K.C.; Teo, K.T.K. Dynamic Estimation of Power System Stability in Different Kalman Filter Implementations. In Proceedings of the 2014 IEEE NW Russia Young Researchers in Electrical and Electronic Engineering Conference, St. Petersburg, Russia, 3–5 February 2014; pp. 41–46. [Google Scholar]
- Alzahawi, T.; Sachdev, M.S.; Ramakrishna, G. A Special Protection Scheme for Voltage Stability Prevention. In Proceedings of the Canadian Conference on Electrical and Computer Engineering, Saskatoon, SK, Canada, 1–4 May 2005; pp. 545–548. [Google Scholar]
- PNNL, Integrated Transmission and Distribution Control. Available online: https://www.pnnl.gov/main/publications/external/technical_reports/PNNL-22157.pdf (accessed on 31 August 2020).
- Top, P.; Mast, R.; Smith, S.; Fuller, J.; Fisher, A.; Daily, J.; Palmentier, B.; Krishamurthy, D.; Jain, H.; Elgindy, T. Hiearchical Engine for Large Scale Infrastructure Simulation (No. HELICS; 005460MLTPL00). Available online: https://www.osti.gov//servlets/purl/1395948 (accessed on 31 August 2020).
- Tbaileh, A.; Jain, H.; Broadwater, R.; Cordova, J.; Arghandeh, R.; Dilek, M. Graph Trace Analysis: An Object-Oriented Power Flow, Verifications and Comparisons. Electr. Power Syst. Res. 2017, 147, 145–153. [Google Scholar] [CrossRef]
- Lof, P.A.; Smed, T.; Andersson, G.; Hill, D.J. Fast Calculation of a Voltage Stability Index. IEEE Trans. Power Syst. 1992, 7, 54–64. [Google Scholar] [CrossRef]
- Gao, B.; Morison, G.K.; Kundur, P. Voltage stability evaluation using modal analysis. IEEE Trans. Power Syst. 1992, 7, 1529–1542. [Google Scholar] [CrossRef]
- Chen, Y.L. Weak Bus-Oriented Optimal Multi-Objective VAR Planning. IEEE Trans. Power Syst. 1996, 11, 1885–1890. [Google Scholar] [CrossRef]
- Begovic, M.M.; Phadke, A.G. Control of Voltage Stability Using Sensitivity Analysis. IEEE Trans. Power Syst. 1992, 7, 114–123. [Google Scholar] [CrossRef]
- Tripathy, S.; Prasad, G.D.; Malik, O.; Hope, G. Load-Flow Solutions for Ill-Conditioned Power Systems by Newton-Like Method. IEEE Trans. Power Appar. Syst. 1982, PAS-101, 3648–3657. [Google Scholar] [CrossRef]
- Iwamoto, S.; Tamura, Y. A Load Flow Calculation Method for Ill-Conditioned Power Systems. IEEE Trans. Power Appar. Syst. 1981, PAS-100, 1736–1743. [Google Scholar] [CrossRef]
- Tbaileh, A.; Bhatti, B.A.; Broadwater, R.; Dilek, M.; Beattie, C. Robust Matrix Free Power Flow Algorithm for Solving T&D Systems. In Proceedings of the 2019 IEEE Power & Energy Society General Meeting (PESGM), Atlanta, GA, USA, 4–8 August 2019; pp. 1–5. [Google Scholar]
- Broadwater, R.; Rahman, S.; Shaalan, H.; Lee, R. A Distribution Engineering Workstation for Undergraduate and Graduate Education. IEEE Trans. Power Appar. Syst. 1993, 8, 1385–1391. [Google Scholar] [CrossRef]
- Broadwater, R.P.; Chandrasekaran, A.; Huddleston, C.T.; Khan, A.H. Power Flow Analysis of Unbalanced Multiphase Radial Distribution Systems. Electr. Power Syst. Res. 1988, 14, 23–33. [Google Scholar] [CrossRef]
- NERC 2017: 1,200 MW Fault Induced Solar Photovoltaic Resource Interruption Disturbance Report Southern California 8/16/2016 Event June 2017. Available online: https://www.nerc.com/pa/rrm/ea/1200_MW_Fault_Induced_Solar_Photovoltaic_Resource_/1200_MW_Fault_Induced_Solar_Photovoltaic_Resource_Interruption_Final.pdf (accessed on 31 August 2020).
- NERC 2018: 900 MW Fault Induced Solar Photovoltaic Resource Interruption Disturbance Report Southern California Event: October 9, 2017 Joint NERC and WECC Staff Report February 2018. Available online: https://www.nerc.com/pa/rrm/ea/October%209%202017%20Canyon%202%20Fire%20Disturbance%20Report/900%20MW%20Solar%20Photovoltaic%20Resource%20Interruption%20Disturbance%20Report.pdf (accessed on 31 August 2020).









| Component | Stability Margin |
|---|---|
| Transmission Line A | 0.476 |
| Transmission Line B | 0.476 |
| Transmission Line C | 0.481 |
| Transmission Line D | 0.516 |
| Transmission Line E | 0.517 |
| Component | Stability Margin without PV | Stability Margin with PV | Percentage Increase (%) |
|---|---|---|---|
| Transmission Line A | 0.476 | 0.504 | 5.8 |
| Transmission Line B | 0.476 | 0.505 | 6.0 |
| Transmission Line C | 0.481 | 0.508 | 5.6 |
| Transmission Line D | 0.516 | 0.546 | 5.8 |
| Transmission Line E | 0.517 | 0.552 | 6.7 |
| Scenario | Linear Regression Equation for | Goodness of Fit (%) |
|---|---|---|
| Without PV | Y= −514.9X + 94,964 | 95.05 |
| With 6600 PV | Y = −459.4X + 90,759 | 95.07 |
| With 21,200 PV | Y = −396.6X + 88,192 | 98.03 |
| With 67,000 PV | Y = −349.0X + 87,989 | 98.06 |
| Component | MW Distance (MW) |
|---|---|
| Load Bus-1 | 540 |
| Load Bus-2 | 138 |
| Load Bus-3 | 750 |
| Load Bus-4 | 960 |
| Load Bus-5 | 570 |
| Load Bus-6 | 360 |
| Load Bus-7 | 300 |
| Load Bus-8 | 210 |
© 2020 by the authors. Licensee MDPI, Basel, Switzerland. This article is an open access article distributed under the terms and conditions of the Creative Commons Attribution (CC BY) license (http://creativecommons.org/licenses/by/4.0/).
Share and Cite
Bhatti, B.A.; Broadwater, R.; Dilek, M. Analyzing Impact of Distributed PV Generation on Integrated Transmission & Distribution System Voltage Stability—A Graph Trace Analysis Based Approach. Energies 2020, 13, 4526. https://doi.org/10.3390/en13174526
Bhatti BA, Broadwater R, Dilek M. Analyzing Impact of Distributed PV Generation on Integrated Transmission & Distribution System Voltage Stability—A Graph Trace Analysis Based Approach. Energies. 2020; 13(17):4526. https://doi.org/10.3390/en13174526
Chicago/Turabian StyleBhatti, Bilal Ahmad, Robert Broadwater, and Murat Dilek. 2020. "Analyzing Impact of Distributed PV Generation on Integrated Transmission & Distribution System Voltage Stability—A Graph Trace Analysis Based Approach" Energies 13, no. 17: 4526. https://doi.org/10.3390/en13174526
APA StyleBhatti, B. A., Broadwater, R., & Dilek, M. (2020). Analyzing Impact of Distributed PV Generation on Integrated Transmission & Distribution System Voltage Stability—A Graph Trace Analysis Based Approach. Energies, 13(17), 4526. https://doi.org/10.3390/en13174526

