Grid-Connected PV Generation System—Components and Challenges: A Review
Abstract
1. Introduction
2. Characteristics of Photovoltaic (PV)
3. Topology of DC-DC Converter for GPV System
4. Maximum Power Point Tracking (MPPT)
5. MPPT Control Strategy
5.1. Hill Climbing (HC)
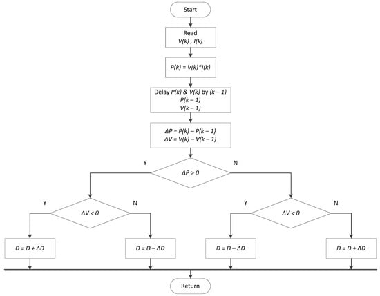
5.2. Perturbation and Observation (P&O)
5.3. Modify P&O
5.4. Incremental Conductance (INC)
5.5. Fractional Open-Circuit Voltage (FOCV)
5.6. Fractional Short-Circuit Current (FSCC)
5.7. Fuzzy Logic (FL), Artificial Neural Network (ANN) and Other Algorithms
6. Inverter
7. Line Filter and Coupling Transformer
8. Grid Synchronization
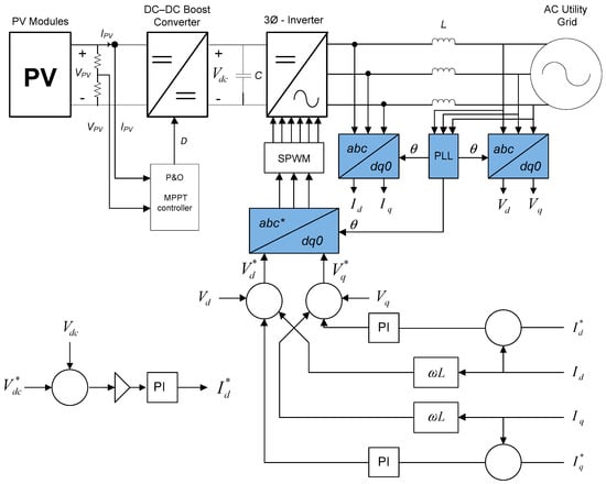
8.1. Control Mechanism for GPV System
8.2. Phase-Locked Loop (PLL)
9. Islanding Detection Methods
10. Standards and Guidelines
11. Future Key Challenges
12. Conclusions
Author Contributions
Funding
Conflicts of Interest
References
- BP Statistical Review of World Energy. BP Statistical Review of World Energy 2016 No. June. pp. 1–48. Available online: http://oilproduction.net/files/especial-BP/bp-statistical-review-of-world-energy-2016-full-report.pdf (accessed on 11 August 2020).
- WEO-2017 Special Report: Energy Access Outlook; International Energy Agency: Paris, France; Available online: https://webstore.iea.org/download/summary/274?fileName=English-Energy-Access-Outlook-2017-ES.pdf (accessed on 11 August 2020).
- World Energy Outlook 2018: The Future Is Electrifying. 2018. Available online: https://www.iea.org/reports/world-energy-outlook-2018 (accessed on 11 August 2020).
- EIA. International Energy Outlook 2016: U.S.; Energy Information Administration (EIA): Washington, DC, USA, 2016; Volume 1.
- Owusu, P.A.; Asumadu-Sarkodie, S. A review of renewable energy sources, sustainability issues and climate change mitigation. Cogent Eng. 2016, 3, 1–14. [Google Scholar] [CrossRef]
- Bishoge, O.; Zhang, L.; Mushi, W. The Potential Renewable Energy for Sustainable Development in Tanzania: A Review. Clean Technol. 2018, 1, 6. [Google Scholar] [CrossRef]
- Raheem, A.; Abbasi, S.A.; Memon, A.; Samo, S.R.; Taufiq-Yap, Y.H.; Danquah, M.K.; Harun, R. Renewable energy deployment to combat energy crisis in Pakistan. Energy Sustain. Soc. 2016, 6. [Google Scholar] [CrossRef]
- Kabir, E.; Kumar, P.; Kumar, S.; Adelodun, A.A.; Kim, K.H. Solar energy: Potential and future prospects. Renew. Sustain. Energy Rev. 2018, 82, 894–900. [Google Scholar] [CrossRef]
- Karthikeyan, V.; Rajasekar, S.; Das, V.; Pitchaivijaya, K. Grid-Connected and Off-Grid Solar Photovoltaic System. Green Energy Technol. 2017. [Google Scholar] [CrossRef]
- Hamza, H.A.; Auwal, Y.M.; Sharpson, M.I. Standalone PV System Design and Sizing for a Household in Gombe, Nigeria. Int. J. Interdiscip. Res. Innov. 2018, 6, 96–101. [Google Scholar]
- Isen, E.; Bakan, A.F. Highly efficient three-phase grid-connected parallel inverter system. J. Mod. Power Syst. Clean Energy 2018, 6, 1079–1089. [Google Scholar] [CrossRef]
- Chatterjee, S.; Kumar, P.; Chatterjee, S. A techno-commercial review on grid connected photovoltaic system. Renew. Sustain. Energy Rev. 2018, 81, 2371–2397. [Google Scholar] [CrossRef]
- Kumar, A.; Gupta, N.; Gupta, V. A Comprehensive Review on Grid-TiedSolar Photovoltaic System. J. Green Eng. 2017, 7, 213–254. [Google Scholar] [CrossRef]
- Rani, A.; Sharma, G. A Review on Grid-Connected PV System. Int. J. Trend Sci. Res. Dev. 2017, 1, 558–563. [Google Scholar] [CrossRef]
- Luceño-Sánchez, J.A.; Díez-Pascual, A.M.; Capilla, R.P. Materials for photovoltaics: State of art and recent developments. Int. J. Mol. Sci. 2019, 20, 976. [Google Scholar] [CrossRef] [PubMed]
- Champion Photovoltaic Module Efficiency Chart. Available online: https://www.nrel.gov/pv/module-efficiency.html (accessed on 25 July 2020).
- Mat Desa, M.K.; Sapeai, S.; Azhari, A.W.; Sopian, K.; Sulaiman, M.Y.; Amin, N.; Zaidi, S.H. Silicon back contact solar cell configuration: A pathway towards higher efficiency. Renew. Sustain. Energy Rev. 2016, 60, 1516–1532. [Google Scholar] [CrossRef]
- Baharudin, N.H.; Mansur, T.M.N.T.; Hamid, F.A.; Ali, R.; Misrun, M.I. Topologies of DC-DC converter in solar PV applications. Indones. J. Electr. Eng. Comput. Sci. 2017, 8, 368–374. [Google Scholar] [CrossRef]
- Choi, H.A. High-Gain Interleaved DC-DC Converters for Renewable Energy Systems; The University of New South Wales Sydney: Sydney, Australia, 2016. [Google Scholar]
- Amir, A.; Amir, A.; Che, H.S.; Elkhateb, A.; Rahim, N.A. Comparative analysis of high voltage gain DC-DC converter topologies for photovoltaic systems. Renew. Energy 2019, 136, 1147–1163. [Google Scholar] [CrossRef]
- Meehan, C. Solar Panel Efficiency Rankings. Available online: https://www.solarreviews.com/blog/what-are-the-most-efficient-solar-panels-for-2019 (accessed on 11 August 2020).
- Shareef, H.; Mutlag, A.H.; Mohamed, A. Random Forest-Based Approach for Maximum Power Point Tracking of Photovoltaic Systems Operating under Actual Environmental Conditions. Comput. Intell. Neurosci. 2017, 2017, 1–17. [Google Scholar] [CrossRef]
- Abdul-Kalaam, R.; Muyeen, S.M.; Al-Durra, A. Review of Maximum Power Point Tracking Techniques for Photovoltaic System. Glob. J. Control Eng. Technol. 2016, 2, 8–18. [Google Scholar]
- Bahari, M.I.; Tarassodi, P.; Naeini, Y.M.; Khalilabad, A.K.; Shirazi, P. Modeling and simulation of hill climbing MPPT algorithm for photovoltaic application. In Proceedings of the 2016 International Symposium on Power Electronics, Electrical Drives, Automation and Motion, Capri, Italy, 22–24 June 2016; pp. 1041–1044. [Google Scholar]
- Balakumar, N.; Prabhu, B. Performance Evaluation of Maximum Power Point Tracking Principle for PV Systems. Int. J. Res. Electron. Commun. Technol. 2016, 3, 21–24. [Google Scholar]
- Mutlag, A.H.; Mohamed, A.; Shareef, H. An Improved Perturbation and Observation based Maximum Power Point Tracking Method for Photovoltaic Systems. J. Teknol. 2016, 78, 19–25. [Google Scholar] [CrossRef]
- Liu, F.; Kang, Y.; Zhang, Y.; Duan, S. Comparison of P & O and Hill Climbing MPPT Methods for Grid-Connected PV Converter. In Proceedings of the 3rd IEEE Conference on Industrial Electronics and Applications, Singapore, 3–5 June 2008; pp. 804–807. [Google Scholar]
- Haque, A. Maximum Power Point Tracking (MPPT) Scheme for Solar Photovoltaic System Maximum Power Point Tracking (MPPT) Scheme for Solar Photovoltaic System. Energy Technol. Policy 2014, 1, 115–122. [Google Scholar] [CrossRef]
- Bounechba, H.; Bouzid, A.; Nabti, K.; Benalla, H. Comparison of perturb & observe and fuzzy logic in maximum power point tracker for PV systems. Energy Procedia 2014, 50, 677–684. [Google Scholar] [CrossRef]
- Piegari, L.; Rizzo, R.; Spina, I.; Tricoli, P. Optimized adaptive perturb and observe maximum power point tracking control for photovoltaic generation. Energies 2015, 8, 3418–3436. [Google Scholar] [CrossRef]
- Ahmed, J.; Member, S.; Salam, Z. A Modified P & O Maximum Power Point Tracking Method with Reduced Steady State Oscillation and Improved Tracking Efficiency. IEEE Trans. Sustain. Energy 2016, 7, 1506–1515. [Google Scholar] [CrossRef]
- Samantara, S.; Roy, B.; Sharma, R.; Choudhury, S.; Jena, B. Modeling and simulation of integrated CUK converter for grid connected PV system with EPP MPPT hybridization. In Proceedings of the IEEE Power, Communication and Information Technology Conference, PCITC 2015—Proceedings, Bhubaneswar, India, 15–17 October 2015; pp. 397–402. [Google Scholar]
- Shankar, G.; Mukherjee, V. MPP detection of a partially shaded PV array by continuous GA and hybrid PSO. Ain Shams Eng. J. 2015, 6, 471–479. [Google Scholar] [CrossRef]
- Firmansyah, E.; Suharyanto, S. Variable Step Size P&O MPPT Algorithm on 250 W Interleaved Flyback Converter. Int. J. Inf. Technol. Electr. Eng. 2018, 1, 132–138. [Google Scholar] [CrossRef][Green Version]
- Mumtaz, S.; Ahmad, S.; Khan, L.; Ali, S.; Kamal, T.; Hassan, S.Z. Adaptive feedback linearization based neurofuzzy maximum power point tracking for a photovoltaic system. Energies 2018, 11, 606. [Google Scholar] [CrossRef]
- Hahm, J.; Kang, H.; Baek, J.; Lee, H.; Park, M. Design of incremental conductance sliding mode MPPT control applied by integrated photovoltaic and proton exchange membrane fuel cell system under various operating conditions for BLDC motor. Int. J. Photoenergy 2015, 1–14. [Google Scholar] [CrossRef]
- Suresh, E. Design and implementation of improved fractional open circuit voltage based maximum power point tracking algorithm for photovoltaic applications. Int. J. Renew. Energy Res. 2017, 7, 1108–1113. [Google Scholar]
- Kumari, J.S.; Babu, C.S. Comparison of Maximum Power Point Tracking Algorithms for Photovoltaic System. Int. J. Adv. Eng. Technol. 2011, 1, 133–148. [Google Scholar]
- Menadi, A. Real time implementation of a fuzzy logic based Mppt controller for grid connected photovoltaic system. Int. J. Renew. Energy Res. 2015, 5, 236–244. [Google Scholar] [CrossRef]
- Rezvani, A.; Izadbakhsh, M.; Gandomkar, M.; Vafaei, S. Investigation of ANN-GA and Modified Perturb and Observe MPPT Techniques for Photovoltaic System in the Grid Connected Mode. Indian J. Sci. Technol. 2015, 8, 87–95. [Google Scholar] [CrossRef]
- Mlakić, D.; Majdandžić, L.; Nikolovski, S. ANFIS used as a maximum power point tracking algorithm for a photovoltaic system. Int. J. Electr. Comput. Eng. 2018, 8, 867–879. [Google Scholar] [CrossRef]
- Mohamed, M.A.; Zaki Diab, A.A.; Rezk, H. Partial shading mitigation of PV systems via different meta-heuristic techniques. Renew. Energy 2019, 130, 1159–1175. [Google Scholar] [CrossRef]
- Zainuri, M.A.A.M.; Azari, E.A.; Ibrahim, A.A.; Ayob, A.; Yusof, Y.; Radzi, M.A.M. Analysis of adaptive perturb and observe-fuzzy logic control maximum power point tracking for photovoltaic boost DC-DC converter. Int. J. Adv. Trends Comput. Sci. Eng. 2019, 8, 201–210. [Google Scholar] [CrossRef]
- Mohammad, A.N.M.; Radzi, M.A.M.; Azis, N.; Shafie, S.; Zainuri, M.A.A.M. An enhanced adaptive perturb and observe technique for effcient maximum power point tracking under partial shading conditions. Appl. Sci. 2020, 10, 3912. [Google Scholar] [CrossRef]
- Verma, D.; Nema, S.; Shandilya, A.M.; Dash, S.K. Maximum power point tracking (MPPT) techniques: Recapitulation in solar photovoltaic systems. Renew. Sustain. Energy Rev. 2016, 54, 1018–1034. [Google Scholar] [CrossRef]
- Sudheer, P.; Chengaiah, C.; Engineering, S.V.U.C.; Pradesh, A.; Engineering, S.V.U.C.; Pradesh, A. Maximum Power Point tracking algorithms for solar power system- Review. Int. Res. J. Eng. Technol. 2017, 4, 1507–1514. [Google Scholar]
- Liu, Y.H.; Chen, J.H.; Huang, J.W. A review of maximum power point tracking techniques for use in partially shaded conditions. Renew. Sustain. Energy Rev. 2015, 41, 436–453. [Google Scholar] [CrossRef]
- Husain, M.A.; Tariq, A.; Hameed, S.; Arif, M.S.B.; Jain, A. Comparative assessment of maximum power point tracking procedures for photovoltaic systems. Green Energy Environ. 2017, 2, 5–17. [Google Scholar] [CrossRef]
- Singh, O.; Gupta, S.K. A review on recent Mppt techniques for photovoltaic system. In Proceedings of the 2018 IEEMA Engineer Infinite Conference (eTechNxT), New Delhi, India, 13–14 March 2018; pp. 1–6. [Google Scholar] [CrossRef]
- Hadji, S.; Gaubert, J.P.; Krim, F. Real-time Genetic Algorithms-based MPPT: Study and comparison (theoretical an experimental) with conventional methods. Energies 2018, 11, 459. [Google Scholar] [CrossRef]
- Seyedmahmoudian, M.; Horan, B.; Soon, T.K.; Rahmani, R.; Than Oo, A.M.; Mekhilef, S.; Stojcevski, A. State of the art artificial intelligence-based MPPT techniques for mitigating partial shading effects on PV systems—A review. Renew. Sustain. Energy Rev. 2016, 64, 435–455. [Google Scholar] [CrossRef]
- Karami, N.; Moubayed, N.; Outbib, R. General review and classification of different MPPT Techniques. Renew. Sustain. Energy Rev. 2017, 68, 1–18. [Google Scholar] [CrossRef]
- Titri, S.; Larbes, C.; Toumi, K.Y.; Benatchba, K. A new MPPT controller based on the Ant colony optimization algorithm for Photovoltaic systems under partial shading conditions. Appl. Soft Comput. J. 2017, 58, 465–479. [Google Scholar] [CrossRef]
- Ahmed, J.; Salam, Z. A Maximum Power Point Tracking (MPPT) for PV system using Cuckoo Search with partial shading capability. Appl. Energy 2014, 119, 118–130. [Google Scholar] [CrossRef]
- Rezk, H.; Eltamaly, A.M. A comprehensive comparison of different MPPT techniques for photovoltaic systems. Sol. Energy 2015, 112, 1–11. [Google Scholar] [CrossRef]
- Yang, B.; Zhong, L.; Zhang, X.; Shu, H.; Yu, T.; Li, H.; Jiang, L.; Sun, L. Novel bio-inspired memetic salp swarm algorithm and application to MPPT for PV systems considering partial shading condition. J. Clean. Prod. 2019, 215, 1203–1222. [Google Scholar] [CrossRef]
- Ahmad, R.; Murtaza, A.F.; Sher, H.A. Power tracking techniques for efficient operation of photovoltaic array in solar applications—A review. Renew. Sustain. Energy Rev. 2019, 101, 82–102. [Google Scholar] [CrossRef]
- Alik, R.; Jusoh, A.; Sutikno, T. A Review on Perturb and Observe Maximum Power Point Tracking in Photovoltaic System. Int. Res. J. Eng. Technol. (IRJET) 2016, 13, 745. [Google Scholar] [CrossRef]
- Pakkiraiah, B.; Sukumar, G.D. Research Survey on Various MPPT Performance Issues to Improve the Solar PV System Efficiency. J. Sol. Energy 2016, 2016, 1–20. [Google Scholar] [CrossRef]
- Rai, A.; Awasthi, B.; Singh, S.; Dwivedi, C.K. A review of Maximum Power Point Tracking Techniques for Photovoltaic System. Int. J. Eng. Res. 2016, 5, 539–545. [Google Scholar] [CrossRef]
- Sher, H.A.; Murtaza, A.F.; Noman, A.; Addoweesh, K.E.; Chiaberge, M. An intelligent control strategy of fractional short circuit current maximum power point tracking technique for photovoltaic applications. J. Renew. Sustain. Energy 2015, 7, 1–15. [Google Scholar] [CrossRef]
- Srinivas, C.L.S.; Sreeraj, E.S. A Maximum Power Point Tracking Technique Based on Ripple Correlation Control for Single Phase Photovoltaic System with Fuzzy Logic Controller. Energy Procedia 2015, 90, 69–77. [Google Scholar] [CrossRef]
- Oulcaid, M.; El Fadil, H.; Yahya, A.; Giri, F. Maximum Power Point Tracking Algorithm for Photovoltaic Systems under Partial Shaded Conditions. Int. Federation Autom. Control 2016, 49, 217–222. [Google Scholar] [CrossRef]
- Dhande, D.P.; Chaudhari, A.P.; Mahajan, G.K. A Review of Various Mppt Techniques for Photovoltaic System. Int. J. Innov. Eng. Res. Technol. 2015, 2, 1–11. [Google Scholar]
- Rashid, M.H. Power Electronics: Circuits, Devices, and Applications, 3rd ed.; Pearson Prentice Hall: Upper Saddle River, NJ, USA, 2004. [Google Scholar]
- Mahela, O.P.; Shaik, A.G. Comprehensive overview of grid interfaced solar photovoltaic systems. Renew. Sustain. Energy Rev. 2017, 68, 316–332. [Google Scholar] [CrossRef]
- Jana, J.; Saha, H.; Das Bhattacharya, K. A review of inverter topologies for single-phase grid-connected photovoltaic systems. Renew. Sustain. Energy Rev. 2017, 72, 1256–1270. [Google Scholar] [CrossRef]
- Zeb, K.; Uddin, W.; Khan, M.A.; Ali, Z.; Ali, M.U.; Christofides, N.; Kim, H.J. A comprehensive review on inverter topologies and control strategies for grid connected photovoltaic system. Renew. Sustain. Energy Rev. 2018, 94, 1120–1141. [Google Scholar] [CrossRef]
- Pillai, S.; Thale, S. Design and Implementation of a Three Phase Inverter for Renewable Energy Source with Unified Control Strategy. Energy Procedia 2015, 90, 673–680. [Google Scholar] [CrossRef]
- Srivastava, A.K.; Tripathi, S.M. Current source inverter fed induction motor drives: A survey. Int. J. Electr. Syst. 2011, 1, 14–27. [Google Scholar]
- Kadir, A.F.A.; Khatib, T.; Elmenreich, W. Integrating photovoltaic systems in power system: Power quality impacts and optimal planning challenges. Int. J. Photoenergy 2014, 2014, 1–7. [Google Scholar] [CrossRef]
- Chauhan, A.; Thakur, R. Power Quality Improvement using Passive & Active Filters. Int. J. Eng. Trends Technol. 2016, 36, 130–136. [Google Scholar] [CrossRef]
- Sundar, D.J.; Kumaran, M.S. Common mode behavior in grid connected DC and AC decoupled PV Inverter topologies. Arch. Electr. Eng. 2016, 65, 481–493. [Google Scholar] [CrossRef]
- Borgaonkar, A. Solid State Transformers: A Review of Technology and Applications. 2015. Available online: File:///C:/Users/MDPI/AppData/Local/Temp/Solid_State_Transformer-TechnologyReview.pdf (accessed on 11 August 2020). [CrossRef]
- Shayestegan, M. Overview of grid-connected two-stage transformer-less inverter design. J. Mod. Power Syst. Clean Energy 2018, 6, 642–655. [Google Scholar] [CrossRef]
- Ruturaj, V.; Shinde, P.D.B. A Review on Generator Grid Synchronization Needs Effects, Parameters and Various Methods. Int. J. Res. Appl. Sci. Eng. Technol. 2016, 4, 715–723. [Google Scholar]
- Rajan, J.D.; Supriya, S. Kadam Synchronization of Three Phase Inverter with Electrical Grid. Int. J. Eng. Res. 2015, 4, 1024–1031. [Google Scholar] [CrossRef]
- Nguyen, X.T.; Nguyen, D.Q.; Tran, T. Power control of a photovoltaic system connected to a distribution frid in Vietnam. Vietnam Acad. Sci. Technol. J. Sci. Technol. 2015, 53, 331–336. [Google Scholar]
- Dragicevic, T.; Meng, L.; Blaabjerg, F.; Li, Y. Control of Power Converters in ac and dc Microgrids. IEEE Trans. Power Electron. 2019, 27, 4734–4749. [Google Scholar] [CrossRef]
- Hassaine, L.; Olías, E.; Quintero, J.; Barrado, A. Digital control based on the shifting phase for grid connected photovoltaic inverter. In Proceedings of the Conference Proceedings—IEEE Applied Power Electronics Conference and Exposition—APEC, Austin, TX, USA, 24–28 February 2008; pp. 945–951. [Google Scholar]
- Elbaset, A.A.; Hassan, M.S.; Ali, H. Performance analysis of grid-connected PV system. In Proceedings of the 2016 Eighteenth International Middle East Power Systems Conference (MEPCON), Cairo, Egypt, 27–29 December 2016; pp. 675–682. [Google Scholar] [CrossRef]
- Abdalrahman, A.; Inverters, G.; Abdalrahman, A.; Alshazly, A. Simulation and Implementation of Grid—Connected Inverters, Simulation and Implementation of. Int. J. Comput. Appl. 2012, 60, 41–49. [Google Scholar] [CrossRef]
- Abdalrahman, A.; Zekry, A. Control of the grid-connected inverter using dsPIC microcontroller. In Proceedings of the 2013 2nd International Japan-Egypt Conference on Electronics, Communications and Computers, JEC-ECC 2013, Cairo, Egypt, 17–19 December 2013; pp. 159–164. [Google Scholar]
- Althobaiti, A.; Armstrong, M.; Elgendy, M.A. Current Control of Three Phase Grid—Connected PV Inverters using Adaptive Controllers. Int. J. Res. Comput. Commun. Technol. 2017, 6, 256–262. [Google Scholar]
- Blaabjerg, F.; Teodorescu, R.; Liserre, M.; Timbus, A.V. Overview of control and grid synchronization for distributed power generation systems. IEEE Trans. Ind. Electron. 2006, 53, 1398–1409. [Google Scholar] [CrossRef]
- Naderipour, A.; Zin, A.A.M.; Habibuddin, M.H.B.; Miveh, M.R.; Guerrero, J.M. An improved synchronous reference frame current control strategy for a photovoltaic grid-connected inverter under unbalanced and nonlinear load conditions. PLoS ONE 2017, 12, e0164856. [Google Scholar] [CrossRef]
- Golestan, S.; Monfared, M.; Freijedo, F.D. Design-Oriented Study of Advanced Synchronous Reference Frame Phase-Locked Loops. IEEE Trans. Power Electron. 2013, 28, 765–778. [Google Scholar] [CrossRef]
- Harrison, W.P.M.J.; Duke, R.M. Three-Phase Phase-Locked Loop Control of a New Generation Power Converter. In Proceedings of the ICIEA, Singapore, 24–26 May 2006. [Google Scholar]
- Shaikh, F.; Joseph, B. Simulation of synchronous reference frame PLL for grid synchronization using Simulink. In Proceedings of the International Conference on Advances in Computing, Communication and Control 2017, ICAC3 2017, Mumbai, India, 1–2 December 2017. [Google Scholar]
- Refaat, A.; Kalas, A.; Daoud, A.; Bendary, F. A Control Methodology of Three Phase Grid Connected PV System. In Proceedings of the Clemson University Power Systems Conference (PSC 2013), Clemson, SC, USA, 12–15 March 2013. [Google Scholar]
- Santhoshi, B.K.; Sundaram, K.M.; Padmanaban, S.; Holm-Nielsen, J.B.; Prabhakaran, K.K. Critical review of PV grid-tied inverters. Energies 2019, 12, 1921. [Google Scholar] [CrossRef]
- Jaalam, N.; Rahim, N.A.; Bakar, A.H.A.; Tan, C.K.; Haidar, A.M.A. A comprehensive review of synchronization methods for grid-connected converters of renewable energy source. Renew. Sustain. Energy Rev. 2016, 59, 1471–1481. [Google Scholar] [CrossRef]
- Guo, X.; Wu, W.; Gu, H. Phase locked loop and synchronization methods for grid-interfaced converters: A review. Prz. Elektrotechniczny (Electr. Rev.) 2011, 87, 182–187. [Google Scholar]
- Li, Y.; Lu, N.; Wang, X.; Jiang, B. Islanding fault detection based on data-driven approach with active developed reactive power variation. Neurocomputing 2019, 337, 97–109. [Google Scholar] [CrossRef]
- Mastromauro, R.A. Grid Synchronization and Islanding Detection Methods for Single-Stage Photovoltaic Systems. Energies 2020, 13, 3382. [Google Scholar] [CrossRef]
- Kim, M.S.; Haider, R.; Cho, G.J.; Kim, C.H.; Won, C.Y.; Chai, J.S. Comprehensive review of islanding detection methods for distributed generation systems. Energies 2019, 12, 837. [Google Scholar] [CrossRef]
- IEEE. IEEE Recommended Practice for Utility Interface of Photovoltaic (PV) Systems. IEEE Std. 2000, 2000, 32. [Google Scholar]
- Schwartfeger, L.; Santos-Martin, D. Review of Distributed Generation Interconnection Standards. In Proceedings of the EEA Conference & Exhibition 2014, Auckland, New Zealand, 18–20 June 2014. [Google Scholar]
- Wu, Y.; Lin, J.; Lin, H. Standards and Guidelines for Grid-connected Photovoltaic Generation Systems: A Review and Comparison Yuan-Kang Wu Jhih-Hao Lin Huei-Jeng Lin. IEEE Trans. Ind. Appl. 2017, 53, 3205–3216. [Google Scholar] [CrossRef]
- Dhass, A.D.; Senthil Kumar, R.; Lakshmi, P.; Natarajan, E.; Arivarasan, A. An investigation on performance analysis of different PV materials. Mater. Today Proc. 2019, 22, 330–334. [Google Scholar] [CrossRef]
- Agüera-Pérez, A.; Palomares-Salas, J.C.; González de la Rosa, J.J.; Florencias-Oliveros, O. Weather forecasts for microgrid energy management: Review, discussion and recommendations. Appl. Energy 2018, 228, 265–278. [Google Scholar] [CrossRef]
- Wang, B.; Xian, L.; Manandhar, U.; Ye, J.; Zhang, X.; Gooi, H.B.; Ukil, A. Hybrid energy storage system using bidirectional single-inductor multiple-port converter with model predictive control in DC microgrids. Electr. Power Syst. Res. 2019, 173, 38–47. [Google Scholar] [CrossRef]
- Hema Rani, P.; Navasree, S.; George, S.; Ashok, S. Fuzzy logic supervisory controller for multi-input non-isolated DC to DC converter connected to DC grid. Int. J. Electr. Power Energy Syst. 2019, 112, 49–60. [Google Scholar] [CrossRef]
- Pourbehzadi, M.; Niknam, T.; Aghaei, J.; Mokryani, G.; Shafie-khah, M.; Catalão, J.P.S. Optimal operation of hybrid AC/DC microgrids under uncertainty of renewable energy resources: A comprehensive review. Int. J. Electr. Power Energy Syst. 2019, 109, 139–159. [Google Scholar] [CrossRef]
- Faraji, F.; Mousavi, G.S.M.; Hajirayat, A.; Birjandi, A.A.M.; Al-Haddad, K. Single-stage single-phase three-level neutral-point-clamped transformerless grid-connected photovoltaic inverters: Topology review. Renew. Sustain. Energy Rev. 2017, 80, 197–214. [Google Scholar] [CrossRef]
- González, M.; Cárdenas, V.; Miranda, H.; Álvarez-Salas, R. Modular multilevel converter for large-scale photovoltaic generation with reactive power flow and unbalanced active power extraction capabilities. Math. Comput. Simul. 2019, 162, 135–154. [Google Scholar] [CrossRef]
- Sinha, A.; Chandra Jana, K.; Kumar Das, M. An inclusive review on different multi-level inverter topologies, their modulation and control strategies for a grid connected photo-voltaic system. Sol. Energy 2018, 170, 633–657. [Google Scholar] [CrossRef]
- Sahoo, S.K.; Sukchai, S.; Yanine, F.F. Review and comparative study of single-stage inverters for a PV system. Renew. Sustain. Energy Rev. 2018, 91, 962–986. [Google Scholar] [CrossRef]
- Yazdaninejadi, A.; Hamidi, A.; Golshannavaz, S.; Aminifar, F.; Teimourzadeh, S. Impact of inverter-based DERs integration on protection, control, operation, and planning of electrical distribution grids. Electr. J. 2019, 32, 43–56. [Google Scholar] [CrossRef]
- Asha Rani, M.A.; Nagamani, C.; Saravana Ilango, G. A versatile method for computation of power pulsations in DFIG under grid imperfections. Renew. Energy 2016, 88, 143–153. [Google Scholar] [CrossRef]
- Lakum, A.; Mahajan, V. Optimal placement and sizing of multiple active power filters in radial distribution system using grey wolf optimizer in presence of nonlinear distributed generation. Electr. Power Syst. Res. 2019, 173, 281–290. [Google Scholar] [CrossRef]
- Zhang, J.; Cao, D.; Diaham, S.; Zhang, X.; Yin, X.; Wang, Q. Research on potential induced degradation (PID) of polymeric backsheet in PV modules after salt-mist exposure. Sol. Energy 2019, 188, 475–482. [Google Scholar] [CrossRef]
- Mulla, M.A.; Chudamani, R.; Chowdhury, A. A novel control method for series hybrid active power filter working under unbalanced supply conditions. Int. J. Electr. Power Energy Syst. 2015, 64, 328–339. [Google Scholar] [CrossRef]
- Chandak, S.; Bhowmik, P.; Mishra, M.; Rout, P.K. Autonomous microgrid operation subsequent to an anti-islanding scheme. Sustain. Cities Soc. 2018, 39, 430–448. [Google Scholar] [CrossRef]
- Singh, B.; Sharma, J. A review on distributed generation planning. Renew. Sustain. Energy Rev. 2017, 76, 529–544. [Google Scholar] [CrossRef]
- Meral, M.E.; Çelík, D. A comprehensive survey on control strategies of distributed generation power systems under normal and abnormal conditions. Annu. Rev. Control 2019, 47, 112–132. [Google Scholar] [CrossRef]
- Balamurugan, M.; Sahoo, S.K.; Sukchai, S. Application of soft computing methods for grid connected PV system: A technological and status review. Renew. Sustain. Energy Rev. 2017, 75, 1493–1508. [Google Scholar] [CrossRef]
- Kim, K.-S.; Lee, S.-H.; Cha, W.-J.; Kwon, B.-H. Three-level three-phase transformerless inverter with low leakage current for photovoltaic power conditioning system. Sol. Energy 2017, 142, 243–252. [Google Scholar] [CrossRef]
- Jurisic, B.; Uglesic, I.; Xemard, A.; Paladian, F. Difficulties in high frequency transformer modeling. Electr. Power Syst. Res. 2016, 138, 25–32. [Google Scholar] [CrossRef]
- Ramírez-Niño, J.; Haro-Hernández, C.; Rodriguez-Rodriguez, J.H.; Mijarez, R. Core saturation effects of geomagnetic induced currents in power transformers. J. Appl. Res. Technol. 2016, 14, 87–92. [Google Scholar] [CrossRef]
- Kirthiga, S.; Jothi Swaroopan, N.M. Highly reliable inverter topology with a novel soft computing technique to eliminate leakage current in grid-connected transformerless photovoltaic systems. Comput. Electr. Eng. 2018, 68, 192–203. [Google Scholar] [CrossRef]
- Samimi, M.H.; Hillenbrand, P.; Tenbohlen, S.; Shayegani Akmal, A.A.; Mohseni, H.; Faiz, J. Investigating the applicability of the finite integration technique for studying the frequency response of the transformer winding. Int. J. Electr. Power Energy Syst. 2019, 110, 411–418. [Google Scholar] [CrossRef]
- Bahrami, A.; Okoye, C.O.; Atikol, U. Technical and economic assessment of fixed, single and dual-axis tracking PV panels in low latitude countries. Renew. Energy 2017, 113, 563–579. [Google Scholar] [CrossRef]
- Wang, J.; Tyuryukanov, I.; Monti, A. Design of a novel robust current controller for grid-connected inverter against grid impedance variations. Int. J. Electr. Power Energy Syst. 2019, 110, 454–466. [Google Scholar] [CrossRef]
- Kolesnik, S.; Sitbon, M.; Gadelovits, S.; Suntio, T.; Kuperman, A. Interfacing renewable energy sources for maximum power transfer—Part II: Dynamics. Renew. Sustain. Energy Rev. 2015, 51, 1771–1783. [Google Scholar] [CrossRef]
- Pranesh, V.; Velraj, R.; Christopher, S.; Kumaresan, V. A 50 year review of basic and applied research in compound parabolic concentrating solar thermal collector for domestic and industrial applications. Sol. Energy 2019, 187, 293–340. [Google Scholar] [CrossRef]
- Messalti, S.; Harrag, A.; Loukriz, A. A new variable step size neural networks MPPT controller: Review, simulation and hardware implementation. Renew. Sustain. Energy Rev. 2017, 68, 221–233. [Google Scholar] [CrossRef]
- Mohapatra, A.; Nayak, B.; Das, P.; Mohanty, K.B. A review on MPPT techniques of PV system under partial shading condition. Renew. Sustain. Energy Rev. 2017, 80, 854–867. [Google Scholar] [CrossRef]
- Meddour, S.; Rahem, D.; Cherif, A.Y.; Hachelfi, W.; Hichem, L. A novel approach for PV system based on metaheuristic algorithm connected to the grid using FS-MPC controller. Energy Procedia 2019, 162, 57–66. [Google Scholar] [CrossRef]
- Sri Revathi, B.; Mahalingam, P.; Gonzalez-Longatt, F. Interleaved high gain DC-DC converter for integrating solar PV source to DC bus. Sol. Energy 2019, 188, 924–934. [Google Scholar] [CrossRef]
- Salem, M.; Jusoh, A.; Idris, N.R.N.; Das, H.S.; Alhamrouni, I. Resonant power converters with respect to passive storage (LC) elements and control techniques—An overview. Renew. Sustain. Energy Rev. 2018, 91, 504–520. [Google Scholar] [CrossRef]
- Zhao, G.; Li, M.; Jian, L.; He, Z.; Shuang, J.; Yuping, S.; Zhang, Q.; Zhongxian, L. Analysis of Fire Risk Associated with Photovoltaic Power Generation System. Adv. Civ. Eng. 2018, 2018, 1–7. [Google Scholar] [CrossRef]



















| Parameters | 1st Review Paper [12] | 2nd Review Paper [13] | 3rd Review Paper [14] |
|---|---|---|---|
| Scope of the review | 1st paper covers almost similar in content and structure. Details analysis on each section of GPV generation system. | 2nd review paper mostly focused on the modeling of the PV, MPPT methods, converter’s topologies and control algorithms. | 3rd paper presents a review of the recent technological development and trends in the GPV generation system. |
| Advantages | 1st Paper emphasis on prevailing technology along with the techno-economic comparison of commercial available components in the market. | The authors highlight the importance of continuous research in the field of material and power electronics technologies which able to reduce overall cost and increases the system efficiencies. | The main intention of 3rd paper are on the economic growing of GPV generation system as well as the technical challenges posed by mass proliferation. |
| Drawbacks | Details study on PV cell development is not covered. Moreover, it does not stated the recent and future challenges faced by the GPV generation system. In addition to that, there is no mention on fire protection and disposable standard. | Recent update on PV cell, MPPT technique not well reported. The description on the types of filters, switching techniques, grid synchronization and islanding detection methods were also missing. | 3rd paper merely focuses on PV installation cost and smart inverters. It is totally lack of details explanation on the other sub-topics within the GPV generation system. |
| Focus Group | Young Researcher PV Researcher Project Engineer | Young Researcher PV Researcher Project Engineer | Young Researcher PV Researcher |
| MPPT Technique | Parameters | ||||||
|---|---|---|---|---|---|---|---|
| PV Array Dependent | Analog or Digital | Convergence Speed | Implementation Complexity | Input Sensors | Tracking Approach | Under Partial Shading Condition | |
| HC | No | Both | Slow | Low | V, I | Iteration | Ineffective |
| P&O | No | Both | Medium | Low | V, I | Iteration | Ineffective |
| INC | No | Digital | Varies | Medium | V, I | Mathematical Calculation | Ineffective |
| FOCV | Yes | Both | Medium | Low | V | Constant Parameters | Ineffective |
| FSCC | Yes | Both | Medium | Medium | I | Constant Parameters | Ineffective |
| RCC | No | Analog | Fast | Medium | V, I | Mathematical Calculation | Ineffective |
| A voltage or Current Sweep | Yes | Digital | Slow | High | V, I | Mathematical Calculation | Ineffective |
| DC-Link Capacitor Droop | No | Both | Medium | Low | V | Iteration | Ineffective |
| The load I or V Maximization | No | Analog | Fast | Low | V, I | Measurement and Comparison | Ineffective |
| dP/dV or dP/dI Feedback Control | No | Digital | Fast | Medium | V & I | Mathematical Calculation | Ineffective |
| FL | Yes | Digital | Fast | High | Varies | Intelligent Prediction | Partially Effective |
| ANN | Yes | Digital | Fast | High | T, G & I | Intelligent Prediction | Partially Effective |
| PSO | No | Digital | Fast | High | V & I | Soft Computing | Effective |
| GA | No | Digital | Fast | High | Varies | Soft Computing | Effective |
| RMO | No | Digital | Fast | Medium | Varies | Soft Computing | Effective |
| BSCA | No | Digital | Medium | High | V, I,G,T | Soft Computing | Effective |
| ACO | No | Digital | Fast | High | V, I | Soft Computing | Effective |
| CS | No | Digital | Fast | High | V | Soft Computing | Effective |
| SSA | No | Digital | Fast | High | V, I | Soft Computing | Effective |
| GWO | No | Digital | Fast | High | V, I | Soft Computing | Effective |
| Parameters | Description |
|---|---|
| Phase Sequence | The phase sequence or phase rotation of the three-phase inverter must be matching as the phase sequence of the three phases of the grid. |
| Voltage Magnitude | The magnitude of the sinusoidal voltage produced by the inverter must be equivalent to the magnitude of the sinusoidal voltage of the grid |
| Frequency | The frequency of the sinusoidal voltage produced by the inverter must be equal to the frequency of the sinusoidal voltage of the grid. |
| Phase Angle | The phase angle between the sinusoidal voltages produced by the inverter and the sinusoidal voltage generated by the grid must be zero. |
| Parameter | The Direction of Power Flow | |
|---|---|---|
| Phase Difference, | The real power, flows from inverter to Grid | |
| The real power, flows from Grid to Inverter | ||
| Voltage Magnitude, | The reactive power, flows from Inverter to Grid | |
| The reactive power, flows from Grid to Inverter | ||
| Main Components on GPV Generation System | |||||||
|---|---|---|---|---|---|---|---|
| PV Module | MPPT | DC-DC Converter | Inverter | Line Filter | Synchronization Control Technique | Coupling Transformer | Interface Impedance |
| Material on high energy conversion efficiency and low-cost implementation | The exact and variable step size of Duty Cycle and Voltage. | High gain DC-DC Converters. | DC-AC Ratio Optimization | Impact on power quality, protection, and operation of distribution feeders. | Protection scheme against Islanding, transient fault condition, rapidly changing reactive power demand by grid. | The single-stage transformer-less conversion system. | An optimization technique for Inverter-Grid Interface Impedance. |
| Protection against the high intensity of irradiation, fire hazard, haze, and extreme climatic changes | The exact and variable step size of the perturbation period. | Resonant Converters with soft-switching technique. | Three-level neutral point clamp Topologies. | Hybrid Passive Filter configurations. | Supervisor controller to control of multiple distributed generation plants. | High-Frequency (HF) Transformer. | Characteristic of interface impedance for maximum power transfer. |
| Potential Induced Degradation (PID) effect | Partially shaded condition. | Multi-level DC-DC Converters. | Multi-level Modular Central Inverter. | Double line frequency pulsating power issue. | Smart grid and smart energy storage system. | Effect of Core Losses and Saturation to Power transfer. | |
| Development of advance Sun Tracking PV Panel | Sensor-less MPPT Algorithm. | Multiple Input Multiple Output DC-DC Converters. | Modulation control technique. | Shunt Active Power Filter for Three-phase system. | Control strategy for Unbalanced, distorted and Non-linear load conditions. | Leakage current in Transformer-less system. | |
| Booster application to intensify the Irradiation and Temperature | The introduction of artificial intelligence i.e., Heuristic search methods. | Control technique for non-isolated DC-DC Converters. | Single-stage Transformer-less Inverters. | Hybrid Active and Passive Filter configuration. | The introduction of artificial intelligence in the synchronization of the grid-connected PV system. | Study on the Construction and Core Design of Transformer. | |
© 2020 by the authors. Licensee MDPI, Basel, Switzerland. This article is an open access article distributed under the terms and conditions of the Creative Commons Attribution (CC BY) license (http://creativecommons.org/licenses/by/4.0/).
Share and Cite
Mohamed Hariri, M.H.; Mat Desa, M.K.; Masri, S.; Mohd Zainuri, M.A.A. Grid-Connected PV Generation System—Components and Challenges: A Review. Energies 2020, 13, 4279. https://doi.org/10.3390/en13174279
Mohamed Hariri MH, Mat Desa MK, Masri S, Mohd Zainuri MAA. Grid-Connected PV Generation System—Components and Challenges: A Review. Energies. 2020; 13(17):4279. https://doi.org/10.3390/en13174279
Chicago/Turabian StyleMohamed Hariri, Muhammad Hafeez, Mohd Khairunaz Mat Desa, Syafrudin Masri, and Muhammad Ammirrul Atiqi Mohd Zainuri. 2020. "Grid-Connected PV Generation System—Components and Challenges: A Review" Energies 13, no. 17: 4279. https://doi.org/10.3390/en13174279
APA StyleMohamed Hariri, M. H., Mat Desa, M. K., Masri, S., & Mohd Zainuri, M. A. A. (2020). Grid-Connected PV Generation System—Components and Challenges: A Review. Energies, 13(17), 4279. https://doi.org/10.3390/en13174279

