Least Squares Method for Identification of IGBT Thermal Impedance Networks Using Direct Temperature Measurements
Abstract
1. Introduction
2. Direct Temperature Measurement
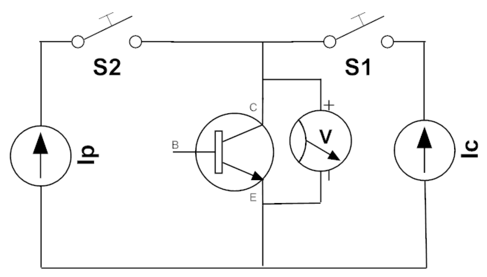
2.1. Experimental Setup
2.2. Voltage and Current Measurement
3. Identification of Thermal Networks Using Least Squares
3.1. Linear Transfer Function
3.2. Computational Issues
3.3. Regularizations Methods
3.4. Tuning of Penalizations
4. TSEP Based Thermal Impedance Network Model
4.1. Determination of Calibration Curve
4.2. Thermal Impedance Network
5. Experimental Results
5.1. Experimental Results with Least Squares Method
5.2. Experimental Results with TSEP Method
5.3. TSEP Method vs. Novel Least Squares Approach
6. Conclusions
Author Contributions
Funding
Conflicts of Interest
References
- Blackburn, D. Temperature measurements of semiconductor devices—A review. In Proceedings of the Twentieth Annual IEEE Semiconductor Thermal Measurement and Management Symposium, San Jose, CA, USA, 11 March 2004. [Google Scholar]
- Niu, H.; Lorenz, R.D. Sensing IGBT junction temperature using gate drive output transient properties. In Proceedings of the IEEE Applied Power Electronics Conference and Exposition (APEC), Charlotte, NC, USA, 15–19 March 2015. [Google Scholar]
- Achiri, H.M.N.; Smidl, V.; Peroutka, Z. Mitigation of electric drivetrain oscillation resulting from abrupt current derating at low coolant flow rate. In Proceedings of the 41st Annual Conference of the IEEE Industrial Electronics Society, Yokohama, Japan, 9–12 November 2015. [Google Scholar]
- Huang, H.; Mawby, P.A. A Lifetime Estimation Technique for Voltage Source Inverters. IEEE Trans. Power Electron. 2013, 28, 4113–4119. [Google Scholar] [CrossRef]
- Choi, U.-M.; Blaabjerg, F.; Jørgensen, S. Study on Effect of Junction Temperature Swing Duration on Lifetime of Transfer Molded Power IGBT Modules. IEEE Trans. Power Electron. 2017, 32, 6434–6443. [Google Scholar] [CrossRef]
- Tran, S.H.; Khatir, Z.; Lallemand, R.; Ibrahim, A.; Ousten, J.P.; Ewanchuk, J.; Mollov, S.V. Constant ΔTj Power Cycling Strategy in DC Mode for Top-Metal and Bond-Wire Contacts Degradation Investigations. IEEE Trans. Power Electron. 2019, 34, 2171–2180. [Google Scholar] [CrossRef]
- Chen, H.; Ji, B.; Pickert, V.; Cao, W. Real-Time Temperature Estimation for Power MOSFETs Considering Thermal Aging Effects. IEEE Trans. Device Mater. Reliab. 2013, 14, 220–228. [Google Scholar] [CrossRef]
- Asimakopoulos, P.; Papastergiou, K.; Thiringer, T.; Godec, G.L. On Vce Method: In Situ Temperature Estimation and Aging Detection of High-Current IGBT Modules Used in Magnet Power Supplies for Particle Accelerators. IEEE Trans. Ind. Electron. 2018, 66, 551–560. [Google Scholar] [CrossRef]
- Vogel, K.; Ciliox, A.; Schmal, A. IGBT with higher operation temperature-Power density, lifetime and impact on inverter design. In Proceedings of the PCIM Europe, Nuremberg, Germany, 17–19 May 2011. [Google Scholar]
- Plesca, A. Thermal Analysis of Power Semiconductor Device in Steady-State Conditions. Energies 2019, 13, 103. [Google Scholar] [CrossRef]
- Musallam, M.; Buttay, C.; Whitehead, M.; Johnson, M. Real-time compact electronic thermal modelling for health monitoring. In Proceedings of the European Conference on Power Electronics and Applications, Aalborg, Denmark, 2–5 September 2007. [Google Scholar]
- Murdock, D.; Torres, J.; Connors, J.; Lorenz, R. Active thermal control of power electronic modules. IEEE Trans. Ind. Appl. 2006, 42, 552–558. [Google Scholar] [CrossRef]
- Musallam, M.; Acarnley, P.; Johnson, C.; Pritchard, L.; Pickert, V. Estimation and control of power electronic device temperature during operation with variable conducting current. IET Circuits Devices Syst. 2007, 1, 111–116. [Google Scholar] [CrossRef]
- Yu, Y.; Lee, T.-Y.T.; Chiriac, V.A. Compact Thermal Resistor-Capacitor-Network Approach to Predicting Transient Junction Temperatures of a Power Amplifier Module. IEEE Trans. Compon. Packag. Manuf. Technol. 2012, 2, 1172–1181. [Google Scholar] [CrossRef]
- Gorecki, K.; Zarebski, J. Nonlinear Compact Thermal Model of Power Semiconductor Devices. IEEE Trans. Compon. Packag. Technol. 2010, 33, 643–647. [Google Scholar] [CrossRef]
- Sofia, J. Analysis of thermal transient data with synthesized dynamic models for semiconductor devices. IEEE Trans. Compon. Packag. Manuf. Technol. 1995, 18, 39–47. [Google Scholar] [CrossRef]
- Rencz, M.; Szekely, V. Dynamic thermal multiport modeling of IC packages. IEEE Trans. Compon. Packag. Technol. 2001, 24, 596–604. [Google Scholar] [CrossRef]
- Wu, R.; Wang, H.; Ma, K.; Ghimire, P.; Iannuzzo, F.; Blaabjerg, F. A temperature-dependent thermal model of IGBT modules suitable for circuit-level simulations. In Proceedings of the 2014 IEEE Energy Conversion Congress and Exposition, Pittsburgh, PA, USA, 14–18 September 2014. [Google Scholar]
- Filicori, F.; Bianco, C.G.L. A simplified thermal analysis approach for power transistor rating in PWM-controlled DC/AC converters. IEEE Trans. Circuits Syst. I Fundam. Theory Appl. 1998, 45, 557–566. [Google Scholar] [CrossRef][Green Version]
- Yun, C.-S.; Malberti, P.; Ciappa, M.; Fichtner, W. Thermal component model for electrothermal analysis of IGBT module systems. IEEE Trans. Adv. Packag. 2001, 24, 401–406. [Google Scholar]
- Luo, Z.; Ahn, H.; Nokali, M.A.E. A thermal model for insulated gate bipolar transistor module. IEEE Trans. Power Electron. 2004, 19, 902–907. [Google Scholar] [CrossRef]
- Achiri, H.M.N.; Streit, L.; Smidl, V.; Peroutka, Z. Experimental validation of IGBT thermal impedances from voltage-based and direct temperature measurements. In Proceedings of the Annual Conference of the IEEE Industrial Electronics Society, Florence, Italy, 23–26 October 2016. [Google Scholar]
- Whitehead, M.J.; Johnson, C.M. Junction Temperature Elevation as a Result of Thermal Cross Coupling in a Multi-Device Power Electronic Module. In Proceedings of the 1st Electronics Systemintegration Technology Conference, Dresden, Germany, 5–7 September 2006. [Google Scholar]
- Avenas, Y.; Dupont, L.; Khatir, Z. Temperature Measurement of Power Semiconductor Devices by Thermo-Sensitive Electrical Parameters—A Review. IEEE Trans. Power Electron. 2011, 27, 3081–3092. [Google Scholar] [CrossRef]
- Dupont, L.; Avenas, Y.; Jeannin, P.-O. Comparison of Junction Temperature Evaluations in a Power IGBT Module Using an IR Camera and Three Thermosensitive Electrical Parameters. IEEE Trans. Ind. Appl. 2013, 49, 1599–1608. [Google Scholar] [CrossRef]
- Khatir, Z.; Carubelli, S.; Lecoq, F. Devices, Real-time computation of thermal constraints in multichip power electronic. IEEE Trans. Compon. Packag. Technol. 2004, 27, 337–344. [Google Scholar] [CrossRef]
- Chibante, R.; AraÚjo, A.; Carvalho, A. Finite-Element Modeling and Optimization-Based Parameter Extraction Algorithm for NPT-IGBTs. IEEE Trans. Power Electron. 2009, 24, 1417–1427. [Google Scholar] [CrossRef]
- Dornic, N.; Khatir, Z.; Tran, S.H.; Ibrahim, A.; Lallemand, R.; Ousten, J.-P.; Ewanchuk, J.; Mollov, S.V. Stress-Based Model for Lifetime Estimation of Bond Wire Contacts Using Power Cycling Tests and Finite-Element Modeling. IEEE J. Emerg. Sel. Top. Power Electron. 2019, 7, 1659–1667. [Google Scholar] [CrossRef]
- Raciti, A.; Cristaldi, D. Thermal modeling of integrated power electronic modules by a lumped-parameter circuit approach. In Proceedings of the AEIT Annual Conference, Mondello, Italy, 3–5 October 2013. [Google Scholar]
- Fabio, D.N.; Alessandro, M.; Marino, C.; Pierluigi, G.; Vincenzo, D.; Lorenzo, C.; Pietro, T.; Santolo, D. On-Line Junction Temperature Monitoring of Switching Devices with Dynamic Compact Thermal Models Extracted with Model Order Reduction. Energies 2017, 10, 189. [Google Scholar]
- Wang, Z.; Qiao, W. An Online Frequency-Domain Junction Temperature Estimation Method for IGBT Modules. IEEE Trans. Power Electron. 2015, 30, 4633–4637. [Google Scholar] [CrossRef]
- Gachovska, T.K.; Tian, B.; Hudgins, J.L.; Qiao, W.; Donlon, J.F. A Real-Time Thermal Model for Monitoring of Power Semiconductor Devices. IEEE Trans. Ind. Appl. 2015, 51, 3361–3367. [Google Scholar] [CrossRef]
- Eleffendi, M.A.; Johnson, C.M. Application of Kalman Filter to Estimate Junction Temperature in IGBT Power Modules. IEEE Trans. Power Electron. 2015, 31, 1576–1587. [Google Scholar] [CrossRef]
- Hoerl, E.; Kennard, R.W. Ridge regression: Biased estimation for nonorthogonal problems. Technometrics 1970, 12, 55–67. [Google Scholar] [CrossRef]
- Tipping, M.E. Sparse Bayesian Learning and the Relevance Vector Machine. J. Mach. Learn. Res. 2001, 1, 211–244. [Google Scholar]











| Currents (A) | Air Flowrate (Meters per Second m/s) | ||||
|---|---|---|---|---|---|
| 25 | 0 | 0.5 | 1 | 5 | 14 |
| 50 | 0 | 0.5 | 1 | 5 | 14 |
© 2020 by the authors. Licensee MDPI, Basel, Switzerland. This article is an open access article distributed under the terms and conditions of the Creative Commons Attribution (CC BY) license (http://creativecommons.org/licenses/by/4.0/).
Share and Cite
Njawah Achiri, H.M.; Smidl, V.; Peroutka, Z.; Streit, L. Least Squares Method for Identification of IGBT Thermal Impedance Networks Using Direct Temperature Measurements. Energies 2020, 13, 3749. https://doi.org/10.3390/en13143749
Njawah Achiri HM, Smidl V, Peroutka Z, Streit L. Least Squares Method for Identification of IGBT Thermal Impedance Networks Using Direct Temperature Measurements. Energies. 2020; 13(14):3749. https://doi.org/10.3390/en13143749
Chicago/Turabian StyleNjawah Achiri, Humphrey Mokom, Vaclav Smidl, Zdenek Peroutka, and Lubos Streit. 2020. "Least Squares Method for Identification of IGBT Thermal Impedance Networks Using Direct Temperature Measurements" Energies 13, no. 14: 3749. https://doi.org/10.3390/en13143749
APA StyleNjawah Achiri, H. M., Smidl, V., Peroutka, Z., & Streit, L. (2020). Least Squares Method for Identification of IGBT Thermal Impedance Networks Using Direct Temperature Measurements. Energies, 13(14), 3749. https://doi.org/10.3390/en13143749

