Abstract
Staged combustion is an effective technology to control NOx emissions for coal-fired boilers. In this paper, the characteristics of NOx emissions under a high temperature and strong reducing atmosphere conditions in staged air and O2/CO2 combustion were investigated by CHEMKIN. A methane flame doped with ammonia and hydrogen cyanide in a tandem-type tube furnace was simulated to detect the effects of combustion temperature and stoichiometric ratio on NOx emissions. Mechanism analysis was performed to identify the elementary steps for NOx formation and reduction at high temperatures. The results indicate that in both air and O2/CO2 staged combustion, the conversion ratios of fuel-N to NOx at the main combustion zone exit increase as the stoichiometric ratio rises, and they are slightly affected by the combustion temperature. The conversion ratios at the burnout zone exit decrease with the increasing stoichiometric ratio at low temperatures, and they are much higher than those at the main combustion zone exit. A lot of nitrogen compounds remain in the exhaust of the main combustion zone and are oxidized to NOx after the injection of a secondary gas. Staged combustion can lower NOx emissions remarkably, especially under a high temperature (≥1600 °C) and strong reducing atmosphere (SR ≤ 0.8) conditions. Increasing the combustion temperature under strong reducing atmosphere conditions can raise the H atom concentration and change the radical pool composition and size, which facilitate the reduction of NO to N2. Ultimately, the increased OH/H ratio in staged O2/CO2 combustion offsets part of the reducibility, resulting in the final NOx emissions being higher than those in air combustion under the same conditions.
1. Introduction
Nitrogen oxides (NOx) are one of the most predominant pollutants in coal-fired boilers. Because NOx can endanger human health severely and cause acid rain, there is an increasing public demand for reducing NOx emissions. Many countries have promulgated new NOx emission limits [1,2,3,4]. In China, the allowed NOx emissions should be below 100 mg of NO2/Nm3 (6% O2) for all coal-fired power plants after 2014. In the European Union, the NOx emission limit is expected to be lowered to 200 mg of NO2/Nm3 (6% O2) for power plants over 500 MWe by the year of 2016.
To achieve these stringent NOx emission limits, a combination of two or more NOx reduction techniques has to be used [5,6]. Currently, commercially available NOx reduction techniques include air staging, reburning, low-nitrogen burner [7], selective catalytic reduction (SCR) and selective non-catalytic reduction (SNCR). Among them, air staging, reburning and low-nitrogen burner are low NOx combustion techniques, whereas SCR and SNCR are post-combustion NOx reduction technologies employed to offer varying degrees of NOx control capability. Because of high capital and operating costs, ammonia leakage, deactivation of the catalyst, and relatively narrow temperature windows for post-combustion NOx-reduction technologies [8,9,10,11,12,13], it is more desirable in practice to remove as much NOx as possible during combustion to alleviate the dependency on SCR and SNCR.
Air staging is the most widely used NOx control technique during combustion in pulverized coal boilers, which employs a main combustion zone and a burnout zone within the furnace region (see Figure 1) [5,14,15]. About 80% of air flow enters the main combustion zone where pulverized coal burns under substoichiometric conditions, i.e., reducing atmosphere conditions. The balance of the required air for complete combustion is introduced to the burnout zone through overfire air (OFA) ports. In the main combustion zone, the deficiency of oxygen can accelerate CHm (with m = 1, 2, and 3) and NHn (with n = 0, 1, and 2) to reduce generated NOx to N2 [16]. After the balance of oxygen is supplied to the burnout zone, a small amount of fuel NOx will be formed here, as most of the fuel-N has been converted into N2 or NOx. Meanwhile, the generation of thermal NOx is also inhibited. As a result, lower emissions of NOx are achieved at the furnace exit.
Figure 1.
Pulverized coal boiler air-staged combustion NOx control system.
Many research efforts have been devoted to the characteristics of NOx formation and reduction in staged air combustion [1,3,16,17,18,19,20,21,22]. The results revealed that NOx emissions are mostly determined by coal properties, combustion temperature, stoichiometric ratio (SR) and residence time. Some investigators [17,22] reported that stoichiometric ratio can strongly affect the generation of NOx, and the conversion ratio of fuel-N to NOx falls with the decreasing stoichiometric ratio under reducing atmosphere conditions (SR < 1). Taniguchi et al. [1,19] detected the impact of combustion temperature on NOx emissions in a drop-tube furnace system used to simulate the air-staged combustion characteristics of actual pulverized coal boilers. They agreed that raising the temperature of the main combustion zone under reducing atmosphere conditions helps the reduction of NOx. This viewpoint is also supported by some other research work [21]. Thus, it is found that a high temperature or strong reducing atmosphere in the main combustion zone can lower NOx emissions. In other words, to achieve the minimal NOx emissions in staged air combustion, the combustion temperature should be raised as high as possible and the stoichiometric ratio should be reduced as far as possible simultaneously in the main combustion zone. Bai et al. [16] examined NOx emission levels of various coals under high temperature and strong reducing atmosphere conditions in a vertical tandem-type drop-tube furnace system. Their results verified the NOx removal potential of this combustion method.
Creating high temperature and strong reducing atmosphere conditions in staged air combustion to lower NOx emissions has a promising prospect. The slag-tap furnace is expected to be the most appropriate application for the combustion method owing to the following two aspects: The first is the high combustion temperature. For example, the gas temperature within the cyclone barrel is more than 1650 °C in cyclone-fired boilers [23]. The second is the decreased ash melting temperature under strong reducing atmosphere conditions [24]. The slag-tap furnace prefers to fire the coals having low ash melting temperatures without severe slagging. Moreover, there are also some other furnaces featuring high combustion temperatures [5,21].
O2/CO2 combustion is one of the most promising CO2-capture technologies in thermal power generation [25,26,27,28]. Studies have shown that staged combustion can also lower the NOx emissions in O2/CO2 combustion [16,20,26,29]. Thus, NOx formation and reduction under high temperatures and strong reducing atmosphere conditions in staged O2/CO2 combustion are also worthy being explored.
A number of researchers [4,6,20,30,31,32,33,34,35] have investigated the processes of NOx formation and reduction in staged air and O2/CO2 combustion to date. However, these studies were performed under the conditions of relatively low temperature or relatively high stoichiometric ratio. There are very few studies on the reaction mechanisms for NOx under high temperatures and strong reducing atmosphere conditions, which differ from those under conventional conditions of staged combustion. Meanwhile, how to co-ordinate the combustion temperature and stoichiometric ratio to achieve the most suitable conditions for NOx reduction is still unclear and insufficiently understood. Therefore, it is of great significance to study how the high temperature and strong reducing atmosphere conditions influence the NOx formation and reduction in staged combustion.
In the present study, the characteristics of NOx formation and reduction under high temperature and strong reducing atmosphere conditions in staged air combustion were investigated numerically by CHEMKIN. A methane flame doped with ammonia and hydrogen cyanide for fuel-N in a tandem-type tube furnace was simulated to probe the effects of combustion temperature and stoichiometric ratio on the NOx emissions. Based on the calculations, the elementary steps for NOx formation and reduction at the high temperature were identified. In addition, NOx formation and reduction in staged O2/CO2 combustion were also examined.
2. Numerical Approach
2.1. Reactors and Models
The simulations were carried out for a tandem-type tube furnace consisting of two identical tube reactors. The tube furnace is shown schematically in Figure 2a. The inside diameter and heating length of the tube reactor are 38 mm and 600 mm, respectively. The heaters are arranged around the tube reactors to control the reaction temperatures. The primary gas, which includes CH4, NH3, HCN and air (O2/CO2), is introduced into the tube reactor 1 where methane burns under different temperatures and stoichiometric conditions. Meanwhile, NH3 and HCN are converted into NO or N2. Subsequently, the secondary gas, i.e., supplementary air or O2/CO2, is injected as OFA from the connection between the tube reactor 1 and 2. The residual fuel burns out in the tube reactor 2. Therefore, the tube furnace can be employed to describe the characteristics of NOx formation and reduction in staged combustion with the tube reactor 1 and 2 regarded as the main combustion zone and the burnout zone, respectively.
Figure 2.
Schematic diagram of simulation object: (a) tube furnace of staged combustion; (b) reaction process modeling, 1—external source of inlet gas i, 2—plug flow reactor i, 3—external source of inlet gas ii, 4—non-reactive gas mixer, 5—plug flow reactor ii, 6—outlet flow of reactor.
Indeed, some key processes in real boilers such as strong turbulence, devolatilization, char combustion and thermal radiation are simplified for the purpose of seeking elementary steps for N conversion at high temperatures. During pulverized coal combustion, considerable fractions of C and N conversion occur in the gas phase. When pulverized coal is ignited in the furnace, the volatiles in coal are first released and then mixed with air for homogeneous combustion. Hydrocarbons are the important components of the volatiles. Compared with the real combustion process of pulverized coal, the transformation of Char-N and heterogeneous reduction of NOx are not considered. This simplification certainly brings deviation for direct prediction of NOx emissions in practice, and its influence depends on the amount of the coal volatiles. In this study, although methane combustion simulation cannot fully reflect the N conversion during coal combustion, it can still reveal NOx formation and reduction in the homogeneous combustion.
The simulations were performed using a chemical kinetics modeling code CHEMKIN. It provides a feasible and powerful tool to understand reaction processes involving elementary gas-phase chemical kinetics [30,31,32,34,36,37,38]. Proper models were chosen to simulate the tube furnace and a corresponding reaction process diagram was developed in Figure 2b. Two external source of inlet gas models were used to introduce the primary and secondary gases into the reaction system. Moreover, two plug flow reactor (PFR) models were employed to describe the combustion processes in the tube reactor 1 and 2, respectively. The PFR model assumes that no mixing occurs in the flow direction while perfect mixing occurs in the direction perpendicular to the flow [39,40]. Many researchers have applied it to simulate the complex physical and chemical phenomena in tube reactors. A non-reactive gas mixer model was used to replace the connection between the two tube reactors. The reaction system ended up with an outlet flow of reactor model. All the models above completely constituted the simulation object.
2.2. Reaction Mechanism
There are three mechanisms responsible for the NOx formation in combustion systems: thermal NOx, prompt NOx and fuel NOx. In the present study, the production of NO is far more than those of other nitrogen oxides, thus, only NO is taken into account in our results. The thermal NOx is formed by the direct oxidation of nitrogen from the combustion air at a very high temperature (>1800 K). This reaction process can be expressed by the extended Zeldovich mechanism as follows [41]:
The prompt NOx are generated by the reaction of atmospheric nitrogen with hydrocarbon radicals in fuel-rich conditions. The key reactions are written by [42]:
Subsequently, these resultants are oxidized to NO quickly. The fuel NOx are produced by the oxidation of nitrogen bound in the fuel and generally account for more than 80% of the total NOx production in large pulverized coal boilers [41]. NH3 and HCN are the dominant intermediates during the conversion of fuel-N to NO or N2. As a result, the overall reactions of the fuel NOx formation can be given by:
In addition, the generated NO is also reduced to N2 simultaneously, which mainly depends on the local environment. The final NOx emissions are the comprehensive result of these actions, and a detailed reaction mechanism is needed to predict it.
A GRI-Mech 3.0 reaction mechanism was adopted in this paper, which involves 53 species and 325 elementary chemical reactions [43]. The purpose of this mechanism is to model natural gas combustion, including NO formation and reduction and reburn chemistry. The three NOx formation mechanisms above are all included in this mechanism. Species concentrations in reaction systems are calculated from the net rate of production for each species by chemical reaction. Reaction rate constants are determined by the modified Arrhenius expression [32]:
where is the pre-exponential factor, is the reaction temperature, is the correction factor, is the activation energy and is the molar gas constant. The reverse reaction rate constants derive from the forward reaction rate constants and appropriate equilibrium constants. Under this mechanism, the rate of production (ROP) and first-order sensitivity analyses were used to interpret the kinetic results [32,34,36,44]. The ROP analysis can provide the information of the rates of formation and consumption for each species involved in the mechanism. The first-order sensitivity analysis is able to obtain the first-order sensitivity coefficient defined as:
where is the mole fraction for the jth species and is the pre-exponential factor for the ith reaction. The coefficient reflects the relative change in the predicted concentration for jth species caused by increasing the reaction rate constant for the ith reaction.
3. Data Analysis and Simulation Conditions
The stoichiometric ratio (SR) is often used to express combustion conditions, which is represented in this study by:
where is the volume flow rate and the subscript st denotes the stoichiometric condition. The conversion ratio of fuel-N to NOx (NOx CR) is defined as:
where the Inflow fuel-N volume flow rate is the sum of NH3 and HCN volume flow rates.
Nine different stoichiometric ratios in the main combustion zone (0.5–1.2, 2) were used to study the effect of the SR on the characteristics of NOx emissions, as shown in Table 1. The C/N mole ratios in these cases were all selected as 85. The reaction temperature in the main combustion zone varies from 1200 to 1800 °C, while that in the burnout zone varies from 1100 to 1400 °C. To compare with air-staged combustion, NOx emissions in staged O2/CO2 and O2/Ar combustion were also investigated with the O2 concentrations set at the same value (21%).
Table 1.
Simulation conditions for staged combustion in the tandem-type tube furnace.
4. Results and Discussion
4.1. Model Validation
In order to obtain creditable and reasonable simulation results, a comparison between different reaction mechanisms and models was carried out in Figure 3. An updated reaction mechanism of Glarborg et al. and a premixed flame model (PFM) were also taken into consideration in the present study. The updated Glarborg reaction mechanism includes 97 species and 779 elementary chemical reactions, and is able to predict the experimental results correctly [32]. The PFM can compute species and temperature profiles in steady-state burner-stabilized premixed laminar flames. Figure 3 gives the predicted results of three cases: PFR model and GRI-Mech 3.0 reaction mechanism, PFR model and updated Glarborg reaction mechanism, PFM model and GRI-Mech 3.0 reaction mechanism [45]. The calculation was conducted under the SR of 0.7 and the reaction temperature varying from 1200 to 1800 °C; the other conditions are listed in Table 1. On the whole, the predicted volume flow rates of NH3, HCN and NO at the main combustion zone exit show similar trends in the three cases. Although there are some differences between the reaction mechanisms and models, these results are comparable. Especially at high temperatures, a good agreement is observed. Therefore, the above-described numerical approach is valid.
Figure 3.
Comparison of different reaction mechanisms and models in staged air combustion: (a–c) are the predicted volume flow rates of NH3, HCN and NO, respectively, at the main combustion zone exit under the SR of 0.7.
4.2. Characteristics of NOx Emissions in Staged Air Combustion
Figure 4 shows the NOx CRs at the main combustion zone and burnout zone exits in the staged air combustion. The NOx CRs at the main combustion zone exit increase when the SR rises, and the reaction temperature seems to have little influence on the NOx CRs. However, the NOx CRs at the burnout zone exit are significantly affected by the SR and reaction temperature in the main combustion zone. When the reaction temperature is low, the NOx CRs decrease with the increasing SR. Comparing the NOx CRs of the main combustion zone exit and the burnout zone exit, a large quantity of NOx is produced after the injection of secondary gas, which means a lot of nitrogen compounds exist in the exhaust of the main combustion zone. This point will be proved and discussed in Figure 5. The smaller the SR is, the higher the number of nitrogen compounds. Contrastingly, for the high reaction temperature, the final NOx emission levels are quite low. A minimal difference is found in the NOx CRs between the main combustion zone exit and the burnout zone exit, which means most of the fuel-N has been converted into NOx or N2 and few nitrogen compounds remain at the main combustion zone exit. In addition, the lower NOx emission levels are found at a high temperature (≥1600 °C) and strong reducing atmosphere (SR ≤ 0.8) conditions.
Figure 4.
Conversion ratio of fuel-N to NOx in staged air combustion (reaction temperature in the burnout zone: 1100 °C): (a) main combustion zone exit; (b) burnout zone exit.
Figure 5.
Sums of NH3, HCN and NOx at the exits in staged air combustion (reaction temperature in the burnout zone: 1100 °C).
The sums of NH3, HCN, and NOx at the main combustion zone and burnout zone exits in staged air combustion are shown in Figure 5. At the main combustion zone exit, the NOx emissions are low, while the sum of NH3, HCN, and NOx is quite high when the reaction temperature is set as 1200 °C. A large amount of NH3 and HCN remain in the primary combustion exhaust. With the secondary gas introduced, the remaining NH3 and HCN are almost entirely oxidized to NOx. Therefore, at the burnout zone exit, very little NH3 and HCN exist, and the sum of NH3, HCN, and NOx is approximately equal to the NOx emissions. The final NOx emissions depend on the sum of nitrogen compounds in the primary combustion exhaust. To limit the NOx emissions as much as possible by air staging, it is of great significance to obtain a minimum sum of NH3, HCN, and NOx in the main combustion zone, i.e., converting more fuel-N to N2 in terms of N balance. With the reaction temperature in the main combustion zone rising, the final NOx emissions decrease. When the temperature is higher than 1600 °C, the final NOx emissions attain a minimum level.
Figure 6 illustrates the NOx emissions under the oxidizing atmosphere condition (SR ≥ 1) in air combustion. Considering the formation of the thermal NOx, a simulation of O2/Ar combustion was performed for comparison. Most of the fuel-N is easily oxidized to NOx by the excess O2. When the combustion temperature is higher than 1500 °C, the thermal NOx begins to be markedly produced. As the combustion temperature and SR rise, the emissions of the thermal NOx increase rapidly.
Figure 6.
Comparison of NOx emissions between air combustion and O2/Ar combustion under oxidizing atmosphere conditions.
The effect of the reaction temperature in the burnout zone () on the NOx emissions in air staging is shown in Figure 7. The reaction temperature in the main combustion zone () is selected as 1500 °C. There is minimal difference in the final NOx CR when varies from 1100 to 1400 °C. In other words, nearly has no effect on the formation of NOx. Therefore, it is important to control the NOx formation and reduction in the main combustion zone instead of the burnout zone.
Figure 7.
Effect of reaction temperature in the burnout zone on the NOx emissions in staged air combustion.
4.3. Characteristics of NOx Emissions in Staged O2/CO2 Combustion
Figure 8 presents the effects of the SR and combustion temperature on the NOx emissions in the staged O2/CO2 combustion. The variation trends of the NOx CRs are similar to those in the staged air combustion. However, a significant difference in the exact NOx emission value between O2/CO2 combustion and air combustion is found due to the existence of a great deal of CO2. In the O2/CO2 combustion, the CO2 concentration is so high that the chemical reaction 12 is observably facilitated [30,37]:
Figure 8.
Conversion ratio of fuel-N to NOx in staged O2/CO2 combustion (reaction temperature in the burnout zone: 1100 °C): (a) main combustion zone exit; (b) burnout zone exit.
Here, CO2 cannot be considered as an inert gas anymore. The chemical reaction 12 diminishes the H atom concentration and increases the concentration of OH radicals, which impacts the NOx formation and reduction strongly. Compared with the staged air combustion, the NOx CR at the main combustion zone exit increases markedly, and the range of the SR and combustion temperature (under which a significant amount of NH3 and HCN remain in the primary combustion exhaust) is narrow. At low temperatures (≤1400 °C), a significant amount of NH3 and HCN remain at the main combustion zone exit. Their sum rises rapidly with the decreasing SR and combustion temperature. Similarly, the lower final NOx emission levels appear at high temperatures (≥1500 °C), and the higher combustion temperature and the smaller SR lead to lower NOx emissions. Furthermore, the final NOx emissions in the staged O2/CO2 combustion are higher than those in the staged air combustion at the same high temperature and strong reducing atmosphere conditions. This conclusion is consistent with Mendiara et al.’s research results [32,36]. Because of the chemical reaction 12, the OH/H ratio increases, which is equivalent to providing an oxidizing agent in the combustion atmosphere. Therefore, the oxidation of NH3 and HCN to NOx is promoted.
Figure 9 compares the NOx emissions of staged air and O2/CO2 combustion under different atmosphere conditions. In O2/CO2 combustion, staged combustion is also able to decrease the NOx emissions enormously, but the emission reduction is less than that in air staging. Under the oxidizing atmosphere condition, the NOx emission levels are quite high in both air combustion and O2/CO2 combustion. Moreover, CO2 can reduce the O/H radical pool and tends to inhibit the NOx formation from fuel-N and, thus, the NOx emissions in O2/CO2 combustion are lower than those in air combustion. When under the reducing atmosphere condition, as the SR falls, the NOx CR in O2/CO2 combustion decreases while that in air combustion reduces first and then increases. The NOx CR of O2/CO2 combustion has a minimum of 7.1% at the SR of 0.5, while that of air combustion reaches a minimum of 4.7% at the SR of 0.7. These results denote that staged air combustion is more practical for limiting the NOx emissions than staged O2/CO2 combustion.
Figure 9.
Comparison of NOx emissions between air combustion and O2/CO2 combustion under different atmosphere conditions.
Another interesting finding in Figure 9 is that there are two reverse trends for staged air combustion and O2/CO2 combustion at a smaller SR. The chemical reaction 12 can affect reducibility of combustion atmosphere strongly. At a smaller SR, a certain amount of NH3 and HCN remain in the primary combustion exhaust for staged air combustion when the temperature is not so high (here 1500 °C), then the NOx CR increases after these NH3 and HCN are oxidized to NOx by the OFA. While for staged O2/CO2 combustion, the atmosphere is much less reductive at the same SR; only a small amount of NH3 and HCN remain when the temperature is 1500 °C. Moreover, the smaller SR is, the more significant the effect of reducibility.
4.4. Mechanism Analysis
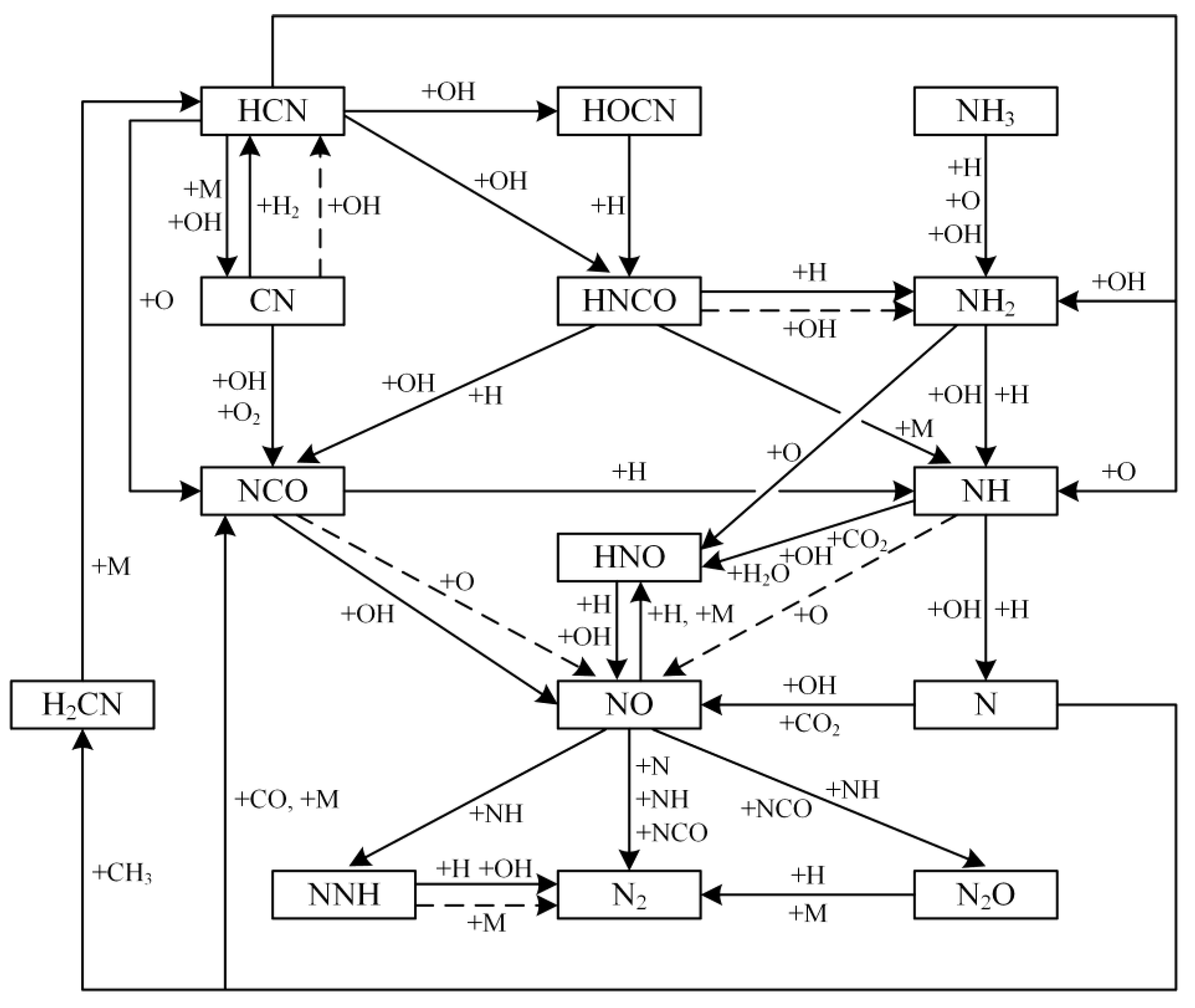
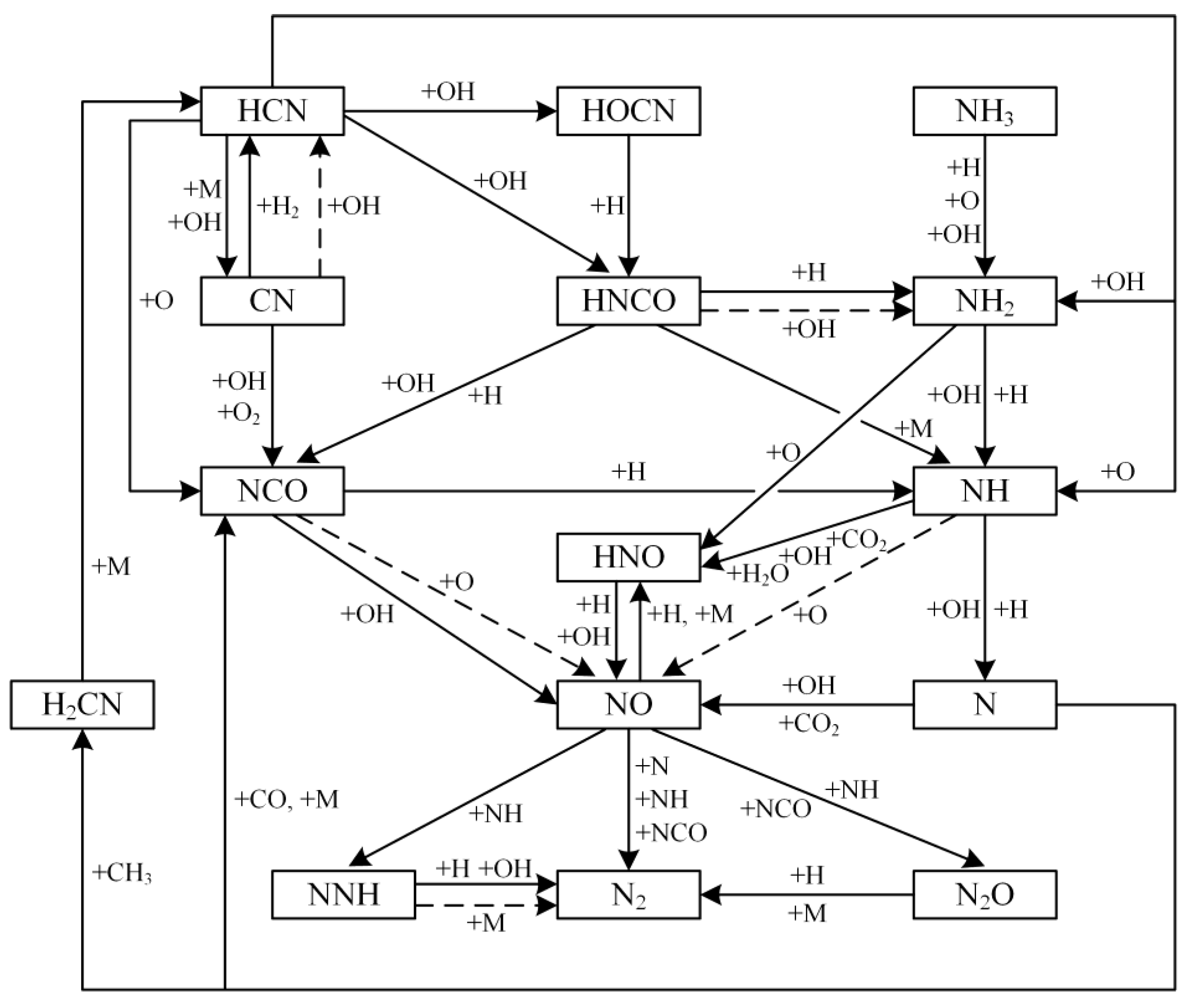
According to the ROP analysis, a reaction path diagram reflecting the main reaction pathways for the conversion of NH3 and HCN to NO or N2 in staged air and O2/CO2 combustion is proposed in Figure 10. The combustion temperature is 1600 °C and the SR is 0.7 during the calculation. The solid lines represent reaction pathways important in air combustion, while the dashed lines express those only significant in O2/CO2 combustion. It can be seen from the reaction path diagram that NO is directly reduced to N2 mainly through the following reactions:
Figure 10.
Reaction path diagram for the fuel-N conversion under a high temperature and strong reducing atmosphere conditions in staged air and O2/CO2 combustion.
Besides, part of NO first forms nitrogen intermediates NNH and N2O, and they are then converted into N2 by:
Major reactions for NH3 consumption are the interactions with H, O and OH radicals:
Main reactions for HCN removal are listed as follows:
There are also some important nitrogen intermediates formed during the conversion of NH3 and HCN, such as NCO, NH, NH2, and HNO. Whether the fuel-N is finally converted into NO or N2 depends on the formation and evolution of these nitrogen intermediates, which are significantly affected by the presence of H, O and OH radicals in the reaction atmosphere. Determined by the combustion temperature and SR, different concentrations of H, O and OH radicals lead to different NOx emissions. Under the high temperature and strong reducing atmosphere conditions, the H atom concentration is increased, and the OH/H ratio and O/H ratio are decreased correspondingly. As a result, the reactions by which the nitrogen intermediates are oxidized to NO are inhibited, while those promoting the NO reduction to N2 are enhanced. For O2/CO2 combustion, reaction 12 is considered to be responsible for the impact of high CO2 concentration. It can compete with reaction 34 for H [30,37], which changes the concentrations of H, O and OH radicals in the reaction atmosphere.
Figure 11 gives the results of a first-order sensitivity analysis for N2 at the SR of 0.7 in air combustion. Here, the effect of temperature on N2 production is detected emphatically. The first-order sensitivity coefficients of some reactions are negative at a low temperature, while they become positive at a high temperature, which means that these reactions play important roles in the reduction of NOx to N2. With the increasing temperature, the function of these reactions switches from inhibiting N2 production to facilitating it. This is because the increasing rate constant of each reaction induced by the higher temperature changes the radical pool composition and size in the reaction atmosphere. Moreover, N2 is mostly sensitive to the reactions that generate or consume H and CH3 radicals under the high temperature and strong reducing atmosphere conditions. For instance, increasing the rate of reaction 34 will promote NOx reduction. Similarly, Figure 12 displays the first-order sensitivity analysis for N2 in O2/CO2 combustion. Due to reaction 12, some reactions for CH3 consumption become bottlenecks in N2 formation, besides reaction 34.
Figure 11.
First-order sensitivity analysis for N2 at different temperatures in air combustion (SR = 0.7).
Figure 12.
First-order sensitivity analysis for N2 at different temperatures in O2/CO2 combustion (SR = 0.7).
5. Conclusions
In this study, a methane flame doped with ammonia and hydrogen cyanide for fuel-N in a tandem-type tube furnace was simulated to investigate the characteristics of NOx emissions under a high temperature and strong reducing atmosphere conditions in staged air and O2/CO2 combustion by CHEMKIN. The effects of combustion temperature and stoichiometric ratio on the NOx emissions were examined, and the elementary steps for NOx formation and reduction at high temperatures were identified. The following conclusions can be drawn:
In both staged air and staged O2/CO2 combustion (SR < 1), the NOx CRs at the main combustion zone exit increase as the SR rises, and they are slightly affected by the combustion temperature. The NOx CRs at the burnout zone exit decrease with the increasing SR at low temperatures, and they are much higher than those at the main combustion zone exit. Here, a lot of nitrogen compounds remain in the exhaust of the main combustion zone and can be easily oxidized to NOx with the injection of secondary gas. Staged combustion can lower the NOx emission levels significantly, especially under a high temperature (≥1600 °C) and strong reducing atmosphere (SR ≤ 0.8) conditions. Increasing the combustion temperature under strong reducing atmosphere conditions can raise the H atom concentration and change the radical pool composition and size. Therefore, the reactions by which NO is reduced to N2 are facilitated. In addition, the increased OH/H ratio through reaction 12 offsets part of the reducibility in staged O2/CO2 combustion, resulting in the final NOx emissions in O2/CO2 combustion being higher than those in air combustion at the same high temperature and strong reducing atmosphere conditions.
Author Contributions
Conceptualization, S.W. and D.C.; methodology, S.W.; software, S.W. and Z.W.; validation, S.W. and X.S.; data curation, S.W. and D.C.; writing—original draft preparation, S.W. and D.C.; writing—review and editing, Z.W. and X.S. All authors have read and agreed to the published version of the manuscript.
Funding
This work has been financially supported by the National Natural Science Foundation of China (Grant No. 51906202) and the Basic Research Program of Natural Science of Shaanxi Province (No. 2019JQ-809).
Conflicts of Interest
The authors declare no conflict of interest.
Nomenclature
| pre-exponential factor (L/(mol·s)) | |
| activation energy (kJ/mol) | |
| reaction rate constant (L/(mol·s)) | |
| conversion ratio of fuel-N to NOx (%) | |
| molar gas constant (kJ/(mol·K)) | |
| stoichiometric ratio (-) | |
| reaction temperature (K) | |
| volume flow rate (Ncm3/min) | |
| mole fraction (-) | |
| correction factor (-) | |
| first-order sensitivity coefficient (-) | |
| i | index for reaction |
| j | index for species |
| st | stoichiometric condition |
References
- Taniguchi, M.; Kamikawa, Y.; Tatsumi, T.; Yamamoto, K. Staged combustion properties for pulverized coals at high temperature. Combust. Flame 2011, 158, 2261–2271. [Google Scholar] [CrossRef]
- Fan, W.; Li, Y.; Lin, Z.; Zhang, M. PDA research on a novel pulverized coal combustion technology for a large utility boiler. Energy 2010, 35, 2141–2148. [Google Scholar] [CrossRef]
- Fan, W.; Lin, Z.; Li, Y.; Kuang, J.; Zhang, M. Effect of Air-Staging on Anthracite Combustion and NOxFormation. Energy Fuels 2009, 23, 111–120. [Google Scholar] [CrossRef]
- Pisupati, S.V.; Bhalla, S. Numerical modeling of NOx reduction using pyrolysis products from biomass-based materials. Biomass Bioenergy 2008, 32, 146–154. [Google Scholar] [CrossRef]
- Liu, H.; Liu, Y.; Yi, G.; Nie, L.; Che, D. Effects of Air Staging Conditions on the Combustion and NOx Emission Characteristics in a 600 MW Wall Fired Utility Boiler Using Lean Coal. Energy Fuels 2013, 27, 5831–5840. [Google Scholar] [CrossRef]
- Molina, A.; Murphy, J.; Winter, F.; Haynes, B.; Blevins, L.; Shaddix, C. Pathways for conversion of char nitrogen to nitric oxide during pulverized coal combustion. Combust. Flame 2009, 156, 574–587. [Google Scholar] [CrossRef]
- Zhang, Y.; Luo, R.; Dou, Y.; Zhou, Q. Combustion Characteristics and NOx Emission through a Swirling Burner with Adjustable Flaring Angle. Energies 2018, 11, 2173. [Google Scholar] [CrossRef]
- Zhu, L.; Zhong, Z.; Yang, H.; Wang, C. Effect of MoO3 on vanadium based catalysts for the selective catalytic reduction of NOx with NH3 at low temperature. J. Environ. Sci. 2017, 56, 169–179. [Google Scholar] [CrossRef]
- Yu, Y.; He, C.; Chen, J.; Yin, L.; Qiu, T.; Meng, X. Regeneration of deactivated commercial SCR catalyst by alkali washing. Catal. Commun. 2013, 39, 78–81. [Google Scholar] [CrossRef]
- Kang, M.; Park, E.D.; Kim, J.M.; Yie, J.E. Manganese oxide catalysts for NOx reduction with NH3 at low temperatures. Appl. Catal. A Gen. 2007, 327, 261–269. [Google Scholar] [CrossRef]
- Javed, M.T.; Irfan, N.; Gibbs, B. Control of combustion-generated nitrogen oxides by selective non-catalytic reduction. J. Environ. Manag. 2007, 83, 251–289. [Google Scholar] [CrossRef] [PubMed]
- Bae, S.W.; Roh, S.; Kim, S.D. NO removal by reducing agents and additives in the selective non-catalytic reduction (SNCR) process. Chemosphere 2006, 65, 170–175. [Google Scholar] [CrossRef] [PubMed]
- Forzatti, P. Present status and perspectives in de-NOx SCR catalysis. Appl. Catal. A Gen. 2001, 222, 221–236. [Google Scholar] [CrossRef]
- Choi, C.R.; Kim, C.N. Numerical investigation on the flow, combustion and NOx emission characteristics in a 500MWe tangentially fired pulverized-coal boiler. Fuel 2009, 88, 1720–1731. [Google Scholar] [CrossRef]
- Costa, M.; Azevedo, J. Experimental characterization of an industrial pulverized coal-fired furnace under deep staging conditions. Combust. Sci. Technol. 2007, 179, 1923–1935. [Google Scholar] [CrossRef]
- Bai, W.; Li, H.; Deng, L.; Liu, H.; Che, D. Air-Staged Combustion Characteristics of Pulverized Coal under High Temperature and Strong Reducing Atmosphere Conditions. Energy Fuels 2014, 28, 1820–1828. [Google Scholar] [CrossRef]
- Song, M.; Zeng, L.; Li, X.; Chen, Z.; Li, Z. Effect of Stoichiometric Ratio of Fuel-Rich Flow on Combustion Characteristics in a Down-Fired Boiler. J. Energy Eng. 2017, 143, 04016058. [Google Scholar] [CrossRef]
- Yang, J.; Sun, R.; Sun, S.; Zhao, N.; Hao, N.; Chen, H.; Wang, Y.; Guo, H.; Meng, J. Experimental study on NOx reduction from staging combustion of high volatile pulverized coals. Part 1. Air staging. Fuel Process. Technol. 2014, 126, 266–275. [Google Scholar] [CrossRef]
- Taniguchi, M.; Kamikawa, Y.; Tatsumi, T.; Yamamoto, K.; Kondo, Y. Relationships between Gas-Phase Stoichiometric Ratios and Intermediate Species in High-Temperature Pulverized Coal Flames for Air and Oxy-Fuel Combustions. Energy Fuels 2012, 26, 4712–4720. [Google Scholar] [CrossRef]
- Taniguchi, M.; Kamikawa, Y.; Okazaki, T.; Yamamoto, K.; Orita, H. A role of hydrocarbon reaction for NOx formation and reduction in fuel-rich pulverized coal combustion. Combust. Flame 2010, 157, 1456–1466. [Google Scholar] [CrossRef]
- Fan, W.; Lin, Z.; Li, Y.; Li, Y. Effect of Temperature on NO Release during the Combustion of Coals with Different Ranks. Energy Fuels 2010, 24, 1573–1583. [Google Scholar] [CrossRef]
- Pohl, J.H.; Sarofim, A.F. Devolatilization and oxidation of coal nitrogen. Symp. (Int.) Combust. 1977, 16, 491–501. [Google Scholar] [CrossRef]
- Kitto, J.B.; Stultz, S.C. Steam—Its Generation and Use, 41th ed.; Babcock & Wilcox Company: Charlotte, NC, USA, 2005. [Google Scholar]
- Li, H.; Yoshihiko, N.; Dong, Z.; Zhang, M. Application of the FactSage to Predict the Ash Melting Behavior in Reducing Conditions. Chin. J. Chem. Eng. 2006, 14, 784–789. [Google Scholar] [CrossRef]
- Wang, F.; Shen, B.; Yang, J.; Singh, S. Review of Mercury Formation and Capture from CO2-Enriched Oxy-Fuel Combustion Flue Gas. Energy Fuels 2017, 31, 1053–1064. [Google Scholar] [CrossRef]
- Yin, C.; Yan, J. Oxy-fuel combustion of pulverized fuels: Combustion fundamentals and modeling. Appl. Energy 2016, 162, 742–762. [Google Scholar] [CrossRef]
- Xu, M.X.; Li, S.Y.; Li, W.; Lu, Q.G. Effects of gas staging on the NO emission during O2/CO2 combustion with high oxygen concentration in circulating fluidized bed. Energy Fuels 2015, 29, 3302–3311. [Google Scholar]
- Scheffknecht, G.; Al-Makhadmeh, L.; Schnell, U.; Maier, J. Oxy-fuel coal combustion—A review of the current state-of-the-art. Int. J. Greenh. Gas Control. 2011, 5, S16–S35. [Google Scholar] [CrossRef]
- Jankowska, S.; Czakiert, T.; Krawczyk, G.; Borecki, P.; Jesionowski, L.; Nowak, W. The Effect of Oxygen Staging on Nitrogen Conversion in Oxy-Fuel CFB Environment. Chem. Process. Eng. 2014, 35, 489–496. [Google Scholar] [CrossRef]
- Watanabe, H.; Yamamoto, J.I.; Okazaki, K. NOx formation and reduction mechanisms in staged O2/CO2 combustion. Combust. Flame 2011, 158, 1255–1263. [Google Scholar] [CrossRef]
- Gimenez-Lopez, J.; Millera, A.; Bilbao, R.; Alzueta, M.U. HCN oxidation in an O2/CO2 atmosphere: An experimental and kinetic modeling study. Combust. Flame 2010, 157, 267–276. [Google Scholar] [CrossRef]
- Mendiara, T.; Glarborg, P. Ammonia chemistry in oxy-fuel combustion of methane. Combust. Flame 2009, 156, 1937–1949. [Google Scholar] [CrossRef]
- Skjøth-Rasmussen, M.; Glarborg, P.; Østberg, M.; Johannessen, J.; Livbjerg, H.; Jensen, A.D.; Christensen, T. Formation of polycyclic aromatic hydrocarbons and soot in fuel-rich oxidation of methane in a laminar flow reactor. Combust. Flame 2004, 136, 91–128. [Google Scholar] [CrossRef]
- Dagaut, P.; LeComte, F. Experiments and Kinetic Modeling Study of NO-Reburning by Gases from Biomass Pyrolysis in a JSR. Energy Fuels 2003, 17, 608–613. [Google Scholar] [CrossRef]
- Zhang, X.; Sun, S.; Sun, R.; Li, X.; Zeng, G. Effects of bias combustion on volatile nitrogen transformation. Asia-Pac. J. Chem. Eng. 2009, 5, 473–478. [Google Scholar] [CrossRef]
- Mendiara, T.; Glarborg, P. Reburn Chemistry in Oxy-fuel Combustion of Methane. Energy Fuels 2009, 23, 3565–3572. [Google Scholar] [CrossRef]
- Glarborg, P.; Bentzen, L.L. Chemical Effects of a High CO2 Concentration in Oxy-Fuel Combustion of Methane. Energy Fuels 2008, 22, 291–296. [Google Scholar] [CrossRef]
- Wang, X.; Tan, H.; Niu, Y.; Chen, E.; Xu, T. Kinetic investigation of the SO2 influence on NO reduction processes during methane reburning. Asia-Pac. J. Chem. Eng. 2010, 5, 902–908. [Google Scholar] [CrossRef]
- Zajemska, M.; Musiał, D.; Poskart, A. Application of CHEMKIN and COMSOL Programs in the Calculations of Chemical Composition of Natural Gas Combustion Products. Combust. Sci. Technol. 2014, 186, 153–172. [Google Scholar] [CrossRef]
- Lee, D.; Park, J.; Jin, J.; Lee, M. A simulation for prediction of nitrogen oxide emissions in lean premixed combustor. J. Mech. Sci. Technol. 2011, 25, 1871–1878. [Google Scholar] [CrossRef]
- Hill, S.; Smoot, L.D. Modeling of nitrogen oxides formation and destruction in combustion systems. Prog. Energy Combust. Sci. 2000, 26, 417–458. [Google Scholar] [CrossRef]
- Sanders, W.A.; Lin, C.Y.; Lin, M.C. On the Importance of the Reaction CH2 +N2? HCN+NH as a Precursor for Prompt NO Formation. Combust. Sci. Technol. 1987, 51, 103–108. [Google Scholar] [CrossRef]
- Smith, G.P.; Golden, D.M.; Frenklach, M.; Moriarty, N.W.; Eiteneer, B.; Goldenberg, M.; Bowman, C.T.; Hanson, R.K.; Song, S.; Gardiner, W.C., Jr.; et al. GRI-Mech. Available online: http://www.me.berkeley.edu/gri_mech/ (accessed on 9 July 2020).
- Miller, J.A.; Bowman, C.T. Mechanism and modeling of nitrogen chemistry in combustion. Prog. Energy Combust. Sci. 1989, 15, 287–338. [Google Scholar] [CrossRef]
- Ślefarski, R. Study on the Combustion Process of Premixed Methane Flames with CO2 Dilution at Elevated Pressures. Energies 2019, 12, 348. [Google Scholar] [CrossRef]
© 2020 by the authors. Licensee MDPI, Basel, Switzerland. This article is an open access article distributed under the terms and conditions of the Creative Commons Attribution (CC BY) license (http://creativecommons.org/licenses/by/4.0/).











