Dynamic Boost Based DMPPT Emulator
Abstract
1. Introduction
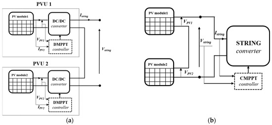
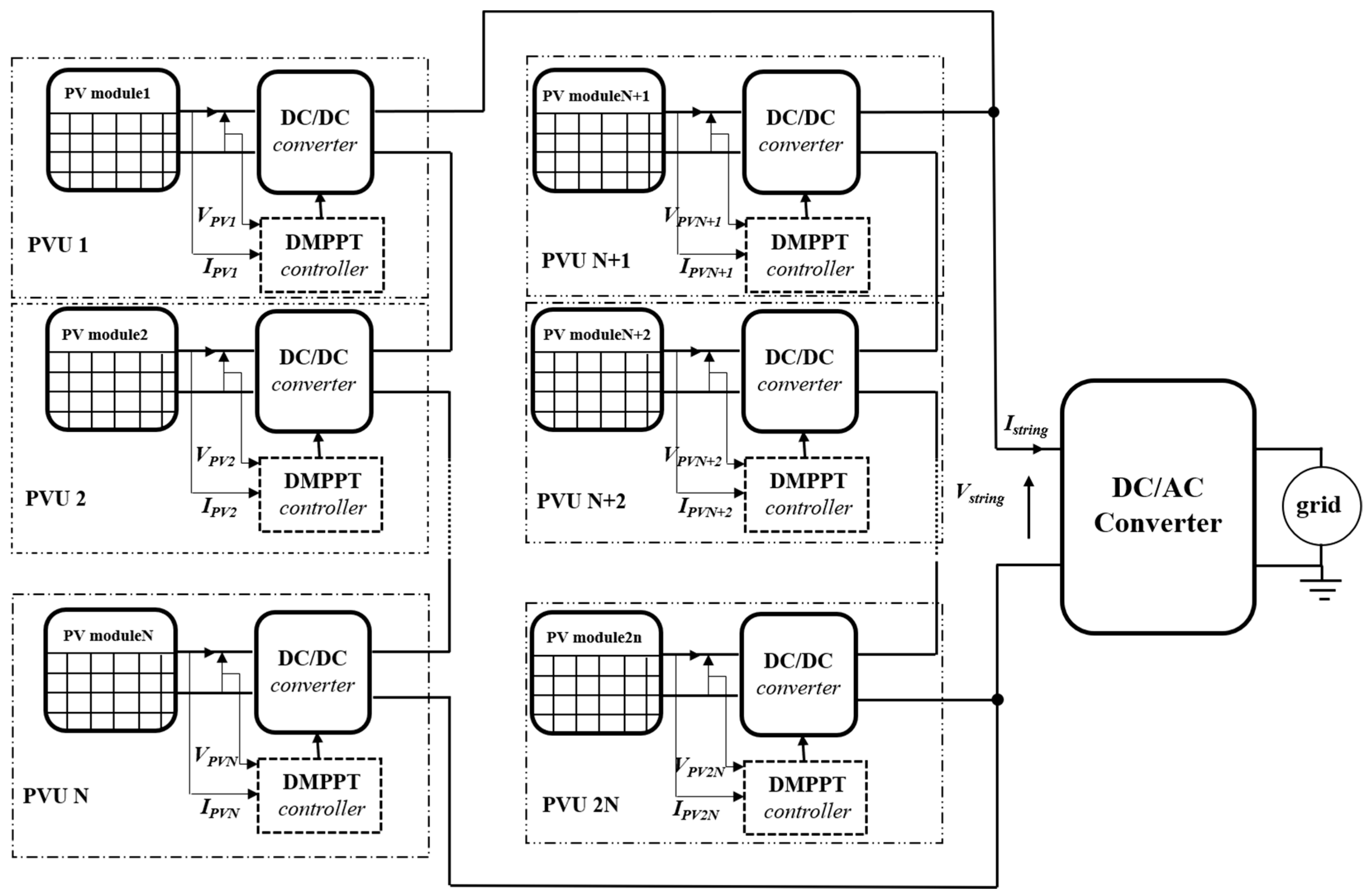
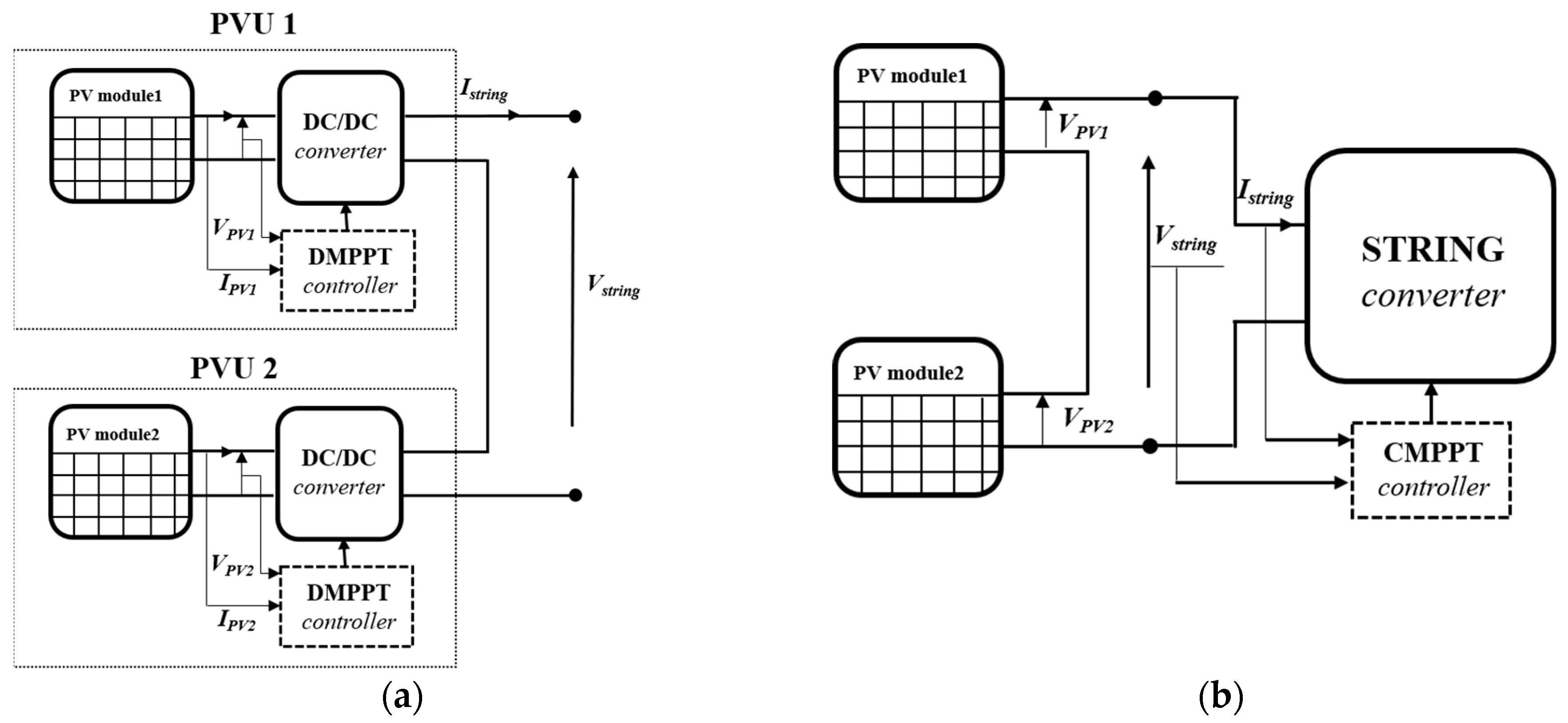
2. Necessity for DMPPT Emulator
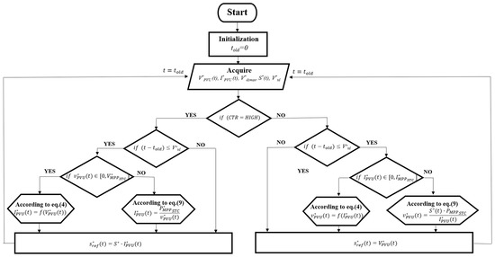
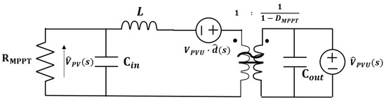
3. Mathematical Model of Boost Based PVU
4. Design and Implementation of Boost Based PVU Emulator
5. Experimental Results
6. Conclusions
- -
- both static and dynamic irradiance conditions;
- -
- not only uniform but also mismatching operating conditions;
- -
- both static and dynamic DMPPT configuration architectures;
- -
- Boost based DMPPT converters with different values of
Author Contributions
Funding
Conflicts of Interest
Appendix A
Calculation of tdMAX
| Power inductor | |
| Power input capacitor | |
| Power output capacitor | |
| Switching frequency |

References
- Kaushika, N.D.; Rai, A.K. An investigation of mismatch losses in solar photovoltaic cell networks. Energy 2007, 325, 755–759. [Google Scholar] [CrossRef]
- Baltus, C.W.A.; Eikelboom, J.A.; Van Zolingen, R.J.C. Analytical Monitoring of Losses in PV Systems. In Proceedings of the 14th European Photovoltaic Solar Energy Conference, Barcelona, Spain, 30 June–4 July 1997; pp. 1547–1550. [Google Scholar]
- Bucciarelli, L.L., Jr. Power loss in photovoltaic arrays due to mismatch in cell characteristics. Sol. Energy 1979, 23, 277–288. [Google Scholar] [CrossRef]
- King, D.L.; Boyson, W.E.; Kratochvil, J.A. Analysis of Factors Influencing the Annual Energy Production of Photovoltaic Systems. In Proceedings of the 29th IEEE Photovoltaic Specialists Conference, New Orleans, LA, USA, 19–24 May 2002; pp. 1356–1361. [Google Scholar]
- Zilles, R.; Lorenzo, E. An Analytical Model for Mismatch Losses in PV Arrays. Int. J. Sol. Energy 1992, 13, 121–133. [Google Scholar] [CrossRef]
- Chamberlin, C.E.; Lehman, P.; Zoellick, J.; Pauletto, G. Effects of Mismatch Losses in Photovoltaic Arrays. Sol. Energy 1995, 543, 165–171. [Google Scholar] [CrossRef]
- Manganiello, P.; Balato, M.; Vitelli, M. A Survey on Mismatching and Aging of PV Modules: The Closed Loop. IEEE Trans. Ind. Electron. 2015, 62, 7276–7286. [Google Scholar] [CrossRef]
- Sera, D.; Mathe, L.; Kerekes, T.; Spataru, S.V.; Teodorescu, R. On the perturb-and-observe and incremental conductance MPPT methods for PV systems. IEEE J. Photovolt. 2013, 3, 1070–1078. [Google Scholar] [CrossRef]
- Chiu, C.-S. T-S fuzzy maximum power point tracking control of solar power generation systems. IEEE Trans. Energy Convers. 2010, 25, 1123–1132. [Google Scholar] [CrossRef]
- Macaulay, J.; Zhou, Z. A Fuzzy Logical-Based Variable Step Size P&O MPPT Algorithm for Photovoltaic System. Energies 2018, 11, 1340. [Google Scholar]
- Kolesnik, S.; Kuperman, A. On the equivalence of major variable-step-size MPPT algorithms. IEEE J. Photovolt. 2016, 6, 590–594. [Google Scholar] [CrossRef]
- Sokolov, M.; Shmilovitz, D. A modified MPPT scheme for accelerated convergence. IEEE Trans. Energy Convers. 2008, 23, 1105–1107. [Google Scholar] [CrossRef]
- Balato, M.; Costanzo, L.; Vitelli, M. Maximum power point tracking techniques. In Wiley Online Encyclopedia of Electrical and Electronics Engineering; John Wiley & Sons: Somerset, NJ, USA, 2016; pp. 1–26. [Google Scholar] [CrossRef]
- Kumar, G.; Trivedi, M.B.; Panchal, A.K. Innovative and precise MPP estimation using P–V curve geometry for photovoltaics. Appl. Energy 2015, 138, 640–647. [Google Scholar] [CrossRef]
- Kumar, G.; Panchal, A.K. Geometrical prediction of maximum power point for photovoltaics. Appl. Energy 2014, 119, 237–245. [Google Scholar] [CrossRef]
- Femia, N.; Petrone, G.; Spagnuolo, G.; Vitelli, M. Optimization of perturb and observe maximum power point tracking method. IEEE Trans. Power Electron. 2015, 20, 963–973. [Google Scholar] [CrossRef]
- Nguyen, D.; Lehman, B. An adaptive solar photovoltaic array using model-based reconfiguration algorithm. IEEE Trans. Ind. Electron. 2008, 55, 2644–2654. [Google Scholar] [CrossRef]
- Villa, L.F.L.; Picault, D.; Raison, B.; Bacha, S.; Labonne, A. Maximizing the power output of partially shaded photovoltaic plants through optimization of the interconnections among its modules. IEEE J. Photovolt. 2012, 2, 154–163. [Google Scholar] [CrossRef]
- Obane, H.; Okajima, K.; Oozeki, T.; Ishii, T. PV system with reconnection to improve output under nonuniform illumination. IEEE J. Photovolt. 2012, 2, 341–347. [Google Scholar] [CrossRef]
- Obane, H.; Okajima, K.; Oozeki, T.; Ishii, T. PV System with Reconnection to Improve Output Under Nonuniform Illumination. IEEE J. Photovol. 2012, 2, 341–347. [Google Scholar] [CrossRef]
- Storey, J.; Wilson, P.; Bagnall, D. Improved optimization strategy for irradiance equalization in dynamic photovoltaic arrays. IEEE Trans. Power Electron. 2013, 28, 2946–2956. [Google Scholar] [CrossRef]
- Sanseverino, E.R.; Ngoc, T.N.; Cardinale, M.; Vigni, V.L.; Musso, D.; Romano, P.; Viola, F. Dynamic programming and Munkres algorithm for optimal photovoltaic arrays reconfiguration. Sol. Energy 2015, 122, 347–358. [Google Scholar] [CrossRef]
- La Manna, D.; Vigni, V.L.; Sanseverino, E.R.; Di Dio, V.; Romano, P. Reconfigurable electrical interconnection strategies for photovoltaic arrays: A review. Renew. Sustain. Energy Rev. 2014, 33, 412–426. [Google Scholar] [CrossRef]
- Balato, M.; Costanzo, L.; Vitelli, M. Reconfiguration of PV modules: A tool to get the best compromise between maximization of the extracted power and minimization of localized heating phenomena. Sol. Energy 2016, 138, 105–118. [Google Scholar] [CrossRef]
- Balato, M.; Costanzo, L.; Vitelli, M. Series–Parallel PV array re-configuration: Maximization of the extraction of energy and much more. Appl. Energy 2015, 159, 145–160. [Google Scholar] [CrossRef]
- Balato, M.; Costanzo, L.; Vitelli, M. Multi-objective optimization of PV arrays performances by means of the dynamical reconfiguration of PV modules connections. In Proceedings of the International Conference on Renewable Energy Research and Applications ICRERA 2015, Palermo, Italy, 22–25 November 2015; pp. 1646–1650. [Google Scholar]
- Burger, B.; Goeldi, B.; Rogalla, S.; Schmidt, H. Module integrated electronics e an overview. In Proceedings of the 25th European Photovoltaic Solar Energy Conference and Exhibition, Valencia, Spain, 6–10 September 2010; pp. 3700–3707. [Google Scholar]
- Li, Q.; Wolfs, P. A review of the single-phase photovoltaic module integrated converter topologies with three different DC link configurations. IEEE Trans. Power Electron. 2008, 23, 1320–1333. [Google Scholar]
- Kjaer, S.B.; Pedersen, J.K.; Blaabjerg, F. A review of single-phase grid-connected inverters for photovoltaic modules. IEEE Trans. Ind. Appl. 2005, 41, 1292–1306. [Google Scholar] [CrossRef]
- Femia, N.; Lisi, G.; Petrone, G.; Spagnuolo, G.; Vitelli, M. Distributed maximum power point tracking of photovoltaic arrays: Novel approach and system analysis. IEEE Trans. Ind. Electron. 2008, 55, 2610–2621. [Google Scholar] [CrossRef]
- Walker, G.R.; Sernia, P.C. Cascaded DC-DC converter connection of photovoltaic modules. IEEE Trans. Power Electron. 2004, 19, 1130–1139. [Google Scholar] [CrossRef]
- Roman, E.; Alonso, R.; Ibanez, P.; Elorduizapatarietxe, S.; Goitia, D. Intelligent PV module for grid-connected PV systems. IEEE Trans. Ind. Electron. 2006, 53, 1066–1073. [Google Scholar] [CrossRef]
- Balato, M.; Costanzo, L.; Marino, P.; Rubino, G.; Rubino, L.; Vitelli, M. Modified TEODI MPPT technique: Theoretical analysis and experimental validation in uniform and mismatching conditions. IEEE J. Photovolt. 2017, 2, 604–613. [Google Scholar] [CrossRef]
- Ramos-Paja, C.A.; Gira, R.; Arango-Zuluaga, E.I. Distributed maximum power point tracking in photovoltaic applications: Active bypass DC/DC converter. Rev. Fac. Ing. Univ. Antioq. 2012, 64, 32–44. [Google Scholar]
- Balato, M.; Vitelli, M. A new control strategy for the optimization of Distributed MPPT in PV applications. Int. J. Electr. Power Energy Syst. 2014, 62, 763–773. [Google Scholar] [CrossRef]
- Balato, M.; Vitelli, M.; Femia, N.; Petrone, G.; Spagnuolo, G. Factors limiting the efficiency of DMPPT in PV applications. In Proceedings of the 2011 International Conference on Clean Electrical Power (ICCEP), Ischia, Italy, 14–16 June 2011; pp. 604–608. [Google Scholar] [CrossRef]
- Balato, M.; Costanzo, L.; Vitelli, M. DMPPT PV system: Modeling and control techniques. Adv. Renew. Energ. Power. Technol. 2018, 1, 163–205. [Google Scholar]
- Balato, M.; Petrarca, C. The Impact of Reconfiguration on the Energy Performance of the Distributed Maximum Power Point Tracking Approach in PV Plants. Energies 2020, 13, 1511. [Google Scholar] [CrossRef]
- Balato, M.; Costanzo, L.; Gallo, D.; Landi, C.; Luiso, M.; Vitelli, M. Design and implementation of a dynamic FPAA based photovoltaic emulator. Sol. Energy 2016, 123, 102–115. [Google Scholar] [CrossRef]
- Chalh, A.; Motahhir, S.; El Hammoumi, A.; El Ghzizal, A.; Derouich, A. Study of a Low-Cost PV Emulator for Testing MPPT Algorithm Under Fast Irradiation and Temperature Change. Technol. Econ. Smart Grids Sustain. Energy 2018, 3, 11. [Google Scholar] [CrossRef]
- Moussa, I.; Khedher, A.; Bouallegue, A. Design of a Low-Cost PV Emulator Applied for PVECS. Electronics 2019, 8, 232. [Google Scholar] [CrossRef]
- Ullah, N.; Nisar, F.; Alahmadi, A.A. Closed Loop Control of Photo Voltaic Emulator Using Fractional Calculus. IEEE Access 2020, 8, 28880–28887. [Google Scholar] [CrossRef]
- Sunmodule Solar Panel 225 Mono Ds. Available online: www.solarworld-usa.com/~/media/www/files/datasheets/sunmodule-plus/sunmodule-solar-panel-225-mono-ds.pdf. (accessed on 3 June 2020).
- Femia, N.; Petrone, G.; Spagnuolo, G.; Vitelli, M. Power Electronics and Control Techniques for Maximum Energy Harvesting in Photovoltaic Systems; CRC Press, Taylor & Francis group: Boca Raton, FL, USA, 2012. [Google Scholar]
- Arduino Web Editor. Available online: https://www.arduino.cc/en/main/software. (accessed on 3 June 2020).
- Series BOP: Linear Power Supplies, Bipolar 4-quadrant, Analog/Digital/Local Control, Ultra Low Ripple/Noise. Available online: https://www.kepcopower.com/bop.htm. (accessed on 3 June 2020).
- INA1x9 High-Side Measurement Current Shunt Monitor. Available online: http://www.ti.com/lit/ds/symlink/ina169.pdf?ts=1590582981664. (accessed on 3 June 2020).
















| STC open circuit voltage | |
| STC short circuit current | |
| STC maximum power point voltage | |
| STC maximum power point current | |
| Voltage temperature coefficient | |
| Current temperature coefficient | |
| Nominal Operating Cell Temperature | |
| Maximum output Current | |
| Maximum output Power | |
| Maximum output Voltage |
© 2020 by the authors. Licensee MDPI, Basel, Switzerland. This article is an open access article distributed under the terms and conditions of the Creative Commons Attribution (CC BY) license (http://creativecommons.org/licenses/by/4.0/).
Share and Cite
Balato, M.; Liccardo, A.; Petrarca, C. Dynamic Boost Based DMPPT Emulator. Energies 2020, 13, 2921. https://doi.org/10.3390/en13112921
Balato M, Liccardo A, Petrarca C. Dynamic Boost Based DMPPT Emulator. Energies. 2020; 13(11):2921. https://doi.org/10.3390/en13112921
Chicago/Turabian StyleBalato, Marco, Annalisa Liccardo, and Carlo Petrarca. 2020. "Dynamic Boost Based DMPPT Emulator" Energies 13, no. 11: 2921. https://doi.org/10.3390/en13112921
APA StyleBalato, M., Liccardo, A., & Petrarca, C. (2020). Dynamic Boost Based DMPPT Emulator. Energies, 13(11), 2921. https://doi.org/10.3390/en13112921

