Bubble Electret-Elastomer Piezoelectric Transducer
Abstract
1. Introduction
2. Structural Model
3. Materials and Methods
3.1. Sample Preparation
3.2. Sample Charging
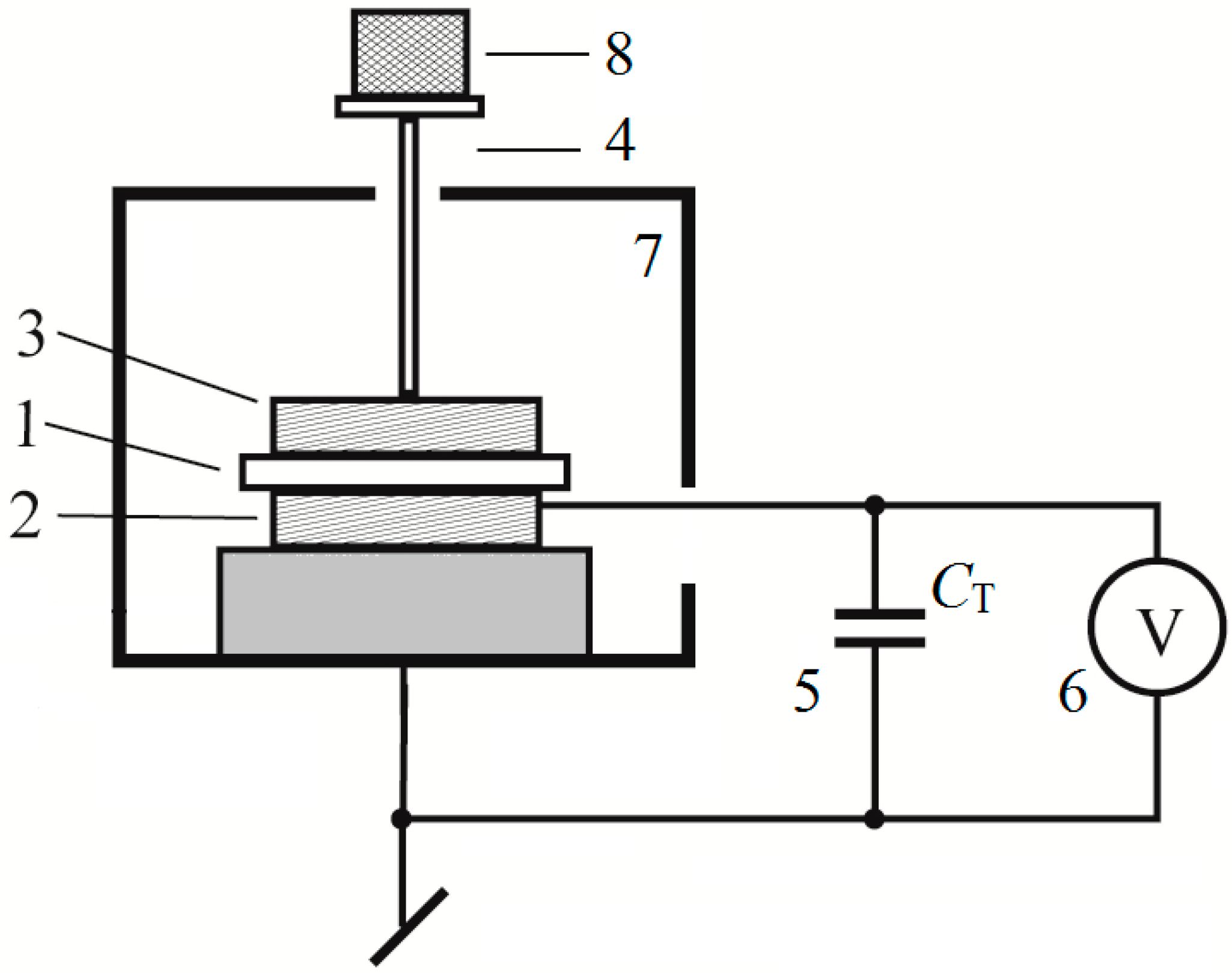
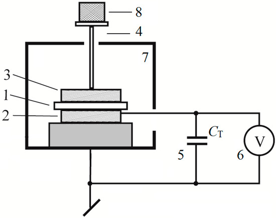
3.3. Static Piezoelectric Coefficient Measurement
4. Results
4.1. Properties of Applied Materials
4.2. Measurements and Calculations of d33 Coefficient
5. Discussion
Author Contributions
Funding
Conflicts of Interest
Patents
References
- Priya, S.; Song, H.; Zhou, Y.; Varghese, R.; Chopra, A.; Kim, S.; Kanno, I.; Wu, L.; Ha, D.S.; Ryu, J.; et al. A Review on Piezoelectric Energy Harvesting: Materials, Methods, and Circuits. Energy Harvest. Syst. 2017, 4, 3–39. [Google Scholar] [CrossRef]
- Elahi, H.; Eugeni, M.; Gaudenzi, P. A Review on Mechanisms for Piezoelectric-Based Energy Harvesters. Energies 2018, 11, 1850. [Google Scholar] [CrossRef]
- Hillenbrand, J.; Sessler, G.M. Quasistatic and Dynamic Piezoelectric Coefficients of Polymer Foams and Polymer Film Systems. IEEE Trans. Dielectr. Electr. Insul. 2004, 11, 72–79. [Google Scholar] [CrossRef]
- Gamboa, B.; Bhalla, A.; Guo, R. Assessment of PZT (Soft/Hard) Composites for Energy Harvesting Assessment of PZT (Soft/Hard) Composites. Ferroelectrics 2020, 555, 118–123. [Google Scholar] [CrossRef]
- Usher, D.T.; Cousins, K.R.; Zhang, R.; Ducharme, S. The promise of piezoelectric polymers. Polym. Int. 2018, 67, 790–798. [Google Scholar] [CrossRef]
- Yoon, C.; Jeon, B.; Yoon, G. A Feasibility Study of Fabrication of Piezoelectric Energy Harvesters on Commercially Available Aluminium Foil. Energies 2019, 12, 2797. [Google Scholar] [CrossRef]
- Novak, N.; Keil, P.; Froemling, T.; Schader, F.; Martin, A.; Webber, K.; Roedel, J. Influence of metal/semiconductor interface on attainable piezoelectric and energy harvesting properties of ZnO. Acta Mater. 2019, 162, 277–283. [Google Scholar] [CrossRef]
- Zheng, T.; Wu, J.; Xiao, D.; Zhu, J. Giant d33 in nonstoichiometric (K,Na)NbO3-based lead-free ceramics. Scr. Mater. 2015, 94, 25–27. [Google Scholar] [CrossRef]
- Hayakawa, R.; Wada, Y. Piezoelectricity and related properties of polymer films. In Fortschritte der Hochpolym; Springer: Berlin/Heidelberg, Germany, 1973; pp. 1–55. [Google Scholar]
- Brown, E.N.; Rae, E.B.; Orler, G.T.; Gray, D.; Dattelbaum, M. The effect of crystallinity on the fracture of polytetrafluoroethylene (PTFE). Mater. Sci. Eng. 2006, 26, 1338–1343. [Google Scholar] [CrossRef]
- Sessler, G.; Hillenbrand, J. Electromechanical response of cellular electret films. Appl. Phys. Lett. 1999, 75, 3405–3407. [Google Scholar] [CrossRef]
- Kacprzyk, R.; Motyl, E.; Gajewski, J.B.; Pasternak, A. Piezoelectric properties of nonuniform electrets. J. Electrostat. 1995, 35, 161–166. [Google Scholar] [CrossRef]
- Hennion, C.; Lewiner, J. A new principle for the design of condenser electret transducers. J. Acoust. Soc. Am. 1978, 63, 1229–1231. [Google Scholar] [CrossRef]
- Palitó, T.T.C.; Assagra, Y.A.O.; Altafim, R.A.P.; Carmo, J.P.; Altafim, R.A.C. Hydrophone based on 3D printed polypropylene (PP) piezoelectret. Electron. Lett. 2019, 55, 203–204. [Google Scholar] [CrossRef]
- Mohebbi, A.; Mighri, F.; Ajji, A.; Rodrigue, D. Cellular Polymer Ferroelectret: A Review on Their Development and Their Piezoelectric Properties. Adv. Polym. Technol. 2016, 1–16. [Google Scholar] [CrossRef]
- Paajanen, M.; Lekkala, J.; Kirjavainen, K. ElectroMechanical Film (EMFi)—A new multipurpose electret material. Sens. Actuators A Phys. 2000, 84, 95–102. [Google Scholar] [CrossRef]
- Xue, Y.; Zhang, X. Comparative Study of Transducers for Air-borne Sound based on Normal and Irradiation Cross-linked Polypropylene Piezoelectret Films. IEEE Trans. Dielectr. Electr. Insul. 2018, 25, 228–234. [Google Scholar] [CrossRef]
- Xue, Y.; Zhang, X. Air-coupled Ultrasonic Transducers based on Laminated Fluorinated Ethylene Propylene and Porous Polytetrafluoroethylene Ferroelectrets. IEEE Trans. Dielectr. Electr. Insul. 2017, 25, 808–815. [Google Scholar] [CrossRef]
- Zeng, H.; Liu, Z.Z.; De Medeiros, L.J.; Kamimura, H.A.S. Optimizing dimensions of unipolar Teflon-FEP piezoelectrets with micro-system-technology. J. Phys. Conf. Ser. 2018, 1052, 1–4. [Google Scholar] [CrossRef]
- Zúñiga, V.T.; Carmona, S.G.; Saavedra, O.G.M. Electromechanical characterization of didactical piezoelectric sensors based on crystalline grade PET Electromechanical characterization of didactical piezoelectric sensors based on crystalline grade PET. J. Phys. Conf. Ser. 2019, 1221, 1–6. [Google Scholar] [CrossRef]
- Fang, P.; Wirges, W.; Wegener, M.; Zirkel, L.; Gerhard, R. Cellular polyethylene-naphthalate films for ferroelectret applications: Foaming, inflation and stretching, assessment of electromechanically relevant structural features. e-Polymers 2008, 8. [Google Scholar] [CrossRef]
- Li, W.; Duan, J.; Zhong, J.; Wu, N.; Lin, S.; Xu, Z.; Chen, S.; Pan, Y.; Huang, L.; Hu, B.; et al. Flexible THV/COC Piezoelectret Nanogenerator for Wide-Range Pressure Sensing. ACS Appl. Mater. Interfaces 2018, 10, 29675–29683. [Google Scholar] [CrossRef]
- Gerhard-Multhaupt, R. Less can be more. IEEE Trans. Dielectr. Electr. Insul. 2002, 9, 850–859. [Google Scholar] [CrossRef]
- Zhang, X.; Wu, L.; Sessler, G.M. Energy harvesting from vibration with cross-linked polypropylene piezoelectrets. AIP Adv. 2015, 5. [Google Scholar] [CrossRef]
- Zhang, X.; Sessler, G.M.; Wang, Y. Fluoroethylenepropylene ferroelectret films with cross-tunnel structure for piezoelectric transducers and micro energy harvesters. J. Appl. Phys. 2014, 116, 074109. [Google Scholar] [CrossRef]
- Fang, P.; Zhuo, Q.; Cai, Y.; Tian, L.; Zhang, H.; Zheng, Y.; Li, G.; Wu, L.; Zhang, X. Piezoelectrets for wearable energy harvesters and sensors. Nano Energy 2019, 65, 104033. [Google Scholar] [CrossRef]
- Zhang, Y.; Bowen, C.R.; Ghosh, S.K.; Mandal, D.; Khanbareh, H.; Arafa, M.; Wan, C. Ferroelectret materials and devices for energy harvesting applications. Nano Energy 2019, 57, 118–140. [Google Scholar] [CrossRef]
- Kayaharman, M.; Das, T.; Seviora, G.; Saritas, R.; Abdel-rahman, E.; Yavuz, M. Long-Term Stability of Ferroelectret Energy Harvesters. Materials 2019, 13, 42. [Google Scholar] [CrossRef]
- Kacprzyk, R.; Mirkowska, A. Piezo-tubes. IEEE Trans. Dielectr. Electr. Insul. 2018, 25, 759–765. [Google Scholar] [CrossRef]
- Altafim, R.A.P.; Qiu, X.; Wirges, W.; Gerhard, R.; Altafim, R.A.C.; Basso, H.C.; Jenninger, W.; Wagner, J. Template-based fluoroethylenepropylene piezoelectrets with tubular channels for transducer applications. J. Appl. Phys. 2009, 106, 014106. [Google Scholar] [CrossRef]
- Rychkov, D.; Yablokov, M.; Rychkov, A. Chemical and physical surface modification of PTFE films-an approach to produce stable electrets. Appl. Phys. A Mater. Sci. Process. 2012, 107, 589–596. [Google Scholar] [CrossRef]
- Bovtun, V.; Döring, J.; Wegener, M.; Bartusch, J.; Beck, U.; Erhard, A.; Borisov, V. Air-coupled ultrasonic applications of ferroelectrets. Ferroelectrics 2008, 370, 11–17. [Google Scholar] [CrossRef]
- Zhang, X.; Hillenbrand, J.; Sessler, G.M. Thermally stable fluorocarbon ferroelectrets with high piezoelectric coefficient. Appl. Phys. A Mater. Sci. Process. 2006, 84, 139–142. [Google Scholar] [CrossRef]
- Fialka, J.; Beneš, P. Comparison of Methods of Piezoelectric Coefficient Measurement. In Proceedings of the 2012 IEEE International Instrumentation and Measurement Technology Conference Proceedings, Graz, Austria, 13–16 May 2012; pp. 37–42. [Google Scholar] [CrossRef]
- Kacprzyk, R. Influence of discharge conditions on the charge decay characteristics. J. Electrostat. 2010, 68, 190–195. [Google Scholar] [CrossRef]
- Bednarz, J. The New Methodology for Assessing of the Applicability of Elastomeric Materials in the Vibration Isolation Systems of Railway Lines. Arch. Acoust. 2016, 41, 573–578. [Google Scholar] [CrossRef]
- Zhukov, S.; Eder-Goy, D.; Fedosov, S.; Xu, B.-X.; von Seggern, H. Analytical prediction of the piezoelectric d33 response of fluoropolymer arrays with tubular air channels. Sci. Rep. 2018, 8, 1–10. [Google Scholar] [CrossRef]









© 2020 by the authors. Licensee MDPI, Basel, Switzerland. This article is an open access article distributed under the terms and conditions of the Creative Commons Attribution (CC BY) license (http://creativecommons.org/licenses/by/4.0/).
Share and Cite
Kacprzyk, R.; Mirkowska, A. Bubble Electret-Elastomer Piezoelectric Transducer. Energies 2020, 13, 2884. https://doi.org/10.3390/en13112884
Kacprzyk R, Mirkowska A. Bubble Electret-Elastomer Piezoelectric Transducer. Energies. 2020; 13(11):2884. https://doi.org/10.3390/en13112884
Chicago/Turabian StyleKacprzyk, Ryszard, and Agnieszka Mirkowska. 2020. "Bubble Electret-Elastomer Piezoelectric Transducer" Energies 13, no. 11: 2884. https://doi.org/10.3390/en13112884
APA StyleKacprzyk, R., & Mirkowska, A. (2020). Bubble Electret-Elastomer Piezoelectric Transducer. Energies, 13(11), 2884. https://doi.org/10.3390/en13112884

