Application of a Superconducting Fault Current Limiter to Enhance the Low-Voltage Ride-Through Capability of Wind Turbine Generators
Abstract
1. Introduction
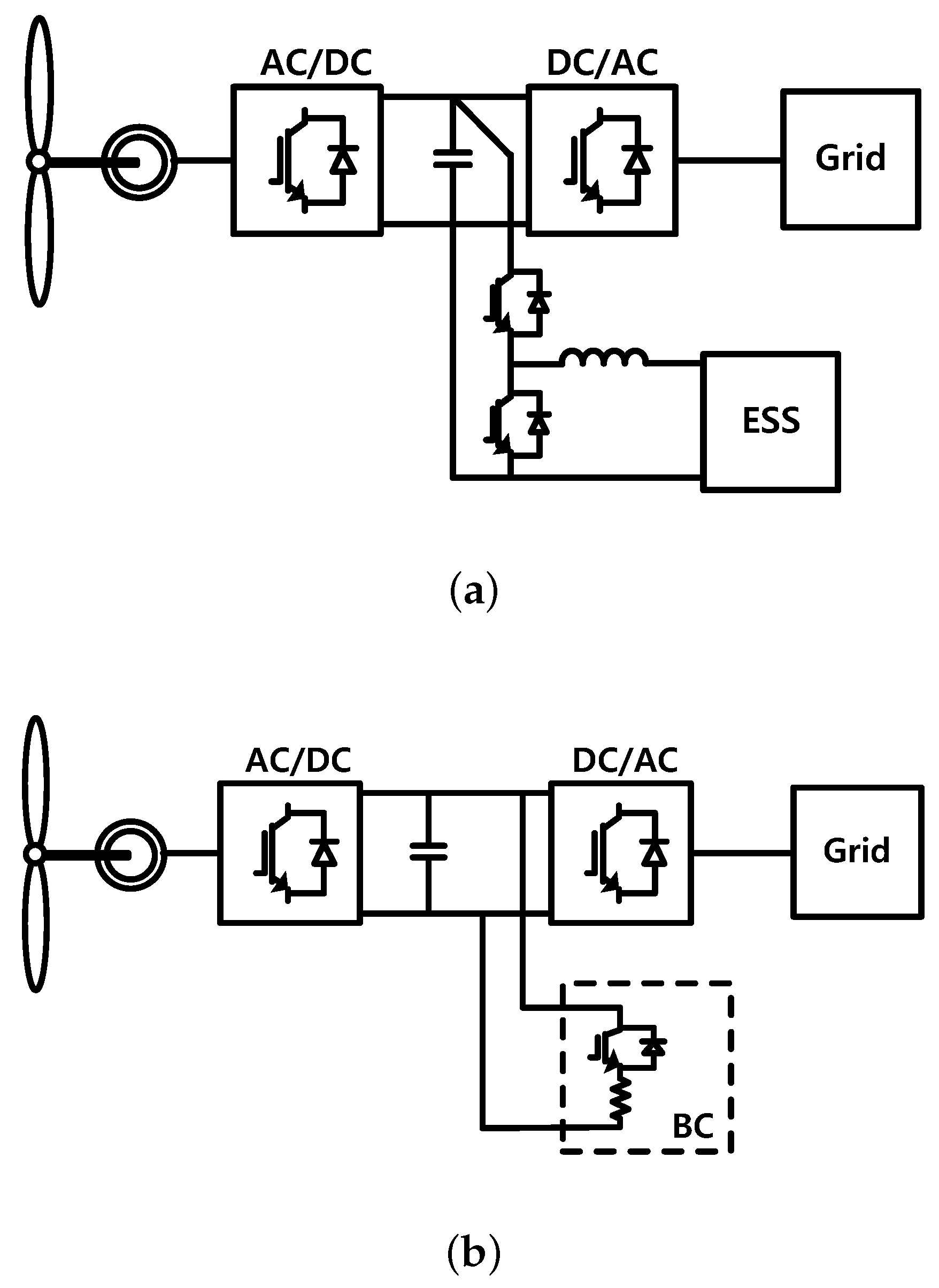
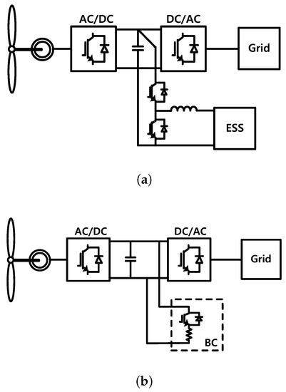
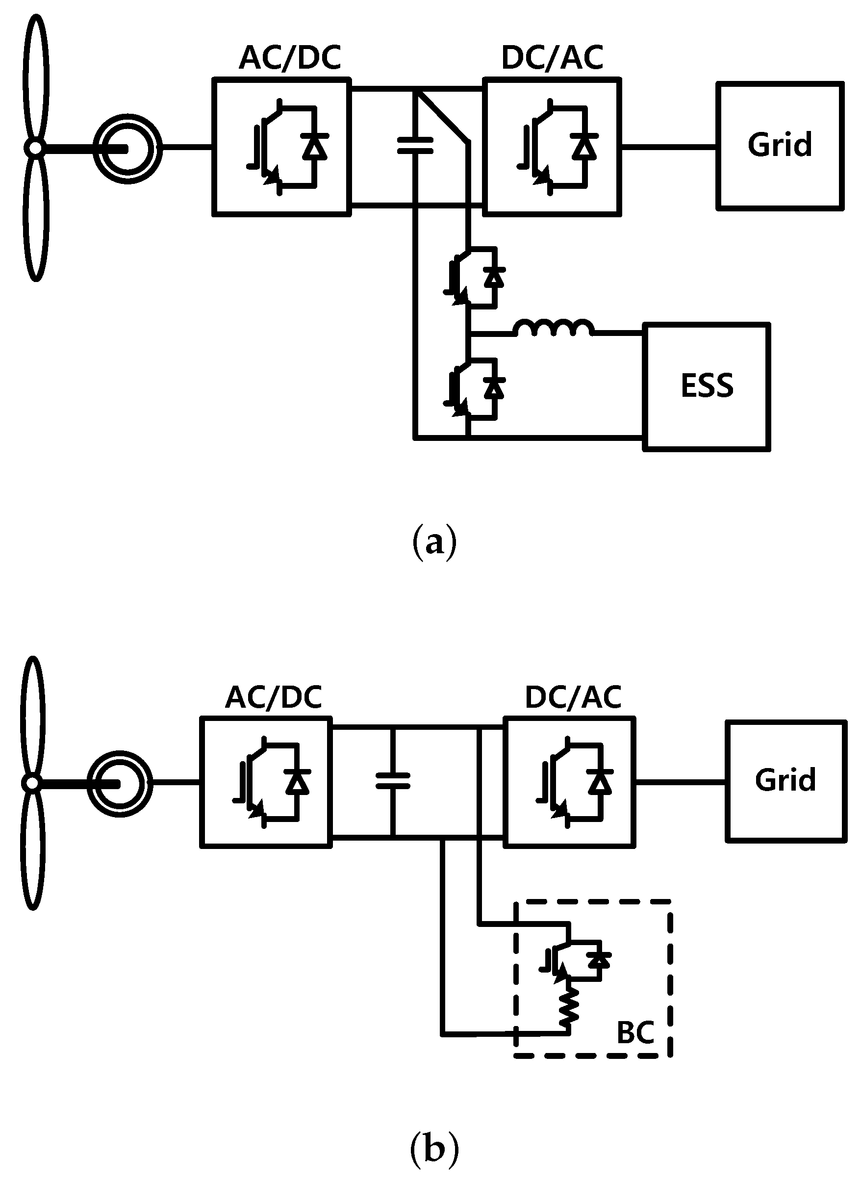
2. Simulation Modeling
2.1. Superconducting Fault Current Limiters
- In the normal state, the SFCL has no resistance. Therefore, it does not affect the grid and there is no line loss.
- When the fault current exceeds the threshold, the SFCL has impedance. Therefore, it is possible to suppress the fault current before reaching the peak. Thus, the upgrading cost of the circuit breaker can be reduced.
- In the event of a grid fault, the impedance increases due to the quenching phenomenon. Therefore, the voltage sag is improved.
- When the fault current is below the threshold, the SFCL is recoverd to the normal state.
- The SFCL quenching phenomenon depends on the threshold.Therefore, even if the fault current magnitude increases due to grid configuration changes, the SFCL does not need to be replaced.
2.2. Overcurrent Relay
3. Simulation Results
3.1. Case without SFCL
3.2. Case with an SFCL
3.3. When the OCR Is Reset, Case with an SFCL
3.4. Discussion
4. Conclusions
- The voltage sag is improved through the application of the SFCL. This maintains the connection between the wind farm and the grid through enhancing LVRT capability.
- System stability is improved because the wind farm contributes to the recovery of the voltage.
- The generation volume is increased because the connection between wind farm and grid was maintained.
- The fault current peak is suppressed by applying the SFCL.
Author Contributions
Funding
Acknowledgments
Conflicts of Interest
References
- Mohseni, M.; Islam, S.M. Review of international grid codes for wind power integration: Diversity, technology and a case for global standard. Renew. Sustain. Energy Rev. 2012, 16, 3876–3890. [Google Scholar] [CrossRef]
- Maas, G.A.; Bial, M.; Fijalkowski, J. Final Report-System Disturbance On 4 November 2006. Tech. Rep. Union for the Coordination of Transmission of Electricity in Europe, 2007. Available online: https://www.entsoe.eu/fileadmin/user_upload/_library/publications/ce/otherreports/Final-Report-20070130.pdf (accessed on 18 April 2019).
- E.ON Netz. Grid Code High and Extra High Voltage; E.ON Netz: Bayreuth, Germany, 2006. [Google Scholar]
- Erlich, I.; Bachmann, U. Grid code requirements concerning connection and operation of wind turbines in Germany. In Proceedings of the IEEE Power Engineering Society General Meeting, San Francisco, CA, USA, 16 June 2005; pp. 1253–1257. [Google Scholar]
- Tsili, M.; Papathanassiou, S. A review of grid code technical requirements for wind farms. IET Renew. Power Gener. 2009, 3, 308–332. [Google Scholar] [CrossRef]
- Ibrahim, R.A.; Hamad, M.S.; Dessouky, Y.G.; Williams, B.W. A review on recent low voltage ride-through solutions for PMSG wind turbine. In Proceedings of the International Symposium on Power Electronics Power Electronics, Electrical Drives, Automation and Motion, Sorrento, Italy, 20–22 June 2012. [Google Scholar]
- Nasiri, M.; Milimonfared, J.; Fathi, S.H. A review of low-voltage ride-through enhancement methods for permanent magnet synchronous generator based wind turbines. Renew. Sustain. Energy Rev. 2015, 47, 399–415. [Google Scholar] [CrossRef]
- Díaz-González, F.; Sumper, A.; Gomis-Bellmunt, O.; Villafáfila-Robles, R. A review of energy storage technologies for wind power applications. Renew. Sustain. Energy Rev. 2012, 16, 2154–2171. [Google Scholar] [CrossRef]
- Nguyen, T.H.; Lee, D.-C. Ride-through technique for PMSG wind turbines using energy storage systems. J. Power Electron. 2010, 10, 733–738. [Google Scholar] [CrossRef]
- Rabiee, A.; Khorramdel, H.; Aghaei, J. RETRACTED: A Review of Energy Storage Systems in Microgrids with Wind Turbines; Elsevier: Amsterdam, The Netherlands, 2013. [Google Scholar]
- Nguyen, T.H.; Lee, D.-C. Advanced fault ride-through technique for PMSG wind turbine systems using line-side converter as STATCOM. IEEE Trans. Ind. Electron. 2013, 60, 2842–2850. [Google Scholar] [CrossRef]
- Hansen, A.D.; Michalke, G. Multi-pole permanent magnet synchronous generator wind turbines’ grid support capability in uninterrupted operation during grid faults. IET Renew. Power Gener. 2009, 3, 333–348. [Google Scholar] [CrossRef]
- Wang, L.; Truong, D.-N. Dynamic stability improvement of four parallel-operated PMSG-based offshore wind turbine generators fed to a power system using a STATCOM. IEEE Trans. Power Deliv. 2013, 28, 111–119. [Google Scholar] [CrossRef]
- Ghosh, A.; Ledwich, G. Compensation of distribution system voltage using DVR. IEEE Trans. Power Deliv. 2002, 1030–1036. [Google Scholar] [CrossRef]
- Liu, Z.; Liu, C.; Li, G. Power coordinated control of wind turbines with permanent magnet synchronous generator for low voltage ride through. In Proceedings of the 2014 IEEE PES General Meeting| Conference & Exposition, National Harbor, MD, USA, 27–31 July 2014; pp. 1–5. [Google Scholar]
- Howlader, A.M.; Urasaki, N.; Yona, A.; Senjyu, T.; Saber, A.Y. A review of output power smoothing methods for wind energy conversion systems. Renew. Sustain. Energy Rev. 2013, 26, 135–146. [Google Scholar] [CrossRef]
- Anaya-Lara, O.; Jenkins, N.; Ekanayake, J.B.; Cartwright, P.; Hughes, M. Wind Energy Generation: Modelling and Control; John Wiley & Sons: Hoboken, NJ, USA, 2011. [Google Scholar]
- Yoo, C.H.; Chung, I.Y.; Yoo, H.J.; Hong, S.S. A Grid Voltage Measurement Method for Wind Power Systems during Grid Fault Conditions. Energies 2014, 7, 7732–7745. [Google Scholar] [CrossRef]
- Hyun, O.-B. Brief review of the field test and application of a superconducting fault current limiter. Prog. Supercond. Cryog. 2011, 1, 1–11. [Google Scholar]
- Moon, J.-F.; Kim, J.-S. Voltage sag analysis in loop power distribution system with SFCL. IEEE Trans. Appl. Supercond. 2013, 23. [Google Scholar] [CrossRef]
- Moon, J.-F.; Lim, S.-H.; Kim, J.-C.; Yun, S.-Y. Assessment of the impact of SFCL on voltage sags in power distribution system. IEEE Trans. Appl. Supercond. 2011, 21, 2161–2164. [Google Scholar] [CrossRef]
- Kim, J.-S.; Lim, S.-H.; Kim, J.-C.; Moon, J.-F. A study on bus voltage sag considering the impedance of SFCL and fault conditions in power distribution systems. IEEE Trans. Appl. Supercond. 2013, 23. [Google Scholar] [CrossRef]
- Kim, J.-S.; Lim, S.-H.; Kim, J.-C. Study on application method of superconducting fault current limiter for protection coordination of protective devices in a power distribution system. IEEE Trans. Appl. Supercond. 2012, 22. [Google Scholar] [CrossRef]
- Saleh, K.A.; Zeineldin, H.H.; Al-Hinai, A.; El-Saadany, E.F. Optimal coordination of directional overcurrent relays using a new time-current-voltage characteristic. IEEE Trans. Power Deliv. 2015, 30, 537–544. [Google Scholar] [CrossRef]

















| Classification | Parameter |
|---|---|
| Line Impedance (ACSR 160 mm) | 3.86 + j7.46 [%/km] (positive impedance) |
| 10.8 + j23.6 [%/km] (zero impedance) | |
| Line Length | Line,Line = 4 [km], Line,Line = 3 [km], Line,Line = 3 [km] |
| Load Capacity | Line,Line = 4 [MVA], Line,Line = 3 [MVA], Line,Line = 3 [MVA], p.f. = 0.95 lag |
| Classification | Parameter |
|---|---|
| Rated capacity | 3.0 [MW] |
| Generator type | PMSG |
| Stator resistor | 0.005 [p.u.] |
| Stator leakage reactance | 0.154 [p.u.] |
| Rated voltage (L-G) | 0.398 [kV] |
| Rated current | 2.51 [kA] |
| Classification | Parameter |
|---|---|
| Location | Feeder |
| Type | 3-phase short-circuit fault |
| Fault time | at 2 s |
| Parameter | ||||||
|---|---|---|---|---|---|---|
| Vaule | variable | 0.01 | −80 | −160 |
| Item | A | B | K | p | ||
|---|---|---|---|---|---|---|
| Parameter | 39.85 | 1.084 | 0 | 1.95 | 1.0 [kA] / 0.7 [kA] | 0.13 |
| Case | PCC Voltage Drop | Trip Time (CB) | Trip Time (CB) | Fault Current | LVRT |
|---|---|---|---|---|---|
| Without SFCL | 0.7 p.u. | 2.37 s | 2.8 s | 23.5 kA | B area |
| With SFCL | 0.86 p.u. | 3 s | 3.06 s | 17.2 kA | B area |
| Resetting OCR | 0.86 p.u. | - | 2.8 s | 17.2 kA | A area |
© 2019 by the authors. Licensee MDPI, Basel, Switzerland. This article is an open access article distributed under the terms and conditions of the Creative Commons Attribution (CC BY) license (http://creativecommons.org/licenses/by/4.0/).
Share and Cite
Lee, H.-J.; Lim, S.-H.; Kim, J.-C. Application of a Superconducting Fault Current Limiter to Enhance the Low-Voltage Ride-Through Capability of Wind Turbine Generators. Energies 2019, 12, 1478. https://doi.org/10.3390/en12081478
Lee H-J, Lim S-H, Kim J-C. Application of a Superconducting Fault Current Limiter to Enhance the Low-Voltage Ride-Through Capability of Wind Turbine Generators. Energies. 2019; 12(8):1478. https://doi.org/10.3390/en12081478
Chicago/Turabian StyleLee, Hyeong-Jin, Sung-Hun Lim, and Jae-Chul Kim. 2019. "Application of a Superconducting Fault Current Limiter to Enhance the Low-Voltage Ride-Through Capability of Wind Turbine Generators" Energies 12, no. 8: 1478. https://doi.org/10.3390/en12081478
APA StyleLee, H.-J., Lim, S.-H., & Kim, J.-C. (2019). Application of a Superconducting Fault Current Limiter to Enhance the Low-Voltage Ride-Through Capability of Wind Turbine Generators. Energies, 12(8), 1478. https://doi.org/10.3390/en12081478

