A Compact Spatial Free-Positioning Wireless Charging System for Consumer Electronics Using a Three-Dimensional Transmitting Coil
Abstract
:1. Introduction
2. Proposed Transmitting Coil
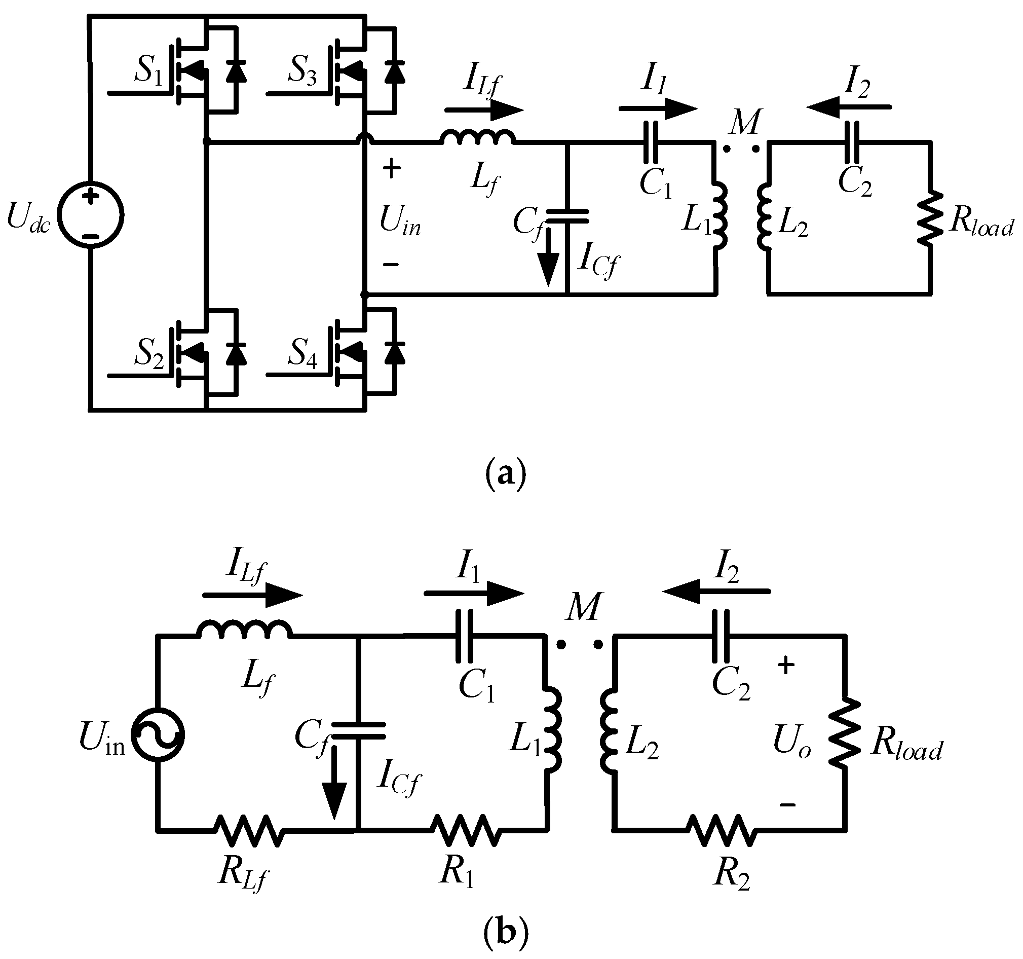
3. Compensation Circuit Design and Analysis
4. Design and Implementation of the System
5. Experimental Results and Discussion
5.1. Performance of H-Bridge High-Frequency Inverter and Compensation Circuit
5.2. Output of Power and Efficiency
6. Conclusions
Author Contributions
Funding
Acknowledgments
Conflicts of Interest
References
- Li, S.Q.; Mi, C.C. Wireless Power Transfer for Electric Vehicle Applications. IEEE J. Emerg. Sel. Top. Power Electron. 2015, 3, 4–17. [Google Scholar]
- Li, S.Q.; Li, W.H.; Deng, J.J.; Nguyen, T.D.; Mi, C.C. A Double-Sided LCC Compensation Network and ItsTuning Method for Wireless Power Transfer. IEEE Trans. Veh. Technol. 2015, 64, 2261–2273. [Google Scholar] [CrossRef]
- Lu, S.Z.; Deng, X.T.; Shu, W.B.; Wei, X.C.; Li, S.Q. A New ZVS Tuning method for Double-Sided LCC Compensated Wireless Power Transfer System. Energies. 2018, 11, 307–320. [Google Scholar]
- Seol, W.-K.; Chung, S.-K. Current Vector Control of Wireless Power Transfer System with 2D Tx Coils. Electron. Lett. 2018, 54, 91–93. [Google Scholar] [CrossRef]
- Ng, W.M.; Zhang, C.; Lin, D.Y.; Hui, S.Y.R. Two- and Three-Dimensional Omnidirectional Wireless Power Transfer. IEEE Trans. Power Electron. 2014, 29, 3252–3272. [Google Scholar] [CrossRef]
- Zhang, C.; Lin, D.Y.; Hui, S.Y. Basic Control Principles of Omnidirectional Wireless Power Transfer. IEEE Trans. Power Electron. 2015, 31, 5215–5227. [Google Scholar]
- Kim, J.; Son, H.-C.; Park, Y.-J. Multi-loop Coil Supporting Uniform Mutual Inductances for Free-Positioning WPT. Electron. Lett. 2013, 49, 417–419. [Google Scholar] [CrossRef]
- Ha-Van, N.; Seo, C. Analytical and Experimental Investigations of Omnidirectional Wireless Power Transfer Using a Cubic Transmitter. IEEE Trans. Ind. Electron. 2018, 65, 1358–1366. [Google Scholar] [CrossRef]
- Zhang, W.; Zhang, T.Y.; Guo, Q.Q.; Shao, L.M.; Zhang, N.B.; Jin, X.L.; Yang, J. High-Efficiency Wireless Power Transfer System for 3D, Unstationary Free-Positioning and Multi-Object Charging. IET Electr. Power Appl. 2018, 5, 658–665. [Google Scholar] [CrossRef]
- Choi, B.H.; Lee, E.S.; Sohn, Y.H.; Jang, G.C.; Rim, C.T. Six Degrees of Freedom Mobile Inductive Power Transfer by Crossed Dipole Tx and Rx Coils. IEEE Trans. Power Electron. 2016, 31, 3252–3272. [Google Scholar] [CrossRef]
- Feng, J.J.; Li, Q.; Lee, F.C. Omnidirectional Wireless Power Transfer for Portable Devices. In Proceedings of the IEEE Applied Power Electronics Conference and Exposition (APEC), Tampa, FL, USA, 18 May 2017; pp. 1675–1681. [Google Scholar]
- Mirbozorgi, S.A.; Jia, Y.Y.; Canales, D.; Ghovanloo, M. A Wirelessly-Powered Homecage with segmented copper foils and closed-loop power control. IEEE Trans. Biomed. Circuits Syst. 2016, 10, 979–989. [Google Scholar] [CrossRef] [PubMed]
- Yan, Z.C.; Zhang, Y.M.; Song, B.W.; Zhang, K.H.; Kan, T.Z.; Mi, C.C. An LCC-P Compensated Wireless Power Transfer System with a Constant Current Output and Reduced Receiver Size. Energies. 2019, 12, 172. [Google Scholar] [CrossRef]








| Symbol | Quantity | Value |
|---|---|---|
| Lt | Length of Transmitter | 500 mm |
| Wt | Width of Transmitter | 300 mm |
| Ht | Height of Transmitter | 300 mm |
| Et | Width of Tx coil | 40 mm |
| D | Edge length of Rx coil | 50 mm |
| Symbol | Quantity | Value |
|---|---|---|
| Udcmax | Maximum input DC voltage | 300 V |
| k | Coupling coefficient | 0.004–0.06 |
| L1 | Tx coil inductance | 31 μH |
| L2 | Rx coil inductance | 13.6 μH |
| Lf | Tx-side compensation inductance | 6.27 μH |
| Cf | Tx-side parallel compensation capacitance | 6.51 nF |
| C1 | Tx-side series compensation capacitance | 1.63 nF |
| C2 | Rx-side series compensation capacitance | 3 nF |
| R1 | Tx coil AC resistance | 0.6 Ω |
| R2 | Rx coil AC resistance | 1 Ω |
| f | Switching frequency | 800 kHz |
| Rload | Load resistance | 5 Ω |
| Position and Angle of Test Point | PA power (W) | PA Efficiency | Coil-to-Coil Efficiency | Total Efficiency | ||||
|---|---|---|---|---|---|---|---|---|
| x (mm) | y (mm) | z (mm) | β (°) | Input | Output | |||
| 100 | 100 | 2 | 0 | 10.67 | 10.327 | 96.79% | 48.46% | 46.90% |
| 100 | 250 | 2 | 0 | 13.31 | 11.312 | 84.99% | 44.12% | 37.50% |
| 300 | 100 | 2 | 0 | 53.92 | 38.9 | 72.14% | 12.89% | 9.30% |
| 300 | 250 | 2 | 0 | 7.272 | 7.07 | 97.22% | 70.77% | 68.80% |
| 200 | 100 | 100 | 30 | 39.192 | 32.89 | 83.92% | 15.25% | 12.80% |
| 200 | 200 | 100 | 30 | 30.28 | 27.05 | 89.33% | 18.47% | 16.50% |
| 200 | 100 | 100 | 60 | 29.694 | 25.71 | 86.58% | 19.40% | 16.80% |
| 200 | 200 | 100 | 60 | 31.983 | 27.82 | 86.98% | 17.93% | 15.60% |
| 200 | 100 | 200 | 30 | 57.512 | 45.132 | 78.47% | 11.09% | 8.70% |
| 200 | 200 | 200 | 30 | 85.602 | 66.19 | 77.32% | 7.50% | 5.80% |
| 200 | 100 | 200 | 60 | 80.619 | 60.53 | 75.08% | 22.38% | 16.80% |
| 200 | 200 | 200 | 60 | 58.89 | 46.44 | 78.86% | 19.78% | 15.60% |
© 2019 by the authors. Licensee MDPI, Basel, Switzerland. This article is an open access article distributed under the terms and conditions of the Creative Commons Attribution (CC BY) license (http://creativecommons.org/licenses/by/4.0/).
Share and Cite
Liang, Z.; Wang, J.; Zhang, Y.; Jiang, J.; Yan, Z.; Mi, C. A Compact Spatial Free-Positioning Wireless Charging System for Consumer Electronics Using a Three-Dimensional Transmitting Coil. Energies 2019, 12, 1409. https://doi.org/10.3390/en12081409
Liang Z, Wang J, Zhang Y, Jiang J, Yan Z, Mi C. A Compact Spatial Free-Positioning Wireless Charging System for Consumer Electronics Using a Three-Dimensional Transmitting Coil. Energies. 2019; 12(8):1409. https://doi.org/10.3390/en12081409
Chicago/Turabian StyleLiang, Ziwei, Jianqiang Wang, Yiming Zhang, Jiuchun Jiang, Zhengchao Yan, and Chris Mi. 2019. "A Compact Spatial Free-Positioning Wireless Charging System for Consumer Electronics Using a Three-Dimensional Transmitting Coil" Energies 12, no. 8: 1409. https://doi.org/10.3390/en12081409
APA StyleLiang, Z., Wang, J., Zhang, Y., Jiang, J., Yan, Z., & Mi, C. (2019). A Compact Spatial Free-Positioning Wireless Charging System for Consumer Electronics Using a Three-Dimensional Transmitting Coil. Energies, 12(8), 1409. https://doi.org/10.3390/en12081409

