A Family of Bidirectional DC–DC Converters for Battery Storage System with High Voltage Gain
Abstract
:1. Introduction
2. Bidirectional DC–DC Converters with Wide Voltage Conversion Ratio
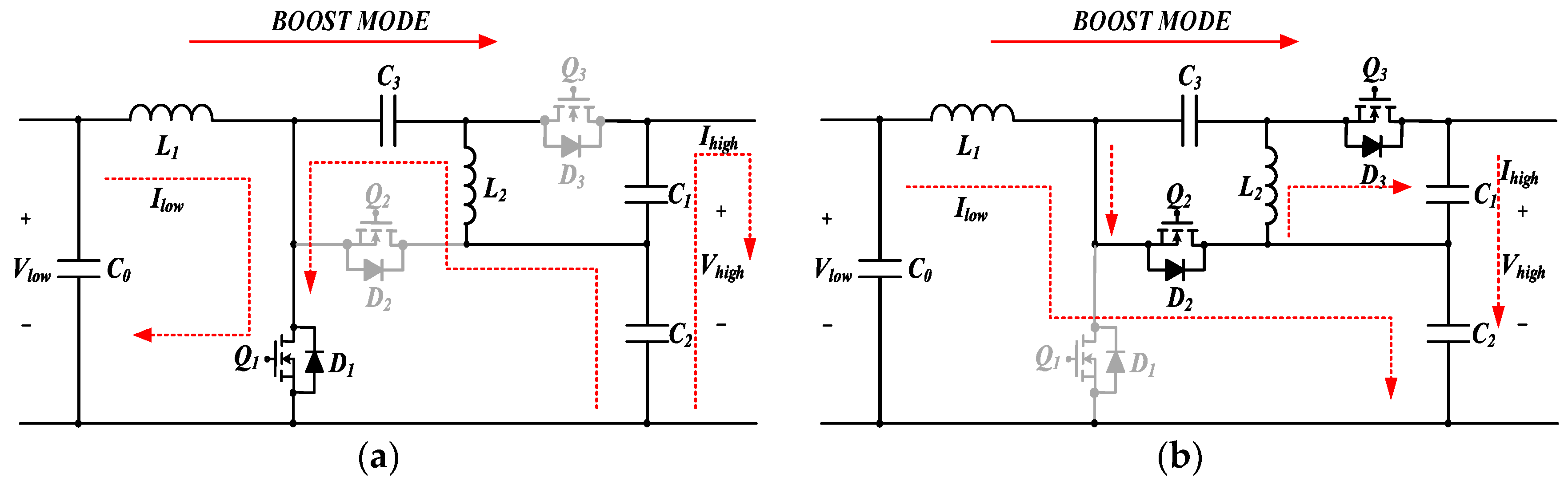
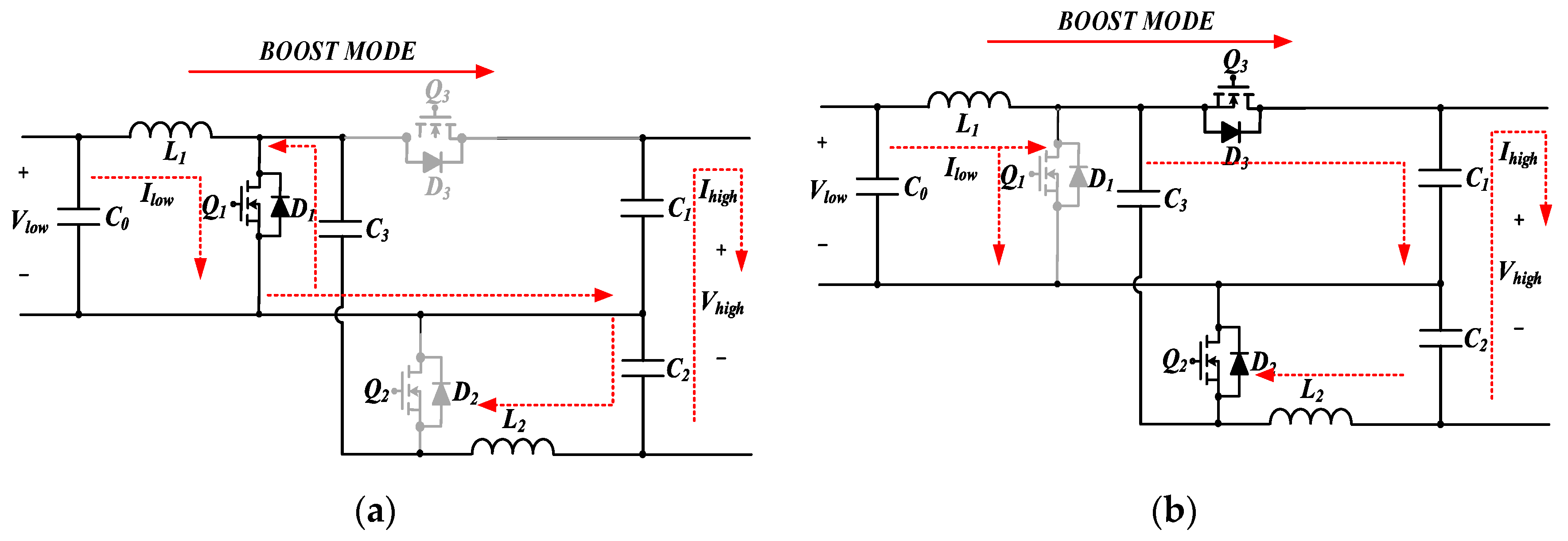
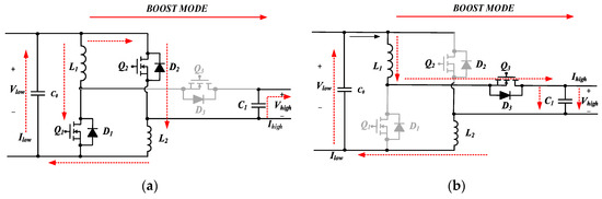
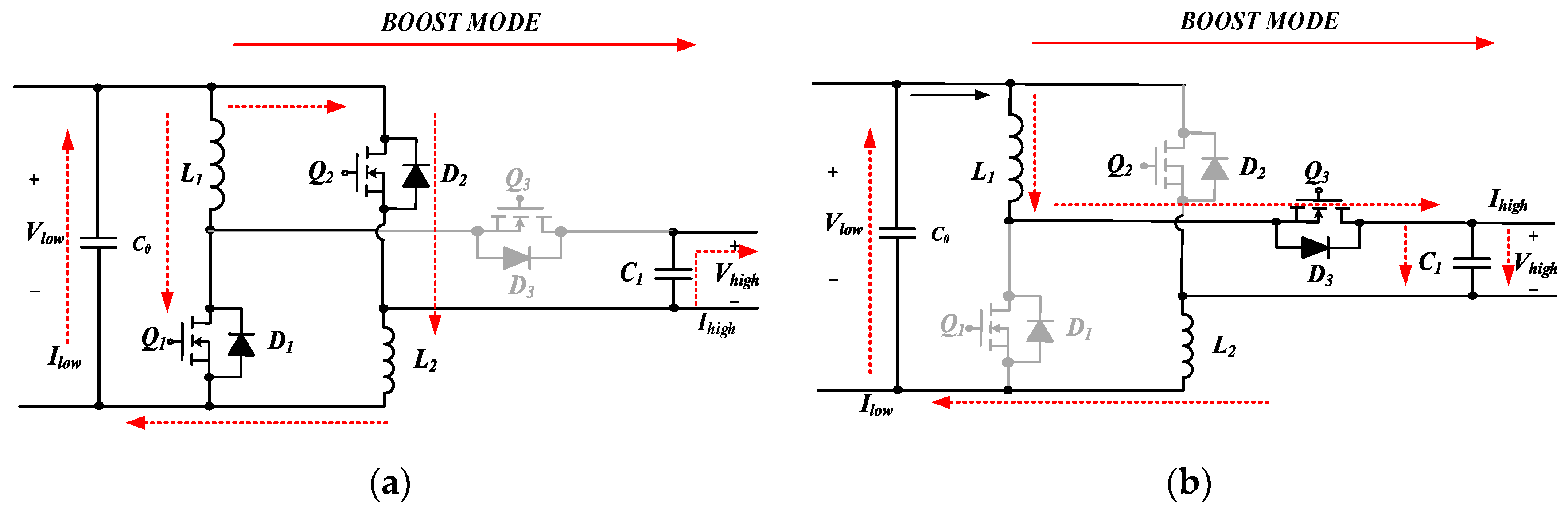
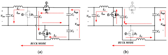
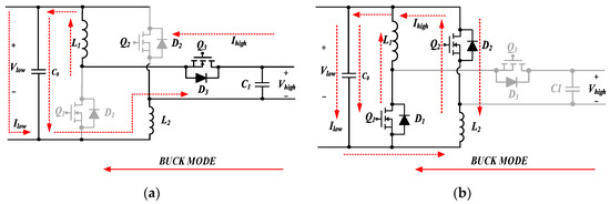
2.1. Construction of the Converter I
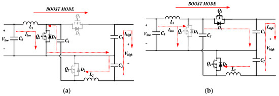
2.2. Construction of Presented Converter II
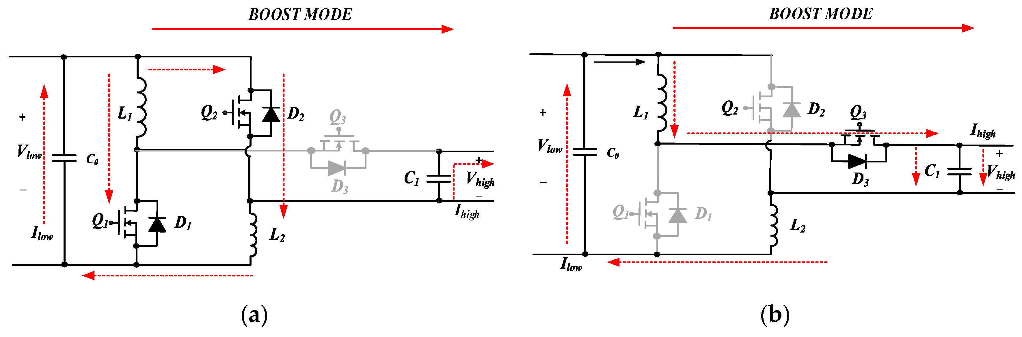
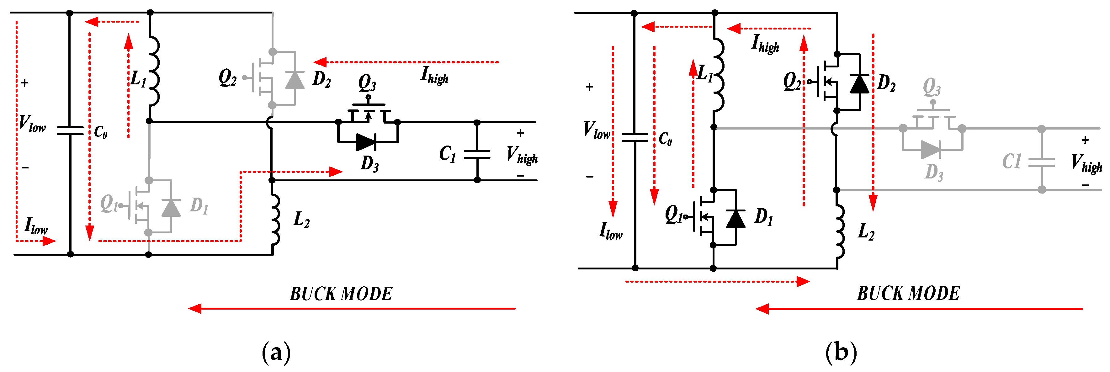
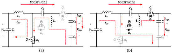
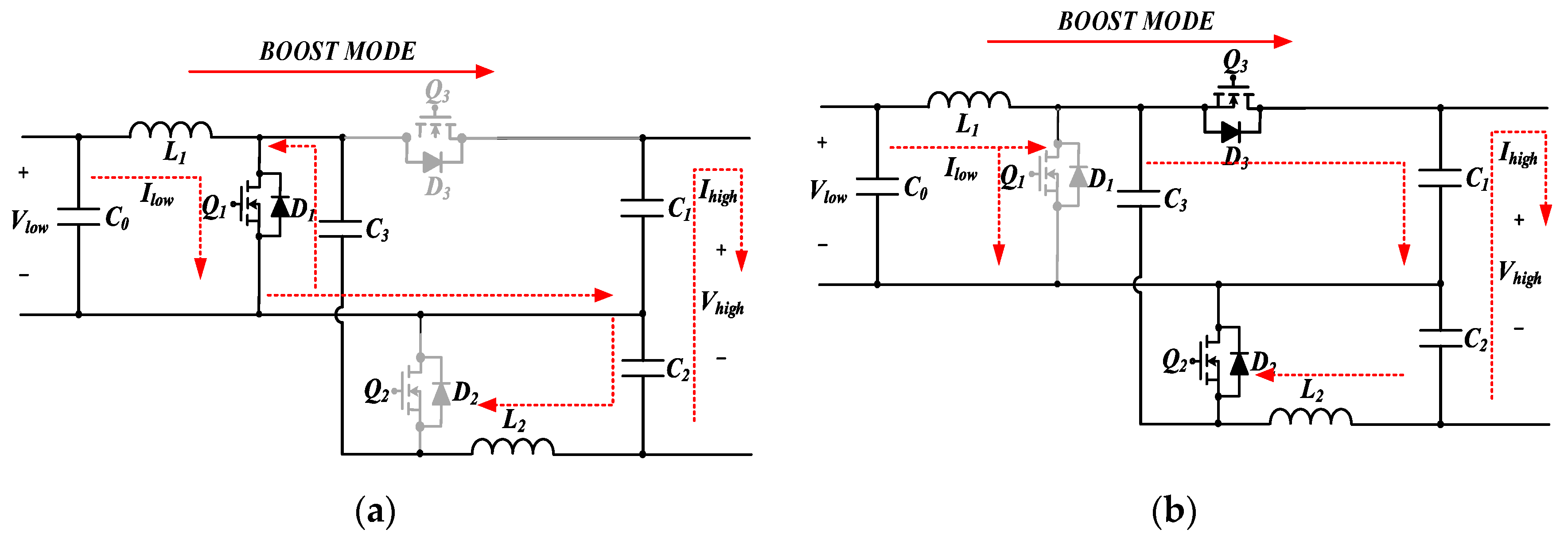
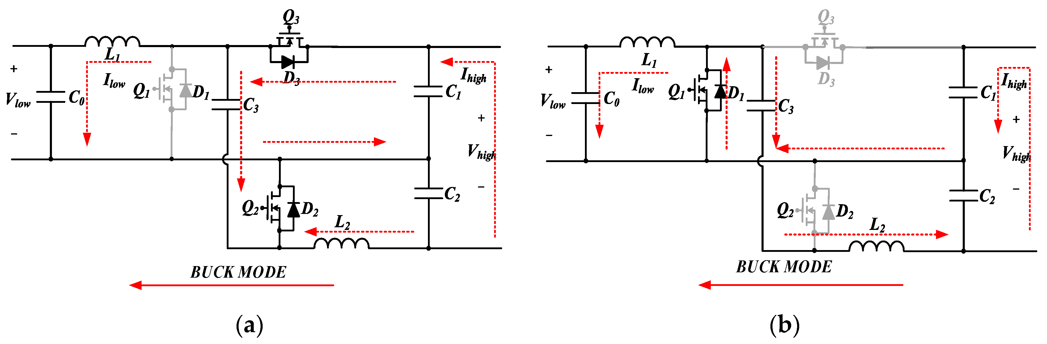
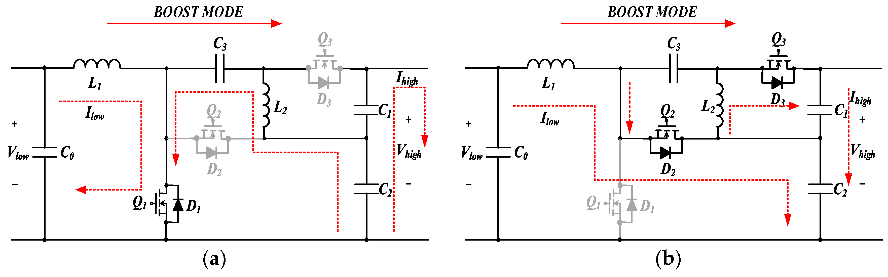
2.3. Construction of the Proposed Converter III
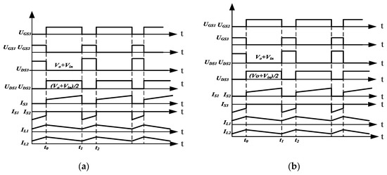
2.4. Voltage and Current Ripple Calculation of the Proposed Converters
2.5. Comparisons with Conventional Converters
2.6. Efficiency and Power Loss Calculation
3. Experiment Results
3.1. Experimental Results in the Boost/Buck Mode
3.2. Measured Efficiency Analysis of the Converters
3.3. Power Loss Distribution Analysis of Proposed Converters
4. Conclusions
Author Contributions
Funding
Conflicts of Interest
References
- Yilmaz, M.; Krein, P.T. Review of battery charger topologies, charging power levels, and infrastructure for plug-in electric and hybrid vehicles. IEEE Trans. Power. Electron. 2013, 28, 2151–2169. [Google Scholar] [CrossRef]
- Han, Y.; Chen, W.; Li, Q. Energy Management Strategy Based on Multiple Operating States fora Photovoltaic/Full Cell/Energy Storage DC Microgrid. Energies 2017, 10, 136. [Google Scholar] [CrossRef]
- Hong, C.M.; Yang, L.S.; Liang, T.J.; Chen, J.F. Novel bidirectional DC–DC converter with high step-up/down voltage gain. In Proceedings of the Energy Conversion Congress and Exposition (ECCE), San Jose, CA, USA, 20–24 September 2009; pp. 60–66. [Google Scholar]
- Zhang, Y.; Gao, Y.; Li, J.; Sumner, M. Interleaved switched-capacitor bidirectional DC-DC converter with wide voltage-gain Range for energy storage systems. IEEE Trans. Power Electron. 2018, 33, 3852–3869. [Google Scholar] [CrossRef]
- Inoue, S.; Akagi, H.S. A bidirectional isolated dc–dc converter as a core circuit of the next-generation medium-voltage power conversion system. IEEE Trans. Power Electron. 2007, 22, 535–542. [Google Scholar] [CrossRef]
- Chao, K.-H.; Huang, C.-H. Bidirectional dc–dc soft-switching converter for stand-alone photovoltaic power generation systems. IET Power Electron. 2014, 7, 1557–1565. [Google Scholar] [CrossRef]
- Shen, C.-L.; Shen, Y.-S.; Tsai, C.-T. Isolated DC-DC Converter for Bidirectional Power Flow Controlling with Soft-Switching Feature and High Step-Up/Down Voltage Conversion. Energies 2017, 10, 296. [Google Scholar] [CrossRef]
- Liu, C.; Chau, K.T.; Wu, D.; Gao, S. Opportunities and challenges of vehicle-to-home, vehicle-to-vehicle, and vehicle-to-grid technologies. Proc. IEEE 2013, 101, 2409–2427. [Google Scholar] [CrossRef]
- Grbovic, P.J.; Delarue, P.; Moigne, P.L.; Bartholomeus, P. A bidirectional three-level dc-dc converter for the ultra-capacitor applications. IEEE Trans. Ind. Electron. 2010, 57, 3415–3430. [Google Scholar] [CrossRef]
- Lai, C.M.; Lin, Y.C.; Lee, D.S. Study and implementation of a two-phase interleaved bidirectional DC/DCconverter for vehicle and dc-microgrid systems. Energies 2015, 8, 9969–9991. [Google Scholar] [CrossRef]
- Jin, K.; Yang, M.; Ruan, X.; Xu, M. Three-level bidirectional converter for fuel-cell/battery hybrid power system. IEEE Trans. Ind. Electron. 2010, 57, 1976–1986. [Google Scholar] [CrossRef]
- Liang, T.J.; Liang, H.H.; Chen, S.M.; Chen, J.F.; Yang, L.S. Analysis, design, and implementation of a bidirectional double-boost DC-DC converter. IEEE Trans. Ind. Appl. 2014, 50, 3955–3962. [Google Scholar] [CrossRef]
- Fang, X.; Ji, X. Bidirectional power flow Z-source dc-dc converter. In Proceedings of the IEEE Vehicle Power and Propulsion Conference (VPPC), Harbin, Hei Longjiang, China, 3–5 September 2008; pp. 1–5. [Google Scholar]
- Kim, I.D.; Paeng, S.H.; Ahn, J.W.; Nho, E.C.; Ko, J.S.I. New bidirectional ZVS PWM Sepic/Zeta DC–DC converter. In Proceedings of the IEEE International Symposium on Industrial Electronics (ISIE), Vigo, Spain, 4–7 June 2007; pp. 17–22. [Google Scholar]
- Li, C.; Herrera, L. Design and implementation of a bidirectional isolated Cuk converter for low-voltage and high-current automotive DC source applications. IEEE Trans. Veh. Technol. 2014, 63, 2567–2577. [Google Scholar] [CrossRef]
- Lee, H.Y.; Liang, T.J.; Chen, J.F.; Chen, K.H. Design and implementation of a bidirectional SEPIC-Zeta DC-DC Converter. In Proceedings of the IEEE International Symposium on Circuit and Systems (ISCAS), Melbourne, Australia, 1–5 June 2014; pp. 101–104. [Google Scholar]
- Liang, T.J.; Lee, J.H. Novel-high-conversion-ratio high efficiency isolated bidirectional DC-DC converter. IEEE Trans. Ind. Electron. 2015, 62, 4492–4503. [Google Scholar] [CrossRef]
- Lin, C.C.; Yang, L.S.; Wu, G.W. Study of a non-isolated bidirectional DC-DC converter. IET Power Electron. 2013, 6, 30–37. [Google Scholar] [CrossRef]
- Fardoun, A.A.; Ismail, E.H.; Sabzali, A.J.; Al-Saffar, M.A. Bidirectional converter with low input/output current ripple for renewable energy applications. In Proceedings of the Energy Conversion Congress and Exposition (ECCE), Phoenix, AZ, USA, 17–22 September 2011; pp. 3322–3329. [Google Scholar]
- Ahmad, A.; Singh, R.K.; Mahanty, R. Bidirectional quadratic converter for wide voltage conversion ratio. In Proceedings of the IEEE International Conference on Power Electronics, Drives and Energy Systems (PEDES), Trivandrum, India, 14–17 December 2016; pp. 1–5. [Google Scholar]
- Banaei, M.R.; Bonab, H.A.F. A novel structure for single-switch nonisolated transformerless buck–boost DC–DC converter. IEEE Trans. Ind. Electron. 2017, 64, 198–205. [Google Scholar] [CrossRef]
- Zhang, Y.; Liu, Q.; Li, J.; Sumner, M. A Common Ground Switched-Quasi-Z-Source Bidirectional DC–DC Converter With Wide-Voltage-Gain Range for EVs with Hybrid Energy Sources. IEEE Trans. Ind. Electron. 2018, 65, 5188–5200. [Google Scholar] [CrossRef]
- Pires, V.F.; Foito, D.; Batista, F.R.B.; Silva, J.F. A photovoltaic generator system with a DC/DC converter based on an integrated Boost-Cuk. Sol. Energy 2016, 136, 1–9. [Google Scholar] [CrossRef]
- Yang, L.S.; Liang, T.J.; Chen, J.F. Transformerless DC–DC converters with high step-up voltage gain. IEEE Trans. Ind. Electron. 2009, 56, 3144–3152. [Google Scholar] [CrossRef]
- Gules, R.; Meneghette, W.; Reis, E.; Romaneli, E.; Badin, A. A modified SEPIC converter with high static gain for renewable applications. IEEE Trans. Power Electron. 2014, 29, 5860–5871. [Google Scholar] [CrossRef]
- Ramezani, A.; Farhangi, S.; Iman-Eini, H.; Farhangi, B.; Rahim, R. Optimized LCC-Series compensated Resonant Network for Stationary Wireless EV Chargers. IEEE Trans. Ind. Electron. 2019, 66, 2756–2765. [Google Scholar] [CrossRef]






















| Topology | Converter I | Converter II | Converter III | Buck-Boost | SEPIC | Ćuk |
|---|---|---|---|---|---|---|
| Input current | Continuous | Continuous | Discontinuous | Discontinuous | Continuous | Continuous |
| Switch voltage stress | Vhigh/(1 + DBoost) 1 Vhigh/(2 − DBuck) 2 | Vhigh/(1 + DBoost) 1 Vhigh/(2 − DBuck) 2 | (Vlow + Vhigh)/2 3 Vlow + Vhigh 4 | Vin | Vin | Vin |
| Voltage gain ratio | (1 + D)/(1 − D) D/(2 − D) | (1 + D)/(1 − D) D/(2 − D) | (1 + D)/(1 − D) D/(2 − D) | D/(1 − D) | D/(1 − D) | D/(1 − D) |
| Common ground | YES | NO | YES | YES | YES | YES |
| Num. of switches | 3 | 3 | 3 | 1 | 1 | 1 |
| Num. of inductors | 2 | 2 | 2 | 1 | 2 | 2 |
| Voltage Ripple | ||||||
| Current Ripple |
| Parameters | Symbol | Value |
|---|---|---|
| Battery voltage | Vlow | 40–130 [Vdc] |
| Output voltage | Vhigh | 250 [Vdc] |
| Inductor | L1L2 | 102 [uH] |
| Output Capacitor | C1C2 | 50 [uF] |
| Capacitor | C3 | 3.37 [uF] |
| Output power | PO | 200 [W] |
© 2019 by the authors. Licensee MDPI, Basel, Switzerland. This article is an open access article distributed under the terms and conditions of the Creative Commons Attribution (CC BY) license (http://creativecommons.org/licenses/by/4.0/).
Share and Cite
Zhang, H.; Chen, Y.; Park, S.-J.; Kim, D.-H. A Family of Bidirectional DC–DC Converters for Battery Storage System with High Voltage Gain. Energies 2019, 12, 1289. https://doi.org/10.3390/en12071289
Zhang H, Chen Y, Park S-J, Kim D-H. A Family of Bidirectional DC–DC Converters for Battery Storage System with High Voltage Gain. Energies. 2019; 12(7):1289. https://doi.org/10.3390/en12071289
Chicago/Turabian StyleZhang, Hailong, Yafei Chen, Sung-Jun Park, and Dong-Hee Kim. 2019. "A Family of Bidirectional DC–DC Converters for Battery Storage System with High Voltage Gain" Energies 12, no. 7: 1289. https://doi.org/10.3390/en12071289
APA StyleZhang, H., Chen, Y., Park, S.-J., & Kim, D.-H. (2019). A Family of Bidirectional DC–DC Converters for Battery Storage System with High Voltage Gain. Energies, 12(7), 1289. https://doi.org/10.3390/en12071289

