Incorporating State-of-Charge Balancing into the Control of Energy Storage Systems for Smoothing Renewable Intermittency
Abstract
:1. Introduction
2. Power-Smoothing Principles
2.1. Theorem of Power-Smoothing Method
2.2. Transfer Function of Power-Smoothing Method
- The operation range of SOC becomes configurable in the WT generation range. This means that the ESS always operates in the preset SOC range.
- The ESS size is determined by selecting the time constant given by (11).
2.3. Theorem of ESS Sizing
3. ESS Integration
3.1. ESS Integration on Renewable Energy
3.2. Analysis Using Transfer Functions for ESS Integration
3.3. Result of WT-ESS Integration
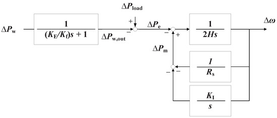
3.4. Grid Frequency
4. Time-Domain and Power-Spectrum Analysis
4.1. Case 1
4.1.1. Time-Domain Analysis for Wind Power and SOC
4.1.2. Analysis Using Power Spectral Density
4.2. Case 2
4.2.1. Time-Domain Analysis for Wind Power and SOC
4.2.2. Analysis Using Power Spectral Density
4.3. Case 3
4.3.1. Time-Domain Analysis for Wind Power and SOC
4.3.2. Analysis Using Power Spectral Density
5. Conclusions
Author Contributions
Funding
Conflicts of Interest
References
- Cho, Y.; Shim, J.W.; Kim, S.; Min, S.W.; Hur, K. Enhanced frequency regulation service using Hybrid Energy Storage System against increasing power-load variability. In Proceedings of the 2013 IEEE Power Energy Society General Meeting, Vancouver, BC, Canada, 21–25 July 2013; pp. 1–5. [Google Scholar] [CrossRef]
- Shim, J.W.; Verbič, G.; Hur, K.; Hill, D.J. Impact analysis of variable generation on small signal stability. In Proceedings of the 2014 Australasian Universities Power Engineering Conference (AUPEC), Perth, Australia, 28 September–1 October 2014; pp. 1–6. [Google Scholar] [CrossRef]
- Shim, J.W.; Verbič, G.; Zhang, N.; Hur, K. Harmonious integration of faster-acting energy storage systems into frequency control reserves in power grid with high renewable generation. IEEE Trans. Power Syst. 2018, 33, 6193–6205. [Google Scholar] [CrossRef]
- Jabir, M.; Azil Illias, H.; Raza, S.; Mokhlis, H. Intermittent smoothing approaches for wind power output: A review. Energies 2017, 10, 1572. [Google Scholar] [CrossRef]
- Wang-Hansen, M.; Josefsson, R.; Mehmedovic, H. Frequency controlling wind power modeling of control strategies. IEEE Trans. Sustain. Energy 2013, 4, 954–959. [Google Scholar] [CrossRef]
- Zhou, Z.; Scuiller, F.; Charpentier, J.F.; Benbouzid, M.E.H.; Tang, T. Power smoothing control in a grid-connected marine current turbine system for compensating swell effect. IEEE Trans. Sustain. Energy 2013, 4, 816–826. [Google Scholar] [CrossRef]
- Meng, H.; Yang, T.; Liu, J.Z.; Lin, Z. A flexible maximum power point tracking control strategy considering both conversion efficiency and power fluctuation for large-inertia wind turbines. Energies 2017, 10, 939. [Google Scholar] [CrossRef]
- Marcos, J.; de la Parra, I.; Garcia, M.; Marroyo, L. Control strategies to smooth short-term power fluctuations in large photovoltaic plants using battery storage systems. Energies 2014, 7, 6593–6619. [Google Scholar] [CrossRef]
- Huang, H.; Mao, C.; Lu, J.; Wang, D. Electronic power transformer control strategy in wind energy conversion systems for low voltage ride-through capability enhancement of directly driven wind turbines with permanent magnet synchronous generators (D-PMSGs). Energies 2014, 7, 7330–7347. [Google Scholar] [CrossRef]
- Lee, H.; Hwang, M.; Muljadi, E.; Sørensen, P.; Kang, Y.C. Power-smoothing scheme of a DFIG using the adaptive gain depending on the rotor speed and frequency deviation. Energies 2017, 10, 555. [Google Scholar] [CrossRef]
- Abedini, M.; Mandic, G.; Nasiri, A. Wind power smoothing using rotor inertia aimed at reducing grid susceptibility. Int. J. Power Electron. 2008, 1, 1445–1451. [Google Scholar] [CrossRef]
- Zhao, X.; Yan, Z.; Xue, Y.; Zhang, X.P. Wind power smoothing by controlling the inertial energy of turbines with optimized energy yield. IEEE Access 2017, 5, 23374–23382. [Google Scholar] [CrossRef]
- Liao, S.; Xu, J.; Sun, Y.; Bao, Y.; Tang, B. Control of energy-intensive load for power smoothing in wind power plants. IEEE Trans. Power Syst. 2018, 33, 6142–6154. [Google Scholar] [CrossRef]
- Shim, J.W.; Cho, Y.; Kim, S.; Min, S.W.; Hur, K. Synergistic control of SMES and battery energy storage for enabling dispatchability of renewable energy sources. IEEE Trans. Appl. Superconduct. 2013, 23, 5701205. [Google Scholar] [CrossRef]
- Hasanien, H.M. A set-membership affine projection algorithm-based adaptive-controlled SMES units for wind farms output power smoothing. IEEE Trans. Sustain. Energy 2014, 5, 1226–1233. [Google Scholar] [CrossRef]
- Li, X.; Hui, D.; Lai, X. Battery Energy Storage Station (BESS)-based smoothing control of Photovoltaic (PV) and wind power generation fluctuations. IEEE Trans. Sustain. Energy 2013, 4, 464–473. [Google Scholar] [CrossRef]
- Somayajula, D.; Crow, M.L. An integrated active power filter ultracapacitor design to provide intermittency smoothing and reactive power support to the distribution grid. IEEE Trans. Sustain. Energy 2014, 5, 1116–1125. [Google Scholar] [CrossRef]
- Pegueroles-Queralt, J.; Bianchi, F.D.; Gomis-Bellmunt, O. A power smoothing system based on supercapacitors for renewable distributed generation. IEEE Trans. Ind. Electron. 2015, 62, 343–350. [Google Scholar] [CrossRef]
- Rajapakse, G.; Jayasinghe, S.; Fleming, A.; Negnevitsky, M. Grid integration and power smoothing of an oscillating water column wave energy converter. Energies 2018, 11, 1871. [Google Scholar] [CrossRef]
- Xiong, M.; Gao, F.; Liu, K.; Chen, S.; Dong, J. Optimal real-time scheduling for hybrid energy storage systems and wind farms based on model predictive control. Energies 2015, 8, 8020–8051. [Google Scholar] [CrossRef]
- Yun, P.; Ren, Y.; Xue, Y. Energy-storage optimization strategy for reducing wind power fluctuation via Markov prediction and PSO method. Energies 2018, 11, 3393. [Google Scholar] [CrossRef]
- Han, X.; Chen, F.; Cui, X.; Li, Y.; Li, X. A power smoothing control strategy and optimized allocation of battery capacity based on hybrid storage energy technology. Energies 2012, 5, 1593–1612. [Google Scholar] [CrossRef]
- Wang, G.; Ciobotaru, M.; Agelidis, V.G. Power smoothing of large solar PV plant using hybrid energy storage. IEEE Trans. Sustain. Energy 2014, 5, 834–842. [Google Scholar] [CrossRef]
- Chen, J.; Li, J.; Zhang, Y.; Bao, G.; Ge, X.; Li, P. A hierarchical optimal operation strategy of hybrid energy storage system in distribution networks with high photovoltaic penetration. Energies 2018, 11, 389. [Google Scholar] [CrossRef]













| Wind Turbine | ESS Size | SOC Usage | Time Constant | Cut-Off Frequency | |
|---|---|---|---|---|---|
| Case 0 | 20 MW | - | - | - | - |
| Case 1 | 20 MW | 10 MW | 100% | 1800 s | 0.55 mHz |
| Case 2 | 20 MW | 5 MW | 100% | 900 s | 1.1 mHz |
| Case 3 | 20 MW | 5 MW | 50% | 450 s | 2.2 mHz |
© 2019 by the authors. Licensee MDPI, Basel, Switzerland. This article is an open access article distributed under the terms and conditions of the Creative Commons Attribution (CC BY) license (http://creativecommons.org/licenses/by/4.0/).
Share and Cite
Shim, J.W.; Kim, H.; Hur, K. Incorporating State-of-Charge Balancing into the Control of Energy Storage Systems for Smoothing Renewable Intermittency. Energies 2019, 12, 1190. https://doi.org/10.3390/en12071190
Shim JW, Kim H, Hur K. Incorporating State-of-Charge Balancing into the Control of Energy Storage Systems for Smoothing Renewable Intermittency. Energies. 2019; 12(7):1190. https://doi.org/10.3390/en12071190
Chicago/Turabian StyleShim, Jae Woong, Heejin Kim, and Kyeon Hur. 2019. "Incorporating State-of-Charge Balancing into the Control of Energy Storage Systems for Smoothing Renewable Intermittency" Energies 12, no. 7: 1190. https://doi.org/10.3390/en12071190
APA StyleShim, J. W., Kim, H., & Hur, K. (2019). Incorporating State-of-Charge Balancing into the Control of Energy Storage Systems for Smoothing Renewable Intermittency. Energies, 12(7), 1190. https://doi.org/10.3390/en12071190

