Next Article in Journal
A New Method of Selecting the Airlift Pump Optimum Efficiency at Low Submergence Ratios with the Use of Image Analysis
Previous Article in Journal
A Continuation Power Flow Model of Multi-Area AC/DC Interconnected Bulk Systems Incorporating Voltage Source Converter-Based Multi-Terminal DC Networks and Its Decoupling Algorithm
 
 
Font Type:
Arial Georgia Verdana
Font Size:
Aa Aa Aa
Line Spacing:
Column Width:
Background:
Article

Mathematical Explanations of a Paradox Observed in a HVAC (High Voltage Alternating Current) Untransposed Overhead Line

Electrical Power Engineering Department, Politehnica University of Timișoara, 300223 Timisoara, Romania
*
Author to whom correspondence should be addressed.
Energies 2019, 12(4), 734; https://doi.org/10.3390/en12040734
Submission received: 29 January 2019 / Revised: 17 February 2019 / Accepted: 19 February 2019 / Published: 22 February 2019
(This article belongs to the Section F: Electrical Engineering)

Abstract

The constructive asymmetry of the untransposed overhead lines of a high voltage alternating current is the cause of a great number of difficulties in their operation and modeling. In order to model the operating regimes of such lines, the symmetrical component method, based on constructive symmetry and thus the symmetry of the equivalent phase parameters, is inappropriate, which is why many research papers have been dedicated to either setting up improved modeling methods or to returning to phase coordinate modeling. This paper intends to justify a paradox found on some untransposed overhead lines of a high voltage alternating current during the no-load operating conditions by performing phase coordinate modeling. In such a situation, the transmission or distribution operators measured significant negative values for the active powers on one or two phases at the beginning of the lines. Considering the case of a real untransposed overhead line operating under no-load conditions, the paper starts from presenting the recorded electrical values. Then, the paper moves on to outlining the Carson’s simplified computing relations for calculating the series and shunt primitive equivalent parameters and Kron’s transformation relationships for calculating the phase equivalent parameters. After applying them to the real line, the calculation of the power flow for the no-load operating conditions, which is applied to an equivalent scheme of the line consisting of nine identical octopoles, is performed. Both the untransposed line and its transposed variant are studied here. The values of the electrical amounts obtained by the calculation for the untransposed line are basically similar to those obtained by measuring on the real line, which gives a mathematical confirmation of the so-called paradox. Its occurrence represents the effect of the asymmetry of the equivalent phase capacities, which causes a redistribution of the active powers between the phases of the network to which the overhead line operating in no-load conditions is connected.

1. Introduction

The symmetrical components method of the positive, negative, and zero sequence is the most widely used method for analyzing the normal operating conditions of the electrical power systems (EPS) [1]. It is, however, an approximate method based on a simplifying hypothesis with which the mathematical model is constructed, considering the symmetry of the equivalent, own, or mutual, longitudinal or transversal phase parameters. As it is known, the symmetrical components method uses three symmetric three-phase networks characterized by fictitious electrical amounts (impedances, currents, voltages, and powers) to model the three-phase network. However, the phase impedances of the three-phase components of an EPS have smaller or greater asymmetries resulting from their constructive (geometric) asymmetry. Thus, the normal operating regimes of an EPS are more or less unbalanced, not only because of the load unbalance, but also because of the equivalent impedances’ asymmetry. Thus, in most cases, the application of the symmetrical component method produces good enough results. There are many cases in which, for a greater approximation to real situations, especially in cases of significant unbalances and asymmetries, it is necessary to model the network by equivalent phase impedances and application of calculation methods in phase coordinates.
Efforts to improve such methods using phase coordinates have been uninterrupted in recent decades [2,3] and are ongoing [4]. In the case of transmission networks, studies have primarily addressed the impedance asymmetries introduced by the untransposed overhead lines.
Thus, a detailed description of multiple-line corridors for untransposed transmission overhead line (TOHL) modeling and their mutual influence can be found in [5,6,7]. A method of solving the calculation of the power flow for unbalanced distribution networks, consisting of the modeling of each phase by decoupling it from the rest of the network, which allows the calculation of the power flow per phase, is presented in [8]. The asymmetries, produced when HVAC transmission overhead lines (TOHL) have common paths, are also presented in [9], which analyzes the pronounced current unbalances caused by the mutual couplings between the circuits, which are formed especially when one or more of these are high loaded. Thus, to mitigate these unbalances, a technique that applies the principle of line transposition is proposed. This technique is then checked for an actual situation in which there are six common paths. Applicable to any OHL configuration with a common path, this technique leads to the mitigation of current unbalances, ensuring an increase in the stable operation of the high loaded power lines.
The modeling of the HVACTOHL operation in phase components is more and more necessary for calculating fault currents and regulating relay protections. In this respect, a method of analysis in phase coordinates of faults in three-phase systems, using a three-phase Thevenin equivalent model was developed [10]. The method can be applied in three-phase networks and allows for the calculation of fault currents by using simple equations. Applied primarily to networks with simple configurations, the method can also be developed for networks with complex configurations. In order to maximize the functional performance of the relay protection systems of the electrical lines in general and of the distance protection of the TOHL in particular, it is not sufficient to calculate the equivalent, own, and mutual phase parameters, and it is mandatory to measure them on each line. This idea is also supported in [11], where, precision measurements on 54 OHL and underground lines with nominal voltages ranging from 10–400 kV were performed. The authors conclude that real impedance values are very different from the calculated values because of the very pronounced asymmetry of the equivalent impedances of the TOHL, which, in most cases, are untransposed. It is thus argued that the transposition of TOHL phases is necessary not only to limit the unbalances in the power flow, but also to ensure the correct operation of relay protection systems.
Many authors, to analyze normal operating regimes, use phase coordinate modeling. For example, the calculation of the power flow in phase components was used to determine the influence of the phase parameters’ asymmetry of the untransposed TOHL on the voltage asymmetry in a network area in [12]. Additionally, the analysis of impedance asymmetry influence on the efficiency of electric energy transfer through 110–400 kV transmission networks was presented in [13]. For this purpose, the results of the monitoring of the synchronous phasors for each of the individual network elements are used, and based on these results, the phase impedances and admittances matrices are calculated.
The consideration of impedance asymmetries is currently possible in all the important software tools for power systems analysis. For example, Roldan-Fernandez et al. [14] pointed out that DigSILENT PowerFactory allows for the consideration of inductive and capacitive mutual couplings that are formed on parallel electric lines (double circuit) depending on the type of tower or its geometry. Based on the results of case studies performed using this software, the authors showed that the voltage unbalance is mainly caused by the existence of shunt currents corresponding to the capacitive couplings between phase and ground conductors respectively between phase conductors and grounding wires. It was also found that the magnetic couplings between the phases (which correspond to the mutual inductive impedances) cause relatively low unbalances.
A large portion of the existing studies have focused on the study of the effects of impedance asymmetries in three-phase systems, a particular form of the symmetrical component method. This method gives up the neglect of phase impedance asymmetry, so that the sequence impedance matrix has non-zero, non-diagonal elements. This means that the equivalent positive, negative, and zero sequence circuits are no longer independent, and they are coupled by impedances that cannot be neglected [15,16]. In this context, Bellan et al. [17] showed that in the case of the untransposed HVACTOHL, in the negative sequence equivalent circuit, there is a voltage known as the voltage asymmetry (unbalance) emission. Bellan et al. also presented a methodology for constructing an equivalent two-port network by which the equivalent positive and negative sequence circuits are coupled. This method is based on the equivalent scheme of an ideal transformer having a complex transformation ratio. In the case of untransposed HVACTOHL asymmetries having common paths, the application of the symmetric coordinate method results in equivalent impedances of coupling between the equivalent positive sequence scheme and the zero sequence scheme [18]. In this study, Bellan [18] presented an equivalent two-port network by which the coupling between the two circuits is modeled, namely the influence of the positive sequence scheme on the zero sequence scheme. This influence is modeled by a voltage source controlled by the positive sequence current, which is dependent on the asymmetry level of the phase parameters. In the same context, Youssef et al. [19] presented an original method of modeling the three-phase or six-phase circuits belonging to the real networks of alternative currents containing untransposed TOHL, which involves determining the coupling impedances between the fictitious sequences’ networks. This method is applicable to the analysis of any type of faults, including those that are simultaneous and indifferent to the number of phases involved. The non-zero, non-diagonal elements of the sequence impedance matrix were also used in [20], this time to analyze the influence of phase transposition, in particular the influence of TOHL lengths, on the voltage asymmetry in the buses of the network.
In the same context, regarding the concern for the correct modeling of the electric line behavior, Wang et al. [21] presented the results of research performed to determine the influence of the conductor temperature on the equivalent parameters of a HVACTOHL and thus on the power flow in the system to which the line belongs.
The abandonment of symmetrical component modeling and the use of phase coordinates in the study of overhead and underground electric lines is also required when dealing with steady state or fault regimes of passive conductors (earth wires for overhead lines, metallic screens and armors for cables, and enclosures for gas insulated lines). For this purpose, the multiconductor cell analysis (MCA) method is used, which allows for a more accurate modeling of overhead or underground electric lines. An example of an efficient use of the MCA method is the direct calculation, in steady state and faulty regimes, of the current induced in the earth wires and ground returns alongside single or double circuit overhead lines (OHLs) [22].
The present article joins previous studies dedicated by the same authors to the numerical evaluation of the effects of impedance and admittance asymmetries on OHL operating regimes [23,24,25]. The main contributions of the article consist of the phase components modeling of a real 110 kV untransposed OHL with the goal of validating a "paradox" observed by the specialists of a distribution system operator during the no-load operating condition. For this, the equivalent longitudinal and shunt phase parameters were first calculated, and then, the calculation of the power flow for the studied regime was performed using an equivalent scheme of nine equivalent octopoles. The method was applied to both the untransposed line and the transposed version. The values obtained by calculation are similar to those obtained by measurement, which confirms the phenomenon produced and validates the correctness of the mathematical model.

2. Observed Paradox

Specialists of a Romanian distribution system operator have observed on a few occasions a phenomenon that they could not explain, which was produced on HVAC overhead lines of 110 kV voltage, operating in no-load conditions.
In such a regime, the line takes capacitive reactive energy from the network to which it is connected. This is equivalent to the delivery of inductive reactive energy in the network, which is in line with the following expectations: currents with a pronounced capacitive character are flowing on the line, determined by the natural capacities of the line. These currents have relatively low rms (root mean square) values and produce reactive energy losses on inductive longitudinal equivalent impedances, which are, however, much lower than the reactive energy absorbed by the natural capacities of the line. So, the reactive energy absorbed at the beginning of the line is capacitive.
The paradox refers to active energy. For many transmission lines operating in no-load conditions, the active energy at the beginning of the line is negative, which means that the line injects active energy into the network to which it is connected, behaving as an active power source. This phenomenon is contrary to expectations, because the line operating in no-load conditions is an active energy receiver. In this regime, the line should consume active energy, mainly due to the thermal effect of the current (Joule–Lenz), and to a very small extent due to the imperfection of the insulation and the corona effect. Measuring the active powers on the phases, it was found that the sign of the active energy comes from the sign of the active powers: in some cases on one phase and in other cases on two phases, the active power has the negative sign, and the sum of the three active phases is also negative.
For example, take the case of 110 kV OHL, located in a network area to which the transformer substations are connected for the supply of electric railway traction. The simplified single-wire electrical diagram of this area is shown in Figure 1.
Figure 2 shows the values of the voltages, currents, active powers, and reactive powers recorded at the beginning of the studied line for intervals of 10 min. The monitoring equipment used was Janitza UMG 511.
Analyzing the measured values, the presence of fast periodic variations of the rms values of the phase voltages on the high voltage bus bars of substation 1 was observed. This was determined by the load operation regime made up of electric locomotives crossing periodically, in both directions, the railway line area fed from substation 1.
The average rms values of the simultaneous measurement of the phase voltages over the time interval are as follows:
U 1 a v = 68.447   kV ;   U 2 a v = 68.863   kV ;   U 3 a v = 68.627   kV
The fast, periodic variations of the phase voltage rms values are found in the form of the current variation, active powers, and reactive powers. This is due to the fact that the line is connected to the same high voltage bus bars as the railway substation. The average rms values over the time interval of the phase currents’ simultaneous measurement are as follows:
I 1 a v = 7.132   A ;   I 2 a v = 7.653   A ;   I 3 a v = 7.574   A
When analyzing the recorded values of the active powers on the three phases, the paradox described above can be observed. On two of the phases (1 and 2), the active powers have the negative sign, so they are delivered from the line to the network to which it is connected, and on the third phase (phase 3), the active power has the positive sign, being consumed (taken) from the network. The average values over the time interval of the active power’s simultaneous measurement per phase are as follows: P 1 a v = 39.996   kW , P 2 a v = 1.190   kW , P 3 a v = + 34.082   kW . Thus, the average value of the sum of the active powers over the same time period is as follows: P t o t   a v = 2.368   kW . Regarding the reactive powers per phase, there is a variation in the absolute values higher than the active power. The average values over the time interval of the simultaneous measurement of the reactive powers for each phases were as follows: Q 1 a v = 483.905   kvar , Q 2 a v = 524.903   kvar , Q 3 a v = 514.780   kvar . The average value of the sum of the reactive powers over the same time period is as follows: Q t o t   a v = 1523.588   kvar .
The fact that the sum of the measured values of the active power on the phases is negative has a minor effect on the line operation and on the measurement and protection systems. However, if the section concerned is at the edge of the two operators’ power management areas, the results may become important. Such a situation can be accepted as an effect of errors in the measurement systems, namely current transformer (CT) errors. It is known that at very low currents in relation to the rated current, CTs have very high relative errors for both the rms values and the angles of the secondary currents. For the studied OHL, the rms values of the rated currents are 800/1 A, so in the no-load operating conditions, the primary currents are less than 1% of the primary CT rated current.
However, it is difficult to accept that the active powers on the phases are positive, and the measuring systems indicate negative values. The causes of this phenomenon must be searched elsewhere, more precisely in the asymmetry of the line equivalent phase parameters.

3. Calculation of the Equivalent Phase Parameters for the Considered Overhead Line

The line considered only has one three-phase circuit, but it is installed on towers for double-circuit lines. The second circuit, which was to be installed with the development of the network in that area, has not yet been built.
As mentioned above, the rated voltage of the line is 110 kV, and its length is 47.4 km. It was built with 86 metal towers, most of them having the geometrical characteristics shown in Figure 3. The three phase conductors (indices 1, 2, 3 corresponding to the phases a, b, c) and the protective conductor (index 4, corresponding to conductor n, grounded—g) are aluminum conductor steel-reinforced cable (ACSR)-types and have rated sections of 185/32 mm2 and 95/55 mm2, respectively. The insulators of the line are ball-and-socket-type glass strings, with a length of 1.8 m.
The three-phase modeling of the line consists of the determination of the primitive equivalent parameters and the equivalent series and shunt phase parameters. Along these lines, it should be taken into account that each conductor is located in both in its own electric and magnetic fields and in the electric and magnetic fields of the neighboring conductors, with the whole conductor assembly being located near the ground, the potential of which is null.

3.1. Calculation of the Primitive Impedance Matrix

For the calculation of the self and mutual impedances of an electric line, the Carson’s relations are universally accepted [1,26,27,28,29]. For their deduction, the method of conductor images was applied in the conditions of ground modeling using the following hypotheses: the ground is a uniform solid of infinite dimensions, with the outer side a uniform surface that is perfectly flat, and whose electrical resistivity is constant. It is also considered that the end effect introduced by the grounding of the neutral (the protective) conductor is reduced for the frequency values found in the network, which is why it can be neglected. By applying additional mathematical simplifications, Carson’s modified equations were obtained, which have proved to be accurate enough and therefore widely used both for OHL and underground line modeling.
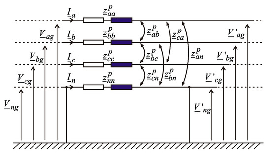
In Figure 4, the unit length segment of a three-phase OHL, having a protective conductor grounded at both ends to which the unitary primitive impedances are associated [1], is presented.
Carson’s modified equations for calculating the unitary primitive self and mutual impedances are as follows:
z _ i i p = r i + k 1 · f + j · k 2 · f ( l n 1 G M R i + k 3 + 1 2 l n ρ f )
z _ i j p = k 1 · f + j · k 2 · f ( l n 1 D i j + k 3 + 1 2 l n ρ f )
where z _ i i p is the self-impedance of conductor i in Ω/mile; z _ i j p is the mutual impedance between conductors i and j in Ω/mile;   r i is the resistance of conductor i in Ω/mile; f is the frequency in Hz;   D i j is the distance between conductor i and conductor j in ft;   G M R i is the geometric mean radius of conductor i in ft; ρ is the resistivity of the earth in Ω∙m; and k 1 ,     k 2 ,     k 3 are constants with the following values: k 1 = 1.58836 · 10 3 , k 2 = 2.02237 · 10 3 , k 3 = 7.6786 .
According to Kirchhoff’s voltage law applied to the circuit in Figure 4, one can write the matrix relation as follows:
[ V _ ] = [ V _ ] + [ z _ p ] · [ I _ ]
where [ V _ ] and [ V _ ] , respectively, are the voltage matrices formed between the conductors and the ground upstream and downstream of the considered element, [ z _ p ] is the matrix of primitive impedances, and [ I _ ] is the matrix of currents crossing the four conductors:
[ V _ ] = [ V _ a g V _ b g V _ c g V _ n g ] ; [ V _ ] = [ V _ a g V _ b g V _ c g V _ n g ] ; [ I _ ] = [ I _ a I _ b I _ c I _ n ] ; [ z _ p ] = [ z _ a a p z _ a b p z _ b a p z _ b b p z _ a c p z _ a n p z _ b c p z _ b n p z _ c a p z _ c b p z _ n a p z _ n b p z _ c c p z _ c n p z _ n c p z _ n n p ]

3.2. Calculation of the Primitive Impedance Matrix

The matrix of the self and mutual phase impedances is obtained from the primitive impedance matrix by applying Kron’s reduction method [30]. For this, the four matrices above are partitioned in such a way that Equation (3) can be written as follows:
[ [ V _ a b c ] [ V _ n g ] ] = [ [ V _ a b c ] [ V _ n g ] ] + [ [ z _ i j p ] [ z _ i n p ] [ z _ n j p ] [ z _ n n p ] ] · [ [ I _ a b c ] [ I _ n ] ] .
The partial matrices are therefore:
[ z _ i j p ] = [ z _ a a p z _ a b p z _ a c p z _ b a p z _ b b p z _ b c p z _ c a p z _ c b p z _ c c p ] ; [ z _ i n p ] = [ z _ a n p z _ b n p z _ c n p ] ; [ z _ n j p ] = [ z _ n a p z _ n b p z _ n c p ] ;   [ z _ n n p ] = [ z _ n n p ] [ I _ a b c ] = [ I _ a I _ b I _ c ] ;   [ I _ n ] = [ I _ n ] .
Kron’s reduction method can apply if the following is true:
V _ n g = 0   and   V _ n g = 0 .
For a line such as the one above, Equation (6) is valid because the neutral (or protective) conductor is grounded so that the voltages between the two points are null at both ends of the considered segment. Under these conditions Equation (3) is reduced to the following:
[ V _ a b c ] = [ V _ a b c ] + [ z _ a b c ] · [ I _ a b c ] .
In Equation (7) one can identify the phase impedance matrix, which is square, of dimension 3 × 3, and it can be determined using the primitive impedances partial matrices:
[ z _ a b c ] = [ z _ a a z _ a b z _ a c z _ b a z _ b b z _ b c z _ c a z _ c b z _ c c ] = [ z _ i j p ] [ z _ i n p ] · [ z _ n n p ] 1 · [ z _ n j p ] .
For the studied OHL, the results of the calculation of the primitive impedances matrix, and of the phase impedance matrix, respectively, expressed in SI units, are as follows:
[ z p ] = ( 0.206 + 0.742 i 0.049 + 0.318 i 0.049 + 0.318 i 0.206 + 0.742 i 0.049 + 0.283 i 0.049 + 0.313 i 0.049 + 0.331 i 0.049 + 0.273 i 0.049 + 0.283 i 0.049 + 0.331 i 0.049 + 0.313 i 0.049 + 0.273 i 0.206 + 0.742 i 0.049 + 0.255 i 0.049 + 0.255 i 0.355 + 0.742 i )   Ω / km [ z a b c ] = ( 0.222 + 0.622 i 0.060 + 0.213 i 0.059 + 0.185 i 0.060 + 0.213 i 0.214 + 0.650 i 0.055 + 0.244 i 0.059 + 0.185 i 0.055 + 0.244 i 0.211 + 0.661 i )   Ω / km
The calculation of the equivalent parameters was done under simplifying conditions, according to which the line conductors are considered to be parallel to the ground and the towers and the insulation has the same configuration along the whole length of the line.

3.3. Calculation of the Potential Coefficients Matrix

In order to determine the phase admittance matrix, the potential of a conductor belonging to an OHL must first be determined, located in its own electric field and in the electric fields determined by the other conductors.
Applying the image conductor method, one can determine the voltage drop between the conductor and the ground [1]. For each conductor, the electrical loads of all the conductors influence its voltage drop to the ground. This dependence corresponds to self and mutual primitive potential coefficients.
For a three-phase line having three phase conductors and a neutral (or protective) conductor, the equations between the potentials of the four conductors and their electrical loads can be written by using the primitive potential coefficients matrix:
[ V a g V b g V c g V n g ] = [ p a a p p a b p p b a p p b b p p a c p p a n p p b c p p b n p p c a p p c b p p n a p p n b p p c c p p c n p p n c p p n n p ] · [ q a g q b g q c g q n g ] .
The primitive capacities matrix can be associated to the primitive potential coefficients. These capacities correspond to the capacitive couplings formed between each pair of elements of the four conductors and ground assembly (Figure 5).
Partitioning the three matrices, Equation (9) can also be written as follows:
[ [ V a b c ] [ V n g ] ] = [ [ p i j p ] [ p i n p ] [ p n j p ] [ p n n p ] ] · [ [ q a b c ] [ q n ] ] .
In Equation (10), the partial matrices are as follows:
[ V a b c ] = [ V a g V b g V c g ] ;   [ V n g ] = [ V n g ] ;   [ p i j p ] = [ p a a p p a b p p a c p p b a p p b b p p b c p p c a p p c b p p c c p ] ;   [ p i n p ] = [ p a n p p b n p p c n p ] [ p n j p ] = [ p n a p p n b p z _ n c p ] ;   [ p n n p ] = [ p n n p ] ;   [ q a b c ] = [ q a q b q c ] ;   [ q n ] = [ q n ] .
For the calculation of the values of the primitive potential coefficients per unit length line, Carson’s equations, using the same concept of conductor images, is applied [1]:
p i i p = k p · l n S i i R D i
p i j p = k p · l n S i j D i j
where   p i i p is the self-potential coefficient, in mile/μF; p i j p is the mutual potential coefficient, in mile/μF; S i i is the distance from conductor i and its image, in ft; S i j is the distance from conductor i and the image of conductor j, in ft; R D i is the radius of conductor i, in ft; D i j is the distance from conductor i to conductor j, in ft; and k p = 11.17689 is the constant resulting from considering the value of the air relative permittivity ε a i r = 1.424 · 10 2 μF/mile.

3.4. Calculation of the Potential Coefficients Matrix

The determination of the phase potential coefficients is done by observing that by grounding the protective conductor, its potential becomes null:
[ V n g ] = 0 .
Equation (10) is reduced to the following:
[ V a b c ] = [ p a b c ] · [ q a b c ] .
Applying Kron’s reduction method [30], the primitive potential coefficient matrix is reduced to the phase potential coefficient matrix, which can be calculated by an expression in which the partial primitive coefficients matrices intervene:
[ p a b c ] = [ p i j p ] [ p i n p ] · [ p n n p ] 1 · [ p n j p ] .
The phase capacities matrix, calculated for the unit length of the line (in μF/miles), immediately results as the inverse of the phase potential coefficients matrix:
[ c a b c ] = [ p a b c ] 1
[ c a b c ] = [ c a a c a b c a c c b a c b b c b c c c a c c b c c c ] .
According to the commonly accepted practice, most of the time, the shunt conductance of an OHL can be neglected, so that for the phase admittance matrix, expressed in μS/miles, the following relationship results:
[ y _ a b c ] = 0 + j · ω · [ c a b c ] .
For the analyzed OHL, the calculation results of the primitive potential coefficients matrix, phase potential coefficient matrix, phase capacitances matrix, and phase capacitive admittances matrix, expressed in SI units, are as follows:
p p = ( 154.293 36.693 36.693 149.742 24.716 39.298 35.611 25.792 24.716 35.611 39.298 25.792 144.987 18.939 18.939 161.144 )   km / μ F p a b c = ( 144.709 30.403 20.098 30.403 145.614 32.580 20.098 32.580 142.761 )   km / μ F
c a b c = ( 0.0073 0.00136 0.00072 0.00136 0.00749 0.00152 0.00072 0.00152 0.00745 )   μ F / km y a b c = ( 2.2922 i 0.4283 i 0.255 i 0.4283 i 2.3536 i 0.4768 i 0.255 i 0.4768 i 2.3411 i )   μ S / km
The calculation of the equivalent parameters was done under the same simplification conditions as those mentioned above.

4. Power Flow Calculation in Phase Coordinates

In the case of the OHLs with relatively small lengths (tens of kilometers), only the values of the electrical amounts at the ends of the line are of concern. In these cases, the calculation of the power flow is accurate enough if the line is modeled by means of the phase total impedances and admittance matrices. These matrices are calculated by multiplying the unitary phase impedance and admittance matrices, with the length of the line as follows:
[ Z _ a b c ] = L · [ z _ a b c ]
[ Y _ a b c ] = L · [ y _ a b c ]
where L is the line length.
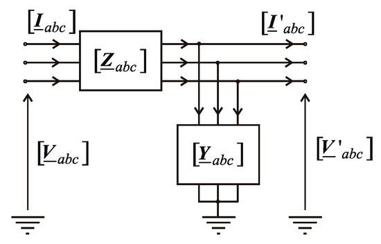
The four-wire electric line is reduced to the three-phase conductors, and the steady-state operating conditions can be analyzed by performing the power flow calculation in phase coordinates, using an equivalent octopole with concentrated parameters (Figure 6).
The equations between phase currents and phase voltages (between phases and ground conductors), depending on the phase total impedances and admittance matrices, are as follows:
[ I _ a b c ] = [ I _ a b c ] + [ Y _ a b c ] · [ V _ a b c ]
[ V _ a b c ] = [ V _ a b c ] + [ Z _ a b c ] · [ I _ a b c ] .
Equations (21) and (22) allow for the back forward power flow calculation.
In the case of long OHLs or situations where the variation of the values of electrical amounts along the line are monitored, it should be divided into segments of small lengths, which are modeled by appropriate equivalent octopoles. The limit of two successive octopoles correspond to the sections of the line where the values of electrical amounts are monitored.

5. Power Flow Calculation for the Studied OHL and Comparison with Measured Values

Mathematical modeling in the phase coordinates of the no-load operating conditions of the studied OHL was performed in order to determine if the paradox described above can be achieved. For this purpose, the values of the previously calculated phase parameters were used. In order to determine the variation in electrical amounts along the line, modeling was achieved by dividing it into nine segments of equal length, which highlight the 10 sections. Each of the nine segments was modeled by an equivalent octopole with concentrated parameters. Then, Equations (21) and (22) were successively applied for the back forward power flow calculation (section k = 10—the end of the line to section k = 1—the beginning of the line). For each section the voltages, currents, and active and reactive powers were determined.
In the second part of the numerical study, a hypothetical transposition of the line was considered to evaluate the effect of this operation and to verify the correctness of the mathematical model. For this purpose, two permutations of the three-phase conductors were considered, and they were done in Section 4 and Section 7, respectively. The line was thus divided into three parts of equal length (each containing three out of the nine equal segments) without considering the tower’s position in the field. Phase conductors’ permutations were introduced into the calculus by appropriate permutations in matrices D (distances between the four conductors’ matrix) and S (distances between the conductors and their images’ matrix).
Figure 7 presents the results of the electrical amounts obtained by numerical calculation in the two situations: the non-transposed line (a1–4)), and the transposed line (b1–4), respectively.
The numerical study was performed by applying the Mathcad software tool under the following conditions:
  • Equivalent parameters of type R, L, and C are considered ideal and perfectly linear;
  • The voltages applied to the three-phase circuit are perfectly sinusoidal (the harmonic regime caused by the railway traction is neglected).
Only the values calculated for Section 1 can be compared to those measured. Therefore, in the numerical study carried out for both the untransposed line and the transposed version, we aimed to obtain values for the voltages as close as possible to the measured values and to their average value, respectively. From the set of recorded values, the ones from 2 October 2018 13:01:19 ’584 were retained, corresponding to a very short period in which the operating regime was quasi-stationary.
For an easier comparison, the measured and calculated values were grouped in Table 1. Considering the calculated values (Figure 6), the comparison between them, and the measured values (Table 1), the following observations can be made:
  • In both situations, the calculated voltages at the end of the line were higher than those at the beginning of the line, which is in line with expectations. This is the consequence of producing the Ferranti effect, typical for AC power lines operating in no-load conditions.
  • The variation along the line of rms currents and reactive powers is in line with expectations. They are null at the end of the line and have their maximum values at the beginning of the line, showing a basically linear variation. The currents have a pronounced capacitive behavior, which is reflected in the character of the reactive powers and in their much higher values than those of the active powers.
  • The numerical study of the untransposed line confirms the paradox found by measurements to the studied OHL. At the beginning of the line, on two of the phases, the active power is negative (delivered to the network to which it is connected), and on the third one, it is positive (taken from the network). In absolute values, the variation along the line of the active power is also linear. However, the sum of the values at the beginning of the line (Section 1) is positive (consumed), which is in line with expectations and confirms the correctness of the mathematical model.
  • The calculation of the power flow along the transposed line highlights the symmetrization effect of the values on the three phases at the beginning of the line, both for voltages and currents and active and reactive powers, respectively, which confirms both the positive effect of transposition and the correctness of the mathematical model. It is important to note that this time, the active powers of phases 1 and 2, although along the line, also had negative values, becoming positive at the beginning of the line. The total active and reactive powers calculated at the beginning of the transposed line were practically equal to those calculated for the untransposed line.
As a result of the numerical study, it can be stated that there is a high similarity between the measured values and those calculated for the untransposed line. The lower or higher differences are primarily determined by the errors of the measurement systems, but also by the simplifications introduced in the mathematical model. The errors occurred in the measured values due to the presence of the harmonic regime determined by the railway in the network to which the studied OHL is connected, must not be forgotten.

6. The Paradox Explanation

The paradox of the appearance of negative active powers at the beginning of an untransposed OHL is not actually a paradox. This regime is determined by the asymmetry of the equivalent capacities that are formed between the phase conductors. For the studied line, this asymmetry was accentuated as a result of both the asymmetry of the mutual position of the phase conductors and the asymmetry of the position of the phase conductors with respect to the ground and the protective conductor.
It is known that when three single-phase capacitor banks having unequal capacitances are connected between the phase conductors of a three-phase circuit (in delta connection), they will absorb capacitive reactive powers on the three phases of the network, and in addition, they will determine an unequal active power flow [24]. Depending on the type and magnitude of the asymmetry of the three equivalent capacitances, they will take over the active power from the network during one or two phases and deliver this power back into the network over the other phases (phase). There is a redistribution of active powers between the phases of the network. The operation of unbalanced capacitive compensators designed to load balancing in three-phase networks is based on this phenomenon [31].
The same phenomenon also occurs between the phases of an untransposed OHL operating in no-load conditions, although the equivalent capacitances are uniformly distributed along the line. By making the algebraic sum of the three active powers on the phases, a positive value is always obtained. This value is much lower than the values of the active powers flowing through the phases. This is nothing other than the consumption of active power in no-load operating conditions on all the three phases, corresponding to losses through the Joule–Lenz effect and the corona effect. The transposition of phase conductors of an OHL leads to the permutation of the redistribution of active powers between the phases, so that over the entire length of the line, this redistribution is nullified and a symmetrization of all the electrical amounts at the ends of the line is obtained.

7. Conclusions

In practice, there are many situations in OHL operation for which solving and understanding is not useful to apply symmetrical coordinates modeling. This is especially true the case of untransposed OHLs, for which is necessary to return to modeling in phase coordinates.
Carson’s modified equations are applied to the calculation of the primitive equivalent impedances and the primitive potential coefficients. Kron’s transformation method allows for the determination of equivalent phase impedances, phase potential coefficients, and phase capacitances, respectively. Both are practical solutions for the phase coordinate modeling of an OHL, and they are accurate enough and are thus universally accepted. In the paper, these solutions were used to obtain a mathematical confirmation of a so-called paradox found for OHLs operating in no-load conditions. For the case study, a real OHL was considered, for which the mathematical modeling was performed in phase coordinates. The results of the numerical study of the no-load regime led to similar results to those measured under real conditions.
In fact, the asymmetry of equivalent phases capacitances, even if they are uniformly distributed along the line, determines for an untransposed OHL operating in no-load conditions, the same effect as in the case of an asymmetrical capacitor bank used for shunt capacitive compensation and load balancing. Besides the capacitive reactive power consumption from the network to which it is connected, it determines the redistribution of the active power between the network phases.

Author Contributions

Conceptualization, Methodology, Validation: A.P.; Investigation: A.P., A.B., and F.M.-M.; Original Draft Preparation: A.P.; and Review and Editing of Manuscript: A.B. and F.M.-M.

Funding

This research received no external funding.

Acknowledgments

This work was supported by the experts from E-Distribution Banat, Romania, Operation & Maintenance Division—Network Systems O&M Unit—Remote Control, Protection and Automation Department.

Conflicts of Interest

The authors declare no conflicts of interest.

References

  1. Kersting, W.H. Distribution System Modeling and Analysis, 4th ed.; CRC Press: Boca Raton, FL, USA, 2017; ISBN 978-1498772136. [Google Scholar]
  2. Laughton, M.A. Analysis of Unbalanced Poly-phase Networks by the Method of Phase Co-ordinates, Part 1 System Represantation in Phase Frame of Reference. Proc. IEE 1969, 115, 1163–1172. [Google Scholar] [CrossRef]
  3. Laughton, M.A. Analysis of Unbalanced Polyphase Networks by the Method of Phase Co-ordinates, Part 2. Fault Analysis. Proc. IEE 1969, 116, 857–865. [Google Scholar] [CrossRef]
  4. Chunju, F.; Kan, X.; Qi, L. A New Decoupling Method for Double-Circuit Transmission Lines with Asymmetrical Parameters. IEEE J. Trans. Electr. Electron. Eng. 2017, 12, 161–168. [Google Scholar] [CrossRef]
  5. Hesse, M.H. Circulating Current in Paralleled Untransposed Multicircuit Lines: I-Numerical Evaluations. IEEE Trans. Power Appar. Syst. 1966, Pas-85, 802–811. [Google Scholar] [CrossRef]
  6. Hesse, M.H. Circulating Current in Paralleled Untransposed Multicircuit Lines: II-Methods for Estimating Current Unbalance. IEEE Trans. Power Appar. Syst. 1966, Pas-85, 812–820. [Google Scholar] [CrossRef]
  7. Hesse, M.H.; Sabath, J. EHV Double-Circuit Untransposed Transmission Line-Analysis and Tests. IEEE Trans. Power Appar. Syst. 1971, PAS-90, 984–992. [Google Scholar] [CrossRef]
  8. Vieira, J.C.M., Jr.; Freitas, W.; Morelato, A. Phase-Decoupled Method for Three-Phase Power-Flow Analysis of Unbalanced Distribution Systems. IEE Proc. Gener. Transm. Distrib. 2004, 151, 568–574. [Google Scholar] [CrossRef]
  9. Jinxi, M.; Fortin, S.; Dawalibi, F.P. Analysis and Mitigation of Current Unbalance Due to Induction in Heavily Loaded Multicircuit Power Lines. IEEE Trans. Power Deliv. 2004, 19, 1378–1383. [Google Scholar] [CrossRef]
  10. Gajbhiye, R.; Kulkarni, P.; Soman, S.A. Analysis of faulted power systems in three phase coordinates—A generic approach. In Proceedings of the 7th International Power Engineering Conference, Singapore, 29 November–2 December 2005; pp. 1052–1057. [Google Scholar] [CrossRef]
  11. Hulka, L.; Klapper, U.; Pütter, M.; Wurzer, W. Measurement of Line Impedance and Mutual Coupling of Parallel Lines to Improve the Protection System. In Proceedings of the CIRED 2009—20th International Conference and Exhibition on Electricity Distribution—Part 1, Prague, Czech Republic, 8–11 June 2009; pp. 1–4. [Google Scholar] [CrossRef]
  12. Paranavithana, P.; Perera, S.; Sutanto, D. Impact of Untransposed 66kV Sub-transmission Lines on Voltage Unbalance. In Proceedings of the Australasian Universities Power Engineering Conference (AUPEC), Melbourne, Australia, 10–13 December 2006; 5p. [Google Scholar]
  13. Pavlov, L.; Skurcak, L.; Chovanec, J.; Altus, J. Impact of Impedance Unbalance on the Efficiency of Electricity Transmission and Distribution—A Case Study. J. Electr. Eng. 2018, 68, 492–495. [Google Scholar] [CrossRef]
  14. Roldan-Fernandez, J.M.; Gonzalez-Longatt, F.M.; Rueda, J.L.; Verdejo, H. Modelling of Transmission Systems Under Unsymmetrical Conditions and Contingency Analysis Using DIgSILENT Power Factory. In Power Factory Applications for Power System Analysis; Gonzalez-Longatt, F.M., Rueda, J.L., Eds.; Springer International Publishing: Cham, Switzerland, 2014; pp. 27–59. [Google Scholar]
  15. Renner, H. Voltage Unbalance Emission Aassessment. In Proceedings of the 2010 Electric Power Quality and Supply Reliability Conference, Kuressaare, Estonia, 16–18 June 2010; 6p. [Google Scholar]
  16. Bellan, D. Coupling of Three-Phase Sequence Circuits Due to Line and Load Asymmetries. In Proceedings of the 3rd NAUN International Conference on Circuits, Systems, Communications, Computers and Applications, Florence, Italy, 22–24 November 2014; 5p. [Google Scholar]
  17. Bellan, D.; Superti-Furga, G.; Pignari, S.A. Circuit Representation of Load and Line Asymmetries in Three-Phase Power Systems. Int. J. Circuits Syst. Signal Process. 2015, 9, 75–80. [Google Scholar]
  18. Bellan, D. Approximate Circuit Model for Zero-Sequence Current Estimation in Asymmetrical Three-Wire Power Networks. ARPN J. Eng. Appl. Sci. 2016, 11, 13840–13844. [Google Scholar]
  19. Youssef, K.H.; Abouelenin, F.M. Analysis of Simultaneous Uunbalanced Short Circuit and Open Conductor Faults in Power Systems with Untransposed Lines and Six-Phase Sections. Alex. Eng. J. 2016, 55, 369–377. [Google Scholar] [CrossRef]
  20. Muzzammel, R.; Tahir, U. Analytical Behaviour of Line Asymmetries in Three Phase Power Systems, In Proceedings of the 2017 International Symposium on Recent Advances in Electrical Engineering (RAEE), Islamabad, Pakistan, 24–26 October 2017; 5p.
  21. Wang, Y.; Mo, Y.; Wang, M.; Zhou, X.; Liang, L.; Zhang, P. Impact of Conductor Temperature Time–Space Variation on the Power System Operational State. Energies 2018, 11, 760. [Google Scholar] [CrossRef]
  22. Benato, R.; Dambone Sessa, S.; Guglielmi, F. Determination of Steady-State and Faulty Regimes of Overhead Lines by Means of Multiconductor Cell Analysis (MCA). Energies 2012, 5, 2771–2793. [Google Scholar] [CrossRef]
  23. Pana, A.; Baloi, A. Numerical Evaluation of the Effects of the Impedances and Admittances Asymmetry at a Double Circuit HVAC Overhead Line. In Proceedings of the EUROCON 2015—International Conference on Computer as a Tool, Salamanca, Spain, 8–11 September 2015; pp. 1–7. [Google Scholar] [CrossRef]
  24. Pana, A.; Baloi, A.; Molnar-Matei, F. Numerical Evaluation of the Effects of Phase Admittances Asymmetry at HVAC Overhead Lines. In Proceedings of the 2015 International School on Nonsinusoidal Currents and Compensation (ISNCC), Łagów, Poland, 15–18 June 2015; pp. 1–6. [Google Scholar] [CrossRef]
  25. Pana, A.; Baloi, A.; Molnar-Matei, F. Numerical Evaluation of the Effects of Phase Impedance Asymmetry at an Untransposed Overhead Transmission Line. In Proceedings of the CIGRE Regional South-East European Conference—RSEEC 2016, Bucharest, Romania, 10–12 October 2016; pp. 1–6. [Google Scholar]
  26. Carson, J.R. Wave Propagation in Overhead Wires with Ground Return. Bell. Syst. Tech. J. 1926, 5, 539–554. [Google Scholar] [CrossRef]
  27. Kersting, W.H.; Green, R.K. The Application of Carson’s Equation to the Steady-State Analysis of Distribution Feeders. In Proceedings of the Power Systems Conference and Exposition (PSCE 2011), Phoenix, AZ, USA, 20–23 March 2011; pp. 1–6. [Google Scholar] [CrossRef]
  28. Keshtkar, H.; Khushalani Solanki, S.; Solanki, J.M. Improving the Accuracy of Impedance Calculation for Distribution Power System. IEEE Trans. Power Deliv. 2013, 29, 570–579. [Google Scholar] [CrossRef]
  29. Martins, T.F.R.D.; Lima, A.C.S.; Carneiro, S., Jr. Effect of Approximate Impedance Formulae on the Accuracy of Transmission Line Modeling. IET Gener. Transm. Distrib. 2007, 1, 534–539. [Google Scholar] [CrossRef]
  30. Kron, G. Tensorial Analysis of Integrated Transmission Systems, Part I: The Six Basic Reference Frames. Trans. Am. Inst. Electr. Eng. 1951, 70, 1239–1248. [Google Scholar] [CrossRef]
  31. Pană, A. Active load balancing in a three-phase network by reactive power compensation. In Power Quality—Monitoring, Analysis and Enhancement; Zobaa, A., Ed.; InTech—Open Access Publisher: Rijeka, Croatia, 2011; pp. 219–254. [Google Scholar]
Figure 1. Simplified single-wired electrical scheme of the network area to which the studied line belongs. OHL: overhead line.
Figure 1. Simplified single-wired electrical scheme of the network area to which the studied line belongs. OHL: overhead line.
Energies 12 00734 g001
Figure 2. Records of the values of the electrical amounts at the beginning of the analyzed line.
Figure 2. Records of the values of the electrical amounts at the beginning of the analyzed line.
Energies 12 00734 g002aEnergies 12 00734 g002b
Figure 3. Type of tower used to construct the analyzed line.
Figure 3. Type of tower used to construct the analyzed line.
Energies 12 00734 g003
Figure 4. Unit length segment of a three-phase OHL and its self and mutual primitive impedances.
Figure 4. Unit length segment of a three-phase OHL and its self and mutual primitive impedances.
Energies 12 00734 g004
Figure 5. Unit length segment of a three-phase OHL and the primitive self and mutual capacities that are formed.
Figure 5. Unit length segment of a three-phase OHL and the primitive self and mutual capacities that are formed.
Energies 12 00734 g005
Figure 6. The equivalent octopole of the line used for power flow calculation in the phase components.
Figure 6. The equivalent octopole of the line used for power flow calculation in the phase components.
Energies 12 00734 g006
Figure 7. Results of the power flow calculation on the analyzed OHL operating in no-load conditions, performed in phase coordinates: (a1–4) the untransposed line and (b1–4) the transposed line.
Figure 7. Results of the power flow calculation on the analyzed OHL operating in no-load conditions, performed in phase coordinates: (a1–4) the untransposed line and (b1–4) the transposed line.
Energies 12 00734 g007aEnergies 12 00734 g007b
Table 1. The values of the measured and calculated electrical amounts in Section 1 (the beginning of the studied OHL).
Table 1. The values of the measured and calculated electrical amounts in Section 1 (the beginning of the studied OHL).
Way of DeterminationVoltagesCurrentsActive PowersReactive Powers
Measurement—untransposed lineU1 = 68.079 kVI1 = 7.085 AP1 = −39.267 kWQ1 = −478.874 kvar
U2 = 68.454 kVI2 = 7.622 AP2 = −2.008 kWQ2 = −522.125 kvar
U3 = 68.247 kVI3 = 7.520 AP3 = 33.200 kWQ3 = −508.648 kvar
--Ptot = −8.075 kWQtot = −1509.647 kvar
Calculate—untransposed lineU1 = 68.079 kVI1 = 8.483 AP1 = −38.864 kWQ1 = −576.233 kvar
U2 = 68.454 kVI2 = 9.109 AP2 = −9.260 kWQ2 = −623.489 kvar
U3 = 68.247 kVI3 = 8.748 AP3 = 48.800 kWQ3 = −595.000 kvar
--Ptot = 0.676 kWQtot = −1794.722 kvar
Calculate—transposed lineU1 = 68.259 kVI1 = 8.763 AP1 = 0.217 kWQ1 = −598.143 kvar
U2 = 68.258 kVI2 = 8.763 AP2 = 0.160 kWQ2 = −598.140 kvar
U3 = 68.261 kVI3 = 8.763 AP3 = 0.295 kWQ3 = −598.172 kvar
--Ptot = 0.673 kWQtot = −1794.455 kvar

Share and Cite

MDPI and ACS Style

Pană, A.; Băloi, A.; Molnar-Matei, F. Mathematical Explanations of a Paradox Observed in a HVAC (High Voltage Alternating Current) Untransposed Overhead Line. Energies 2019, 12, 734. https://doi.org/10.3390/en12040734

AMA Style

Pană A, Băloi A, Molnar-Matei F. Mathematical Explanations of a Paradox Observed in a HVAC (High Voltage Alternating Current) Untransposed Overhead Line. Energies. 2019; 12(4):734. https://doi.org/10.3390/en12040734

Chicago/Turabian Style

Pană, Adrian, Alexandru Băloi, and Florin Molnar-Matei. 2019. "Mathematical Explanations of a Paradox Observed in a HVAC (High Voltage Alternating Current) Untransposed Overhead Line" Energies 12, no. 4: 734. https://doi.org/10.3390/en12040734

APA Style

Pană, A., Băloi, A., & Molnar-Matei, F. (2019). Mathematical Explanations of a Paradox Observed in a HVAC (High Voltage Alternating Current) Untransposed Overhead Line. Energies, 12(4), 734. https://doi.org/10.3390/en12040734

Note that from the first issue of 2016, this journal uses article numbers instead of page numbers. See further details here.

Article Metrics

Back to TopTop