Multifunctional Distributed MPPT Controller for 3P4W Grid-Connected PV Systems in Distribution Network with Unbalanced Loads
Abstract
1. Introduction
- A new multifunctional distributed MPPT controller is proposed for integrating PV systems with distribution networks. The proposed inverter performs multifunctionalities including distributed MPPT, neutral current compensation for the existing unbalanced loads, and reactive power compensation.
- The proposed controller is capable of injecting balanced sinusoidal currents with low output total harmonic distortion (THD) into the utility grid, regardless of the combined fluctuations of the PV generation and load demand.
- An effective compensation method for the neutral currents is provided for four-wire distribution systems, which improves the energy efficiency and reliability of the whole distribution system and components.
2. 3P4W Distribution System
2.1. Grid-Connected Four-Leg Inverter
2.2. Issues of PV Generation Side
2.3. Issues of Distribution Utility Side
3. Modelling of Four-Leg PV-VSI System
3.1. Modeling of PV Generation Side
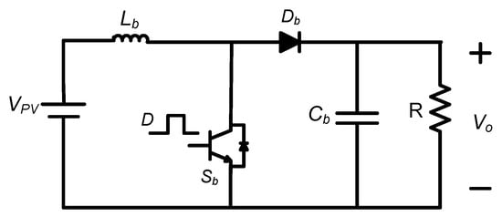
3.2. Modeling of DC-DC Boost Converter
3.3. Modeling and Operation of T-Type Multilevel Inverter
3.4. Modeling of Distribution Network Side.
4. The Proposed Controller for 3P4W System
4.1. The Proposed System
4.2. The Distributed MPPT Algorithm
4.3. The Grid-Connected Inverter Control
5. Results and Discussion
5.1. Performance Evaluation of the Proposed Controller
5.1.1. Single Array Partial Shading
5.1.2. Two Arrays Partial Shading
5.2. Performance Comparison
5.3. Energy Efficiency Comparison
6. Conclusions
Author Contributions
Funding
Conflicts of Interest
Abbreviations
| 3P4W | Three-phase four-wire distribution system |
| MPPT | Maximum Power Point Tracking |
| THD | Total Harmonic Distortion |
| DMPPT | Distributed Maximum Power Point Tracking |
| PCC | Point of Common Coupling |
| PLL | Phase Locked Loop |
References
- Balathandayuthapani, S.; Edrington, C.S.; Henry, S.D.; Cao, J. Analysis and control of a photovoltaic system: Application to a high-penetration case study. IEEE Syst. J. 2012, 6, 213–219. [Google Scholar] [CrossRef]
- Yang, Y.; Yeh, H.-G.; Doan, S. Optimal control methods for photovoltaic enabled grid with abnormal power loads. IEEE Syst. J. 2019, 1–10. [Google Scholar] [CrossRef]
- Elmelegi, A.; Aly, M.; Ahmed, E.M. Developing Phase-Shift PWM-Based Distributed MPPT Technique for Photovoltaic Systems. In Proceedings of the 2019 International Conference on Innovative Trends in Computer Engineering (ITCE), Aswan, Egypt, 2–4 February 2019; pp. 492–497. [Google Scholar]
- Aly, M.; Ahmed, E.; Shoyama, M. A new single phase five-level inverter topology for single and multiple switches fault tolerance. IEEE Trans. Power Electron. 2018, 33, 9198–9208. [Google Scholar] [CrossRef]
- Baghaee, H.R.; Mirsalim, M.; Gharehpetian, G.B. Performance improvement of multi-DER microgrid for small- and large-signal disturbances and nonlinear loads: Novel complementary control loop and fuzzy controller in a hierarchical droop-based control scheme. IEEE Syst. J. 2018, 12, 444–451. [Google Scholar] [CrossRef]
- Priyadarshi, N.; Padmanaban, S.; Kiran Maroti, P.; Sharma, A. An extensive practical investigation of FPSO-based MPPT for grid integrated PV system under variable operating conditions with anti-islanding protection. IEEE Syst. J. 2018, 1–11. [Google Scholar] [CrossRef]
- Mirzaei, M.A.; Yazdankhah, A.S.; Mohammadi-Ivatloo, B.; Marzband, M.; Shafie-khah, M.; Catalão, J.P.S. Stochastic network-constrained co-optimization of energy and reserve products in renewable energy integrated power and gas networks with energy storage system. J. Clean. Prod. 2019, 223, 747–758. [Google Scholar] [CrossRef]
- Sagha, H.; Mokhtari, G.; Arefi, A.; Nourbakhsh, G.; Ledwich, G.; Ghosh, A. A new approach to improve PV power injection in LV electrical systems using DVR. IEEE Syst. J. 2018, 12, 3324–3333. [Google Scholar] [CrossRef]
- Marzband, M.; Azarinejadian, F.; Savaghebi, M.; Pouresmaeil, E.; Guerrero, J.M.; Lightbody, G. Smart transactive energy framework in grid-connected multiple home microgrids under independent and coalition operations. Renew. Energy 2018, 126, 95–106. [Google Scholar] [CrossRef]
- Valinejad, J.; Barforoshi, T.; Marzband, M.; Pouresmaeil, E.; Godina, R.; Catalão, J.P.S. Investment Incentives in Competitive Electricity Markets. Appl. Sci. 2018, 8, 1978. [Google Scholar] [CrossRef]
- Monfared, H.J.; Ghasemi, A.; Loni, A.; Marzband, M. A hybrid price-based demand response program for the residential micro-grid. Energy 2019, 185, 274–285. [Google Scholar] [CrossRef]
- Chen, K.; Tian, S.; Cheng, Y.; Bai, L. An improved MPPT controller for photovoltaic system under partial shading condition. IEEE Trans. Sustain. Energy 2014, 5, 978–985. [Google Scholar] [CrossRef]
- Kofinas, P.; Doltsinis, S.; Dounis, A.I.; Vouros, G.A. A reinforcement learning approach for MPPT control method of photovoltaic sources. Renew. Energy 2017, 108, 461–473. [Google Scholar] [CrossRef]
- Kumar, N.; Saha, T.K.; Dey, J. Multilevel inverter (MLI)-based stand-alone photovoltaic system: Modeling, analysis, and control. IEEE Syst. J. 2019, 1–7. [Google Scholar] [CrossRef]
- Eshwar Gowd, G.; Sekhar, P.C.; Sreenivasarao, D. Real-time validation of a sliding mode controller for closed-loop operation of reduced switch count multilevel inverters. IEEE Syst. J. 2019, 13, 1042–1051. [Google Scholar] [CrossRef]
- Aly, M.; Ahmed, E.M.; Shoyama, M. Thermal stresses relief carrier-based PWM strategy for single phase multilevel inverters. IEEE Trans. Power Electron. 2017, 32, 9376–9388. [Google Scholar] [CrossRef]
- Cherian, E.; Bindu, G.R.; Chandramohanan Nair, P.S. Pollution impact of residential loads on distribution system and prospects of DC distribution. Eng. Sci. Technol. Int. J. 2016, 19, 1655–1660. [Google Scholar] [CrossRef]
- Sreenivasarao, D.; Agarwal, P.; Das, B. Neutral current compensation in three-phase, four-wire systems: A review. Electr. Power Syst. Res. 2012, 86, 170–180. [Google Scholar] [CrossRef]
- Vechiu, I.; Curea, O.; Camblong, H. Transient operation of a four-leg inverter for autonomous applications with unbalanced load. IEEE Trans. Power Electron. 2010, 25, 399–407. [Google Scholar] [CrossRef]
- Gruzs, T.M. A survey of neutral currents in three-phase computer power systems. IEEE Trans. Ind. Appl. 1990, 26, 719–725. [Google Scholar] [CrossRef]
- Nassif, A.B.; Xu, W.; Freitas, W. An investigation on the selection of filter topologies for passive filter applications. IEEE Trans. Power Deliv. 2009, 24, 1710–1718. [Google Scholar] [CrossRef]
- Vodyakho, O.; Mi, C.C. Three-level inverter-based shunt active power filter in three-phase three-wire and four-wire systems. IEEE Trans. Power Electron. 2009, 24, 1350–1363. [Google Scholar] [CrossRef]
- Pattnaik, M.; Kastha, D. Harmonic compensation with zero-sequence load voltage control in a speed-sensorless DFIG-based stand-alone VSCF generating system. IEEE Trans. Ind. Electron. 2013, 60, 5506–5514. [Google Scholar] [CrossRef]
- Wu, J.-C.; Jou, H.-L.; Wu, K.-D.; Xiao, S.-T. Single-phase inverter-based neutral-current suppressor for attenuating neutral current of three-phase four-wire distribution power system. IET Gener. Transm. Distrib. 2012, 6, 577–583. [Google Scholar] [CrossRef]
- Singh, M.; Khadkikar, V.; Chandra, A.; Varma, R.K. Grid interconnection of renewable energy sources at the distribution level with power-quality improvement features. IEEE Trans. Power Deliv. 2011, 26, 307–315. [Google Scholar] [CrossRef]
- Rafi, F.H.M.; Hossain, M.J.; Lu, J. Improved neutral current compensation with a four-leg PV smart VSI in a LV residential network. IEEE Trans. Power Deliv. 2017, 32, 2291–2302. [Google Scholar] [CrossRef]
- Wang, X.; Zhuo, F.; Li, J.; Wang, L.; Ni, S. Modeling and control of dual-stage high-power multifunctional PV system in d–q–o Coordinate. IEEE Trans. Ind. Electron. 2013, 60, 1556–1570. [Google Scholar] [CrossRef]
- Kabir, M.N.; Mishra, Y.; Ledwich, G.; Dong, Z.Y.; Wong, K.P. Coordinated control of grid-connected photovoltaic reactive power and battery energy storage systems to improve the voltage profile of a residential distribution feeder. IEEE Trans. Ind. Inform. 2014, 10, 967–977. [Google Scholar] [CrossRef]
- Bayhan, S.; Trabelsi, M.; Abu-Rub, H.; Malinowski, M. Finite-control-set model-predictive control for a quasi-Z-source four-leg inverter under unbalanced load condition. IEEE Trans. Ind. Electron. 2017, 64, 2560–2569. [Google Scholar] [CrossRef]
- Yaramasu, V.; Rivera, M.; Narimani, M.; Wu, B.; Rodriguez, J. Model predictive approach for a simple and effective load voltage control of four-leg inverter with an output LC filter. IEEE Trans. Ind. Electron. 2014, 61, 5259–5270. [Google Scholar] [CrossRef]
- Chen, Q.; Luo, X.; Zhang, L.; Quan, S. Model predictive control for three-phase four-leg grid-tied inverters. IEEE Access 2017, 5, 2834–2841. [Google Scholar] [CrossRef]
- Bayhan, S.; Abu-Rub, H.; Balog, R.S. Model predictive control of quasi-Z-source four-leg inverter. IEEE Trans. Ind. Electron. 2016, 63, 4506–4516. [Google Scholar] [CrossRef]
- Mello, J.P.R.A.; Jacobina, C.B.; de Rossiter Correa, M.B. Three-phase four-wire inverters based on cascaded three-phase converters with four and three legs. IEEE Trans. Ind. Appl. 2017, 53, 5539–5552. [Google Scholar] [CrossRef]
- Rojas, F.; Kennel, R.; Cardenas, R.; Repenning, R.; Clare, J.C.; Diaz, M. A new space-vector-modulation algorithm for a three-level four-leg NPC inverter. IEEE Trans. Energy Convers. 2017, 32, 23–35. [Google Scholar] [CrossRef]
- Hussein, K.H. Maximum photovoltaic power tracking: An algorithm for rapidly changing atmospheric conditions. IEE Proc. Gener. Transm. Distrib. 1995, 142, 59–64. [Google Scholar] [CrossRef]
- Dileep, G.; Singh, S.N. An improved particle swarm optimization based maximum power point tracking algorithm for PV system operating under partial shading conditions. Sol. Energy 2017, 158, 1006–1015. [Google Scholar] [CrossRef]
- Mahmoud, Y.; El-Saadany, E.F. Enhanced reconfiguration method for reducing mismatch losses in PV systems. IEEE J. Photovolt. 2017, 7, 1746–1754. [Google Scholar] [CrossRef]
- Tofoli, F.L.; Sanhueza, S.M.R.; deOliveira, A. On the Study of Losses in Cables and Transformers in nonsinusoidal conditions. IEEE Trans. Power Deliv. 2006, 21, 971–978. [Google Scholar] [CrossRef]
- Md Rafi, F.H.; Hossain, M.J.; Rahman, M.S.; Lu, J. Impact of controlling zero sequence current in a three-phase four-wire LV network with PV units. In Proceedings of the 2016 IEEE Power and Energy Society General Meeting (PESGM), Boston, MA, USA, 17–21 July 2016; pp. 1–5. [Google Scholar]
- Patel, H.; Agarwal, V. MATLAB-based modeling to study the effects of partial shading on PV array characteristics. IEEE Trans. Energy Convers. 2008, 23, 302–310. [Google Scholar] [CrossRef]
- Elmelegi, A.; Aly, M.; Ahmed, E.M.; Alharbi, A.G. A simplified phase-shift PWM-based feedforward distributed MPPT method for grid-connected cascaded PV inverters. Sol. Energy 2019, 187, 1–12. [Google Scholar] [CrossRef]
- Roman, E.; Alonso, R.; Ibanez, P.; Elorduizapatarietxe, S.; Goitia, D. Intelligent PV Module for Grid-Connected PV Systems. IEEE Trans. Ind. Electron. 2006, 53, 1066–1073. [Google Scholar] [CrossRef]
- Aly, M.; Dousoky, G.M.; Shoyama, M. Design and Validation of SVPWM Algorithm for Thermal Protection of T-Type Three-Level Inverters. In Proceedings of the 2015 IEEE International Telecommunications Energy Conference (INTELEC), Osaka, Japan, 18–22 October 2015; pp. 1074–1079. [Google Scholar]
- Esram, T.; Chapman, P.L. Comparison of photovoltaic array maximum power point tracking techniques. IEEE Trans. Energy Convers. 2007, 22, 439–449. [Google Scholar] [CrossRef]
- Teodorescu, R.; Liserre, M.; Rodriguez, P. Grid Converters for Photovoltaic and Wind Power Systems; IEEE Wiley: Piscataway, NJ, USA; Chichester, UK; Hoboken, NJ, USA, 2011; ISBN 978-0-470-05751-3. [Google Scholar]
- Ramadan, D.; Aly, M.; Ahmed, E.M. Practical performance analysis and device selection for photovoltaic multilevel inverters installations. In Proceedings of the 2019 International Conference on Innovative Trends in Computer Engineering (ITCE), Aswan, Egypt, 2–4 February 2019; pp. 559–563. [Google Scholar]
















| Parameters | Values | |
|---|---|---|
| Capacitor of DC-link | 3000 μF | |
| DC-link bus voltage | 615 V | |
| Filter inductor Lf | 7 mH | |
| Resistance of filter inductor Rf | 0.5 Ω | |
| Grid rms voltage Vgrid | 220 V | |
| Grid line frequency Fl | 50 Hz | |
| Transmission lines parameters L, R | 7 mH, 0.05 Ω | |
| Distribution system grounding resistance RGND | 10 Ω | |
| Switching frequency of the inverter Fsw | 10 kHz | |
| Input inductance of boost converters | 0.5284 mH | |
| Output capacitor of boost converters | 13.232 μF | |
| Balanced loads | Load a, b, c resistance | 10 Ω, 10 Ω, 10 Ω |
| Load a, b, c inductance | 500 mH, 500 mH, 500 mH | |
| Unbalanced loads | Load a, b, c resistance | 10 Ω, 10 Ω, 5 Ω |
| Load a, b, c inductance | 500 mH, 500 mH, 250 mH | |
© 2019 by the authors. Licensee MDPI, Basel, Switzerland. This article is an open access article distributed under the terms and conditions of the Creative Commons Attribution (CC BY) license (http://creativecommons.org/licenses/by/4.0/).
Share and Cite
Ahmed, E.M.; Aly, M.; Elmelegi, A.; Alharbi, A.G.; Ali, Z.M. Multifunctional Distributed MPPT Controller for 3P4W Grid-Connected PV Systems in Distribution Network with Unbalanced Loads. Energies 2019, 12, 4799. https://doi.org/10.3390/en12244799
Ahmed EM, Aly M, Elmelegi A, Alharbi AG, Ali ZM. Multifunctional Distributed MPPT Controller for 3P4W Grid-Connected PV Systems in Distribution Network with Unbalanced Loads. Energies. 2019; 12(24):4799. https://doi.org/10.3390/en12244799
Chicago/Turabian StyleAhmed, Emad M., Mokhtar Aly, Ahmed Elmelegi, Abdullah G. Alharbi, and Ziad M. Ali. 2019. "Multifunctional Distributed MPPT Controller for 3P4W Grid-Connected PV Systems in Distribution Network with Unbalanced Loads" Energies 12, no. 24: 4799. https://doi.org/10.3390/en12244799
APA StyleAhmed, E. M., Aly, M., Elmelegi, A., Alharbi, A. G., & Ali, Z. M. (2019). Multifunctional Distributed MPPT Controller for 3P4W Grid-Connected PV Systems in Distribution Network with Unbalanced Loads. Energies, 12(24), 4799. https://doi.org/10.3390/en12244799

