Effect of Temperature, Pressure, Feed Particle Size, and Feed Particle Density on Structural Characteristics and Reactivity of Chars Generated during Gasification of Pittsburgh No.8 Coal in a High-Pressure, High-Temperature Flow Reactor
Abstract
1. Introduction
- To determine the effects of temperature, pressure, particle size, and inorganic matter on the structural features and the reactivity of the chars generated from a high-pressure, high-temperature laminar flow reactor.
- Rank the effects of each of the parameters (i.e., pressure, temperature, feed particle size, feed particle density) on conversion, morphology, thermal swelling ratio, and intrinsic reactivity.
2. Experimental
2.1. Coal Feed Characteristics
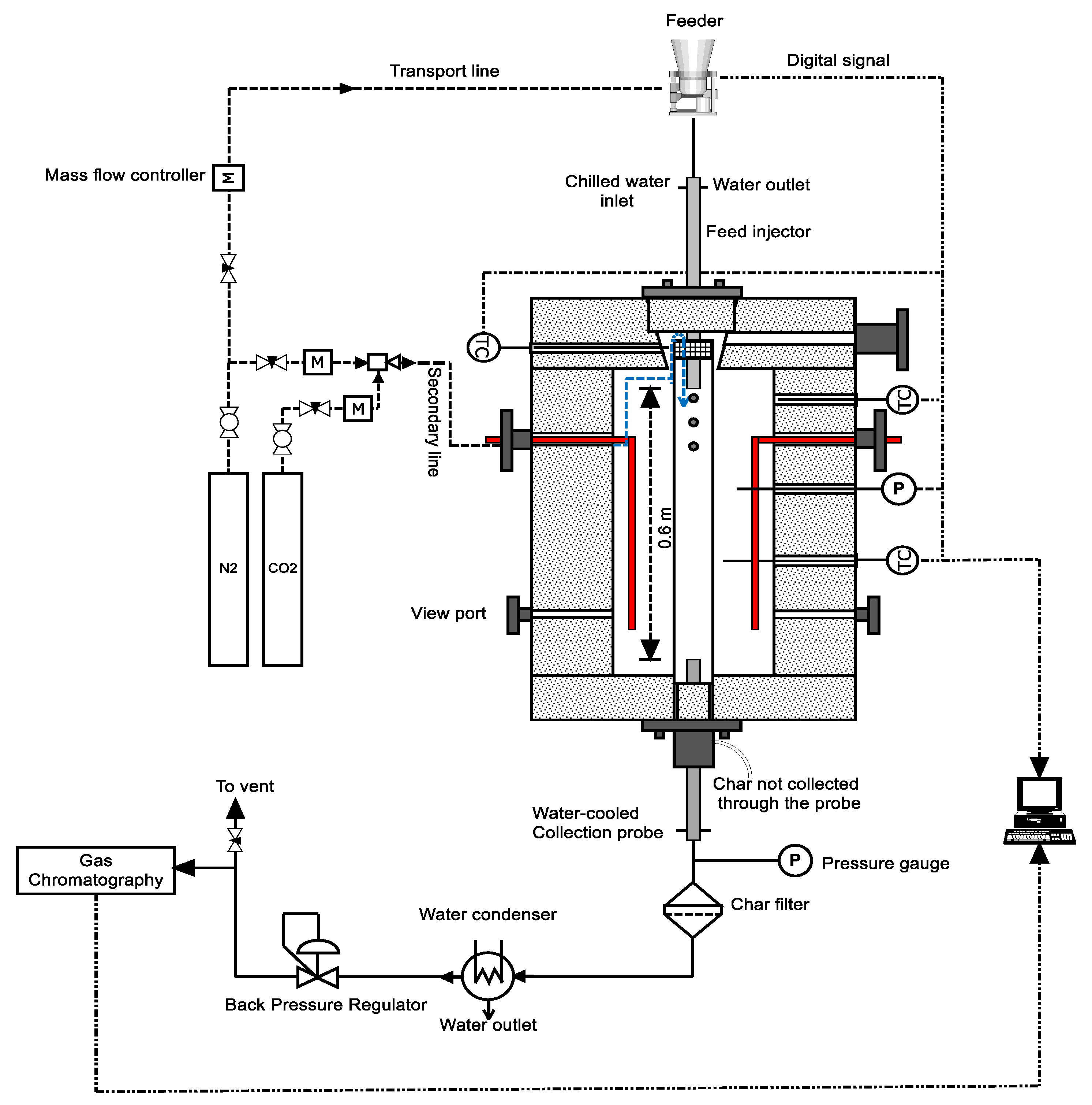
2.2. High-Pressure, High-Temperature Flow Reactor
2.3. Char Analysis
2.3.1. Proximate Analysis
2.3.2. Surface Area Analysis and Pore Size Distribution
2.3.3. Thermal Swelling Ratio Measurements
2.3.4. Morphology and Petrographic Analysis
2.3.5. High Resolution Transmission Electron Microscopy (HRTEM) Analysis
2.3.6. Image Analysis
2.3.7. Char Reactivity
2.3.8. Uncertainty Analysis
3. Results and Discussion
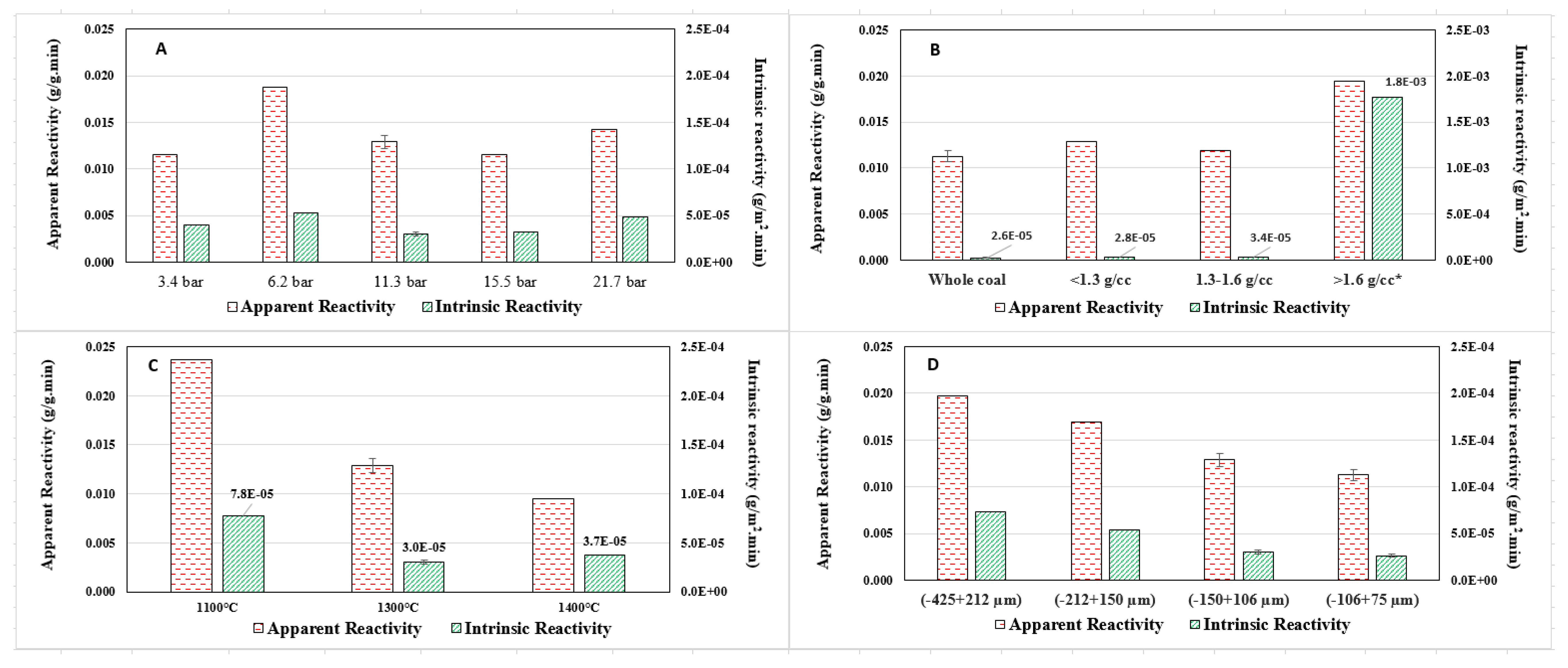
3.1. Effect of Reactor Pressure
3.2. Effect of Feed Particle Density
3.3. Effect of Temperature
3.4. Effect of Feed Particle Size
4. Statistical Analysis
5. Summary and Conclusions
- Among the parameters tested, temperature has the maximum effect on coal conversion, followed by particle size, pressure, and feed particle density.
- Feed particle density showed the highest effect on the group-I char formation, with low-density particles generating higher concentration of highly porous group-I chars. Group-I char concentration was found to correlate with vitrinite content. The other factors such as particle size, temperature, and pressure were not found to significantly affect the group-I char concentration.
- Thermal swelling ratio is affected by both pressure and feed particle density. Other factors such as temperature and particle size showed no statistically significant effect on thermal swelling ratio. Lack of a clear effect of temperature and particle size on thermal swelling ratio can be attributed to different conversion levels of chars.
- Intrinsic reactivity is affected by all parameters except pressure. Pressure affects the structural features such as thermal swelling ratio and surface area and not the chemical reactivity. The effect of the four parameters on intrinsic reactivity follows the order: feed particle density > temperature > feed particle size > pressure.
Author Contributions
Funding
Acknowledgments
Conflicts of Interest
References
- Krishnamoorthy, V.; Pisupati, S. A Critical Review of Mineral Matter Related Issues during Gasification of Coal in Fixed, Fluidized, and Entrained Flow Gasifiers. Energies 2015, 8, 10430–10463. [Google Scholar] [CrossRef]
- Pisupati, S.V.; Krishnamoorthy, V. 2-Utilization of coal in IGCC systems. In Integrated Gasification Combined Cycle (IGCC) Technologies; Wang, T., Stiegel, G., Eds.; Woodhead Publishing: Cambridge, UK, 2017; pp. 83–120. [Google Scholar] [CrossRef]
- Roberts, D.G.; Hodge, E.M.; Harris, D.J.; Stubington, J.F. Kinetics of Char Gasification with CO2 under Regime II Conditions: Effects of Temperature, Reactant, and Total Pressure. Energy Fuels 2010, 24, 5300–5308. [Google Scholar] [CrossRef]
- Hodge, E.M.; Roberts, D.G.; Harris, D.J.; Stubington, J.F. The Significance of Char Morphology to the Analysis of High-Temperature Char−CO2 Reaction Rates. Energy Fuels 2010, 24, 100–107. [Google Scholar] [CrossRef]
- Lee, C.W.; Jenkins, R.G.; Schobert, H.H. Structure and reactivity of char from elevated pressure pyrolysis of Illinois No. 6 bituminous coal. Energy Fuels 1992, 6, 40–47. [Google Scholar] [CrossRef]
- Lee, C.W.; Jenkins, R.G.; Schobert, H.H. Mechanisms and kinetics of rapid, elevated pressure pyrolysis of Illinois No. 6 bituminous coal. Energy Fuels 1991, 5, 547–555. [Google Scholar] [CrossRef]
- Kajitani, S.; Hara, S.; Matsuda, H. Gasification rate analysis of coal char with a pressurized drop tube furnace. Fuel 2002, 81, 539–546. [Google Scholar] [CrossRef]
- Kajitani, S.; Suzuki, N.; Ashizawa, M.; Hara, S. CO2 gasification rate analysis of coal char in entrained flow coal gasifier. Fuel 2006, 85, 163–169. [Google Scholar] [CrossRef]
- Ahn, D.H.; Gibbs, B.M.; Ko, K.H.; Kim, J.J. Gasification kinetics of an Indonesian sub-bituminous coal-char with CO2 at elevated pressure. Fuel 2001, 80, 1651–1658. [Google Scholar] [CrossRef]
- Benfell, K.E.; Liu, G.-S.; Roberts, D.G.; Harris, D.J.; Lucas, J.A.; Bailey, J.G.; Wall, T.F. Modeling char combustion: The influence of parent coal petrography and pyrolysis pressure on the structure and intrinsic reactivity of its char. Proc. Combust. Inst. 2000, 28, 2233–2241. [Google Scholar] [CrossRef]
- Krishnamoorthy, V.; Krishnamurthy, N.; Pisupati, S.V. Intrinsic gasification kinetics of coal chars generated in a high-pressure, high-temperature flow reactor. Chem. Eng. J. 2019, 375, 122028. [Google Scholar] [CrossRef]
- Krishnamoorthy, V.; Yeboah, Y.D.; Pisupati, S.V. Influence of Pyrolysis Gas on Volatile Yield and CO2 Reaction Kinetics of the Char Samples Generated in a High-Pressure, High-Temperature Flow Reactor. Energies 2018, 12, 107. [Google Scholar] [CrossRef]
- Zeng, D.; Fletcher, T.H. Effects of Pressure on Coal Pyrolysis and Char Morphology. Energy Fuels 2005, 19, 1828–1838. [Google Scholar] [CrossRef]
- Yu, J.; Harris, D.; Lucas, J.; Roberts, D.; Wu, H.; Wall, T. Effect of Pressure on Char Formation during Pyrolysis of Pulverized Coal. Energy Fuels 2004, 18, 1346–1353. [Google Scholar] [CrossRef]
- Tremel, A.; Haselsteiner, T.; Nakonz, M.; Spliethoff, H. Coal and char properties in high temperature entrained flow gasification. Energy 2012, 45, 176–182. [Google Scholar] [CrossRef]
- Soundarrajan, N.; Krishnamurthy, N.; Pisupati, S. Characterization of Size and Density Separated Fractions of a Bituminous Coal as a Feedstock for Entrained Slagging Gasification. Int. J. Clean Coal Energy 2013, 2, 58–67. [Google Scholar] [CrossRef]
- Yu, J.; Lucas, J.; Strezov, V.; Wall, T. Swelling and Char Structures from Density Fractions of Pulverized Coal. Energy Fuels 2003, 17, 1160–1174. [Google Scholar] [CrossRef]
- Krishnamoorthy, V.; Pisupati, S.V. Fate of Sulfur during Entrained-Flow Gasification of Pittsburgh No. 8 Coal: Influence of Particle Size, Sulfur Forms, and Temperature. Energy Fuels 2016, 30, 3241–3250. [Google Scholar] [CrossRef]
- Guillen, M.D.; Blanco, J.; Canga, J.S.; Blanco, C.G. Study of the effectiveness of 27 organic solvents in the extraction of coal tar pitches. Energy Fuels 1991, 5, 188–192. [Google Scholar] [CrossRef]
- Krishnamoorthy, V. Structural Characteristics and CO2 Reactivity of Partially Gasified Pittsburgh No.8 Coal Chars Generated in a High-Pressure, High-Temperature, Laminar-Flow Reactor. Ph.D. Thesis, The Pennsylvania State University, University Park, PA, USA, 2018. [Google Scholar]
- Fletcher, T.H. Swelling properties of coal chars during rapid pyrolysis and combustion. Fuel 1993, 72, 1485–1495. [Google Scholar] [CrossRef]
- Lester, E.; Alvarez, D.; Borrego, A.G.; Valentim, B.; Flores, D.; Clift, D.A.; Rosenberg, P.; Kwiecinska, B.; Barranco, R.; Petersen, H.I.; et al. The procedure used to develop a coal char classification—Commission III Combustion Working Group of the International Committee for Coal and Organic Petrology. Int. J. Coal Geol. 2010, 81, 333–342. [Google Scholar] [CrossRef]
- Alvarez, D.; Borrego, A.G.; Menéndez, R. Unbiased methods for the morphological description of char structures. Fuel 1997, 76, 1241–1248. [Google Scholar] [CrossRef]
- Bailey, J.G.; Tate, A.; Diessel, C.F.K.; Wall, T.F. A char morphology system with applications to coal combustion. Fuel 1990, 69, 225–239. [Google Scholar] [CrossRef]
- Gilfillan, A.; Lester, E.; Cloke, M.; Snape, C. The structure and reactivity of density separated coal fractions. Fuel 1999, 78, 1639–1644. [Google Scholar] [CrossRef]
- Wall, T.F.; Liu, G.-s.; Wu, H.-w.; Roberts, D.G.; Benfell, K.E.; Gupta, S.; Lucas, J.A.; Harris, D.J. The effects of pressure on coal reactions during pulverised coal combustion and gasification. Prog. Energy Combust. Sci. 2002, 28, 405–433. [Google Scholar] [CrossRef]
- Wu, T.; Gong, M.; Lester, E.; Wang, F.; Zhou, Z.; Yu, Z. Characterisation of residual carbon from entrained-bed coal water slurry gasifiers. Fuel 2007, 86, 972–982. [Google Scholar] [CrossRef]
- Khan, M.R.; Jenkins, R.G. Swelling and plastic properties of coal devolatilized at elevated pressures: An examination of the influences of coal type. Fuel 1986, 65, 725–731. [Google Scholar] [CrossRef]
- Lee, C.W.; Scaroni, A.W.; Jenkins, R.G. Effect of pressure on the devolatilization and swelling behaviour of a softening coal during rapid heating. Fuel 1991, 70, 957–965. [Google Scholar] [CrossRef]
- Strezov, V.; Lucas, J.A.; Wall, T.F. Effect of pressure on the swelling of density separated coal particles. Fuel 2005, 84, 1238–1245. [Google Scholar] [CrossRef]
- Shurtz, R.C.; Hogge, J.W.; Fowers, K.C.; Sorensen, G.S.; Fletcher, T.H. Coal Swelling Model for Pressurized High Particle Heating Rate Pyrolysis Applications. Energy Fuels 2012, 26, 3612–3627. [Google Scholar] [CrossRef]
- Yu, J.L.; Strezov, V.; Lucas, J.; Liu, G.S.; Wall, T. A mechanistic study on char structure evolution during coal devolatilization—Experiments and model predictions. Proc. Combust. Inst. 2002, 29, 467–473. [Google Scholar] [CrossRef]
- Krishnamoorthy, V.; Tchapda, A.H.; Pisupati, S.V. A study on fragmentation behavior, inorganic melt phase formation, and carbon loss during high temperature gasification of mineral matter rich fraction of Pittsburgh No. 8 coal. Fuel 2017, 208, 247–259. [Google Scholar] [CrossRef]
- Fletcher, T.H.; Ma, J.; Rigby, J.R.; Brown, A.L.; Webb, B.W. Soot in coal combustion systems. Prog. Energy Combust. Sci. 1997, 23, 283–301. [Google Scholar] [CrossRef]
- Tchapda, A.H.; Krishnamoorthy, V.; Yeboah, Y.D.; Pisupati, S.V. Analysis of tars formed during co-pyrolysis of coal and biomass at high temperature in carbon dioxide atmosphere. J. Anal. Appl. Pyrolysis 2017, 128, 379–396. [Google Scholar] [CrossRef]
- Yu, J.; Lucas, J.A.; Wall, T.F. Formation of the structure of chars during devolatilization of pulverized coal and its thermoproperties: A review. Prog. Energy Combust. Sci. 2007, 33, 135–170. [Google Scholar] [CrossRef]
- Yu, J.; Strezov, V.; Lucas, J.; Wall, T. Swelling behaviour of individual coal particles in the single particle reactor. Fuel 2003, 82, 1977–1987. [Google Scholar] [CrossRef]
- Ma, J.; Zitney, S.E. Computational Fluid Dynamic Modeling of Entrained-Flow Gasifiers with Improved Physical and Chemical Submodels. Energy Fuels 2012, 26, 7195–7219. [Google Scholar] [CrossRef]
- Gale, T.K.; Bartholomew, C.H.; Fletcher, T.H. Decreases in the swelling and porosity of bituminous coals during devolatilization at high heating rates. Combust. Flame 1995, 100, 94–100. [Google Scholar] [CrossRef]
- Bhatia, S.K.; Perlmutter, D.D. A random pore model for fluid-solid reactions: I. Isothermal, kinetic control. AIChE J. 1980, 26, 379–386. [Google Scholar] [CrossRef]
- Gale, T.K.; Bartholomew, C.H.; Fletcher, T.H. Effects of Pyrolysis Heating Rate on Intrinsic Reactivities of Coal Chars. Energy Fuels 1996, 10, 766–775. [Google Scholar] [CrossRef]
- Fermoso, J.; Stevanov, C.; Moghtaderi, B.; Arias, B.; Pevida, C.; Plaza, M.G.; Rubiera, F.; Pis, J.J. High-pressure gasification reactivity of biomass chars produced at different temperatures. J. Anal. Appl. Pyrolysis 2009, 85, 287–293. [Google Scholar] [CrossRef]
- Hower, J.C. Maceral/microlithotype partitioning with particle size of pulverized coal: Examples from power plants burning Central Appalachian and Illinois basin coals. Int. J. Coal Geol. 2008, 73, 213–218. [Google Scholar] [CrossRef]
- Gao, H.; Murata, S.; Nomura, M.; Ishigaki, M.; Qu, M.; Tokuda, M. Experimental Observation and Image Analysis for Evaluation of Swelling and Fluidity of Single Coal Particles Heated with CO2 Laser. Energy Fuels 1997, 11, 730–738. [Google Scholar] [CrossRef]
- Yu, D.; Xu, M.; Yu, Y.; Liu, X. Swelling Behavior of a Chinese Bituminous Coal at Different Pyrolysis Temperatures. Energy Fuels 2005, 19, 2488–2494. [Google Scholar] [CrossRef]















| Particle Size Fraction (µm) | Proximate Analysis (wt.%, db) | Ultimate Analysis (wt.%, db) | ||||||
|---|---|---|---|---|---|---|---|---|
| VM | FC | Ash | C | H | N | S | O | |
| −425 + 212 | 40.4 | 50.5 | 9.1 | 81.2 | 5.2 | 1.3 | 2.2 | 1.0 |
| −212 + 150 | 36.6 | 52.6 | 10.8 | 79.9 | 5.0 | 1.1 | 2.1 | 1.1 |
| −150 + 106 | 38.0 | 54.7 | 7.3 | 82.2 | 5.4 | 1.6 | 1.5 | 2.0 |
| −106 + 75 | 38.2 | 53.5 | 8.3 | 82.0 | 5.1 | 1.5 | 1.6 | 1.5 |
| <1.3 g/cc fraction of −106 + 75 | 38.1 | 58.6 | 3.3 | 85.6 | 5.6 | 1.5 | 1.2 | 2.8 |
| 1.3–1.6 g/cc fraction of −106 + 75 | 35.8 | 56.7 | 7.5 | 82.1 | 5.0 | 1.4 | 1.7 | 2.3 |
| >1.6 g/cc fraction of −106 + 75 | 16.2 | 18.5 | 65.3 | 23.9 | 1.6 | 0.4 | 8.4 | 0.4 |
| Char Type | Group-I | Group-II | Group-III | Fragment |
|---|---|---|---|---|
| Porosity and Wall Thickness | >70% porosity and <5 µm | 40%–70% porosity and >5 µm | <40% porosity and variable thickness | No porosity and variable thickness |
| Morphology | Tenuisphere and tenuinetwork | Crassisphere, crassinetwork, and mixed porous | Mixed dense, fusinoid, inertinoid, and solids | Fragment |
| Feed Particle Size/Density | Experimental Conditions | Proximate Analysis (wt.%, db) | Surface Area (m2/g) | Pore Volume (cc/g) | Rr * (%) | ||
|---|---|---|---|---|---|---|---|
| VM | FC | Ash | |||||
| Effect of Pressure | |||||||
| −150 + 106 µm | 3.4 bar/1300 °C | 17.8 | 70.0 | 12.2 | 109 | 0.14 | 7.20 ± 0.19 |
| 6.2 bar/1300 °C | 19.2 | 68.1 | 12.7 | 232 | 0.18 | 7.32 ± 0.22 | |
| 11.3 bar/1300 °C | 19.6 | 64.7 | 15.7 | 332 | 0.30 | 8.03 ± 0.45 | |
| 15.5 bar/1300 °C | 19.1 | 66.7 | 14.2 | 289 | 0.20 | NA | |
| 21.7 bar/1300 °C | 18.2 | 65.9 | 15.9 | 170 | 0.19 | NA | |
| Effect of Temperature | |||||||
| −150+106 µm | 1100 °C/11.3 bar | 21.3 | 68. 6 | 10.1 | 7 | 0.02 | 6.86 ± 0.23 |
| 1300 °C/11.3 bar | 19.6 | 64.7 | 15.7 | 332 | 0.30 | 8.03 ± 0.45 | |
| 1400 °C/11.3 bar | 17.0 | 62.8 | 20.2 | 136 | 0.14 | 8.16 ± 0.41 | |
| Effect of Feed Particle Density | |||||||
| <1.3 g/cc a | 1300 °C/11.3 bar | 24.8 | 66.5 | 8.7 | 327 | 0.25 | 8.05 ± 0.42 |
| 1.3–1.6 g/cc a | 21.6 | 59.2 | 19.2 | 261 | 0.21 | 7.85 ± 0.44 | |
| >1.6 g/cc a,* | 5.8 | 2.7 | 91.5 | 11 | 0.02 | ND | |
| Effect of Initial Particle Size Distribution | |||||||
| −425 + 212 µm | 1300 °C/11.3 bar | 17.4 | 68.8 | 13.8 | 119 | 0.08 | 7.08 ± 0.37 |
| −212 + 150 µm | 20.0 | 62.3 | 17.7 | 196 | 0.12 | 7.17 ± 0.31 | |
| −150 + 106 µm | 19.6 | 64.7 | 15.7 | 332 | 0.30 | 8.03 ± 0.45 | |
| −106 + 75 µm | 21.4 | 58.0 | 20.6 | 333 | 0.30 | 7.98 ± 0.36 | |
| Predictor | F-Value | p-Value |
|---|---|---|
| Pressure | 7.1 | 0.033 |
| Particle Density | 2.7 | 0.133 |
| Temperature | 43.0 | 0.001 |
| Particle Size | 13.3 | 0.008 |
| Predictor | Group-I Char Concentration | Thermal Swelling Ratio | ||
|---|---|---|---|---|
| F-Value | p-Value | F-Value | p-Value | |
| Pressure | 0.1 | 0.730 | 8.4 | 0.023 |
| Particle Density | 12.4 | 0.003 | 11.81 | 0.003 |
| Temperature | 0.7 | 0.439 | 4.41 | 0.074 |
| Particle Size | 3.1 | 0.120 | 0.0 | 0.910 |
| Predictor | Intrinsic Reactivity | |
|---|---|---|
| F-Value | p-Value | |
| Pressure | 0.01 | 0.932 |
| Particle Density | 7795 | 0.000 |
| Temperature | 12.51 | 0.012 |
| Particle Size | 9.52 | 0.022 |
© 2019 by the authors. Licensee MDPI, Basel, Switzerland. This article is an open access article distributed under the terms and conditions of the Creative Commons Attribution (CC BY) license (http://creativecommons.org/licenses/by/4.0/).
Share and Cite
Krishnamoorthy, V.; Pisupati, S.V. Effect of Temperature, Pressure, Feed Particle Size, and Feed Particle Density on Structural Characteristics and Reactivity of Chars Generated during Gasification of Pittsburgh No.8 Coal in a High-Pressure, High-Temperature Flow Reactor. Energies 2019, 12, 4773. https://doi.org/10.3390/en12244773
Krishnamoorthy V, Pisupati SV. Effect of Temperature, Pressure, Feed Particle Size, and Feed Particle Density on Structural Characteristics and Reactivity of Chars Generated during Gasification of Pittsburgh No.8 Coal in a High-Pressure, High-Temperature Flow Reactor. Energies. 2019; 12(24):4773. https://doi.org/10.3390/en12244773
Chicago/Turabian StyleKrishnamoorthy, Vijayaragavan, and Sarma V. Pisupati. 2019. "Effect of Temperature, Pressure, Feed Particle Size, and Feed Particle Density on Structural Characteristics and Reactivity of Chars Generated during Gasification of Pittsburgh No.8 Coal in a High-Pressure, High-Temperature Flow Reactor" Energies 12, no. 24: 4773. https://doi.org/10.3390/en12244773
APA StyleKrishnamoorthy, V., & Pisupati, S. V. (2019). Effect of Temperature, Pressure, Feed Particle Size, and Feed Particle Density on Structural Characteristics and Reactivity of Chars Generated during Gasification of Pittsburgh No.8 Coal in a High-Pressure, High-Temperature Flow Reactor. Energies, 12(24), 4773. https://doi.org/10.3390/en12244773

