Utilization of Energy Storage System for Frequency Regulation in Large-Scale Transmission System
Abstract
1. Introduction
2. Frequency Support by ESS Control
2.1. Frequency Characteristic of the Power System
2.2. Proposed ESS Frequency Control Method
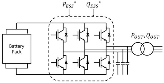
3. ESS Modeling and Control
3.1. Active Power Control Loop
3.2. Reactive Power Control Loop
3.3. Charge/Discharge Efficiency
3.4. ESS Operation Algorithm
4. Case Study
4.1. Heavy Load Condition
4.2. Light Load Condition
5. Conclusions
Author Contributions
Funding
Conflicts of Interest
Nomenclature
| inertia constant of the system | |
| total capacity of the generators in the system | |
| frequency before the variation is occurred | |
| system frequency | |
| inertia constant of the individual generator | |
| capacity of the generator | |
| K | system constant |
| output order in transient mode | |
| rated capacity of the target machine | |
| target speed rate of output change | |
| normal frequency | |
| steady state droop constant for the ESS | |
| capacity of the ESS | |
| gain for frequency variation | |
| gain for RoCoF |
References
- Frankfurt School-UNEP Collaborating Centre. Global Trends in Renewable Energy Investment; BloombergNEF: New York, NY, USA, 2018. [Google Scholar]
- Chompoo-Inwai, C.; Lee, W.J.; Fuangfoo, P.; Williams, M.; Liao, J.R. System Impact Study for the Interconnection of Wind Generation and Utility System. IEEE Trans. Ind. Appl. 2005, 41, 163–168. [Google Scholar] [CrossRef]
- Kroposki, B.; Johnson, B.; Zhang, Y.; Gevorgian, V.; Denholm, P.; Hodge, B.-M.; Hannegan, B. Achieving a 100% Renewable Grid: Operating Electric Power Systems with Extremely High Levels of Variable Renewable Energy. IEEE Power Energy Mag. 2017, 15, 61–73. [Google Scholar] [CrossRef]
- Sharma, S.; Huang, S.-H.; Sarma, N. System Inertial Frequency Response estimation and impact of renewable resources in ERCOT interconnection. In Proceedings of the IEEE PES General Meeting, Detroit, MI, USA, 24–28 July 2011; Institute of Electrical and Electronics Engineers (IEEE): Piscataway, NJ, USA, 2011; pp. 1–6. [Google Scholar]
- Feltes, J.W.; Gemmell, B.D.; Retzmann, D. From Smart Grid to Super Grid: Solutions with HVDC and FACTS for grid access of renewable energy sources. In Proceedings of the 2011 IEEE Power and Energy Society General Meeting, Detroit, MI, USA, 24–28 July 2011; Institute of Electrical and Electronics Engineers (IEEE): Piscataway, NJ, USA, 2011; pp. 1–6. [Google Scholar]
- Suberu, M.Y.; Mustafa, M.W.; Bashir, N. Energy storage systems for renewable energy power sector integration and mitigation of intermittency. Renew. Sustain. Energy Rev. 2014, 35, 499–514. [Google Scholar] [CrossRef]
- Akhil, A.A.; Huff, G.; Currier, A.B.; Kaun, B.C.; Rastler, D.M.; Chen, S.B.; Cotter, A.L.; Bradshaw, D.T.; Gauntlett, W.D. DOE/EPRI Electricity Storage Handbook in Collaboration with NRECA; Sandia National Laboratories: Albuquerque, NM, USA, 2015.
- Günter, N.; Marinopoulos, A. Energy storage for grid services and applications: Classification, market review, metrics, and methodology for evaluation of deployment cases. J. Energy Storage 2016, 8, 226–234. [Google Scholar] [CrossRef]
- Kundur, P.; Balu, N.J.; Lauby, M.G. Power System Stability and Control; McGraw-hill: New York, NY, USA, 1994. [Google Scholar]
- Rebours, Y.G.; Kirschen, D.S.; Trotignon, M.; Rossignol, S. A Survey of Frequency and Voltage Control Ancillary Services—Part I: Technical Features. IEEE Trans. Power Syst. 2007, 22, 350–357. [Google Scholar] [CrossRef]
- Li, P.; Wang, X.; Lee, W.-J.; Xu, D. Dynamic Power Conditioning Method of Microgrid Via Adaptive Inverse Control. IEEE Trans. Power Deliv. 2015, 30, 906–913. [Google Scholar] [CrossRef]
- Hwang, M.; Muljadi, E.; Park, J.-W.; Sørensen, P.E.; Kang, Y.C. Dynamic Droop–Based Inertial Control of a Doubly-Fed Induction Generator. IEEE Trans. Sustain. Energy 2016, 7, 924–933. [Google Scholar] [CrossRef]
- Wang, W.; Li, Y.; Cao, Y.; Hager, U.; Rehtanz, C.; Haeger, U. Adaptive Droop Control of VSC-MTDC System for Frequency Support and Power Sharing. IEEE Trans. Power Syst. 2017, 33, 1264–1274. [Google Scholar] [CrossRef]
- Swierczynski, M.J.; Stroe, D.I.; Stan, A.I.; Teodorescu, R.; Stroe, D.L. Primary frequency regulation with Li-ion battery energy storage system: A case study for Denmark. In Proceedings of the 2013 IEEE ECCE Asia Downunder, Melbourne, Australia, 3–6 June 2013; Institute of Electrical and Electronics Engineers (IEEE): Piscataway, NJ, USA, 2013; pp. 487–492. [Google Scholar]
- Xu, B.; Dvorkin, Y.; Kirschen, D.S.; Silva-Monroy, C.A.; Watson, J.-P. A comparison of policies on the participation of storage in U.S. frequency regulation markets. In Proceedings of the 2016 IEEE Power and Energy Society General Meeting (PESGM), Boston, MA, USA, 17–21 July 2016; Institute of Electrical and Electronics Engineers (IEEE): Piscataway, NJ, USA, 2016; pp. 1–5. [Google Scholar]
- Sanchez, F.; Cayenne, J.; Gonzalez-Longatt, F.; Rueda, J.L. Controller to enable the enhanced frequency response services from a multi-electrical energy storage system. IET Gener. Transm. Distrib. 2018, 13, 258–265. [Google Scholar] [CrossRef]
- Stroe, D.-I.; Knap, V.; Swierczynski, M.; Stroe, A.I.; Teodorescu, R. Suggested operation of grid-connected lithium-ion battery energy storage system for primary frequency regulation: Lifetime perspective. In Proceedings of the 2015 IEEE Energy Conversion Congress and Exposition (ECCE), Montreal, QC, Canada, 20–24 September 2015; Institute of Electrical and Electronics Engineers (IEEE): Piscataway, NJ, USA, 2015; pp. 1105–1111. [Google Scholar]
- Luo, X.; Wang, J.; Dooner, M.; Clarke, J. Overview of current development in electrical energy storage technologies and the application potential in power system operation. Appl. Energy 2015, 137, 511–536. [Google Scholar] [CrossRef]
- Gundogdu, B.M.; Nejad, S.; Gladwin, D.T.; Foster, M.P.; Stone, D.A. A Battery Energy Management Strategy for U.K. Enhanced Frequency Response and Triad Avoidance. IEEE Trans. Ind. Electron. 2018, 65, 9509–9517. [Google Scholar] [CrossRef]
- Canevese, S.; Cirio, D.; Gatti, A.; Rapizza, M.; Micolano, E.; Pellegrino, L. Simulation of enhanced frequency response by battery storage systems: The UK versus the continental europe system. In Proceedings of the 2017 IEEE International Conference on Environment and Electrical Engineering and 2017 IEEE Industrial and Commercial Power Systems Europe (EEEIC/I&CPS Europe), Milan, Italy, 6–9 June 2017; Institute of Electrical and Electronics Engineers (IEEE): Piscataway, NJ, USA, 2017; pp. 1–6. [Google Scholar]
- Lopes, L.A. Self-Tuning Virtual Synchronous Machine: A Control Strategy for Energy Storage Systems to Support Dynamic Frequency Control. IEEE Trans. Energy Convers. 2014, 29, 833–840. [Google Scholar]
- Knap, V.; Chaudhary, S.K.; Stroe, D.-I.; Swierczynski, M.J.; Craciun, B.-I.; Teodorescu, R.; Stroe, D.L. Sizing of an Energy Storage System for Grid Inertial Response and Primary Frequency Reserve. IEEE Trans. Power Syst. 2015, 31, 3447–3456. [Google Scholar] [CrossRef]
- Liu, J.; Wen, J.; Long, Y.; Yao, W. Solution to short-term frequency response of wind farms by using energy storage systems. IET Renew. Power Gener. 2016, 10, 669–678. [Google Scholar] [CrossRef]
- Han, J.B.; Kook, K.S.; Chang, B. A Study on the Criteria for Setting the Dynamic Control Mode of Battery Energy Storage System in Power Systems. Trans. Korean Inst. Electr. Eng. 2013, 62, 444–450. [Google Scholar] [CrossRef]
- Hur, W.; Moon, Y.; Shin, K.; Kim, W.; Nam, S.; Park, K. Economic Value of Li-ion Energy Storage System in Frequency Regulation Application from Utility Firm’s Perspective in Korea. Energies 2015, 8, 5000–5017. [Google Scholar] [CrossRef]













| Criteria | 90% Load | 70% Load |
|---|---|---|
| load | 85 GW | 52 GW |
| 0.54 | 0.62 | |
| 81,111 MVA | 70,645 MVA | |
| 5.95 | 5.95 | |
| 4.60 | 4.95 |
© 2019 by the authors. Licensee MDPI, Basel, Switzerland. This article is an open access article distributed under the terms and conditions of the Creative Commons Attribution (CC BY) license (http://creativecommons.org/licenses/by/4.0/).
Share and Cite
Yoon, M.; Lee, J.; Song, S.; Yoo, Y.; Jang, G.; Jung, S.; Hwang, S. Utilization of Energy Storage System for Frequency Regulation in Large-Scale Transmission System. Energies 2019, 12, 3898. https://doi.org/10.3390/en12203898
Yoon M, Lee J, Song S, Yoo Y, Jang G, Jung S, Hwang S. Utilization of Energy Storage System for Frequency Regulation in Large-Scale Transmission System. Energies. 2019; 12(20):3898. https://doi.org/10.3390/en12203898
Chicago/Turabian StyleYoon, Minhan, Jaehyeong Lee, Sungyoon Song, Yeontae Yoo, Gilsoo Jang, Seungmin Jung, and Sungchul Hwang. 2019. "Utilization of Energy Storage System for Frequency Regulation in Large-Scale Transmission System" Energies 12, no. 20: 3898. https://doi.org/10.3390/en12203898
APA StyleYoon, M., Lee, J., Song, S., Yoo, Y., Jang, G., Jung, S., & Hwang, S. (2019). Utilization of Energy Storage System for Frequency Regulation in Large-Scale Transmission System. Energies, 12(20), 3898. https://doi.org/10.3390/en12203898

