Sensorless-MTPA Control of Permanent Magnet Synchronous Motor Based on an Adaptive Sliding Mode Observer
Abstract
:1. Introduction
2. MTPA Control without Position Sensor
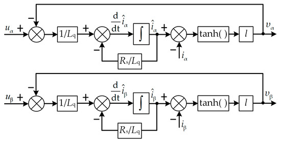
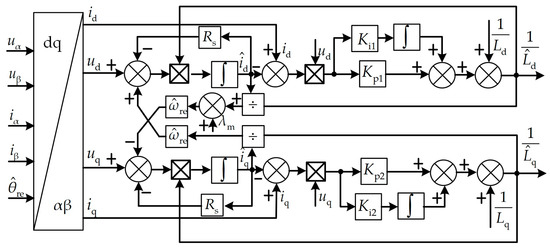
2.1. The Design of ASMO Based on EF
- In some domain of equilibrium state , scalar function V has continuous first-order partial derivatives.
- In the equilibrium state , i.e., = , = and = , the scalar function V = 0 while the scalar function V > 0 in the non-equilibrium state, i.e., , and .
- In the equilibrium state , i.e., = , = and = , the differential dV/dt = 0 while dV/dt<0 in the non-equilibrium state, i.e., , and .
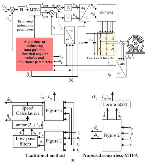
2.2. Sensorless-MTPA Control Scheme
2.3. The Digital Implementation of the Proposed Method
3. Experimental Results
3.1. Sensorless Control Performance
3.2. Steady State Performance of MTPA Control
3.3. Dynamic Performance of MTPA Control
4. Conclusions
- (1)
- By analyzing the mathematical model when the IPMSM operates in the steady state, an adaptive mechanism is adopted to construct an ASMO. The stability of the SMO and the adaptive mechanism are ensured with the Lyapunov criterion. Different from the traditional SMO, the ASMO can observe the rotor position and speed information without low-pass filters so that the problems of the dc drift and phase delay can be suppressed to some extent.
- (2)
- Different from the traditional method to achieve the MTPA control when the position sensor of the IPMSM is absent, a sensorless-MTPA control scheme is proposed by analyzing the principle of the MTPA control. In the proposed method, the designed ASMO not only observes the rotor position and speed but also relies on the difference between d-axis and q-axis inductances to obtain the MTPA points directly so that the MTPA control can be achieved simultaneously without adding an observer.
- (3)
- The proposed sensorless-MTPA control scheme is realized on a 20 kW IPMSM where the sensorless control performance and the MTPA control performance are tested. The feasibility and effectiveness of the proposed method are verified by the experiment’s results.
Author Contributions
Funding
Acknowledgments
Conflicts of Interest
References
- Sul, S.; Kwon, Y.; Lee, Y. Sensorless control of IPMSM for last 10 years and next 5 years. CES Trans. Electr. Mach. Syst. 2017, 1, 91–99. [Google Scholar]
- Karady, G.; Holbert, K. Introduction to Power Electronics and Motor Control. In Electrical Energy Convers and Transport: An Interactive Computer-Based Approach, 2nd ed.; Wiley-IEEE Press: New York, NY, USA, 28 May 2013; pp. 854–884. [Google Scholar]
- David, G.; Meki, A.; Bown, N.; Gerada, C. High-Speed Electrical Machines: Technologies, Trends, And Developments. IEEE Trans. Electron. 2014, 61, 2946–2959. [Google Scholar]
- Minh, X.; Guan, D.; Xiao, D.; Rahman, M. A Modified Sensorless Control Scheme for Interior Permanent Magnet Synchronous Motor over Zero to Rated Speed Range Using Current Derivative Measurements. IEEE Trans. Electron. 2019, 66, 102–113. [Google Scholar]
- Wang, G.; Xiao, D.; Zhao, N.; Zhang, X.; Wang, W.; Xu, D. Low-Frequency Pulse Voltage Injection Scheme-Based Sensorless Control of IPMSM Drives for Audible Noise Reduction. IEEE Trans. Ind. Electron. 2017, 64, 8415–8426. [Google Scholar] [CrossRef]
- Wang, G.; Yang, L.; Zhang, G.; Zhang, X.; Xu, D. Comparative Investigation of Pseudo random High-Frequency Signal Injection Schemes for Sensorless IPMSM Drives. IEEE Trans. Power Electron. 2017, 32, 2123–2132. [Google Scholar] [CrossRef]
- Wu, J.; Wei, H.; Zhang, Y. Sensorless vector control of permanent magnet synchronous motor based on model reference adaptive system. In Proceedings of the Third IEEE International Conference on Computer and Communications (ICCC), Chengdu, China, 13–16 December 2017; pp. 2879–2883. [Google Scholar] [CrossRef]
- Zhu, G.; Wang, G.; Ni, R.; Xu, D. Active flux based full-order discrete-time sliding mode observer for position sensorless IPMSM drives. In Proceedings of the Seventeenth International Conference on Electrical Machines and Systems (ICEMS), Hangzhou, China, 22–25 October 2014; pp. 3569–3572. [Google Scholar]
- Tang, H.; Li, H.; Lin, J. Research on Sensorless Control Method of PMSM Based on a Kalman Filter Sliding Mode Observer. In Proceedings of the 10th International Conference on Measuring Technology and Mechatronics Automation (ICMTMA), Changsha, China, 10–11 February 2018; pp. 290–293. [Google Scholar]
- Chen, Z.; Tomita, M.; Doki, S. An extended electromotive force model for sensorless control of interior permanent magnet synchronous motors. IEEE Trans. Ind. Electron. 2003, 50, 288–295. [Google Scholar] [CrossRef]
- Zhao, Y.; Zhang, Z.; Qiao, W.; Long, W. An Extended Flux Model-Based Rotor Position Estimator for Sensorless Control of Salient-Pole Permanent-Magnet Synchronous Machines. IEEE Trans. Power Electron. 2015, 30, 4412–4422. [Google Scholar] [CrossRef]
- Jiang, Y.; Xu, W.; Mu, C.; Zhu, J. An Improved Third-Order Generalized Integral Flux Observer for Sensorless Drive of PMSMs. IEEE Trans. Ind. Electron. 2018, 6, 278–289. [Google Scholar] [CrossRef]
- Li, K.; Wang, Y. Maximum Torque Per Ampere (MTPA) Control for IPMSM Drives Based on a Variable-Equivalent-Parameter MTPA Control Law. IEEE Trans. Power Electron. 2019, 34, 7092–7102. [Google Scholar] [CrossRef]
- Tang, Z.; Li, X.; Dusmez, S. A New V/f-Based Sensorless MTPA Control for IPMSM Drives. IEEE Trans. Power Electron. 2016, 31, 4400–4415. [Google Scholar] [CrossRef]
- Cao, M.; Egashira, J.; Kaneko, K. High efficiency control of IPMSM for electric motorcycles. In Proceedings of the IEEE 6th International Power Electronical Motion Control Conference, Wuhan, China, 17–20 May 2009; pp. 1893–1897. [Google Scholar]
- Shi, C.; Luo, J.; Huang, J.; Yu, Z.; Wen, C. New Sensorless Control for Interior Permanent Magnet Synchronous Motors of Electric Vehicle. In Proceedings of the 2nd IEEE Conference on Energy Internet and Energy System Integration (EI2), Beijing, China, 20–22 October 2018; pp. 1–5. [Google Scholar]
- Wang, G.; Li, Z.; Zhang, G.; Yu, Y.; Xu, D. Quadrature PLL-based high-order sliding-mode observer for IPMSM sensorless control with online MTPA control strategy. IEEE Trans. Energy Conversat. 2013, 28, 214–224. [Google Scholar] [CrossRef]
- Sun, T.; Wang, J.; Chen, X. Maximum torque per ampere (MTPA) control for interior permanent magnet synchronous machine drives based on virtual signal injection. IEEE Trans. Power Electron. 2015, 30, 5036–5045. [Google Scholar] [CrossRef]
- Tomastu, S.; Kondo, S.; Tomita, M.; Mattsumoto, A. A design method of full-order flux observer for realization of both MTPA control and position sensorless control of IPMSM. In Proceedings of the IEEE 2nd International Future Energy Electronics Conference (IFEEC), Taipei, Taiwan, 1–4 November 2015; pp. 1–5. [Google Scholar]
- Qiao, Z.; Shi, T.; Wang, Y.; Yan, Y.; Xia, C.; He, X. New Sliding-Mode Observer for Position Sensorless Control of Permanent-Magnet Synchronous Moto. IEEE Trans. Ind. Electron. 2013, 60, 710–719. [Google Scholar] [CrossRef]
- Liu, J.; Nondahl, T.; Schmidt, P.; Royak, S.; Harbaugh, M. Rotor position estimation for synchronous machines based on equivalent EMF. IEEE Trans. Ind. Appl. 2011, 47, 1310–1318. [Google Scholar]
- Rafaq, M.; Mwasilu, F.; Kim, J. Online Parameter Identification for Model-Based Sensorless Control of Interior Permanent Magnet Synchronous Machine. IEEE Trans. Power Electron. 2017, 32, 4631–4643. [Google Scholar] [CrossRef]
- Jung, H.; Park, G.; Kim, D.; Jung, S. Optimal Design and Validation of IPMSM for Maximum Efficiency Distribution Compatible to Energy Consumption Areas of HD-EV. IEEE Trans. Magn. 2017, 53, 1–4. [Google Scholar] [CrossRef]
- Ryu, H.; Lim, L.; Lee, J.; Hwang, S.; Kim, J. A Dead Time Compensation Method in Voltage-Fed PWM Inverter. IEEE Trans. Energy Convers. 2012, 25, 1–10. [Google Scholar]











| Parameter | Symbol | Unit | Value |
|---|---|---|---|
| Number of pole pairs | np | − | 4 |
| Permanent magnet flux | Wb | 0.067 | |
| Stator resistance | Rs | Ω | 7.34 |
| d-axis inductance | Ld | mH | 0.158 |
| q-axis inductance | Lq | mH | 0.592 |
| Rated speed | nN | r/min | 3000 |
| Rated torque | TN | Nm | 64 |
| Rated voltage | UN | V | 320 |
| Rated power | P | kW | 20 |
| |is|(A) | βMTPA(o) | Maximum Te (N·m) |
|---|---|---|
| 20 | 92 | 6.15 |
| 40 | 95 | 14.38 |
| 60 | 98 | 22.67 |
| 80 | 99 | 31.1 |
| 90 | 100 | 35.35 |
| 100 | 101 | 39.57 |
| 110 | 102 | 43.85 |
| 120 | 103 | 48.08 |
| 130 | 104 | 52.35 |
| 140 | 105 | 56.85 |
| 150 | 105 | 61.07 |
| 160 | 106 | 65.35 |
© 2019 by the authors. Licensee MDPI, Basel, Switzerland. This article is an open access article distributed under the terms and conditions of the Creative Commons Attribution (CC BY) license (http://creativecommons.org/licenses/by/4.0/).
Share and Cite
Ye, M.; Shi, T.; Wang, H.; Li, X.; Xia, C. Sensorless-MTPA Control of Permanent Magnet Synchronous Motor Based on an Adaptive Sliding Mode Observer. Energies 2019, 12, 3773. https://doi.org/10.3390/en12193773
Ye M, Shi T, Wang H, Li X, Xia C. Sensorless-MTPA Control of Permanent Magnet Synchronous Motor Based on an Adaptive Sliding Mode Observer. Energies. 2019; 12(19):3773. https://doi.org/10.3390/en12193773
Chicago/Turabian StyleYe, Mengting, Tingna Shi, Huimin Wang, Xinmin Li, and Changliang Xia. 2019. "Sensorless-MTPA Control of Permanent Magnet Synchronous Motor Based on an Adaptive Sliding Mode Observer" Energies 12, no. 19: 3773. https://doi.org/10.3390/en12193773
APA StyleYe, M., Shi, T., Wang, H., Li, X., & Xia, C. (2019). Sensorless-MTPA Control of Permanent Magnet Synchronous Motor Based on an Adaptive Sliding Mode Observer. Energies, 12(19), 3773. https://doi.org/10.3390/en12193773

