Ripple Vector Cancellation Modulation Strategy for Single-Phase Quasi-Z-Source Inverter
Abstract
:1. Introduction
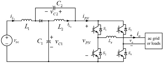
2. Single-Phase QZSI
2.1. Operation and Steady-State Analysis
2.2. Ripple Genertation Mechanism
2.3. Ripple Transmission Mechanism
3. Modulation Strategy Based on Ripple Vector Cancellation
4. Simulation and Experimental Results
5. Conclusions
Author Contributions
Funding
Conflicts of Interest
References
- Li, Y.; Anderson, J.; Peng, F.Z.; Liu, D. Quasi-z-source inverter for photovoltaic power generation systems. In Proceedings of the 2009 Twenty-Fourth Annual IEEE Applied Power Electronics Conference and Exposition, Washington, DC, USA, 15–19 February 2009; pp. 918–924. [Google Scholar]
- Anderson, J.; Peng, F.Z. Four quasi-Z-source inverters. In Proceedings of the IEEE Power Electronics Specialists Conference, Rhodes, Greece, 15–19 June 2008; pp. 2743–2749. [Google Scholar]
- Ayad, A.; Kennel, R. A comparison of quasi-Z-source inverters and conventional two-stage inverters for PV applications. EPE J. 2017, 27, 43–59. [Google Scholar] [CrossRef]
- Battiston, A.; Martin, J.P.; Miliani, E.H.; Nahid-Mobarakeh, B.; Pierfederici, S.; Meibody-Tabar, F. Comparison criteria for electric traction system using Z-source/quasi Z-source inverter and conventional architectures. IEEE J. Emerg. Sel. Top. Power Electron. 2014, 2, 467–476. [Google Scholar] [CrossRef]
- Battiston, A.; Miliani, E.H.; Pierfederici, S.; Meibody-Tabar, F. Efficiency improvement of a quasi-Z-source inverter-fed permanent-magnet synchronous machine-based electric vehicle. IEEE Trans. Transp. Electrific. 2016, 2, 14–23. [Google Scholar] [CrossRef]
- Liu, Y.; Ge, B.; Abu-Rub, H.; Peng, F.Z. An effective control method for quasi-Z-source cascade multilevel inverter-based grid-tie single-phase photovoltaic power system. IEEE Trans. Ind. Informat. 2014, 10, 399–407. [Google Scholar] [CrossRef]
- Liang, W.H.; Liu, Y.; Ge, B.; Wang, X.L. DC-Link voltage balance control strategy based on multidimensional modulation technique for quasi-Z-source cascaded multilevel inverter photovoltaic power system. IEEE Trans. Ind. Informat. 2018, 14, 4905–4915. [Google Scholar] [CrossRef]
- Sun, D.; Ge, B.; Yan, X.; Bi, D.; Zhang, H.; Liu, Y.; Abu-Rub, H.; Ben-Brahim, L.; Peng, F. Modeling, impedance design, and efficiency analysis of quasi-Z-source module in cascade multilevel photovoltaic power system. IEEE Trans. Ind. Electron. 2014, 61, 6108–6117. [Google Scholar] [CrossRef]
- Liu, Y.; Ge, B.; Abu-Rub, H.; Sun, D. Comprehensive modeling of single-phase quasi-Z-source photovoltaic inverter to investigate low-frequency voltage and current ripple. IEEE Trans. Ind. Electron. 2015, 62, 4194–4202. [Google Scholar] [CrossRef]
- Liang, W.H.; Liu, Y.; Ge, B.; Abu-Rub, H.; Balog, R.S.; Xue, Y.S. Double-line-frequency ripple model, analysis, and impedance design for energy-stored single-phase quasi-Z-source photovoltaic system. IEEE Trans. Ind. Electron. 2018, 65, 3198–3209. [Google Scholar] [CrossRef]
- Ge, B.; Abu-Rub, H.; Liu, Y.; Balog, R.S.; Peng, P.Z. An active filter method to eliminate dc-side low-frequency power for a single-phase quasi-z-source inverter. IEEE Trans. Ind. Electron. 2016, 63, 4838–4848. [Google Scholar] [CrossRef]
- Ge, B.; Liu, Y.; Abu-Rub, H.; Balog, R.S.; Peng, F.Z.; McConnell, S.; Li, X. Current Ripple Damping Control to Minimize Impedance Network for Single-Phase Quasi-Z Source Inverter System. IEEE Trans. Ind. Inform. 2016, 12, 1043–1054. [Google Scholar] [CrossRef]
- Zhou, Y.; Li, H.; Li, H. A single-phase PV quasi-Z-source inverter with reduced capacitance using modified modulation and double-frequency ripple suppression control. IEEE Trans. Power Electron. 2016, 31, 2166–2173. [Google Scholar] [CrossRef]
- Wei, R.Y.; Tang, Y.F.; Wang, S.J.; Li, Z.Y. A ripple suppression strategy based on virtual self-injection APF for quasi-Z source inverter. In IOP Conference Series: Earth and Environmental Science, Proceedings of the 2018 International Conference on New Energy and Future Energy System, Shanghai, China, 21–24 August 2018; IOP: London, UK, 2018; Volume 188, 012065. [Google Scholar] [CrossRef]
- Nguyen, M.K.; Choi, Y.O. Maximum boost control method for single-phase quasi-switched-boost and quasi-z-source inverters. Energies 2017, 10, 553. [Google Scholar] [CrossRef]
- Yu, Y.; Zhang, Q.; Liang, B.; Cui, S. Single-phase Z-source inverter: Analysis and low-frequency harmonics elimination pulse width modulation. In Proceedings of the IEEE Energy Conversion Congress and Exposition (ECCE), Phoenix, AZ, USA, 17–22 September 2011; pp. 2260–2267. [Google Scholar]
- Mohammadi, M.; Moghani, J.S.; Milimonfared, J. A Novel Dual Switching Frequency Modulation for Z-Source and Quasi Z-Source Inverters. IEEE Trans. Ind. Electron. 2018, 65, 5167–5176. [Google Scholar] [CrossRef]
- He, Y.; Xu, Y.; Chen, J. New space vector modulation strategies to reduce inductor current ripple of z-source inverters. IEEE Trans. Power Electron. 2018, 33, 2643–2654. [Google Scholar] [CrossRef]
- Tang, Y.; Xie, S.; Ding, J. Pulsewidth modulation of Z-source inverters with minimum inductor current ripple. IEEE Trans. Ind. Electron. 2014, 61, 98–106. [Google Scholar] [CrossRef]
- Bayhan, S.; Trabelsi, M.; Abu-Rub, H.; Malinowski, M. Finite-control-set model-predictive control for a quasi-Z-source four-leg inverter under unbalanced load condition. IEEE Trans. Ind. Electron. 2016, 64, 2560–2569. [Google Scholar] [CrossRef]
- Komurcugil, H.; Bayhan, S.; Bagheri, F.; Kukrer, O.; Abu-Rub, H. Model-based current control for single-phase grid-tied quasi-Z-source inverters with virtual time constant. IEEE Trans. Power Electron. 2018, 65, 8277–8286. [Google Scholar] [CrossRef]










| Parameters | Value |
|---|---|
| Capacitors of QZS network , | 1 mF |
| Inductors of QZSI network , | 1 mH |
| Filter inductor | 4 mH |
| Voltage of DC source | 60 V |
| Load | 20 |
| Average shoot-through duty cycle | 0.25 |
| Modulation ratio | 0.7 |
| Output frequency | 50 HZ |
| Carrier frequency | 10 kHZ |
| Strategy | |||
|---|---|---|---|
| CMS | 40.15% | 3.14% | 9.40% |
| RVCMS | 1.69% | 2.53% | 7.75% |
© 2019 by the authors. Licensee MDPI, Basel, Switzerland. This article is an open access article distributed under the terms and conditions of the Creative Commons Attribution (CC BY) license (http://creativecommons.org/licenses/by/4.0/).
Share and Cite
Tang, Y.; Li, Z.; Chen, Y.; Wei, R. Ripple Vector Cancellation Modulation Strategy for Single-Phase Quasi-Z-Source Inverter. Energies 2019, 12, 3344. https://doi.org/10.3390/en12173344
Tang Y, Li Z, Chen Y, Wei R. Ripple Vector Cancellation Modulation Strategy for Single-Phase Quasi-Z-Source Inverter. Energies. 2019; 12(17):3344. https://doi.org/10.3390/en12173344
Chicago/Turabian StyleTang, Yufeng, Zhiyong Li, Yougen Chen, and Renyong Wei. 2019. "Ripple Vector Cancellation Modulation Strategy for Single-Phase Quasi-Z-Source Inverter" Energies 12, no. 17: 3344. https://doi.org/10.3390/en12173344
APA StyleTang, Y., Li, Z., Chen, Y., & Wei, R. (2019). Ripple Vector Cancellation Modulation Strategy for Single-Phase Quasi-Z-Source Inverter. Energies, 12(17), 3344. https://doi.org/10.3390/en12173344
