Admittance Reshaping Control Methods to Mitigate the Interactions between Inverters and Grid
Abstract
:1. Introduction
2. Admittance Model of Three-Phase Grid-Connected System
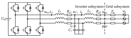
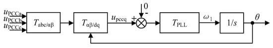
2.1. System Description
2.2. Admittance Model of Traditional Control Method
2.3. Impedance-Based Stability Criterion
2.4. Stability Analysis of Traditional Control Method
3. Admittance Reshaping Control Methods for Three-Phase Grid-Connected Inverter
3.1. Admittance Reshaping Technique 1 (the Feedforward PCC Voltage)
3.2. Admittance Reshaping Technique 2 (the Active Damping Controller)
3.3. Design Method of Control Parameters
3.4. Contrast Analysis of System Stability
4. Experiments Verification
5. Conclusions
Author Contributions
Funding
Conflicts of Interest
References
- Guo, X.; Yang, Y.; Zhang, X. Advanced control of grid-connected current source converter under unbalanced grid voltage conditions. IEEE Trans. Ind. Electron. 2018, 65, 9225–9233. [Google Scholar] [CrossRef]
- Zhang, D.; Li, J.; Hui, D. Coordinated control for voltage regulation of distribution network voltage regulation by distributed energy storage systems. Prot. Control Mod. Power Syst. 2018, 3, 35–42. [Google Scholar] [CrossRef]
- Guo, X.; Yang, Y.; Zhu, T. ESI: A novel three-phase inverter with leakage current attenuation for transformerless PV systems. IEEE Trans. Ind. Electron. 2018, 65, 2967–2974. [Google Scholar] [CrossRef]
- Fan, L.; Miao, Z. An explanation of oscillations due to wind power plants weak grid interconnection. IEEE Trans. Sustain. Energy 2018, 9, 488–490. [Google Scholar] [CrossRef]
- Yang, L.; Chen, Y.; Wang, H.; Luo, A.; Huai, K. Oscillation suppression method by two notch filters for parallel inverters under weak grid conditions. Energies 2018, 11, 3441. [Google Scholar] [CrossRef]
- Han, Y.; Chen, H.; Li, Z.; Yang, P.; Xu, L.; Guerrero, J.M. Stability analysis for the grid-connected single-phase asymmetrical cascaded multilevel inverter with SRF-PI current control under weak grid conditions. IEEE Trans. Power Electron. 2019, 34, 2052–2069. [Google Scholar] [CrossRef]
- Zhou, X.; Zhou, L.; Chen, Y.; Shuai, Z.; Guerrero, J.M.; Luo, A.; Wu, W.; Yang, L. Robust grid-current-feedback resonance suppression method for LCL-type grid-connected inverter connected to weak grid. IEEE J. Emerg. Sel. Top. Power Electron. 2018, 6, 2126–2137. [Google Scholar] [CrossRef]
- Cao, W.; Ma, Y.; Wang, F. Sequence-impedance-based harmonic stability analysis and controller parameter design of three-phase inverter-based multibus AC power systems. IEEE Trans. Power Electron. 2017, 32, 7674–7693. [Google Scholar] [CrossRef]
- Wu, W.; Zhou, L.; Chen, Y.; Luo, A.; Dong, Y.; Zhou, X.; Xu, Q.; Yang, L.; Guerrero, J.M. Sequence-impedance-based stability comparison between VSGs and traditional grid-connected inverters. IEEE Trans. Power Electron. 2019, 34, 46–52. [Google Scholar] [CrossRef]
- Liu, H.; Xie, X.; Liu, W. An oscillatory stability criterion based on the unifieddq-frame impedance network model for power systems with high-penetration renewables. IEEE Trans. Power Syst. 2018, 33, 3472–3485. [Google Scholar] [CrossRef]
- Shuai, Z.; Li, Y.; Wu, W.; Tu, C.; Luo, A.; Shen, Z.J. Divided DQ small-signal model: A new perspective for the stability analysis of three-phase grid-tied inverters. IEEE Trans. Ind. Electron. 2019, 66, 6493–6504. [Google Scholar] [CrossRef]
- He, J.; Li, Y.W. Analysis, design, and implementation of virtual impedance for power electronics interfaced distributed generation. IEEE Trans. Ind. Appl. 2011, 47, 2525–2538. [Google Scholar] [CrossRef]
- Dannehl, J.; Liserre, M.; Fuchs, F.W. Filter-based active damping of voltage source converters with LCL filter. IEEE Trans. Ind. Electron. 2011, 58, 3623–3633. [Google Scholar] [CrossRef]
- Zhou, J.Z.; Ding, H.; Fan, S.; Zhang, Y.; Gole, A.M. Impact of short-circuit ratio and phase-locked-loop parameters on the small-signal behavior of a VSC-HVDC converter. IEEE Trans. Power Deliv. 2014, 29, 2287–2296. [Google Scholar] [CrossRef]
- Golestan, S.; Guerrero, J.M.; Abusorrah, A.M.; Al-Turki, Y. Hybrid synchronous/stationary reference-frame-filtering-based PLL. IEEE Trans. Ind. Electron. 2015, 62, 5018–5022. [Google Scholar] [CrossRef]
- Wang, F.; Duarte, J.L.; Hendrix, M.A.M.; Ribeiro, P.F. Modeling and analysis of grid harmonic distortion impact of aggregated DG inverters. IEEE Trans. Power Electron. 2011, 26, 786–797. [Google Scholar] [CrossRef]
- Chen, M.; Peng, L.; Wang, B.; Kan, J. PLL based on extended trigonometric function delayed signal cancellation under various adverse grid conditions. IET Power Electron. 2018, 11, 1689–1697. [Google Scholar] [CrossRef]
- Selvaraj, J.; Rahim, N.A. Multilevel inverter for grid-connected PV system employing digital PI controller. IEEE Trans. Ind. Electron. 2009, 56, 149–158. [Google Scholar] [CrossRef]
- Zhang, N.; Tang, H.; Yao, C. A systematic method for designing a PR controller and active damping of the LCL filter for single-phase grid-connected PV inverters. Energies 2014, 7, 3934–3954. [Google Scholar] [CrossRef]
- Belkhayat, M. Stability Criteria for AC Power Systems with Regulated Loads. Ph.D. Thesis, Purdue University, West Lafayette, IN, USA, 1997. [Google Scholar]
- Kuo, B.C.; Golnaraghi, F. Automatic Control Systems; Prentice-Hall: Englewood Cliffs, NJ, USA, 1995; pp. 365–373. [Google Scholar]



















| Parameter/Unit | Value |
|---|---|
| DC voltage Udc/V | 720 |
| Inverter-side inductor L1/mH, RL1/Ω | 0.6, 0.01 |
| Filter capacitor C1/μF | 10 |
| Grid-side inductor L2/mH, RL2/Ω | 0.15, 0.001 |
| Grid inductor Lg/mH | 0.05 |
| Grid-connected current reference igrd, igrq/A | −73, 0 |
| Grid-connected current , /A | −73, 0 |
| PCC voltage , /V | 311, 0 |
| Filter capacitor current , /A | 0.03, 0.90 |
| Duty radio , | 0.55, 0.01 |
| PLL PI controller kppll, kipll | 1, 4000 |
| Grid current loop PI controller kpi, kii | 0.45, 1000 |
| Active damping coefficient KC | 1.15 |
| Fundamental frequency f1/Hz | 50 |
| Switching frequency fs/kHz | 10 |
| Case | THD of the Steady-State Grid-Connected Current |
|---|---|
| Traditional control method | 9.71% |
| Admittance reshaping technique 1 (within the parameter design range) | 1.72% |
| Admittance reshaping technique 2 (within the parameter design range) | 1.93% |
| Admittance reshaping technique 1 (without the parameter design range) | 5.62% |
| Admittance reshaping technique 2 (without the parameter design range) | 5.84% |
| Case | ϕm | kp | kω | km |
|---|---|---|---|---|
| within the design range | −20° | 2.04 | 6.16 × 10−4 | 1.43 |
| without the design range | −10° | 1.42 | 7.38 × 10−4 | 1.19 |
© 2019 by the authors. Licensee MDPI, Basel, Switzerland. This article is an open access article distributed under the terms and conditions of the Creative Commons Attribution (CC BY) license (http://creativecommons.org/licenses/by/4.0/).
Share and Cite
Yang, L.; Chen, Y.; Luo, A.; Huai, K. Admittance Reshaping Control Methods to Mitigate the Interactions between Inverters and Grid. Energies 2019, 12, 2457. https://doi.org/10.3390/en12132457
Yang L, Chen Y, Luo A, Huai K. Admittance Reshaping Control Methods to Mitigate the Interactions between Inverters and Grid. Energies. 2019; 12(13):2457. https://doi.org/10.3390/en12132457
Chicago/Turabian StyleYang, Ling, Yandong Chen, An Luo, and Kunshan Huai. 2019. "Admittance Reshaping Control Methods to Mitigate the Interactions between Inverters and Grid" Energies 12, no. 13: 2457. https://doi.org/10.3390/en12132457
APA StyleYang, L., Chen, Y., Luo, A., & Huai, K. (2019). Admittance Reshaping Control Methods to Mitigate the Interactions between Inverters and Grid. Energies, 12(13), 2457. https://doi.org/10.3390/en12132457

