Critical Review of PV Grid-Tied Inverters
Abstract
1. Introduction
- Reducing the cost during power conversion stage
- Improving the reliability of the converter in use
- Reducing the harmonics in the output current obtained
- Reducing the number of switches/components used in grid integration
- Ensuring continuity in supply by providing back up power for PVs.
- Controlling the real and reactive power
- Maintaining a constant direct current (DC) link voltage via a suitable control scheme
- Detecting the maximum power point of PV panel using Maximum Power Point Tracking (MPPT) techniques.
2. Ancillary Services in Electric Market
2.1. Definitions of Ancillary Service
- *
- As per International Electro technical Commission (IEC) 60050-617, ancillary services are “services necessary for the operation of an electric power system provided by the system operator and/or by power system users” [3].
- *
- According to the Union of Electric Industry EURELECTRIC: “Ancillary Services are those services provided by generation, transmission and control equipment which are necessary to support the transmission of electric power from producer to purchaser. These services are required to ensure that the System Operator meets its responsibilities in relation to the safe, secure and reliable operation of the interconnected power system. The services include both mandatory services and services subject to competition” [3].
- *
- Federal Energy Regulatory Commission (FERC) defined ancillary services as those “necessary to support the transmission of electric power from seller to purchaser given the obligations of control areas and transmitting utilities within those control areas to maintain reliable operations of the interconnected transmission system” [4].
2.2. Popular Ancillary Services in Electric Power Market
- Q Management: Q Management is a service that is unbundled to both suppliers and consumers. A system operator can control this service but the control is limited to local control area. Q management is the same ancillary service as voltage control. Voltage control is done to balance voltages in accordance with the prescribed limits during different time slots of power transmission. Q injection and absorption leads to system stability and yields protection against unforeseen events that may cause voltage breakdown. Hence, reactive-power must be made available to meet the expected demand and serve as a reserve margin during emergencies.
- Real power (P) loss replacement: P loss is the variation in P generated and delivered. Due to resistance in each active and passive element in the transmission line, loss is unavoidable. International Organization for Standardization (ISO) should generate power online in order to cope up with P losses although suppliers also make up for the losses.
- Supplemental operating reserve: Supplemental-operating reserve includes generating units, which must supply power within ten minutes and must be completely available within thirty minutes.
- Reliability reserve: Reliability reserve includes generating units and spinning reserves, which must be made available completely within ten minutes.
- Operating reserve: Operating reserve ancillary service is used to balance the power generation to the load because of unexpected outages.
- Load following: Load-following ancillary service includes two functions performed by the control area (interconnection frequency maintenance and load balance) and two more functions performed by customer (monitoring fluctuations in load and keeping in track of long-term changes). Thus, there are four different components in load following ancillary service.
- Scheduling and dispatch: Scheduling is a separate ancillary service and not connected to dispatch, but they are lumped together since they are less expensive and coordinated by ISO. Scheduling is to anticipate load requirement and assign generating units accordingly. Dispatch is the actual control of generation units and transmission units, which are available in order to satisfy the load demand. Scheduling, as well as dispatch, are quite inexpensive.
2.3. Additional Services in Electric Power Market
- Black start capability: Under certain conditions in which the system collapses, drawing power from the grid becomes an impossible event. Thus, some special generating units called black start units are used to restart devoid of taking power from grid.
- Time correction: Generally, most of the electrical clocks work by means of counting the cycles in the frequency of power. Although this frequency is kept constant, there will be an error of 0.01 Hz. If time correction were not done, there would be an error of roughly 10 s a day considering 50 Hz cycle.
- Standby Service: Standby service serves as a generating capacity, which is kept at reserve to supply energy when emergencies occur. Standby capacity is used in circumstances in which a customer’s power is interrupted due to an outage or when the generating unit is under scheduled maintenance or when a customer’s power demand exceeds the actual contracted one.
- Planning Reserve: It serves as a planned generating unit based on customer requirement. Hence, it is a customized one and cannot be the same for all customers.
- Redispatch: Due to transmission losses and constraints, least cost power dispatch is not possible. This is known as congestion. In order to avoid congestion, redispatch is done to adjust the power that is input to the transmission line. This method is applied within control areas.
- Transmission Services:
- Transmission system monitoring and control
- Transmission reserves
- Repair and maintenance of the transmission network
- Metering, billing and communications.
- Power Quality: Power quality means provision of uninterrupted power which is purely sinusoidal to customers
- Planning, Engineering & Accounting Services:
- Planning services:
- Load forecasting
- Scheduling
- Coordination of the maintenance of generating units
- Coordination of power transmission maintenance and power outages.
- Engineering services:
- Black-start studies
- Load-flow analysis
- Planning for bulk-power system expansion.
- Accounting services:
- Scheduling
- Billing
- Contract administration
- Reporting to several regulatory bodies.
2.4. Q Injection to Grid
3. PV-Grid Inverters—A Summary of Different Topologies
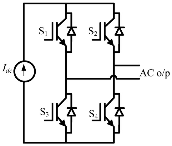
3.1. Traditional Inverters Vs Multilevel Inverters
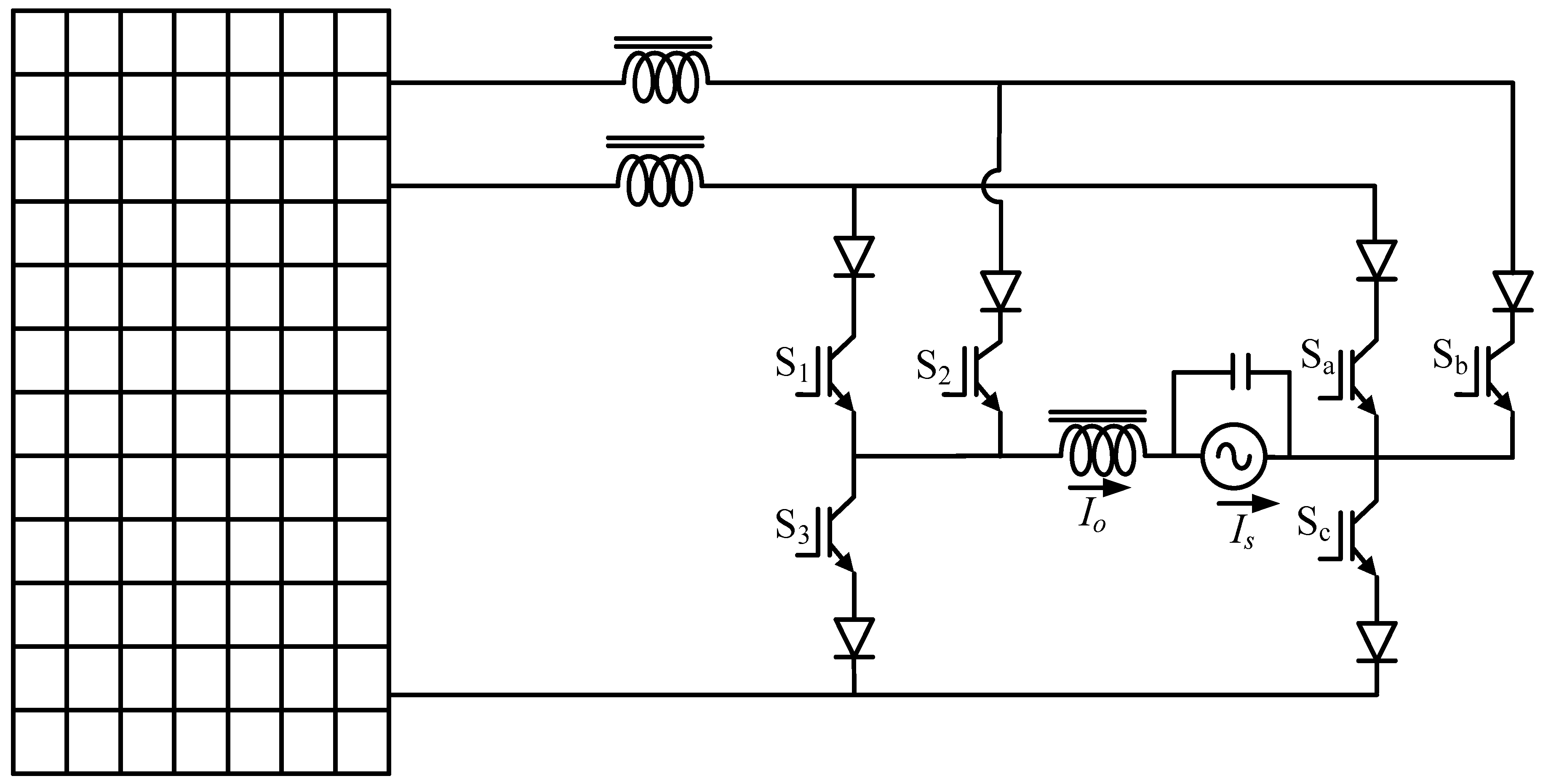
3.2. Concept of Z Source and Its Application in Solar Industry
- NOS—Number of semiconductor devices
- NOC—Number of capacitors
- NOL—Number of inductors
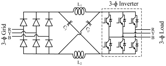
3.3. Grid Integration Configurations, Synchronization& Standards
- Small scale (a few Ws a few tens of kWs)
- Medium scale (a few tens of kWs to a few hundreds of kWs) and
- Large scale (a few hundredkWs to several hundreds of MWs).
4. A Summary of Intelligent Algorithms & Optimization Techniques in Grid-Tied Inverters
- Multiagent system (MAS): Every component in the system is represented as an agent with unique objectives. A detailed review on the subject can be studied in [89].
5. Conclusions and Future Scope
- Less complexity
- Lower cost
- Higher efficiency
- Lighter weight
- Smaller volume
Author Contributions
Funding
Conflicts of Interest
Nomenclature
| Acronyms | |
| AC | Alternating current |
| ACO | Ant colony optimization |
| ANN | Artificial neural network |
| BESS | Battery Energy storage system |
| CSI | Current source inverter |
| DC | Direct Current |
| DO | Deterministic Optimization |
| DVR | Dynamic voltagerestorer |
| DKE | Deutsche Kommission Elektrotechnik |
| EA | Evolutionary algorithm |
| EMF | Electromotive force |
| EMI | Electromagnetic interference |
| ESS | Energy storage system |
| FACTS | Flexible AC transmission system |
| FERC | Federal Energy Regulatory Commission |
| FL | Fuzzy logic |
| FRT | Fault ride-through |
| GA | Genetic algorithm |
| GC | Grid code |
| GW | Giga Watt |
| HF | High frequency |
| HVRT | High voltage ride-through |
| IEC | International Electro technical Commission |
| IEEE | Institute of Electrical and Electronic Engineers |
| IGBT | Insulated gate bipolar transistor |
| ISO | International Organization for Standardization |
| KVA | Kilo volt ampere |
| Kw | Kilo watt |
| LCCT | inductor–capacitor–capacitor–transformer |
| LVRT | Low voltage ride-through |
| MAS | Multiagent System |
| MFAPSO | Multi-function agent based particle swarm optimization |
| MLI | Multilevel inverter |
| MOSFET | Metal oxide semiconductor field effect transistor |
| MPC | Model predictive control |
| MPPT | Maximum power point tracking |
| NER | National electricity rules |
| NLP | Non-linear programming |
| NSGA | Non-dominated sorting GA |
| OLTC | On-load tap changer |
| OPF | Optimal power-flow |
| PCC | Point of common coupling |
| PEC | Power electronic converter |
| PLL | Phase Locked loop |
| PSD | Power semiconductor device |
| PSO | Particle swarm optimization |
| PV | Photovoltaic |
| PWM | Pulse-width modulation |
| RO | Robust Optimization |
| SA | Simulated annealing |
| SO | Stochastic Optimization |
| THD | Total Harmonic Distortion |
| TS | Tabu search |
| TSC | Thyristor switched capacitor |
| QZSI | Quasi impedance Source Inverter |
| VSI | Voltage source inverter |
| YSI | Admittance source inverter |
| ZSI | Impedance source inverter |
| Variables | |
| X | Reactance |
| δ | Angle between stator voltage and internal emf |
| ϕ | Angle between voltage and current |
| S | Apparent power |
| P | Real power |
| Q | Reactive power |
| V | Voltage |
| I | Current |
| E | Electromotive force |
| D | Duty cycle |
| T | Time period |
| m | Modulation index |
| W | Watt |
| kW | Kilowatt |
| MW | Megawatt |
References
- International Energy Agency. Renewables 2017: Analysis and Forecasts to 2022. Available online: https://www.iea.org/renewables/ (accessed on 31 October 2018).
- International Energy Agency. Renewables 2018: Analysis and Forecasts to 2023. Available online: https://webstore.iea.org/market-report-series-renewables-2018 (accessed on 1 November 2018).
- Pierno, A.; di Noia, L.P.; Rubino, L. Ancillary services provided by PV power plants. Leonardo Electron. J. Pract. Technol. 2016, 28, 57–76. [Google Scholar]
- Hirst, E.; Kirby, B. Electric-Power Ancillary Services; ORNL/CON-426; Oak Ridge National Laboratory: Oak Ridge, TN, USA, 1996.
- Xavier, L.S.; Cupertino, A.F.; Pereira, H.A. Ancillary services provided by photovoltaic inverters: Single and three phase control strategies. Comput. Electr. Eng. 2018, 70, 102–121. [Google Scholar] [CrossRef]
- Yang, Y.; Blaabjerg, F.; Wang, H. Low-voltage ride-through of single-phase transformerless photovoltaic inverters. IEEE Trans. Ind. Appl. 2014, 50, 1942–1952. [Google Scholar] [CrossRef]
- Comitato Elettrotecnico Italiano. Reference Technical Rules for Connecting Users to the Active and Passive LV Distribution Companies of Electricity; CEI: Milan, Italy, 2011. [Google Scholar]
- Stetz, T.; Marten, F.; Braun, M. Improved low voltage grid-integration of photovoltaic systems in Germany. IEEE Trans. Sustain. Energy 2013, 4, 534–542. [Google Scholar] [CrossRef]
- Miyamoto, Y. Technology for high penetration residential PV systems. In Proceedings of the 5th International Conference on Integration of Renewable and Distributed Energy Resources, Berlin, Germany, 4–6 December 2012. [Google Scholar]
- Patel, U.N.; Patel, H.H. An Effective Power Management Strategy for Photovoltaic based Distributed Generation. In Proceedings of the 2016 IEEE 16th International Conference on Environment and Electrical Engineering (EEEIC), Florence, Italy, 7–10 June 2016. [Google Scholar]
- Xiao, W.; Edwin, F.; Spagnuolo, G.; Jatskevich, J. Efficient Approaches for Modeling and Simulating Photovoltaic Power Systems. IEEE J. Photovolt. 2013, 3, 500–508. [Google Scholar] [CrossRef]
- Trabelsi, M.; Abu-Rub, H.; Ge, B. 1-MW Quasi-Z-Source based Multilevel PV Energy Conversion System. In Proceedings of the 2016 IEEE International Conference on Industrial Technology (ICIT), Taipei, Taiwan, 14–17 March 2016. [Google Scholar]
- Meraj, M.; Rahman, S.; Iqbal, A.; Ben-Brahim, L.; Alammari, R.; Abu-Rub, H. A Hybrid Active and Reactive Power Control with Quasi Z-Source Inverter in Single-Phase Grid-Connected PV systems. In Proceedings of the IECON 2016—42nd Annual Conference of the IEEE Industrial Electronics Society, Florence, Italy, 23–26 October 2016. [Google Scholar]
- Sarkar, M.N.I.; Meegahapola, L.G.; Datta, M. Reactive Power Management in Renewable Rich Power Grids: A Review of Grid-Codes, Renewable Generators, Support Devices, Control Strategies and Optimization Algorithms. IEEE Access 2018, 6, 41458–41489. [Google Scholar] [CrossRef]
- Liu, L.; Li, H.; Zhao, Y.; He, X.; Shen, Z.J. 1MHz cascaded Z-source inverters for scalable grid-interactive photovoltaic (PV) applications using GaN device. In Proceedings of the 2011 IEEE Energy Conversion Congress and Exposition, Phoenix, AZ, USA, 17–22 September 2011; pp. 2738–2745. [Google Scholar]
- Jabr, R.A. ‘Linear decision rules for control of reactive power by distributed photovoltaic generators. IEEE Trans. Power Syst. 2017, 33, 2165–2174. [Google Scholar] [CrossRef]
- Jafarian, H.; Enslin, J.; Parkhideh, B. On Reactive Power Injection Control of Distributed Grid-tied AC-stacked PV Inverter Architecture. In Proceedings of the 2016 IEEE Energy Conversion Congress and Exposition (ECCE), Milwaukee, WI, USA, 18–22 September 2016. [Google Scholar]
- Yang, Y.; Wang, H.; Blaabjerg, F. Reactive power injection strategies for single-phase photovoltaic systems considering grid requirements. IEEE Trans. Ind. Appl. 2014, 50, 4065–4076. [Google Scholar] [CrossRef]
- Ouldamrouche, S.; Bouchakour, S.; Arab, H.; Abdeladim, K.; Cherfa, F.; Kerkouche, K. Reactive Power issues in Grid Connected Photovoltaic Systems. In Proceedings of the International Conference on Nuclear and Renewable Energy Resources, Antalya, Turkey, 26–29 October 2014. [Google Scholar]
- Gandhi, O.; Rodríguez-Gallegos, C.D.; Brahmendra, N.; Bieri, M.; Reindl, T.; Srinivasan, D. Reactive Power Cost from PV Inverters Considering Inverter Lifetime Assessment. IEEE Trans. Sustain. Energy 2018, 10, 738–747. [Google Scholar] [CrossRef]
- Solanki, N.; Patel, J. Photovoltaic Solar Farms Operating in VAR Mode: A Review. J. Power Electron. Power Syst. 2016, 6, 73–85. [Google Scholar]
- Pvps, I. Task 14: Transition from Uni-Directional to Bi-Directional Distribution Grids; International Energy Agency: Paris, France, 2014. [Google Scholar]
- Gupta, A.K.; Samuel, P.; Kumar, D. A state of art review and challenges with impedance networks topologies. In Proceedings of the 2016 IEEE 7th Power India International Conference (PIICON), Bikaner, India, 25–27 November 2016; pp. 1–6. [Google Scholar] [CrossRef]
- Kavya Santhoshi, B.; Kuppusamy, M.; Sivasubramanian, M.; Akila, S. A Novel Multiport Bidirectional Dual Active Bridge Dc-dc Converter for Renewable Power Generation Systems. Indian J. Sci. Technol. 2016, 9. [Google Scholar] [CrossRef]
- Santhoshi, B.K.; Divya, S.; Kumar, M.S. Selective harmonic elimination for a PV based Quasi—Z Source Inverter for drive systems. In Proceedings of the 2014 IEEE National Conference on Emerging Trends in New & Renewable Energy Sources and Energy Management (NCET NRES EM), Chennai, India, 16–17 December 2014; pp. 143–147. [Google Scholar]
- Siwakoti, Y.P.; Blaabjerg, F.; Loh, P.C. Quasi-Y-source inverter. In Proceedings of the 2015 Australasian Universities Power Engineering Conference (AUPEC), Wollongong, Australia, 27–30 September 2015; pp. 1–5. [Google Scholar] [CrossRef]
- Siwakoti, Y.P.; Loh, P.C.; Blaabjerg, F.; Town, G. Y-source impedance network. IEEE Trans. Power Electron. 2014, 29, 3250–3254. [Google Scholar] [CrossRef]
- Abdelhakim, A.; Davari, P.; Blaabjerg, F.; Mattavelli, P. Analysis and Design of the Quasi-Z-Source Inverter for Wide Range of Operation. In Proceedings of the 2018 IEEE 19th Workshop on Control and Modeling for Power Electronics (COMPEL), Padova, Italy, 25–28 June 2018. [Google Scholar]
- Li, Y.; Anderson, J.; Peng, F.Z.; Liu, D. Quasi Z-source inverter for photovoltaic power generation systems. In Proceedings of the 2009 Twenty-Fourth Annual IEEE Applied Power Electronics Conference and Exposition, Washington, DC, USA, 15–19 February 2009; pp. 918–924. [Google Scholar]
- Ge, B.; Abu-Rub, H.; Peng, F.Z.; Lei, Q.; de Almeida, A.T.; Ferreira, F.J.T.E.; Sun, D.; Liu, Y. An energy stored quasi-Z-source inverter for application to photovoltaic power system. IEEE Trans. Ind. Electron. 2013, 60, 4468–4481. [Google Scholar] [CrossRef]
- Tang, Y.; Xie, S.; Zhang, C. An improved Z-source inverter. IEEE Trans. Power Electron. 2011, 26, 3865–3868. [Google Scholar] [CrossRef]
- Tang, Y.; Xie, S.; Zhang, C.; Xu, Z. Improved Z-source inverter with reduced Z-source capacitor voltage stress and soft-start capability. IEEE Trans. Power Electron. 2009, 24, 409–415. [Google Scholar] [CrossRef]
- Cao, D.; Jiang, S.; Yu, X.; Peng, F.Z. Low cost single-phase semi-Z source inverter. In Proceedings of the 2011 Twenty-Sixth Annual IEEE Applied Power Electronics Conference and Exposition (APEC), Fort Worth, TX, USA, 6–11 March 2011; pp. 429–436. [Google Scholar]
- Cao, D.; Jiang, S.; Yu, X.; Peng, F.Z. Low-cost semi-Z-source inverter for single-phase photovoltaic systems. IEEE Trans. Power Electron. 2011, 26, 3514–3523. [Google Scholar] [CrossRef]
- Haimovich, H.; Middleton, R.H.; de Nicolo, L. Large-signal stability conditions for semi-quasi-Z-source inverters: Switched and averaged models. In Proceedings of the 52nd IEEE Conference on Decision and Control, Florence, Italy, 10–13 December 2013. [Google Scholar]
- Loh, P.C.; Gao, F.; Blaabjerg, F. Embedded EZ-source inverter. IEEE Trans. Ind. Appl. 2010, 46, 256–267. [Google Scholar]
- Gao, F.; Loh, P.C.; Li, D.; Blaabjerg, F. Asymmetrical and symmetrical embedded Z-source inverters. IET Power Electron. 2011, 4, 181–193. [Google Scholar] [CrossRef]
- Gao, F.; Loh, P.C.; Blaabjerg, F.; Gajanayake, C.J. Operational analysis and comparative evaluation of embedded Z-source inverters. In Proceedings of the 2008 IEEE Power Electronics Specialists Conference, Rhodes, Greece, 15–19 June 2008; pp. 2757–2763. [Google Scholar]
- Zhang, F.; Peng, F.Z.; Qian, Z. Z-H converter. In Proceedings of the 2008 IEEE Power Electronics Specialists Conference, Rhodes, Greece, 15–19 June 2008; pp. 1004–1007. [Google Scholar]
- Nguyen, M.K.; Lim, Y.C.; Cho, G.B. Switched-inductor quasi-Zsource inverter. IEEE Trans. Power Electron. 2011, 26, 3183–3191. [Google Scholar] [CrossRef]
- Gajanayake, C.J.; Luo, F.L.; Gooi, H.B.; So, P.L.; Siow, L.K. Extended-boost Z-source inverters. IEEE Trans. Power Electron. 2010, 25, 2642–2652. [Google Scholar] [CrossRef]
- Loh, P.C.; Blaabjerg, F. Magnetically coupled impedance-source inverters. IEEE Trans. Power Electron. 2013, 49, 2177–2187. [Google Scholar] [CrossRef]
- Loh, P.C.; Duan, N.; Liang, C.; Gao, F.; Blaabjerg, F. Z-source B4 inverter. In Proceedings of the 2007 IEEE Power Electronics Specialists Conference, Orlando, FL, USA, 17–21 June 2007; pp. 1363–1369. [Google Scholar]
- Nguyen, M.K.; Lim, Y.C.; Choi, J.H. Two switched-inductor quasi- Z-source inverters. IET Power Electron. 2012, 5, 1017–1025. [Google Scholar] [CrossRef]
- Loh, P.C.; Li, D.; Blaabjerg, F. Current-type flipped-Γ-source inverters. In Proceedings of the 7th International in Power Electronics and Motion Control Conference, Harbin, China, 2–5 June 2012; pp. 594–598. [Google Scholar]
- Li, D.; Loh, P.C.; Zhu, M.; Gao, F.; Blaabjerg, F. Cascaded multicell trans-Z-source inverters. IEEE Trans. Power Electron. 2013, 28, 826–836. [Google Scholar]
- Zhu, M.; Yu, K.; Luo, F.L. Switched inductor Z-source inverter. IEEE Trans. Power Electron. 2010, 25, 2150–2158. [Google Scholar]
- Itozakura, H.; Koizumi, H. Embedded Z-source inverter with switched inductor. In Proceedings of the IECON 2011—37th Annual Conference of the IEEE Industrial Electronics Society, Melbourne, Australia, 7–10 November 2011; pp. 1342–1347. [Google Scholar]
- Qian, W.; Peng, F.Z.; Cha, H. Trans-Z-source inverters. IEEE Trans. Power Electron. 2011, 26, 3453–3463. [Google Scholar] [CrossRef]
- Li, D.; Loh, P.C.; Zhu, M.; Gao, F.; Blaabjerg, F. Generalized multicell switched-inductor and switched-capacitor Z-source inverters. IEEE Trans. Power Electron. 2013, 28, 837–848. [Google Scholar] [CrossRef]
- Gajanayake, C.J.; Gooi, H.B.; Luo, F.L.; So, P.L.; Siow, L.K.; Vo, Q.N. Simple modulation and control method for new extended boost quasi Z-source. In Proceedings of the TENCON 2009—2009 IEEE Region 10 Conference, Singapore, 23–26 January 2009; pp. 1–6. [Google Scholar]
- Shin, D.; Cha, H.; Lee, J.P.; Yoo, D.W.; Peng, F.Z.; Kim, H.G. Parallel operation of trans-Z-source inverter. In Proceedings of the 8th International Conference on Power Electronics—ECCE Asia, Jeju, Korea, 30 May–3 June 2011; pp. 744–748. [Google Scholar]
- Loh, P.C.; Li, D.; Blaabjerg, F. Γ-Z-source inverters. IEEE Trans. Power Electron. 2013, 28, 4880–4884. [Google Scholar] [CrossRef]
- Adamowicz, M.; Strzelecki, R.; Peng, F.Z.; Guzinski, J.; Rub, H.A. New type LCCT-Z-source inverters. In Proceedings of the 2011 14th European Conference on Power Electronics and Applications, Birmingham, UK, 30 August–1 September 2011; pp. 1–10. [Google Scholar]
- Huang, L.; Zhang, M.; Hang, L.; Yao, W.; Lu, Z. A family of three switch three-state single-phase Z-source inverters. IEEE Trans. Power Electron. 2013, 28, 2317–2329. [Google Scholar] [CrossRef]
- Nguyen, M.K.; Lim, Y.C.; Park, S.J. Improved trans-Z-source inverter with continuous input current and boost inversion capability. IEEE Trans. Power Electron. 2013, 28, 4500–4510. [Google Scholar] [CrossRef]
- Jiang, S.; Cao, D.; Peng, F.Z. High frequency transformer isolated Z-source inverters. In Proceedings of the 2011 Twenty-Sixth Annual IEEE Applied Power Electronics Conference and Exposition (APEC), Fort Worth, TX, USA, 6–11 March 2011; pp. 442–449. [Google Scholar]
- Jiang, S.; Peng, F.Z. Modular single-phase trans-Z-source inverter for multi-input renewable energy system. In Proceedings of the 2012 Twenty-Seventh Annual IEEE Applied Power Electronics Conference and Exposition (APEC), Orlando, FL, USA, 5–9 February 2012; pp. 2107–2114. [Google Scholar]
- Kumar, S.P.; Shailaja, P. T-shaped Z-source inverter. Int. J. Eng. Res. Technol. 2012, 1, 1–6. [Google Scholar]
- Peng, F.Z. Z-source network for power conversion. In Proceedings of the 2008 Twenty-Third Annual IEEE Applied Power Electronics Conference and Exposition, Austin, TX, USA, 24–28 February 2008; pp. 1258–1265. [Google Scholar]
- Strzelecki, R.; Adamowicz, M.; Strzelecka, N.; Bury, W. New type T-source inverter. In Proceedings of the 2009 Compatibility and Power Electronics, Badajoz, Spain, 20–22 May 2009; pp. 191–195. [Google Scholar]
- Nguyen, M.K.; Lim, Y.C.; Kim, Y.G. TZ-source inverters. IEEE Trans. Ind. Electron. 2013, 60, 5686–5695. [Google Scholar] [CrossRef]
- Bhattacharya, K.; Zhong, J. Reactive power as an ancillary service. IEEE Trans. Power Syst. 2001, 16, 294–300. [Google Scholar] [CrossRef]
- Adamowicz, M.; Strzelecki, R.; Peng, F.Z.; Guzinski, J.; Rub, H.A. High step-up continuous input current LCCT-Z-source inverters for fuel cells. In Proceedings of the 2011 IEEE Energy Conversion Congress and Exposition, Phoenix, AZ, USA, 17–22 September 2011; pp. 2276–2282. [Google Scholar]
- Mo, W.; Loh, P.C.; Blaabjerg, F. Asymmetrical Γ-source inverters. IEEE Trans. Ind. Electron. 2014, 61, 637–647. [Google Scholar] [CrossRef]
- Kavya Santhoshi, B.; Mohana Sundaram, K. Hybrid Converter with Simultaneous AC and DC Output for Nano-Grid Applications with Residential System. J. Eng. Appl. Sci. 2018, 13, 3289–3293. [Google Scholar]
- Peng, F.Z. Z-source inverter. IEEE Trans. Ind. Appl. 2003, 39, 504–510. [Google Scholar] [CrossRef]
- Anderson, J.; Peng, F.Z. Four quasi-Z-source inverters. In Proceedings of the 2008 IEEE Power Electronics Specialists Conference, Rhodes, Greece, 15–19 June 2008; pp. 2743–2749. [Google Scholar]
- First Solar Sarnia PV Power Plant, Ontario, Canada. Available online: http://www.firstsolar.com/en/Projects/Sarnia-Solar-Project (accessed on 19 December 2013).
- Boyra, M.; Thomas, J.-L. A review on synchronization methods for grid-connected three phase VSC under unbalanced and distorted conditions. In Proceedings of the 2011-14th European Conference on Power Electronics and Applications (EPE), Birmingham, UK, 30 August–1 September 2011; pp. 1–10. [Google Scholar]
- Mohana Sundaram, K.; Anandhraj, P.; Vimalraj Ambeth, V. PV-Fed Eleven-Level Capacitor Switching Multi-Level Inverter for Grid Integration. In Advances in Smart Grid and Renewable Energy; Sen Gupta, S., Zobaa, A., Sherpa, K., Bhoi, A., Eds.; Lecture Notes in Electrical Engineering; Springer: Singapore, 2018; Volume 435. [Google Scholar]
- IEEE 929-2000. IEEE Recommended Practice for Utility Interface of Photovoltaic (PV) Systems; IEEE: Piscataway, NJ, USA, 2000. [Google Scholar]
- Committee EL-042. AS 4777.2—2005. Grid Connection of Energy Systems via Inverters. Part 2: Inverter Requirements; Australian Standard: Sydney, Australia, 2005. [Google Scholar]
- Oliva, A.; Chiacchiarini, H.; Aymonino, A.; Mandolesi, P. Reduction of Total Harmonic Distortion in Power Inverters. Lat. Am. Appl. Res. 2005, 35, 89–93. [Google Scholar]
- Çelebi, A.; Çolak, M. The effects of harmonics produced by Grid connected photovoltaic systems on electrical networks. Available online: http:// www.emo.org.tr/ekler/0172ea66506f59c_ek.pdf (accessed on 25 November 2018).
- Watson, N.R.; Miller, A. Power Quality Indices: A Review. In Proceedings of the EEA Conference & Exhibition, Wellington, Newzealand, 24–26 June 2015. [Google Scholar]
- IEEE Standard 519-2014. IEEE Recommended Practices and Requirements for Harmonic Control in Electric Power Systems; IEEE Power and Energy Society: Piscataway, NJ, USA, 2014. [Google Scholar]
- Dartawan, K.; Austria, R.; Le, H.; Suehiro, M. Harmonic issues that limit solar photovoltaic generation on distribution circuits. In Proceedings of the World Renewable Energy Forum, Denver, CO, USA, 13–17 May 2012. [Google Scholar]
- Abdurrahman, A.; Zakary, A.; A shazly, A. Simulation and Implementation of Grid-connected Inverters. Int. J. Comput. Appl. 2012, 60, 41–49. [Google Scholar]
- Romero-Caravel, E.; Spagnuolo, G.; Tranquillo, L.G.; Ramos-Puja, C.A.; Santino, T.; Xiao, W.M. Grid-Connected Photovoltaic Generation Plants: Components and Operation. IEEE Ind. Electron. Mag. 2013, 7, 6–20. [Google Scholar] [CrossRef]
- Koura, S.; Leon, J.I.; Vinnikov, D.; Tranquillo, L.G. Grid-Connected Photovoltaic Systems: An Overview of Recent Research and Emerging PV Converter Technology. IEEE Ind. Electron. Mag. 2015, 9, 47–61. [Google Scholar] [CrossRef]
- Cagnano, A.; Torelli, F.; Alfonzetti, F.; de Tuglie, E. Can PV plants provide a reactive power ancillary service? A treat offered by an on-line controller. Renew. Energy 2011, 36, 1047–1052. [Google Scholar] [CrossRef]
- Sousa, J.L.; Brito, C.J.; Fernao Pires, V. Impact of Photovoltaic Systems with ancillary services in low voltage grids. In Proceedings of the 15th Biennial Baltic Electronics Conference (BEC2016) Tallinn, Estonia, 3–5 October 2016. [Google Scholar]
- Zhong, J.; Bhattacharya, K. Toward a Competitive Market for Reactive Power. IEEE Trans. Power Syst. 2002, 17, 1206–1215. [Google Scholar] [CrossRef]
- Rosenblatt, F. The perceptron: A probabilistic model for information storage and organization in the brain. Psychol. Rev. 1958, 65, 386–408. [Google Scholar] [CrossRef]
- Yuce, B.; Li, H.; Rezgui, Y.; Petri, I.; Jayan, B.; Yang, C. Utilizing artificial neural network to predict energy consumption and thermal comfort level: An indoor swimming pool case study. Energy Build. 2014, 80, 45–56. [Google Scholar] [CrossRef]
- Kovacic, Z.; Bogdan, S. Fuzzy Controller Design: Theory and Applications, Volume 19 of Automation and Control Engineering; CRC Press: Boca Raton, FL, USA, 2006. [Google Scholar]
- Radhakrishnan, B.M.; Srinivasan, D. A multi-agent based distributed energy management scheme for smart grid applications. Energy 2016, 103, 192–204. [Google Scholar] [CrossRef]
- Khare, A.R.; Kumar, B.Y. Multiagent structures in hybrid renewable power system: A review. J. Renew. Sustain. Energy 2015, 7, 063101. [Google Scholar] [CrossRef]
- Kekatos, V.; Wang, G.; Conejo, A.J.; Giannakis, G.B. Stochastic Reactive Power Management in Microgrids With Renewables. IEEE Trans. Power Syst. 2014, 30, 3386–3395. [Google Scholar] [CrossRef]
- Gandhi, O.; Zhang, W.; Rodríguez-Gallegos, C.D.; Srinivasan, D.; Reindl, T. Continuous optimization of reactive power from PV and EV in distribution system. In Proceedings of the 2016 IEEE Innovative Smart Grid Technologies—Asia (ISGT-Asia), Melbourne, Australia, 28 November–1 December 2016; pp. 281–287. [Google Scholar] [CrossRef]
- Kumar, D.S.; Srinivasan, D.; Reindl, T. Optimal power scheduling of distributed resources in Smart Grid. In Proceedings of the 2013 IEEE Innovative Smart Grid Technologies-Asia (ISGT Asia), Bangalore, India, 10–13 November 2013; Volume 9, pp. 1–6. [Google Scholar]
- Abbasy, A.; Hosseini, S. Ant Colony Optimization-Based Approach to Optimal Reactive Power Dispatch: A Comparison of Various Ant Systems. In Proceedings of the 2007 IEEE Power Engineering Society Conference and Exposition in Africa—Power Africa, Johannesburg, South Africa, 16–20 July 2007; pp. 16–20. [Google Scholar]
- Ziadi, Z.; Taira, S.; Oshiro, M.; Funabashi, T. Optimal power scheduling for smart grids considering controllable loads and high penetration of photovoltaic generation. IEEE Trans. Smart Grid 2014, 5, 2350–2359. [Google Scholar] [CrossRef]
- Demirok, E.; Gonzalez, P.C.; Frederiksen, K.H.B.; Sera, D.; Rodriguez, P.; Teodorescu, R. Local Reactive Power Control Methods for Overvoltage Prevention of Distributed Solar Inverters in Low-Voltage Grids. IEEE J. Photovolt. 2011, 1, 174–182. [Google Scholar] [CrossRef]
- Alkaabi, S.; Zeineldin, H.; Khadkikar, V. Short-Term Reactive Power Planning to Minimize Cost of Energy Losses Considering PV Systems. IEEE Trans. Smart Grid 2018, 10, 2923–2935. [Google Scholar]
- Rahman, S.; Meraj, M.; Iqbal, A.; Ben-Brahim, L.; Alammari, R. Thyristor based SVC and multilevel qZSI for Active and Reactive power management in solar PV system. In Proceedings of the 2017 11th IEEE International Conference on Compatibility, Power Electronics and Power Engineering (CPE-POWERENG), Cadiz, Spain, 4–6 April 2017; pp. 528–533. [Google Scholar] [CrossRef]
- Wang, T.; O’Neill, D.; Kamath, H. Dynamic Control and Optimization of Distributed Energy Resources in a Microgrid. IEEE Trans. Smart Grid 2015, 6, 2884–2894. [Google Scholar] [CrossRef]



















| Factor under Consideration | Two Level Inverter | Multilevel Inverter |
|---|---|---|
| Switching loss | High | Low |
| dv/dt | High | Low |
| Voltage stress on switches | More | Less |
| Switching frequency | High | Low |
| Levels of voltage in output | Two | more than two |
| Harmonics | More | Less |
| Network Structure | Advantages | Disadvantages |
|---|---|---|
| Diode-Clamped |
|
|
| Flying Capacitors |
|
|
| Cascade Multilevel Inverter With Separate DC Sources |
|
|
| Network Structure | NOS | NOC | NOL | Features |
|---|---|---|---|---|
| Z-Source [67] | 1 Diode | 2 | 2 |
|
| Quasi Z-Source [68] | 1 Diode | 2 | 2 |
|
| Improved Z-Source [31,32] | 1 Diode | 2 | 2 |
|
| Semi Z-Source, Semi Quasi Z-source [33,34,35] | 2Switches | 2 | 2 |
|
| Embedded Z-Source [36,37,38,48] | 1 Diode | 2 | 2 |
|
| Z-H Converter [39] | 4 Switches | 2 | 2 |
|
| Z-Source B4 [43] | 1 Diode | 2 | 2 |
|
| Diode/Capacitor assisted [41,51] | 3 diodes 2 diodes | 3 4 | 3 3 |
|
| Switched capacitor/inductor [17,50] | 7 diodes | 2 | 4 |
|
| TSTS Z source [45,55] | 3 switches | 2 | 3 |
|
| Distributed Z source [60] | Distributed Z |
| ||
| Network Structure | NOS | NOC | NOL | Features |
|---|---|---|---|---|
| Y SOURCE [27] | 1 diode | 1 | Integrated three windings |
|
| Γ SOURCE [45,53,65] | 1 diode | 2 | One inductor and one two-winding coupled inductor |
|
| T SOURCE [59,61] | 1 diode | 1 | Integrated two windings |
|
| TZ SOURCE [62] | 1 diode | 2 | Two integrated two windings |
|
| LCCT Z SOURCE [54,64] | 1 diode | 2 | One inductor and one two-winding coupled inductor |
|
| TRANS Z SOURCE [46,49,52,58] | 1 diode | 1 | Integrated two windings |
|
| IMPROVED TRANS Z SOURCE [56] | 1 diode | 2 | 1 inductor and 1 transformer |
|
| HF TRANSFORMER ISOLATED Z SOURCE [57] | 1 diode 1 switch | 4 | Two integrated two windings |
|
| Comparative index | Small Scale | Medium Scale | Large Scale |
|---|---|---|---|
| Power range | <350 W | <10 kW | <850 kW |
| Configuration | AC module | String | Central |
| Power semiconductor device(PSD) | MOSFET | MOSFET, IGBT | IGBT |
| Inverter efficiency | Lowest | High | Highest |
| Pros |
|
|
|
| Cons |
|
|
|
| Category | Codes | Area of Implication |
|---|---|---|
| Grid connected | IEC 61727, IEC 60364-7-712 | Installations of buildings. |
| IEC 61683, IEC 62093, IEC 62116 | Utility interface Measuring efficiency. | |
| UL 1741, IEC 62446 | Interconnected PV inverters, system documentation & commissioning tests Useful in independent power systems | |
| EMI | EN61000 | European Union EMC directive for residential, private sectors, light industrial and commercial facilities. |
| FCC Part 15 | U.S. EMC directive for residential, commercial, light industrial, and industrial facilities | |
| Low voltage ride through (LVRT) | IEC 61727 | V< 50% at 0.1s 50% ≤ V < 85% at 2.0 s |
| Anti-islanding | IEEE 1547/UL 1741IEC 62116 | Island detection |
| VDE 0126-1-1 | Impedance measurement | |
| Monitoring | IEC 61850-7, IEC 60870, IEC 61724, | Transmission grids and systems for power service automation Distributed energy resources and logical nodes Measurement, data exchange, and analysis |
| Off grid | IEC 62509, IEC 61194, IEC 61702 | Battery charge controllers |
| IEEE Standard 1526, IEC/PAS 62111 | Stand-alone systems | |
| IEC 62124 | Rating of direct-coupled pumping systems Specifications for rural decentralized electrification. | |
| Rural systems | IEC/TS 62257 | Medium-scale renewable energy and hybrid systems. Safeguard from electrical hazards. Choice to select generator sets and batteries. Micro power systems and microgrids. |
| Objective Function | Optimization Tool | Control Variables | System Type |
|---|---|---|---|
| Minimize P loss [90] | SO (SOCP) | Q of PV, subject to stochastic P of PV | Distribution |
| Minimize total cost of a distribution system [91] | PSO | Q of PV, Q of EV | Distribution |
| Minimize P loss [92] | ES | Generator bus voltages, tap positions of transformer, Q of capacitor banks | Transmission |
| Minimize P loss [93] | Ant colony optimization (ACO) | Generator bus voltages, tap positions of transformer, Q of capacitor banks | Transmission |
| Minimize P loss [94] | PSO | Q of PV, P and Q of Battery Energy storage system (BESS), CL, tap positions of transformer | Distribution |
| Configuration | Features/Control Scheme Employed |
|---|---|
| AC stacked PV inverter architecture [87] |
|
| 8 bus radial test feeder used for sensitivity analysis [95] |
|
| Distributed PV Generators [86] |
|
| 16 bus and 81 bus distribution systems [96] |
|
| 1 main feeder and 6 laterals. 4 loads connected to main feeder at different points. 10 loads are derived from 6 laterals [76]. |
|
| Cigré 32 bus system [78,63] |
|
| 7 level QZSI with TSC and TSR [97,98] |
|
© 2019 by the authors. Licensee MDPI, Basel, Switzerland. This article is an open access article distributed under the terms and conditions of the Creative Commons Attribution (CC BY) license (http://creativecommons.org/licenses/by/4.0/).
Share and Cite
Kavya Santhoshi, B.; Mohana Sundaram, K.; Padmanaban, S.; Holm-Nielsen, J.B.; K. K., P. Critical Review of PV Grid-Tied Inverters. Energies 2019, 12, 1921. https://doi.org/10.3390/en12101921
Kavya Santhoshi B, Mohana Sundaram K, Padmanaban S, Holm-Nielsen JB, K. K. P. Critical Review of PV Grid-Tied Inverters. Energies. 2019; 12(10):1921. https://doi.org/10.3390/en12101921
Chicago/Turabian StyleKavya Santhoshi, B., K. Mohana Sundaram, Sanjeevikumar Padmanaban, Jens Bo Holm-Nielsen, and Prabhakaran K. K. 2019. "Critical Review of PV Grid-Tied Inverters" Energies 12, no. 10: 1921. https://doi.org/10.3390/en12101921
APA StyleKavya Santhoshi, B., Mohana Sundaram, K., Padmanaban, S., Holm-Nielsen, J. B., & K. K., P. (2019). Critical Review of PV Grid-Tied Inverters. Energies, 12(10), 1921. https://doi.org/10.3390/en12101921

