Modified State-of-Charge Balancing Control of Modular Multilevel Converter with Integrated Battery Energy Storage System
Abstract
1. Introduction
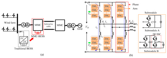
2. Fundamental Principles of MMC-BESS
2.1. Power Flow of MMC-BESS
2.2. SOC Balancing Control of MMC-BESS
3. Investigation of Submodule Voltage Regulation Method
3.1. Constraints of Submodule Voltage Regulation Method
3.2. Tolearance for Battery Power Unbalance
- (1)
- When 0 < ηkj ≤ 1, E and F locate at S1 and S2 as shown in Figure 4a. The coordinates of E and F are calculated as
- (2)
- When ηkj > 1, E and F locate at S2 and S3 as shown in Figure 4b. The coordinates of E and F are calculated as
- (3)
- When −1 < ηkj ≤ 0, point E and F still locate at S1 and S2 as shown in Figure 4c, and the coordinates of E and F are the same as Equation (25).
- (4)
- 1.
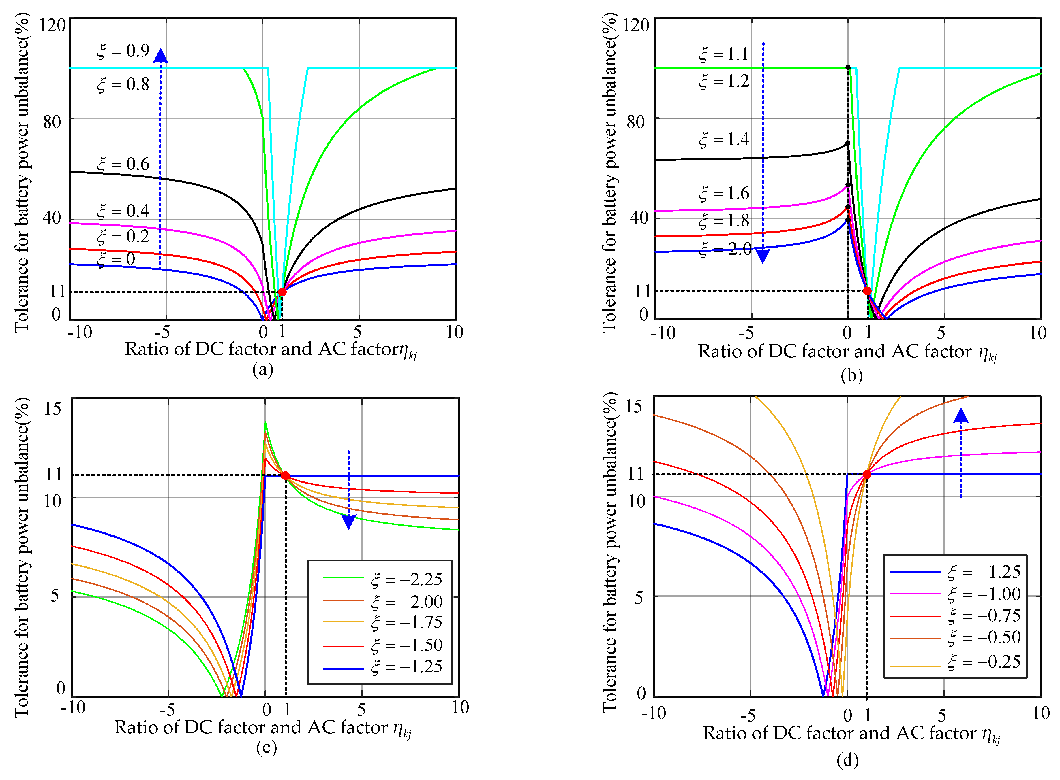
- In Figure 5a, the power ratio 0 < ξkj ≤ 1. The power regulation capability increases when the absolute value of weighting ratio ηkj increases. Apparently as weighting ratio approaches infinity, the tolerance reaches the maximum value.
- 2.
- In Figure 5b, the power ratio ξkj > 1. The tolerance for battery power unbalance reaches the maximum value when ηkj is equal to zero.
- 3.
4. Modified SOC Balancing Control
- 1.
- When −1/m < ξkj ≤ 1, only ac component needs to be regulated, so that the DC factor and AC factor are
- 2.
- When ξkj > 1 or ξkj ≤ −1/m, only DC component needs to be regulated, so that the DC factor and AC factor are
5. Simulation and Experiment Results
5.1. Simulation Results
5.2. Experiment Results
6. Conclusions
Author Contributions
Funding
Conflicts of Interest
References
- Qian, H.; Zhang, J.; Lai, J.S.; Yu, W. A high-efficiency grid-tie battery energy storage system. IEEE Trans. Power Electron. 2011, 26, 886–896. [Google Scholar] [CrossRef]
- Alipoor, Y.; Miura, Y.; Ise, T. Power System Stabilization Using Virtual Synchronous Generator with Alternating Moment of Inertia. IEEE J. Emerg. Sel. Top. Power Electron. 2015, 3, 451–458. [Google Scholar] [CrossRef]
- Jiang, Q.Y.; Gong, Y.Z.; Wang, H.J. A battery energy storage system dual-layer control strategy for mitigating wind farm fluctuations. IEEE Trans. Power Syst. 2013, 28, 3263–3273. [Google Scholar] [CrossRef]
- Baruschka, L.; Mertens, A. Comparison of cascaded H-bridge and modular multilevel converters for BESS application. In Proceedings of the Energy Conversion Congress and Exposition, Phoenix, AZ, USA, 17–22 September 2011; pp. 909–916. [Google Scholar] [CrossRef]
- Soong, T.; Lehn, P.W. Evaluation of emerging modular multilevel converters for BESS applications. IEEE Trans. Power Deliv. 2014, 29, 2086–2094. [Google Scholar] [CrossRef]
- Trintis, I.; Munk-Nielsen, S.; Teodorescu, R. A new modular multilevel converter with integrated energy storage. In Proceedings of the IECON 2011-37th Annual Conference on IEEE Industrial Electronics Society, Melbourne, Australia, 7–10 November 2011; pp. 1075–1080. [Google Scholar] [CrossRef]
- Coppola, M.; Del Pizzo, A.; Iannuzzi, D. A power traction converter based on modular multilevel architecture integrated with energy storage devices. In Proceedings of the Electrical Systems for Aircraft, Railway and Ship Propulsion (ESARS), Pittsburgh, PA, USA, 14–18 September 2014; pp. 1–7. [Google Scholar] [CrossRef]
- Hillers, A.; Stojadinovic, M.; Biela, J. Systematic comparison of modular multilevel converter topologies for battery energy storage systems based on split batteries. In Proceedings of the 17th Europe Conference Power Electronics, Geneva, Switzerland, 8–10 September 2015; pp. 1–9. [Google Scholar] [CrossRef]
- Soong, T.; Lehn, P.W. Internal Power Flow of a Modular Multilevel Converter with Distributed Energy Resources. IEEE J. Emerg. Sel. Top. Power Electron. 2014, 2, 1127–1138. [Google Scholar] [CrossRef]
- Gao, F.; Zhang, L.; Zhou, Q. State-of-charge balancing control strategy of battery energy storage system based on modular multilevel converter. In Proceedings of the IEEE Energy Conversion Congress and Exposition, Pittsburgh, PA, USA, 14–18 September 2014; pp. 2567–2574. [Google Scholar] [CrossRef]
- Zhang, L.; Gao, F.; Li, N. Interlinking modular multilevel converter of hybrid AC-DC distribution system with integrated battery energy storage. In Proceedings of the IEEE Energy Conversion Congress and Exposition, Montreal, QC, Canada, 20–24 September 2015; pp. 70–77. [Google Scholar] [CrossRef]
- Bala, S. The effect of low frequency current ripple on the performance of a Lithium Iron Phosphate (LFP) battery energy storage system. In Proceedings of the IEEE Energy Conversion Congress and Exposition, Raleigh, NC, USA, 15–20 September 2012; pp. 3485–3492. [Google Scholar] [CrossRef]
- Puranik, I.; Zhang, L.; Qin, J. Impact of Low-Frequency Ripple on Lifetime of Battery in MMC-based Battery Storage Systems. In Proceedings of the IEEE Energy Conversion Congress and Exposition, Portland, OR, USA, 23–27 September 2018; pp. 2748–2752. [Google Scholar] [CrossRef]
- Novakovic, B.; Nasiri, A. Modular multilevel converter for wind energy storage applications. IEEE Trans. Ind. Electron. 2017, 64, 8867–8876. [Google Scholar] [CrossRef]
- Ma, Y.J.; Lin, H.; Wang, Z.; Wang, T. Capacitor voltage balancing control of modular multilevel converters with energy storage system by using carrier phase-shifted modulation. In Proceedings of the IEEE Applied Power Electronics Conference and Exposition, Tampa, FL, USA, 26–30 March 2017; pp. 1821–1828. [Google Scholar] [CrossRef]
- Soong, T.; Lehn, P.W. Assessment of Fault Tolerance in Modular Multilevel Converters with Integrated Energy Storage. IEEE Trans. Power Electron. 2016, 31, 4085–4095. [Google Scholar] [CrossRef]
- Hagiwara, M.; Akagi, H. Control and experiment of pulse width-modulated modular multilevel converters. IEEE Trans. Power Electron. 2009, 24, 1737–1746. [Google Scholar] [CrossRef]
- Adam, G.P.; Anaya-Lara, O.; Burt, G.M. Modular multilevel inverter: Pulse width modulation and capacitor balancing technique. IET Power Electron. 2010, 3, 702–715. [Google Scholar] [CrossRef]
- Han, W.; Zou, C.; Zhou, C. Estimation of cell SOC evolution and system performance in module-based battery charge equalization systems. IEEE Trans. Smart Grid 2018. [Google Scholar] [CrossRef]
- Vasiladiotis, M.; Rufer, A. Analysis and Control of Modular Multilevel Converters with Integrated Battery Energy Storage. IEEE Trans. Power Electron. 2015, 30, 163–175. [Google Scholar] [CrossRef]
- Quraan, M.; Tricoli, P.D.; Arco, S. Efficiency assessment of modular multilevel converters for battery electric vehicles. IEEE Trans. Power Electron. 2017, 32, 2041–2051. [Google Scholar] [CrossRef]
- Quraan, M.; Yeo, T.; Tricoli, P. Design and control of modular multilevel converters for battery electric vehicles. IEEE Trans. Power Electron. 2016, 31, 507–517. [Google Scholar] [CrossRef]
- Zhang, L.; Tang, Y.; Yang, S. Decoupled Power Control for A Modular Multilevel Converter-Based Hybrid AC-DC Grid Integrated with Hybrid Energy Storage. IEEE Trans. Ind. Electron. 2018. [Google Scholar] [CrossRef]
- Chen, Q.; Li, R. Analysis and Fault Control of Hybrid Modular Multilevel Converter with Integrated Battery Energy Storage System. IEEE J. Emerg. Sel. Top. Power Electron. 2017, 5, 64–79. [Google Scholar] [CrossRef]
- Liang, H.; Guo, L.; Song, J. State-of-Charge Balancing Control of a Modular Multilevel Converter with an Integrated Battery Energy Storage. Energies 2018, 11, 873. [Google Scholar] [CrossRef]
- Debnath, S.; Qin, J.; Saeedifard, M. Control and stability analysis of modular multilevel converter under low-frequency operation. IEEE Trans. Ind. Electron. 2015, 62, 5329–5339. [Google Scholar] [CrossRef]













| Quantity | Value | Comment |
|---|---|---|
| Vdc | 400 V | DC-Link voltage |
| m | 0.8 | Modulation ratio |
| Pac | 10 KW | Nominal AC-side power |
| Vsm | 100 V | Submodule capacitor voltage |
| N | 4 | Number of submodules per arm |
| C | 5 mF | Submodule capacitance |
| La | 5 mH | Arm inductor |
| Lbat | 10 mH | DC/DC side inductor |
| Vbat | 60 V | Nominal battery voltage |
| Cbat | 1 Ah | Nominal battery capacity |
| fM | 2 kHz | MMC side switching frequency |
| fB | 10 kHz | DC/DC converter frequency |
| Quantity | Value | Comment |
|---|---|---|
| Vdc | 120 V | DC-Link voltage |
| m | 0.8 | Modulation ratio |
| Pac | 2 KW | Nominal AC-side power |
| Vsm | 60 V | Submodule capacitor voltage |
| N | 2 | Number of submodules per arm |
| C | 3 mF | Submodule capacitance |
| La | 5 mH | Arm inductor |
| Lbat | 10 mH | DC/DC side inductor |
| Vbat | 36 V | Nominal battery voltage |
| Cbat | 12 Ah | Nominal battery capacity |
| fM | 5 kHz | MMC side switching frequency |
| fB | 10 kHz | DC/DC converter frequency |
© 2018 by the authors. Licensee MDPI, Basel, Switzerland. This article is an open access article distributed under the terms and conditions of the Creative Commons Attribution (CC BY) license (http://creativecommons.org/licenses/by/4.0/).
Share and Cite
Ma, Y.; Lin, H.; Wang, Z.; Ze, Z. Modified State-of-Charge Balancing Control of Modular Multilevel Converter with Integrated Battery Energy Storage System. Energies 2019, 12, 96. https://doi.org/10.3390/en12010096
Ma Y, Lin H, Wang Z, Ze Z. Modified State-of-Charge Balancing Control of Modular Multilevel Converter with Integrated Battery Energy Storage System. Energies. 2019; 12(1):96. https://doi.org/10.3390/en12010096
Chicago/Turabian StyleMa, Yajun, Hua Lin, Zhe Wang, and Zuyao Ze. 2019. "Modified State-of-Charge Balancing Control of Modular Multilevel Converter with Integrated Battery Energy Storage System" Energies 12, no. 1: 96. https://doi.org/10.3390/en12010096
APA StyleMa, Y., Lin, H., Wang, Z., & Ze, Z. (2019). Modified State-of-Charge Balancing Control of Modular Multilevel Converter with Integrated Battery Energy Storage System. Energies, 12(1), 96. https://doi.org/10.3390/en12010096

