A Novel Control Strategy for DC-Link Voltage Balance and Reactive Power Equilibrium of a Single-Phase Cascaded H-Bridge Rectifier
Abstract
:1. Introduction
1.1. Motivation and Incitement
1.2. Literature Review
1.3. Contribution and Paper Organization
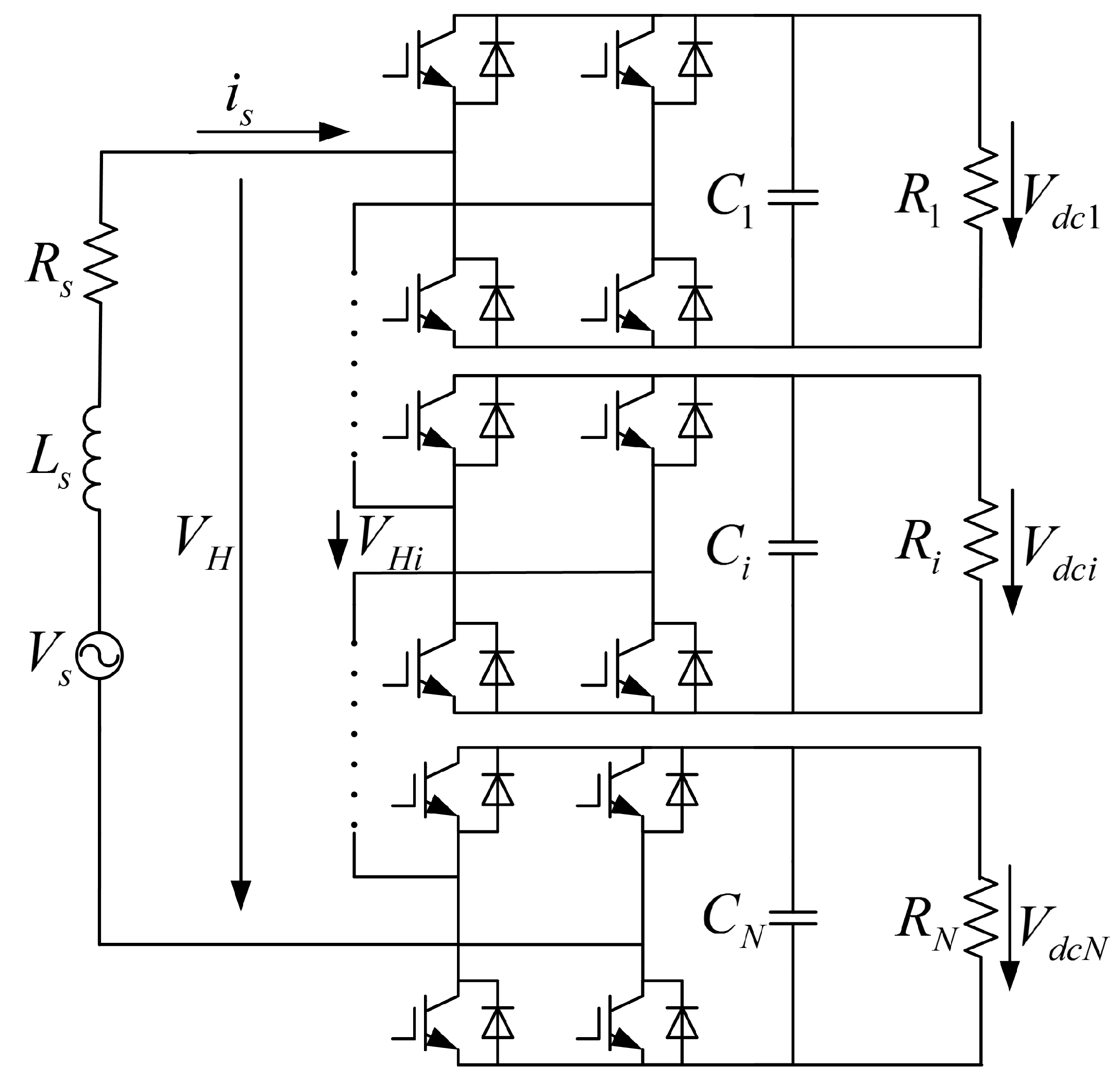
2. Analysis of CHBR
2.1. CHBR and OSC
2.2. Dc-Link Voltage Balance
2.3. Conventional PI VBC
3. Novel VBC
3.1. Reactive Power Equilibrium
3.2. Analysis of Coupling Effects
3.3. Novel VBC Design
3.4. Effective Range of Novel VBC
3.5. Stability Analysis of Novel VBC
4. Simulation and Experimental Research
4.1. Simulation Research
4.1.1. Control Performance Comparison of the Proposed and Conventional Control Strategy under Different Working Conditions
4.1.2. Control Performance Comparison of the Proposed and Conventional Control Strategy under Load Variation
4.2. Experimental Research
4.2.1. Control Performance Comparison of the Proposed and Conventional Control Strategy under Different Working Conditions.
4.2.2. Control Performance Comparison of the Proposed and Conventional Control Strategy under Load Variation
5. Conclusions
Author Contributions
Funding
Conflicts of Interest
Nomenclature
| Vs, is | Input ac voltage and current. |
| Ls, Rs | Input inductance and equivalent resistance of circuit loss. |
| Ri, Ci | Equivalent resistance and capacitance of the i-th H-bridge. |
| VHi, Vdci | ac and dc voltage of the i-th H-bridge. |
| dd, dq | Common active duty cycle and reactive duty cycle. |
| Vdca | Average voltage of all of the dc outputs. |
| Vsd, Vsq | Active and reactive component of the input ac voltage in the d-q coordinates. |
| isd, isq | Active and reactive component of the input ac current in the d-q coordinates. |
| ω | Angular frequency of the d-q rotational coordinates. |
| PHi, QHi | Active and reactive power of the i-th H-bridge. |
| VHdi, VHqi | Active and reactive component of VHi in the d-q coordinates. |
| ddi, dqi | Active and reactive duty cycle of the i-th H-bridge. |
| Δddi, Δdqi | Modifiable amount of the active and reactive duty cycle. |
| PHa, QHa | Average instantaneous active and reactive power of the CHBR module. |
| J1, J2 | Coupling coefficients. |
| H1, H2 | Sampling coefficients. |
| Gpi1, Gpi2, F | Transfer function of voltage, current, and VBC PI controller. |
| Gid | Transfer function that relates the active duty cycle and active current of the CHBR. |
| Gvi | Transfer function that relates the i-th H-bridge dc-link voltage and CHBR active current. |
| ZN, Zi | Impedance of the N-th and i-th H-bridge. |
| Z0 | Impedance of the line that connects the output of the CHBR to the load. |
References
- Farivar, G.; Hredzak, B.; Agelidis, V.G. Decoupled Control System for Cascaded H-Bridge Multilevel Converter Based STATCOM. IEEE Trans. Ind. Electron. 2015, 63, 322–331. [Google Scholar] [CrossRef]
- Dujic, D.; Zhao, C.; Mester, A. Power electronic traction transformer-low voltage prototype. IEEE Trans. Power Electron. 2013, 28, 5522–5534. [Google Scholar] [CrossRef]
- Pavel, D.; Zdenek, P.; Martin, P.; Marek, C. New Configuration of Traction Converter with Medium-Frequency Transformer Using Matrix Converters. IEEE Trans. Ind. Electron. 2011, 58, 5041–5048. [Google Scholar]
- Yang, Z.; Sun, J.; Li, S.; Huang, M.; Zha, X. An Adaptive Carrier Frequency Optimization Method for Harmonic Energy Unbalance Minimization in a Cascaded H-Bridge-Based Active Power Filter. IEEE Trans. Power Electron. 2018, 33, 1024–1037. [Google Scholar] [CrossRef]
- Wu, L.; Wu, M. Single-phase cascaded H-bridge multi-level active power filter based on direct current control in AC electric railway application. IET Power Electron. 2017, 10, 637–645. [Google Scholar] [CrossRef]
- Zhang, Y.; Wu, X.; Yuan, X. A Simplified Branch and Bound Approach for Model Predictive Control of Multilevel Cascaded H-Bridge STATCOM. IEEE Trans. Ind. Electron. 2017, 64, 7634–7644. [Google Scholar] [CrossRef]
- Ghias, F.; Christopher, D.T.; Branislav, H. Low-Capacitance Cascaded H-Bridge Multilevel StatCom. IEEE Trans. Power Electron. 2017, 32, 1744–1754. [Google Scholar]
- Jung, J.-J.; Lee, J.-H.; Sul, S.-K.; Son, G.T.; Chung, Y.-H. DC Capacitor Voltage Balancing Control for Delta-Connected Cascaded H-Bridge STATCOM Considering Unbalanced Grid and Load Conditions. IEEE Trans. Power Electron. 2018, 33, 4726–4735. [Google Scholar] [CrossRef]
- Liu, J.; Zhao, N. Improved Fault-Tolerant Method and Control Strategy Based on Reverse Charging for the Power Electronic Traction Transformer. IEEE Trans. Ind. Electron. 2018, 65, 2672–2682. [Google Scholar] [CrossRef]
- Ma, F.; He, Z.; Xu, Q. Multilevel Power Conditioner and its Model Predictive Control for Railway Traction System. IEEE Trans. Ind. Electron. 2016, 63, 7275–7285. [Google Scholar] [CrossRef]
- Mariam, S.; Jose, M.C.; Alberto, R.; Manuel, A. Energization and Start-Up of CHB-Based Modular Three-Stage Solid-State Transformers. IEEE Trans. Ind. Electron. 2018, 54, 5483–5492. [Google Scholar]
- Lin, H.; Shu, Z.; He, X.; Liu, M. N-D SVPWM with DC Voltage Balancing and Vector Smooth Transition Algorithm for a Cascaded Multilevel Converter. IEEE Trans. Ind. Electron. 2018, 65, 3837–3847. [Google Scholar] [CrossRef]
- Hamid, R.B.; Mojtaba, M.; Gevork, B.G.; Heidar, A.T. A generalized descriptor-system robust H∞ control of autonomous microgrids to improve small and large signal stability considering communication delays and load nonlinearities. Int. J. Electric. Power Energy Syst. 2017, 92, 63–82. [Google Scholar]
- She, X.; Yu, X.; Wang, F. Design and Demonstration of a 3.6-kV–120-V/10-kVA Solid-State Transformer for Smart Grid Application. IEEE Trans. Power Electron. 2014, 29, 3982–3996. [Google Scholar]
- Wang, L.; Zhang, D.; Wang, Y.; Wu, B.; Athab, H.S. Power and Voltage Balance Control of a Novel Three-Phase Solid-State Transformer Using Multilevel Cascaded H-Bridge Inverters for Microgrid Applications. IEEE Trans. Power Electron. 2016, 31, 3289–3301. [Google Scholar] [CrossRef]
- Liu, Z.; Liu, B.; Duan, S. A Novel DC Capacitor Voltage Balance Control Method for Cascade Multilevel STATCOM. IEEE Trans. Power Electron. 2011, 27, 14–27. [Google Scholar] [CrossRef]
- Fan, H.; Li, H. High-Frequency Transformer Isolated Bidirectional DC–DC Converter Modules with High Efficiency over Wide Load Range for 20 kVA Solid-State Transformer. IEEE Trans. Power Electron. 2011, 26, 3599–3608. [Google Scholar] [CrossRef]
- Tiago, C.B.; Ali, M.; Helmo, M.P.; Ahmed, A.D. Simplified Small-Signal Model for Output Voltage Control of Asymmetric Cascaded H-Bridge Multilevel Inverter. IEEE Trans. Power Electron. 2018, 33, 3509–3519. [Google Scholar]
- Chan, R.; Kwak, S. Improved Finite-Control-Set Model Predictive Control for Cascaded H-Bridge Inverters. Energies 2018, 11, 355. [Google Scholar] [CrossRef]
- Ahmed, I.; Vijay, B.B.; Amarendra, M.; Prafullachandra, M.M. Simplified Space Vector Modulation Technique for Multilevel Inverter. IEEE Trans. Power Electron. 2016, 31, 8483–8499. [Google Scholar] [CrossRef]
- Fakhry, M.G.; Massoud, A.; Ahmed, S. A grid-connected cascaded H-bridge multilevel converter with quasi seven-level Selective Harmonic Elimination. In Proceedings of the International Conference on Electric Power and Energy Conversion Systems (EPECS), Sharjah, UAE, 24–26 November 2015; pp. 1–6. [Google Scholar]
- Martin-Arnedo, J.; González-Molina, F.; Martinez-Velasco, J.A. EMTP model of a bidirectional cascaded multilevel solid state transformer for distribution system studies. Energies 2017, 10, 521. [Google Scholar] [CrossRef]
- Han, C.; Huang, A.Q.; Liu, Y. A Generalized Control Strategy of Per-Phase DC Voltage Balancing for Cascaded Multilevel Converter-Based STATCOM. In Proceedings of the IEEE Power Electronics Specialists Conference, Orlando, FL, USA, 17–21 June 2007; pp. 1746–1752. [Google Scholar]
- Zhao, T.; Wang, G.; Bhattacharya, S. Voltage and Power Balance Control for a Cascaded H-Bridge Converter-Based Solid-State Transformer. IEEE Trans. Power Electron. 2013, 28, 1523–1532. [Google Scholar] [CrossRef]
- Jon, A.B.; Luis, M. Individual Voltage Balancing Strategy for PWM Cascaded H-Bridge Converter-Based STATCOM. IEEE Trans. Ind. Electron. 2008, 55, 21–29. [Google Scholar]
- She, X.; Huang, A.Q.; Zhao, T. Coupling Effect Reduction of a Voltage-Balancing Controller in Single-Phase Cascaded Multilevel Converters. IEEE Trans. Power Electron. 2012, 27, 3530–3543. [Google Scholar] [CrossRef]
- Hirofumi, A.; Shigenori, I.; Tsurugi, Y. Control and Performance of a Transformerless Cascade PWM STATCOM with Star Configuration. IEEE Trans. Ind. Appl. 2007, 43, 1041–1049. [Google Scholar]























| Parameters | Value |
|---|---|
| Input AC voltage | 1 kV |
| Line inductance | 50 mH |
| DC-link voltage | 540 V each (total 1.62 kV) |
| DC-link capacitance | 1200 uF |
| Switching frequency | 4 kHz |
| Voltage PI controller | Kp1 = 0.3, Ki1 = 40 |
| Current PI controller | Kp2 = 50, Ki2 = 180 |
| VBC PI controller | Kp3 = 5, Ki3 = 50 |
© 2018 by the authors. Licensee MDPI, Basel, Switzerland. This article is an open access article distributed under the terms and conditions of the Creative Commons Attribution (CC BY) license (http://creativecommons.org/licenses/by/4.0/).
Share and Cite
Luo, C.; Luo, D.; Huang, S.; Wu, G.; Zhu, H.; He, Q. A Novel Control Strategy for DC-Link Voltage Balance and Reactive Power Equilibrium of a Single-Phase Cascaded H-Bridge Rectifier. Energies 2019, 12, 51. https://doi.org/10.3390/en12010051
Luo C, Luo D, Huang S, Wu G, Zhu H, He Q. A Novel Control Strategy for DC-Link Voltage Balance and Reactive Power Equilibrium of a Single-Phase Cascaded H-Bridge Rectifier. Energies. 2019; 12(1):51. https://doi.org/10.3390/en12010051
Chicago/Turabian StyleLuo, Chengwei, Derong Luo, Shoudao Huang, Gongping Wu, Hongzhang Zhu, and Qianjun He. 2019. "A Novel Control Strategy for DC-Link Voltage Balance and Reactive Power Equilibrium of a Single-Phase Cascaded H-Bridge Rectifier" Energies 12, no. 1: 51. https://doi.org/10.3390/en12010051
APA StyleLuo, C., Luo, D., Huang, S., Wu, G., Zhu, H., & He, Q. (2019). A Novel Control Strategy for DC-Link Voltage Balance and Reactive Power Equilibrium of a Single-Phase Cascaded H-Bridge Rectifier. Energies, 12(1), 51. https://doi.org/10.3390/en12010051
