Leveraging Energy Storage in a Solar-Tower and Combined Cycle Hybrid Power Plant
Abstract
1. Introduction
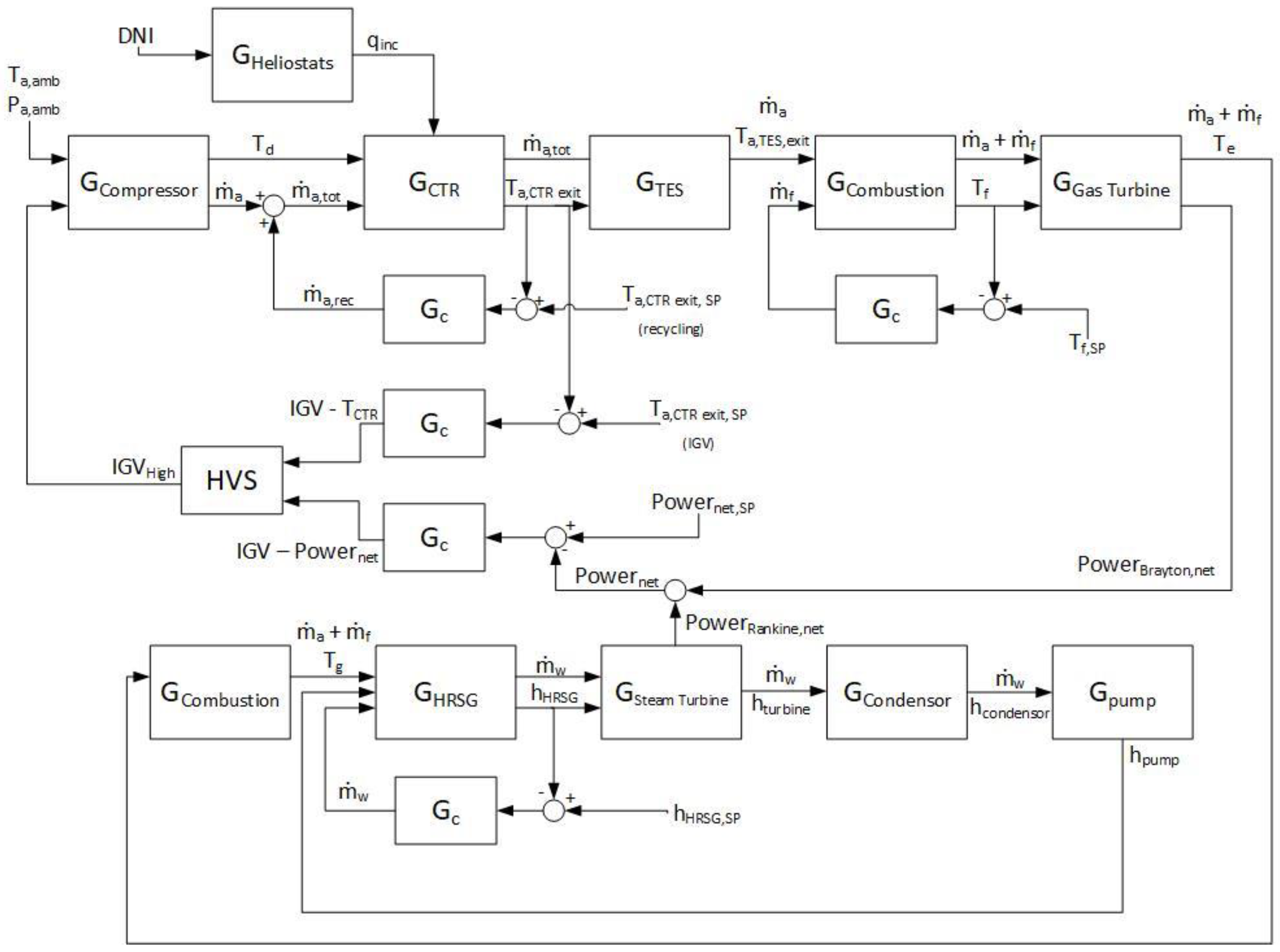
2. Overview of Plant Configurations
- The temperature of the recycle loop (storage exit temperature) reaches 1000 K. This prevents already heated air from entering the receiver. If this is the case and there is still solar activity which would result in excess temperatures, the HVS operates in temperature control.
- The receiver operates below the 1300 K setpoint and temperature control is not needed.
3. Modeling and Methodology
3.1. Gas Turbine Components
3.1.1. Compressor
3.1.2. Combustion Chamber
3.2. Central Tower Receiver
3.3. Thermal Energy Storage
3.4. Steam Cycle
3.5. System Power
3.6. System Performance Parameters
4. Results and Discussions
4.1. Recycle vs. Base-Sase
4.2. Recycle + Bypass vs. Recycle Only
4.3. Solar Fraction Enhancement
4.4. Economic Evaluation of Recycling + Bypass Configuration
5. Conclusions
Author Contributions
Funding
Conflicts of Interest
Nomenclature
| Acronym | Description |
| CSP | Concentrated solar power |
| CTR | Central tower receiver |
| DNI | Direct normal irradiance |
| STE | Solar-to-electric efficiency |
| SF | Solar fraction |
| ISCC | Integrate solar combined cycle |
| IGV | Inlet guide vane |
| NTU | Number of Heat Transfer Units |
| NREL | National Renewable Energy Laboratory |
| PTC | Parabolic trough collector |
| APC | Advanced process control |
| TES | Thermal energy storage |
| HVS | High-value selector |
| HRSG | Heat recovery steam generator |
| LCOE | Levelized cost of electricity |
| Symbol | Description | Value | Units |
| Nominal baseload air flow rate | 537 | kg/s | |
| Air-flow rate | - | kg/s | |
| Nominal baseload fuel flow rate | 10.2 | kg/s | |
| Fuel flow rate | - | kg/s | |
| Internal air flow heat transfer coefficient for CTR | - | kW/m2·K | |
| External air flow heat transfer coefficient for CTR | - | kW/m2·K | |
| Internal air flow heat transfer coefficient for TES | - | kW/m2·K | |
| Heat transfer area glass | 300 | m2 | |
| Heat transfer area receiver pipe (per pipe) | 3.73 | m2 | |
| Heat transfer area of the stone medium in TES | - | m2 | |
| Ambient atmospheric reference pressure | 1 | atm | |
| Ambient atmospheric pressure | - | atm | |
| Temperature of air | - | K | |
| Ambient atmospheric reference temperature | 288.15 | K | |
| Ambient atmospheric temperature | - | K | |
| Temperature of receiver glass | - | K | |
| Compressor outlet temperature | - | K | |
| Turbine exhaust temperature | - | K | |
| Turbine firing temperature setpoint | 1396 | K | |
| Temperature change of flue gas in HRSG | - | K | |
| Temperature of receiver pipe | - | K | |
| Shell volume of flowing air | - | m3 | |
| Shell volume of receiver glass | - | m3 | |
| Shell volume of receiver pipe | - | m3 | |
| Specific heat of combustion exhaust gas | 1.157 | kJ/kg·K | |
| Heat capacity of air | - | kJ/kg·K | |
| Heat capacity of receiver glass | 840 | kJ/kg·K | |
| Heat capacity of receiver pipe | 0.574 | kJ/kg·K | |
| Heat capacity of TES | - | kJ/kg·K | |
| Incident concentrated solar irradiance | - | kW/m2 | |
| Hot end ratio of specific heats | 1.33 | - | |
| Cold end ratio of specific heats | 1.4 | - | |
| Emissivity of receiver glass | 0.9 | - | |
| Emissivity of receiver pipe | 0.25 | - | |
| Compressor efficiency | 86 | % | |
| Combustion efficiency | 99 | % | |
| Nominal fuel to electric efficiency | - | % | |
| Overall plant efficiency | - | % | |
| IGV angle | - | ° | |
| Maximum IGV angle | 85.0 | ° | |
| Minimum IGV angle | 11.6 | ° | |
| Absorptivity of receiver pipe | 0.97 | - | |
| Density of air | - | kg/m3 | |
| Density of receiver glass | 2400 | kg/m3 | |
| Density of receiver pipe | 7850 | kg/m3 | |
| Density of TES medium | 1933 | kg/m3 | |
| Transmissivity of receiver glass | 0.96 | - | |
| Lower heating value of fuel | 46,000 | kJ/kg | |
| Compression ratio of compressor | 15.4 | - | |
| Compression ratio of turbine | 15.4 | - | |
| Solar fraction | - | % | |
| Solar-to-electric efficiency | - | % | |
| Stefan-Boltzmann constant | 5.67 × 10−8 | W/m2·K4 | |
| Effectiveness of HRSG | 0.80 | - | |
| Minimum heat capacity rate | - | kW/K | |
| Temperature drop of flue gas of HRSG | - | K | |
| Enthalpy change of steam/water across unit j | - | kJ/kg | |
| Flow rate of steam/water | - | kg/s | |
| Heat rate of component i (HRSG or condenser) | - | kW | |
| Work of component i (steam turbine or pump) | - | kW | |
| Net plant power production | - | MW | |
| Heliostat field total incident area | - | m2 |
References
- Zhang, H.L.; Baeyens, J.; Eve, J.D.; Eres, G.C. Concentrated solar power plants: Review and design methodology. Renew. Sustain. Energy Rev. 2013, 22, 466–481. [Google Scholar] [CrossRef]
- Kuravi, S.; Trahan, J.; Goswami, D.Y.; Rahman, M.M.; Stefanakos, E.K. Thermal energy storage technologies and systems for concentrating solar power plants. Prog. Energy Combust. Sci. 2013, 39, 285–319. [Google Scholar] [CrossRef]
- Madaeni, S.H.; Member, S.; Sioshansi, R.; Denholm, P. How Thermal Energy Storage Enhances the Economic Viability of Concentrating Solar Power. Proc. IEEE 2012, 10, 335–347. [Google Scholar] [CrossRef]
- Singh, H.; Saini, R.P.; Saini, J.S. A review on packed bed solar energy storage systems. Renew. Sustain. Energy Rev. 2010, 14, 1059–1069. [Google Scholar] [CrossRef]
- Grange, B.; Dalet, C.; Falcoz, Q.; Siros, F.; Ferrière, A. Simulation of a Hybrid Solar Gas-turbine Cycle with Storage Integration. Energy Procedia 2014, 49, 1147–1156. [Google Scholar] [CrossRef]
- Grange, B.; Dalet, C.; Falcoz, Q.; Ferriere, A.; Flamant, G. Impact of thermal energy storage integration on the performance of a hybrid solar gas-turbine power plant. Appl. Therm. Eng. 2016, 105, 266–275. [Google Scholar] [CrossRef]
- Kalogirou, S. Solar Energy Engineering Processes and Systems; Academic Press: Cambridge, MA, USA, 2009. [Google Scholar]
- Powell, K.M.; Edgar, T.F. Modeling and control of a solar thermal power plant with thermal energy storage. Chem. Eng. Sci. 2012, 71, 138–145. [Google Scholar] [CrossRef]
- Alva, G.; Lin, Y.; Fang, G. An overview of thermal energy storage systems. Energy 2018, 144, 341–378. [Google Scholar] [CrossRef]
- Barlev, D.; Vidu, R.; Stroeve, P. Innovation in concentrated solar power. Sol. Energy Mater. Sol. Cells 2011, 95, 2703–2725. [Google Scholar] [CrossRef]
- Pelay, U.; Luo, L.; Fan, Y.; Stitou, D.; Rood, M. Thermal energy storage systems for concentrated solar power plants. Renew. Sustain. Energy Rev. 2017, 79, 82–100. [Google Scholar] [CrossRef]
- Johnson, E.; Bates, L.; Dower, A.; Bueno, P.C.; Anderson, R. Thermal energy storage with supercritical carbon dioxide in a packed bed: Modeling charge-discharge cycles. J. Supercrit. Fluids 2018, 137, 57–65. [Google Scholar] [CrossRef]
- Klein, P.; Roos, T.; Sheer, T. Parametric analysis of a high temperature packed bed thermal storage design for a solar gas turbine. Sol. Energy 2015, 118, 59–73. [Google Scholar] [CrossRef]
- Tian, Y.; Zhao, C.Y. A review of solar collectors and thermal energy storage in solar thermal applications. Appl. Energy 2013, 104, 538–553. [Google Scholar] [CrossRef]
- Ju, X.; Wei, G.; Du, X.; Yang, Y. A novel hybrid storage system integrating a packed-bed thermocline tank and a two-tank storage system for concentrating solar power (CSP) plants. Appl. Therm. Eng. 2016, 92, 24–31. [Google Scholar] [CrossRef]
- Barigozzi, G.; Bonetti, G.; Franchini, G.; Perdichizzi, A.; Ravelli, S. Thermal performance prediction of a solar hybrid gas turbine. Sol. Energy 2012, 86, 2116–2127. [Google Scholar] [CrossRef]
- Peterseim, J.H.; Tadros, A.; White, S.; Hellwig, U.; Landler, J.; Galang, K. Solar Tower-biomass Hybrid Plants—Maximizing Plant Performance. Energy Procedia 2014, 49, 1197–1206. [Google Scholar] [CrossRef]
- Santos, M.J.; Merchán, R.P.; Medina, A.; Hernández, A.C. Seasonal thermodynamic prediction of the performance of a hybrid solar gas-turbine power plant. Energy Convers. Manag. 2016, 115, 89–102. [Google Scholar] [CrossRef]
- Powell, K.M.; Rashid, K.; Ellingwood, K.; Tuttle, J.; Iverson, B.D. Hybrid concentrated solar thermal power systems: A review. Renew. Sustain. Energy Rev. 2017, 80, 215–237. [Google Scholar] [CrossRef]
- Rashid, K.; Safdarnejad, S.M.; Powell, K.M. Dynamic simulation, control, and performance evaluation of a synergistic solar and natural gas hybrid power plant. Energy Convers. Manag. 2019, 179, 270–285. [Google Scholar] [CrossRef]
- Powell, K.; Hedengren, J.; Hedengren, J.D.; Edgar, T.F. Dynamic Optimization of a Solar Thermal Energy Storage System over a 24 Hour Period using Weather Forecasts. In Proceedings of the 2013 American Control Conference, Washington, DC, USA, 17–19 June 2013. [Google Scholar]
- Çengel, Y.A.; Boles, M.A. Thermodynamics: An Engineering Approach; McGraw-Hill Education: New York, NY, USA, 2014. [Google Scholar]
- Bonadies, M.F.; Mohagheghi, M.; Ricklick, M.; Kapat, J.S. Solar retrofit to combined cycle power plant with thermal energy storage. In Proceedings of the ASME Turbo Expo, Glasgow, UK, 14–18 June 2010; pp. 921–931. [Google Scholar]
- Kribus, A.; Zaibel, R.; Carey, D.; Segal, A.; Karni, J. A solar-driven combined cycle power plant. Sol. Energy 1998, 62, 121–129. [Google Scholar] [CrossRef]
- Spelling, J.; Favrat, D.; Martin, A.; Augsburger, G. Thermoeconomic optimization of a combined-cycle solar tower power plant. Energy 2012, 41, 113–120. [Google Scholar] [CrossRef]
- Heller, P.; Pfaender, M.; Denk, T. Test and evaluation of a solar gas turbine system. Sol. Energy 2006, 80, 1225–1230. [Google Scholar] [CrossRef]
- Korzynietz, R.; Brioso, J.A.; Del Río, A.; Quero, M.; Gallas, M.; Uhlig, R.; Ebert, M.; Buck, R.; Teraji, D. Solugas—Comprehensive analysis of the solar hybrid Brayton plant. Sol. Energy 2016, 135, 578–589. [Google Scholar] [CrossRef]
- Quero, M.; Korzynietz, R.; Ebert, M.; Jiménez, A.A.; del Río, A.; Brioso, J.A. Solugas—Operation experience of the first solar hybrid gas turbine system at MW scale. Energy Procedia 2013, 49, 1820–1830. [Google Scholar] [CrossRef]
- Olivenza-León, D.; Medina, A.; Hernández, A.C. Thermodynamic modeling of a hybrid solar gas-turbine power plant. Energy Convers. Manag. 2015, 93, 435–447. [Google Scholar] [CrossRef]
- Behar, O.; Khellaf, A.; Mohammedi, K. A review of studies on central receiver solar thermal power plants. Renew. Sustain. Energy Rev. 2013, 23, 12–39. [Google Scholar] [CrossRef]
- Okoroigwe, E.; Madhlopa, A. An integrated combined cycle system driven by a solar tower: A review. Renew. Sustain. Energy Rev. 2016, 57, 337–350. [Google Scholar] [CrossRef]
- Camacho, E.F.; Gallego, A.J. Optimal operation in solar trough plants: A case study. Sol. Energy 2013, 95, 106–117. [Google Scholar] [CrossRef]
- Pasamontes, M.; Álvarez, J.D.; Guzmán, J.L.; Lemos, J.M.; Berenguel, M. A switching control strategy applied to a solar collector field. Control Eng. Pract. 2011, 19, 135–145. [Google Scholar] [CrossRef]
- Camacho, E.F.; Berenguel, M.; Gallego, A.J. Control of thermal solar energy plants. J. Process Control 2014, 24, 332–340. [Google Scholar] [CrossRef]
- Camacho, E.F.; Gallego, A.J. Model Predictive Control In Solar Trough Plants: A Review. IFAC-PapersOnLine 2015, 48, 278–285. [Google Scholar] [CrossRef]
- Silva, R.N.; Rato, L.M.; Lemos, J.M.; Coito, F. Cascade control of a distributed collector solar field. J. Process Control 1997, 7, 111–117. [Google Scholar] [CrossRef]
- Camacho, E.F.; Berenguel, M.; Alvarado, I.; Limon, D. Control of Solar Power Systems: A survey. IFAC Proc. Vol. 2010, 43, 817–822. [Google Scholar] [CrossRef]
- Camacho, E.F.; Berenguel, M. Control of Solar Energy Systems. IFAC Proc. Vol. 2012, 45, 848–855. [Google Scholar] [CrossRef]
- Powell, K.M.; Edgar, T.F. Control of a large scale solar thermal energy storage system. In Proceedings of the 2011 American Control Conference, San Francisco, CA, USA, 29 June–1 July 2011; pp. 1530–1535. [Google Scholar]
- Juuso, E.K.; Yebra, L.J. Smart adaptive control of a solar collector field. IFAC Proc. Vol. 2014, 47, 2564–2569. [Google Scholar] [CrossRef]
- Valdés, M.; Rapún, J.L. Optimization of heat recovery steam generators for combined cycle gas turbine power plants. Appl. Therm. Eng. 2001, 21, 1149–1159. [Google Scholar] [CrossRef]
- Beasley, D.E.; Clark, J.A. Transient response of a packed bed for thermal energy storage. Int. J. Heat Mass Transf. 1984, 21, 1659–1669. [Google Scholar] [CrossRef]
- Ellingwood, K.; Tuttle, J.; Powell, K. Leveraging storage and hybridization to maximize renewable utilization. In Proceedings of the AIChE Annual Meeting, San Francisco, CA, USA, 13–18 November 2016. [Google Scholar]
- Kim, J.S.; Powell, K.M.; Edgar, T.F. Nonlinear model predictive control for a heavy-duty gas turbine power plant. In Proceedings of the 2013 American Control Conference, Washington, DC, USA, 17–19 June 2013; pp. 2952–2957. [Google Scholar]
- MathWorks Inc. MATLAB and Statistics Toolbox Release 2017a; MathWorks Inc.: Natick, MA, USA, 2017. [Google Scholar]
- Cengel, Y.; Cimbala, J.; Turner, R. Fundementals of Thermal-Fluid Sciences, 4th ed.; McGraw-Hill: New York, NY, USA, 2012. [Google Scholar]
- Ramsey, J.; Kuehn, T. Appendix D: Solar Radiation. 2018. Available online: http://www.me.umn.edu/courses/me4131/LabManual/AppDSolarRadiation.pdf (accessed on 1 May 2017).
- Wilkes, J.O. Fluid Mechanics for Chemical Engineers, 2nd ed.; Pearson Education, Inc.: London, UK, 2006. [Google Scholar]
- Incropera, F.P.; Dewitt, D.P.; Bergman, T.L.; Lavine, A.S. Fundamentals of Heat and Mass Transfer; John Wiley: Hoboken, NJ, USA, 2007. [Google Scholar]
- Spirax Sarco. Pages—Steam Tables. 2018. Available online: http://www.spiraxsarco.com/Resources/Pages/steam-tables.aspx (accessed on 9 February 2018).
- NREL. NSRDB Update—TMY3: Alphabetical List by State and City. Available online: http://rredc.nrel.gov/solar/old_data/nsrdb/1991-2005/tmy3/by_state_and_city.html (accessed on 10 May 2017).
- Peng, S.; Wang, Z.; Hong, H.; Xu, D.; Jin, H. Exergy evaluation of a typical 330 MW solar-hybrid coal-fired power plant in China. Energy Convers. Manag. 2014, 85, 848–855. [Google Scholar] [CrossRef]
- Ansolda Energia. Innovation Based on Proven Technology; Ansolda Energia: Genova, Italy, 2018. [Google Scholar]
- Turchi, C.S.; Heath, G.A. Molten Salt Power Tower Cost Model for the System Advisor Model (SAM); National Renewable Energy Lab: Golden, CO, USA, 2013. [Google Scholar]
- Mansouri, M.T.; Ahmadi, P.; Kaviri, A.G.; Jaafar, M.N.M. Exergetic and economic evaluation of the effect of HRSG configurations on the performance of combined cycle power plants. Energy Convers. Manag. 2012, 58, 47–58. [Google Scholar] [CrossRef]
- Allen, K.; von Backström, T.; Joubert, E.; Gauché, P. Rock bed thermal storage: Concepts and costs. AIP Conf. Proc. 2016, 1734, 50003. [Google Scholar]
- EIA. Capital Cost Estimates for Utility Scale Electricity Generating Plants; EIA: Washington, DC, USA, 2016. [Google Scholar]
- EIA. Levelized Cost and Levelized Avoided Cost of New Generation Resources in the Annual Energy Outlook 2018; EIA: Washington, DC, USA, 2018. [Google Scholar]









| Metric | Base-Case (%) | Recycle (%) | Change Relative to Base-Case (%) |
|---|---|---|---|
| 37.8 | 36.3 | −3.9% | |
| 22.4 | 22.2 | −0.8% | |
| 29.9 | 31.4 | +4.9% |
| Metric | Recycle-Only (%) | Recycle + Bypass (%) | Change Relative to Recycle Only (%) |
|---|---|---|---|
| 36.5 | 35.9 | −1.8 | |
| 23.6 | 23.6 | +0.0 | |
| 36.6 | 39.1 | +6.6 |
| Parameter | Value |
|---|---|
| Plant lifetime | 25 years [54] |
| Inflation rate | 4.5% [55] |
| Discount rate | 5.5% [20] |
| Natural gas price | $6/MMBTU [54] |
| Description | Base-Case | Recycle + Bypass | Basis/Comments |
|---|---|---|---|
| Direct Capital Costs | |||
| Heliostat field | $206,931,600 | $255,824,700 | $180/m2 [54] |
| Tower + receiver | $71,890,300 | $71,890,300 | $105/kWt [54] |
| Packed bed TES | $14,310,200 | $19,080,300 | $10/kWht [56] |
| Combined cycle | $220,800,000 | $220,800,000 | $1104/kW [57] |
| Other Costs | $142,417,200 | $146,174,900 | Site improvements, plant balance, contingency [54] |
| Indirect Capital Costs | |||
| EPC and Owner Cost | $74,350,700 | $80,665,000 | 11% of direct capital costs [54] |
| Land Cost | $19,530,000 | $19,530,000 | $1953 acres at $10,000/acre [54] |
| Yearly Operating Costs | |||
| Natural Gas | $34,441,900 | $28,384,500 | $6/MMBTU |
| Variable Operation | $3,526,700 | $3,526,700 | $4 MWh [54] |
| Fixed Operation | $11,122,200 | $11,122,200 | $51/kW-yr [54] |
| Total Lifetime Cost | $5,206,671,000 | $4,899,579,700 | |
| Yearly Energy Production | 1,204,500 MWh | 1,187,700 MWh | |
| LCOE | $172.9/MWh | $165.0/MWh |
© 2018 by the authors. Licensee MDPI, Basel, Switzerland. This article is an open access article distributed under the terms and conditions of the Creative Commons Attribution (CC BY) license (http://creativecommons.org/licenses/by/4.0/).
Share and Cite
Ellingwood, K.; Safdarnejad, S.M.; Rashid, K.; Powell, K. Leveraging Energy Storage in a Solar-Tower and Combined Cycle Hybrid Power Plant. Energies 2019, 12, 40. https://doi.org/10.3390/en12010040
Ellingwood K, Safdarnejad SM, Rashid K, Powell K. Leveraging Energy Storage in a Solar-Tower and Combined Cycle Hybrid Power Plant. Energies. 2019; 12(1):40. https://doi.org/10.3390/en12010040
Chicago/Turabian StyleEllingwood, Kevin, Seyed Mostafa Safdarnejad, Khalid Rashid, and Kody Powell. 2019. "Leveraging Energy Storage in a Solar-Tower and Combined Cycle Hybrid Power Plant" Energies 12, no. 1: 40. https://doi.org/10.3390/en12010040
APA StyleEllingwood, K., Safdarnejad, S. M., Rashid, K., & Powell, K. (2019). Leveraging Energy Storage in a Solar-Tower and Combined Cycle Hybrid Power Plant. Energies, 12(1), 40. https://doi.org/10.3390/en12010040
