A Bio-Refinery Concept for N and P Recovery—A Chance for Biogas Plant Development
Abstract
1. Introduction
2. Materials and Methods
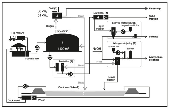
2.1. The Farm Biogas Plant Scheme
2.2. Analytical Methods
2.3. Statistical Analysis
3. Results and Discussion
4. Conclusion
Author Contributions
Funding
Acknowledgments
Conflicts of Interest
Abbreviations
| TS | Total Solids |
| WB | Wet Basis |
| S | Slurry |
| DS | Digested slurry |
| SFDS | Solid fraction of digested slurry |
| LFDS | Liquid fraction of digested slurry |
| EFL | Effluent after struvite precipitation and ammonia stripping |
| STR | Struvite from bio-refinery |
| AS | Ammonium sulphate |
References
- Amery, F.; Schoumans, O.F. Agricultural Phosphorus Legislation in Europe. Available online: https://pure.ilvo.be/portal/files/2640562/Phosphorus_legislation_Europe.pdf. (accessed on 12 September 2018).
- Rozemeijer, J.C.; Klein, J.; Broers, H.P.; van Tol-Leenders, T.P.; Van Der Grift, B. Water quality status and trends in agriculture-dominated headwaters; a national monitoring network for assessing the effectiveness of national and European manure legislation in The Netherland. Environ. Monit. Assess. 2014, 186, 8981–8995. [Google Scholar] [CrossRef] [PubMed]
- Sosulski, T.; Szara, E.; Szymańska, M.; Stępień, W. N2O emission and nitrogen and carbon leaching from the soil in relation to long-term and current mineral and organic fertilization-a laboratory study. Plant Soil Environ. 2017, 63, 97–104. [Google Scholar] [CrossRef]
- Circular Economy Package Proposal for a Regulation of the European Parliament and of The Council Laying Down Rules on the Making Available on the Market of CE Marked Fertilizing Products and Amending Regulations (EC) No 1069/2009 and (EC) No 1107/2009. Available online: https:// ec.europa.eu/transparency/regdoc/rep/1/2016/EN/1-2016-157-EN-F1-1.PDF (accessed on 11 November 2018).
- Chien, S.H.; Prochnow, L.I.; Tu, S.; Snyder, C.S. Agronomic and environmental aspects of phosphate fertilizers varying in source solubility: an update review. Nutr. Cycl. Agroecosys. 2010, 89, 229–255. [Google Scholar] [CrossRef]
- Lošák, T.; Hlušek, J.; Válka, T.; Elbl, J.; Vítěz, T.; Bělíková, H.; Von Bennewitz, E. The effect of fertilisation with digestate on kohlrabi yields and quality. Plant Soil Environ. 2016, 62, 274–278. [Google Scholar] [CrossRef]
- Szymańska, M.; Szara, E.; Sosulski, T.; Wrzosek-Jakubowska, J.; Gworek, B. Changes in the chemical properties of solid fraction of digestate from biogas plant during co-composting. Przem. Chem. 2016, 95, 577–580. (In Polish) [Google Scholar] [CrossRef]
- Tampio, E.; Salo, T.; Rintala, J. Agronomic characteristic of five different urban waste digestates. J. Environ. Manage. 2016, 169, 293–302. [Google Scholar] [CrossRef] [PubMed]
- Szymańska, M.; Nowaczewska, D.; Świerżewska, E.; Wrzosek-Jakubowska, J.; Gworek, B. An attempt to assess physicochemical properties of soil fertilized with fresh and treated digestate from biogas plant. Przem. Chem. 2016, 95, 572–576. (In Polish) [Google Scholar] [CrossRef]
- Szymańska, M.; Sosulski, T.; Szara, E.; Pilarski, K. Conversion and properties of anaerobic digestate from biogas production. Przem. Chem. 2015, 94/8, 419–1423. (In Polish) [Google Scholar] [CrossRef]
- Rehl, T.; Müller, J. Life cycle assessment of biogas digestate processing technologies. Resour. Conserv. Recycl. 2011, 56, 92–104. [Google Scholar] [CrossRef]
- Bolzonella, D.; Fatone, F.; Gottardo, M.; Frison, N. Nutrients recovery from anaerobic digestate of agro-waste: Techno-economic assessment of full scale applications. J. Environ. Manage. 2018, 216, 111–119. [Google Scholar] [CrossRef]
- Fuchs, W.; Drosg, B. Assessment of the state of the art of technologies for the processing of digestate residue from anaerobic digester. Water Sci. Technol. 2013, 67, 1984–1993. [Google Scholar] [CrossRef] [PubMed]
- Ek, M.; Bergström, R.; Bjurhem, J.E.; Björlenius, B.; Hellström, D. Concentration of nutrients from urine and reject water from anaerobically digested sludge. Water Sci. Technol. 2006, 54, 437–444. [Google Scholar] [CrossRef] [PubMed]
- Chiumenti, A.; da Borso, F.; Chiumenti, R.; Teri, F.; Segantin, P. Treatment of digestate from a co-digestion biogas plant by means of vacuum evaporation: tests for process optimization and environmental sustainability. Waste Manage. 2013, 33, 1339–1344. [Google Scholar] [CrossRef] [PubMed]
- Ledda, C.; Schievano, A.; Salati, S.; Adani, F. Nitrogen and water recovery from animal slurries by a new integrated ultrafiltration, reverse osmosis and cold stripping process: A case study. Water Res. 2013, 47, 6165–6166. [Google Scholar] [CrossRef] [PubMed]
- Tao, W.; Fattah, K.P.; Huchzermeier, P. Struvite recovery from anaerobically digested dairy manure: A review of application potential and hindrances. J. Environ. Manage. 2016, 169, 46–57. [Google Scholar] [CrossRef] [PubMed]
- Taddeo, R.; Honkanen, M.; Kolppo, K.; Lepisto, R. Nutrient management via struvite precipitation and recovery from various agroindustrial wastewaters: Process feasibility and struvite quality. J. Environ. Manage. 2018, 212, 433–439. [Google Scholar] [CrossRef] [PubMed]
- Rahaman, M.S.; Ellis, N.N.; Mavinnic, D.S. Effects of various process parameters on struvite precipitation kinetics and subsequent determination of rate constants. Water Sci. Technol. 2008, 57, 647–654. [Google Scholar] [CrossRef]
- Li, B.; Boiarkina, I.; Yu, W.; Huang, H.M.; Munir, T.; Wang, G.Q.; Young, B.R. Phosphorus recovery through struvite cristalization: Challenge for future design. Sci. Total Environ. 2019, 648, 1244–1256. [Google Scholar] [CrossRef]
- Saidou, H.; Korchef, A.; Moussa, S.B.; Amor, M.B. Struvite precipitation by the dissolved CO2 degasification technique: Impact of the airflow rate and pH. Chemosphere 2009, 74, 338–343. [Google Scholar] [CrossRef]
- Le Corre, K.S.; Valsami-Jones, E.; Hobbs, P.; Parsons, S.A. Phosphorus recovery from wastewater by struvite crystallization: a review. Crit. Rev. Env. Sci. Technol. 2009, 39, 433–477. [Google Scholar] [CrossRef]
- Czajkowska, J.; Siwiec, T. Crystalization of struvite in change conditions pH index and concentrations analysed components. Infrastructure and Ecology of Rural Areas 2011, 7, 145–154. [Google Scholar]
- Nelson, N.O.; Mikkelsen, R.L.; Hesterberg, D.L. Struvite precipitation in anaerobic swine lagoon liquid: effect of pH and Mg:P ratio and determination of rate constants. Bioresour. Technol. 2003, 89, 229–236. [Google Scholar] [CrossRef]
- Limoli, A.; Langone, M.; Andreottola, G. Ammonia removal from Raw manure digestate by means of a turbulent mixing stripping process. J. Environ. Manage. 2016, 176, 1–10. [Google Scholar] [CrossRef] [PubMed]
- Guštin, S.; Marinšek Logar, R. Effect of pH, temperature and air flow rate on the continuous ammonia stripping of the anaerobic digestion effluent. Process Saf. Environ. Prot. 2011, 89, 61–66. [Google Scholar] [CrossRef]
- Oron, G.; de-Vegt, A.; Porath, D. Nitrogen removal and conversion by duckweed grown on wastewater. Water Res. 1988, 22, 179–184. [Google Scholar] [CrossRef]
- Cheng, J.; Bergmann, B.A.; Classen, J.J.; Stomp, A.M.; Howards, J.W. Nutrient recovery from swine lagoon water by Spirodelapunctata. Bioresour. Technol. 2002, 81, 81–85. [Google Scholar] [CrossRef]
- Landolt, E. The Family of Lemnaceae-A Monographic Study, vol 1-Biosystematic Investigations in the Family of Duckweeds (Lemnaceae), Vol 2; Veröffentlichungen des Geobotanischen Institutes of the ETH, Stiftung Rubel: Zürich, Switzerland, 1986. [Google Scholar]
- Ozengin, N.; Elmaci, A. Performance of Duckweed (Lemna minor L.) on different types of wastewater treatment. J. Environ. Biol. 2007, 28, 307–314. [Google Scholar] [PubMed]
- Kataki, S.; West, H.; Clarke, M.; Baruah, D.C. Phosphorus recovery as struvite: Recent concerns for use of seed, alternative Mg source, nitrogen conservation and fertilizer potential. Resour. Conserv. Recycl. 2016, 107, 142–156. [Google Scholar] [CrossRef]
- Jia, G.; Zhang, H.; Krampe, J.; Muster, T.; Gao, B.; Zhu, N. Applying a chemical equilibrium model for optimizing struvite precipitation for ammonium recovery from anaerobic digester effluent. J. Clean. Prod. 2017, 147, 297–305. [Google Scholar] [CrossRef]
- Achat, D.L.; Sperandio, M.; Daumer, M.L.; Santellani, A.C.; Prud`Homme, L.; Akhtar, M.; Morel, C. Plant-availability of phosphorus recycled from pig manures and dairy effluents as assessed by isotopic labeling techniques. Geoderma 2014, 232/234, 24–33. [Google Scholar] [CrossRef]
- Talboys, P.J.; Heppell, J.; Roose, T.; Healey, J.R.; Jones, D.J.; Withers, P.J.A. Struvite: a slow-release fertilizer for sustainable phosphorus management? Plant Soil 2016, 401, 109–123. [Google Scholar] [CrossRef] [PubMed]
- Degryse, F.; Baird, R.; da Silva, R.C.; McLaughlin, M.J. Dissolution rate and agronomic effectiveness of struvite fertilizers—effect of soil pH, granulation and base excess. Plant Soil 2017, 410, 139–152. [Google Scholar] [CrossRef]
- Kataki, S.; West, H.; Clarke, M.; Baruah, D.C. Phosphorus recovery as struvite from farm, municipal and industrial waste: Feedstock suitability, methods and pre-treatments. Waste Manag. 2016, 49, 437–454. [Google Scholar] [CrossRef] [PubMed]
- Laureni, M.; Palatsi, J.; Llovera, M.; Bonmati, A. Influence of pig slurry characteristics on ammonia stripping efficiencies and quality of the recovered ammonium-sulfate solution. J. Chem. Technol. Biotechnol. 2013, 88, 1654–1662. [Google Scholar] [CrossRef]
- Kandil, A.-H.T.; Cheira, M.F.; Gado, H.S.; Soliman, M.H.; Akl, H.M. Ammonium sulfate preparation from phosphogypsum waste. J. Radiat. Res. Appl. 2017, 10, 24–33. [Google Scholar] [CrossRef]
- Schab, S.; Zdunek, A.; Biskupski, A. Research for the Granulation of Ammonium Sulphate with Calcium Salt - Pilot Tests. 2015. Available online: http://www.granulacja.pl/index.php/referaty-2015/176-badania-granulacji-siarczanu-amonu-przy-uzyciu-soli-wapnia-proby-poltechniczne (accessed on 10 November 2018).
- Törnwall, E.; Pettersson, H.; Thorin, E.; Schwede, S. Post-treatment of biogas digestate-An evaluation of ammonium recovery, energy use and sanitation. Energy Procedia 2017, 142, 957–963. [Google Scholar] [CrossRef]





| Parameters | S | DS | SFDS | LFDS | EFL |
|---|---|---|---|---|---|
| pH | 7.0 a | 7.8 b | 7.7 b | 7.8 b | 12.2 c |
| TS (%) | 7.7 ± 0.1 b | 6.8 ± 0.2 b | 25.7 ± 1.1 c | 3.3 ± 0.03 a | 2.1 ± 0.1 a |
| Ntot (g·kg−1 WB) | 3.6 ± 0.1 c | 3.4 ± 0.01 bc | 4.3 ± 0.2 d | 3.2 ± 0.01 b | 1.8 ± 0.1 a |
| NH4-N (g·kg−1 WB) | 2.9 ± 0.1 b | 3.0 ± 0.1 b | 3.0 ± 0.1 b | 3.0 ± 0.03 b | 1.4 ± 0.05 a |
| Ptot (g·kg−1 WB) | 0.4 ± 0.01 a | 0.4 ± 0.01 a | 1.3 ± 0.1 c | 0.3 ± 0.0 ab | 0.2 ± 0.0 b |
| Ktot (g·kg−1 WB) | 4.6 ± 0.1 b | 4.7 ± 0.2 b | 4.6 ± 0.1 b | 3.8 ± 0.2 a | 3.8 ± 0.2 a |
| Mgtot (g·kg−1 WB) | 0.7 ± 0.04 cd | 0.6 ± 0.05 bc | 0.9 ± 0.2 d | 0.5 ± 0.01 b | 0.3 ± 0.02 a |
| Catot (g·kg−1 WB) | 1.0 ± 0.1 c | 0.9 ± 0.1 bc | 1.6 ± 0.3 d | 0.6 ± 0.06 b | 0.4 ± 0.01 a |
| Natot (g·kg−1 WB) | 0.8 ± 0.05 a | 0.7 ± 0.06 a | 0.9 ± 0.01 a | 0.7 ± 0.01 a | 9.2 ± 0.2 a |
| Pws (mg·kg−1 WB) | 41.6 ± 3.4 a | 212.5 ± 9.8 d | 543.5 ± 7.5 e | 183.0 ± 10.0 c | 127.7 ± 11.5 b |
| Mgws (mg·kg−1 WB) | 311.6 ± 27.6 c | 293.7 ± 19.9 c | 200.8 ± 4.3 ab | 239.4 ± 7.5 b | 178.8 ± 20.9 a |
| Caws (mg·kg−1 WB) | 348.4 ± 35.8 c | 230.8 ± 15.6 b | 193.6 ± 31.4 b | 238.3 ± 32.8 b | 173.7 ± 19.7 a |
| Cu (mg·kg−1 WB) | 18.2 ± 0.4 b | 15.3 ± 2.3 b | 22.8 ± 1.2 c | 7.3 ± 0.3 a | 4.4 ± 0.9 a |
| Mn (mg·kg−1 WB) | 12.2 ± 0.3 c | 11.0 ± 0.1 c | 22.2 ± 0.9 d | 9.6 ± 0.1 b | 7.5 ± 0.4 a |
| Zn (mg·kg−1 WB) | 18.0 ± 1.8 c | 16.4 ± 0.7 bc | 25.8 ± 2.3 d | 13.1 ± 1.7 ab | 10.7 ± 0.9 a |
| Product | Ntot | Stot | Pure (NH4)2SO4 | Free H2SO4 | pH |
|---|---|---|---|---|---|
| (g·kg−1 WB) | (g·kg−1 WB) | (g·kg−1 WB) | (g·kg−1 WB) | ||
| AS | 14.1 ± 0.1 | 16.8 ± 0.3 | 66.4 ± 0.6 | 2.2 ± 0.1 | 2.1 |
© 2019 by the authors. Licensee MDPI, Basel, Switzerland. This article is an open access article distributed under the terms and conditions of the Creative Commons Attribution (CC BY) license (http://creativecommons.org/licenses/by/4.0/).
Share and Cite
Szymańska, M.; Szara, E.; Sosulski, T.; Wąs, A.; Van Pruissen, G.W.P.; Cornelissen, R.L.; Borowik, M.; Konkol, M. A Bio-Refinery Concept for N and P Recovery—A Chance for Biogas Plant Development. Energies 2019, 12, 155. https://doi.org/10.3390/en12010155
Szymańska M, Szara E, Sosulski T, Wąs A, Van Pruissen GWP, Cornelissen RL, Borowik M, Konkol M. A Bio-Refinery Concept for N and P Recovery—A Chance for Biogas Plant Development. Energies. 2019; 12(1):155. https://doi.org/10.3390/en12010155
Chicago/Turabian StyleSzymańska, Magdalena, Ewa Szara, Tomasz Sosulski, Adam Wąs, Gijs W. P. Van Pruissen, René L. Cornelissen, Mieczysław Borowik, and Marcin Konkol. 2019. "A Bio-Refinery Concept for N and P Recovery—A Chance for Biogas Plant Development" Energies 12, no. 1: 155. https://doi.org/10.3390/en12010155
APA StyleSzymańska, M., Szara, E., Sosulski, T., Wąs, A., Van Pruissen, G. W. P., Cornelissen, R. L., Borowik, M., & Konkol, M. (2019). A Bio-Refinery Concept for N and P Recovery—A Chance for Biogas Plant Development. Energies, 12(1), 155. https://doi.org/10.3390/en12010155

