An Innovative Calibration Scheme for Interharmonic Analyzers in Power Systems under Asynchronous Sampling
Abstract
1. Introduction
2. Interharmonic Calibration Scheme
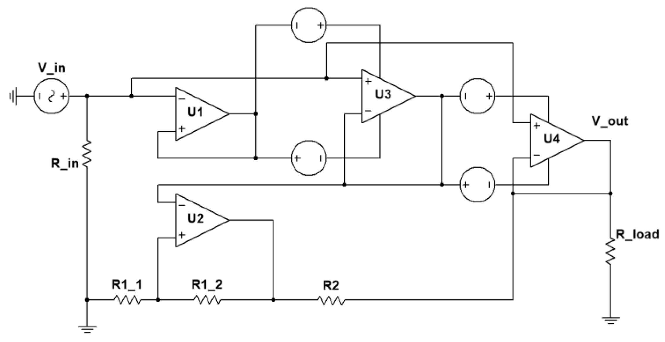
2.1. Interharmonic Signal Source
2.2. Wide-Frequency Resistive Voltage Divider
- Input voltages 37.5 V, 60 V, and 75 V for 75:1;
- Input voltages 75 V, 120 V, and 150 V for 150:1;
- Input voltages 150 V, 240 V, and 300 V for 300:1.
2.3. Broadband Current Shunt
2.4. DAQ System
2.5. Measurement of the Interharmonic
3. Results and Discussion
3.1. Error Analysis
3.2. Evaluation of the Uncertainty
4. Conclusions
Author Contributions
Funding
Conflicts of Interest
References
- Electromagnetic Compatibility (EMC)—Part 2-1: Environment—Description of the Environment—Electromagnetic Environment for Low-Frequency Conducted Disturbances and Signalling in Public Power Supply Systems, IEC Std. 61000-2-1; International Electrotechnical Commission: Geneva, Switzerland, 1990.
- Electromagnetic compatibility (EMC)—Part 2-2: Environment—Compatibility Levels for Low-Frequency Conducted Disturbances and Signalling in Public Low-Voltage Power Supply Systems, IEC Std. 61000-2-2, 2nd ed.; International Electrotechnical Commission: Geneva, Switzerland, 2000.
- Guillen-Garcia, E.; Zorita-Lamadrid, A.L.; Duque-Perez, O.; Morales-Velazquez, L.; Osornio-Rios, R.A.; Romero-Troncoso, R.J. Power Consumption Analysis of Electrical Installations at Healthcare Facility. Energies 2017, 10, 64. [Google Scholar] [CrossRef]
- Feola, L.; Langella, R.; Testa, A. On the Effects of Unbalances, Harmonics and Interharmonics on PLL Systems. IEEE Trans. Instrum. Meas. 2013, 62, 2399–2409. [Google Scholar] [CrossRef]
- Chen, B.; Pin, G.; Ng, W.M.; Li, P.; Parisini, T.; Hui, S.Y.R. Online Detection of fundamental and interharmonics in AC mains for parallel operation of multiple grid-connected power converters. IEEE Trans. Power Electron. 2018, 33, 9318–9330. [Google Scholar] [CrossRef]
- Voglitsis, D.; Valsamas, F.; Rigogiannis, N.; Papanikolaou, N. On the Injection of Sub/Inter-Harmonic Current Components for Active Anti-Islanding Purposes. Energies 2018, 11, 2183. [Google Scholar] [CrossRef]
- Jain, S.K.; Singh, S.N. Exact Model Order ESPRIT Technique for Harmonics and Interharmonics Estimation. IEEE Trans. Instrum. Meas. 2012, 61, 1915–1923. [Google Scholar] [CrossRef]
- Ramirez, A. The Modified Harmonic Domain: Interharmonics. IEEE Trans. Power Deliv. 2011, 26, 235–241. [Google Scholar] [CrossRef]
- Cataliotti, A.; Cosentino, V.; Cara, D.D.; Tinè, G. LV Measurement Device Placement for Load Flow Analysis in MV Smart Grids. IEEE Trans. Instrum. Meas. 2016, 65, 999–1006. [Google Scholar] [CrossRef]
- Carbone, R.; Menniti, D.; Morrison, R.E.; Testa, A. Harmonic and Interharmonic Distortion Modeling in Multiconverter Systems. IEEE Trans. Power Deliv. 1995, 10, 1685–1692. [Google Scholar] [CrossRef]
- Danzmann, K.; Günther, M.; Fischer, J.; Kock, M.; Kühne, M. High Current Hollow Cathode as a Radiometric Transfer Standard Source for the Extreme Vacuum Ultraviolet. Appl. Opt. 1988, 27, 4947–4951. [Google Scholar] [CrossRef] [PubMed]
- Dupuy, P.; Herman, F. Master Meter Method. In Proceedings of the North Sea Flow Measurement Workshop 1997, Kristiansand, Norway, 27–30 October 1997. [Google Scholar]
- Electromagnetic Compatibility (EMC)—Part 4-7: Testing and Measurement Techniques General Guide on Harmonics and Interhar-Monics Measurements and Instrumentation, for Power Supply Systems and Equipment Connected Thereto, IEC Standard 61000-4-7; International Electrotechnical Commission: Geneva, Switzerland, 2009.
- Lapuh, R.; Voljč, B.; Kokalj, M.; Pinter, B.; Svetik, Z.; Lindič, M. High-Accuracy Measurement of Power Quality Parameters Using Asynchronous Sampling Technique. In Proceedings of the Conference on Precision Electromagnetic Measurements (CPEM), Rio de Janeiro, Brazil, 24–29 August 2014. [Google Scholar]
- Zhou, Z.; Lin, R.; Wang, L.; Wang, Y.; Li, H. Research on Discrete Fourier Transform-Based Phasor Measurement Algorithm for Distribution Network under High Frequency Sampling. Energies 2018, 11, 2203. [Google Scholar] [CrossRef]
- Wu, J.; Zhao, W. A Simple Interpolation Algorithm for Measuring Multi-Frequency Signal Based on DFT. Measurement 2009, 42, 322–327. [Google Scholar] [CrossRef]
- Hui, J.; Yang, H.; Xu, W.; Liu, Y. A Method to Improve the Interharmonic Grouping Scheme Adopted by IEC Standard 61000-4-7. IEEE Trans. Power Deliv. 2012, 27, 971–979. [Google Scholar] [CrossRef]
- Moon, J.-H.; Kang, S.-H.; Ryu, D.-H.; Chang, J.-L.; Nam, S.-R. A Two-Stage Algorithm to Estimate the Fundamental Frequency of Asynchronously Sampled Signals in Power Systems. Energies 2015, 8, 9282–9295. [Google Scholar] [CrossRef]
- Grandke, T. Interpolation Algorithms for Discrete Fourier Transforms of Weighted Signals. IEEE Trans. Instrum. Meas. 1983, 32, 350–355. [Google Scholar] [CrossRef]
- Barros, J.; Diego, R.I. On the use of the Hanning window for harmonic analysis in the standard framework. IEEE Trans. Power Deliv. 2006, 21, 538–539. [Google Scholar] [CrossRef]
- Sala, J.; Durney, H. Coarse time delay estimation for pre-correction of high power amplifiers in OFDM communications. In Proceedings of the IEEE 56th Vehicular Technology Conference, Vancouver, BC, Canada, 24–28 September 2002. [Google Scholar]
- Zhan, Y.; Cheng, H. A Robust Support Vector Algorithm for Harmonic and Interharmonic Analysis of Electric Power System. Electr. Power Syst. Res. 2005, 73, 393–400. [Google Scholar] [CrossRef]
- Miao, J.; Xie, D.; Gu, C.; Wang, X. Correlation Analysis between Wind Speed/Voltage Clusters and Oscillation Modes of Doubly-Fed Induction Generators. Energies 2018, 11, 2370. [Google Scholar] [CrossRef]
- Ahmadipour, M.; Hizam, H.; Lutfi Othman, M.; Amran Mohd Radzi, M. An Anti-Islanding Protection Technique Using a Wavelet Packet Transform and a Probabilistic Neural Network. Energies 2018, 11, 2701. [Google Scholar] [CrossRef]
- Budovsky, I.; Hagen, T. A Precision Buffer Amplifier for Low-Frequency Metrology Applications. In Proceedings of the Conference on Precision Electromagnetic Measurements (CPEM), Daejeon, Korea, 13–18 June 2010. [Google Scholar]
- A40B Precision AC Current Shunt Set Instruction Manual, Fluke. Available online: http://www.fluke.com (accessed on 29 December 2018).
- Hurst, M.; Mittra, R. Scattering Center Analysis via Prony’s Method. IEEE Trans. Antennas Propag. 1987, 35, 986–988. [Google Scholar] [CrossRef]






| Uncertainty Sources | Uncertainty | |
|---|---|---|
| Interharmonic Voltage Measurement | Interharmonic Current Measurement | |
| The instability of the interharmonic source | 0.23% | 0.1% |
| The inaccuracy of the rated ratio of divider | 0.03% | - |
| The inaccuracy of the rated ratio of the shunt | - | 0.002% |
| The inaccuracy of the DAQ system | 0.00023% | 0.00023% |
| The inaccuracy of the measurement algorithm | 0.01% | 0.01% |
| The repeatability of the calibration system | 0.12% | 0.12% |
© 2018 by the authors. Licensee MDPI, Basel, Switzerland. This article is an open access article distributed under the terms and conditions of the Creative Commons Attribution (CC BY) license (http://creativecommons.org/licenses/by/4.0/).
Share and Cite
Guo, Q.; Wu, J.; Jin, H.; Peng, C. An Innovative Calibration Scheme for Interharmonic Analyzers in Power Systems under Asynchronous Sampling. Energies 2019, 12, 121. https://doi.org/10.3390/en12010121
Guo Q, Wu J, Jin H, Peng C. An Innovative Calibration Scheme for Interharmonic Analyzers in Power Systems under Asynchronous Sampling. Energies. 2019; 12(1):121. https://doi.org/10.3390/en12010121
Chicago/Turabian StyleGuo, Qiang, Jing Wu, Haibin Jin, and Cheng Peng. 2019. "An Innovative Calibration Scheme for Interharmonic Analyzers in Power Systems under Asynchronous Sampling" Energies 12, no. 1: 121. https://doi.org/10.3390/en12010121
APA StyleGuo, Q., Wu, J., Jin, H., & Peng, C. (2019). An Innovative Calibration Scheme for Interharmonic Analyzers in Power Systems under Asynchronous Sampling. Energies, 12(1), 121. https://doi.org/10.3390/en12010121

