Next Article in Journal
Investigation on Water Hammer Control of Centrifugal Pumps in Water Supply Pipeline Systems
Previous Article in Journal
Research on Key Parameters Operation Range of Central Air Conditioning Based on Binary K-Means and Apriori Algorithm
 
 
Font Type:
Arial Georgia Verdana
Font Size:
Aa Aa Aa
Line Spacing:
Column Width:
Background:
Article

Influence of Pyrolysis Gas on Volatile Yield and CO2 Reaction Kinetics of the Char Samples Generated in a High-Pressure, High-Temperature Flow Reactor

by
Vijayaragavan Krishnamoorthy
1,
Yaw D. Yeboah
2 and
Sarma V. Pisupati
1,*
1
John and Willie Leone Family Department of Energy and Mineral Engineering and EMS Energy Institute, 110 Hosler Building, The Pennsylvania State University, University Park, State College, PA 16802, USA
2
Department of Chemical and Biomedical Engineering, Florida A&M University—Florida State University, Tallahassee, FL 32310, USA
*
Author to whom correspondence should be addressed.
Energies 2019, 12(1), 107; https://doi.org/10.3390/en12010107
Submission received: 16 November 2018 / Revised: 20 December 2018 / Accepted: 24 December 2018 / Published: 29 December 2018
(This article belongs to the Section L: Energy Sources)

Abstract

:
The influence of pyrolysis atmosphere on volatile yield, structural characteristics, and CO2 reaction kinetics have been examined on chars generated from Pittsburgh No. 8 coal at 6.2 bar pressure and 1100 °C in a high-pressure, high-temperature flow reactor (HPHTFR) in Ar, N2, 50 (vol. %) CO2 and N2 (i.e., CO2/ N2) atmospheres. The chars were characterized for volatile yield, thermal swelling ratio, surface area, pore size distribution, crystallite structure, defects to graphitic intensity ratio, and char-CO2 reactivity. Coal pyrolyzed in CO2/N2 showed higher volatile yield (27%) compared to coal pyrolyzed in argon (~16%) and nitrogen (~19%). Except for volatile yield, there was no significant difference in structural properties for chars generated in different pyrolysis atmospheres. The difference in volatile yield was found to be due to presence of unconverted tetrahydrofuran (THF) soluble tar/soot. The results also showed that the intrinsic reactivity was highest for char generated in N2 atmosphere and lowest for char generated in CO2/N2 atmosphere. The kinetic parameters (activation energy and pre-exponential factor) for the char-CO2 reaction were ascertained using nth order model. The activation energies did not differ significantly among the chars generated in different pyrolysis atmospheres. The order of reaction was found to follow: CO2/N2 char > N2 char ≈ Ar char.

1. Introduction

Integrated gasification combined cycle (IGCC) is one of the advanced technologies that has potential to reduce coal’s carbon footprint. The heart of the IGCC plant is the gasifier where the organic portion of the coal is converted into syngas (i.e., primarily CO+H2), while the inorganic portion of the coal is removed as slag. The syngas thus produced can not only be used for power generation but also as input to fuel cells or as a base to chemicals and liquid fuel synthesis [1]. Despite many commercial operations for various applications, gasification rates at high pressures and temperatures, crucial to the design and troubleshooting of the gasifiers, are relatively unknown [1].
When coal is exposed to high temperatures, it releases volatiles quickly to form char. The char particles thus generated get converted to syngas through heterogeneous reactions with CO2 and H2O. The heterogeneous reactions being slowest determine the overall gasification kinetics. The gasification kinetics in an entrained flow gasifier is not only dependent on intrinsic kinetics of the char reacting with CO2, but also on the char properties such as pore structure, morphology, and char surface area. The intrinsic kinetics, and char properties are usually determined using chars generated in an inert environment (or pyrolysis) by matching as many conditions as an entrained flow gasifier. It is important to note that the devolatilization (i.e., char generation) in an entrained flow gasifier happens in presence of reacting gases such as CO2 and H2O. The question that needs to be asked is how the pyrolysis gas environment affects volatile yield (i.e., amount of volatiles released during pyrolysis), char properties, and kinetics in a high-pressure condition? Earlier studies have reported high pressure reactivity of chars and the experiments were conducted either in an inert atmosphere, or in the presence of reacting gases [2,3,4,5,6,7,8,9]. The effects of pyrolysis atmosphere on volatile yield, and char characteristics at atmospheric pressure conditions were reported by several researchers [10,11,12]. Rathnam et al. [10] examined the volatile yield of four pulverized coals during pyrolysis in CO2 and N2 atmospheres. The experiments showed that the volatile yields in CO2 atmosphere were 4–24% higher compared to N2 atmosphere. The authors attributed the higher volatile yield in CO2 atmosphere to gasification. This observation contradicts the findings of Borrego and Alvarez where the volatile yield of two bituminous coals decreased by about 60% and 30% when N2 was replaced by CO2 during experiments in a drop tube reactor at 1300 °C [11]. Brix et al. attributed this unusual observation to high volumetric flow rate of cold gas reducing the particle heating rate when using higher thermal capacity CO2 as compared to lower thermal capacity N2. Brix et al. studied the effect of gas atmosphere on the char morphology, surface area, and volatile yield of a bituminous coal during pyrolysis in CO2 and N2 atmospheres at 1400 °C in a drop tube reactor [12]. Interestingly, the authors observed no effect of pyrolysis atmosphere on char morphology, volatile yield, and surface area. More recently, Wang et al. studied the effect of simulated pyrolysis gas (containing CO2, CO, H2, CH4, and N2) on char reactivity and characteristics of a Chinese bituminous coal using a bubbling fluidized bed reactor [13]. The temperatures used in the study were between 450 to 600 °C and the residence time of the particles was kept at 15 min. Under these conditions, the authors observed that the pyrolysis atmosphere had no significant effect on char morphology but noted the pyrolysis atmospheres affected the char reactivity in CO2 and H2O atmospheres. It must be recognized that in this temperature range, the heating rate would be less than 100 °C/s and that does not reflect the heating rate and temperature experienced by the particles in an entrained-flow gasifier. However, from the short review, it is apparent that, the effects of pyrolysis gas atmosphere on volatile yield and intrinsic reactivity with CO2 or H2O are not conclusive. While steam is an important reactant in the slurry-fed entrained flow gasifier, this study restricts to three pyrolysis gases: N2, Ar, and CO2/N2. This is due to instrument limitation in feeding slurry to the reactor. This investigation focuses on: (1) determining the volatile yield of chars generated in various pyrolysis atmospheres at elevated pressure and (2) determine the CO2 reactivity of chars generated in various gas atmospheres.

2. Material and Methods

2.1. Coal Preparation

A widely used bituminous coal, Pittsburgh No. 8 coal, was used for this study. The coal was prepared by dry grinding method in an industrial rod mill. The ground coal was sieved between 100 and 140 ASTM (American Society for Testing Materials) meshes and stored in an Ar filled aluminum bag. The particle size fraction of −150+106 µm was chosen as it covers about 10% of the feed to a typical commercial slurry-fed entrained-flow gasifier. The properties of the coal are shown in Table 1. The methodology employed to generate proximate and ultimate analyses data is described in the “char characterization” section.

2.2. Char Preparation

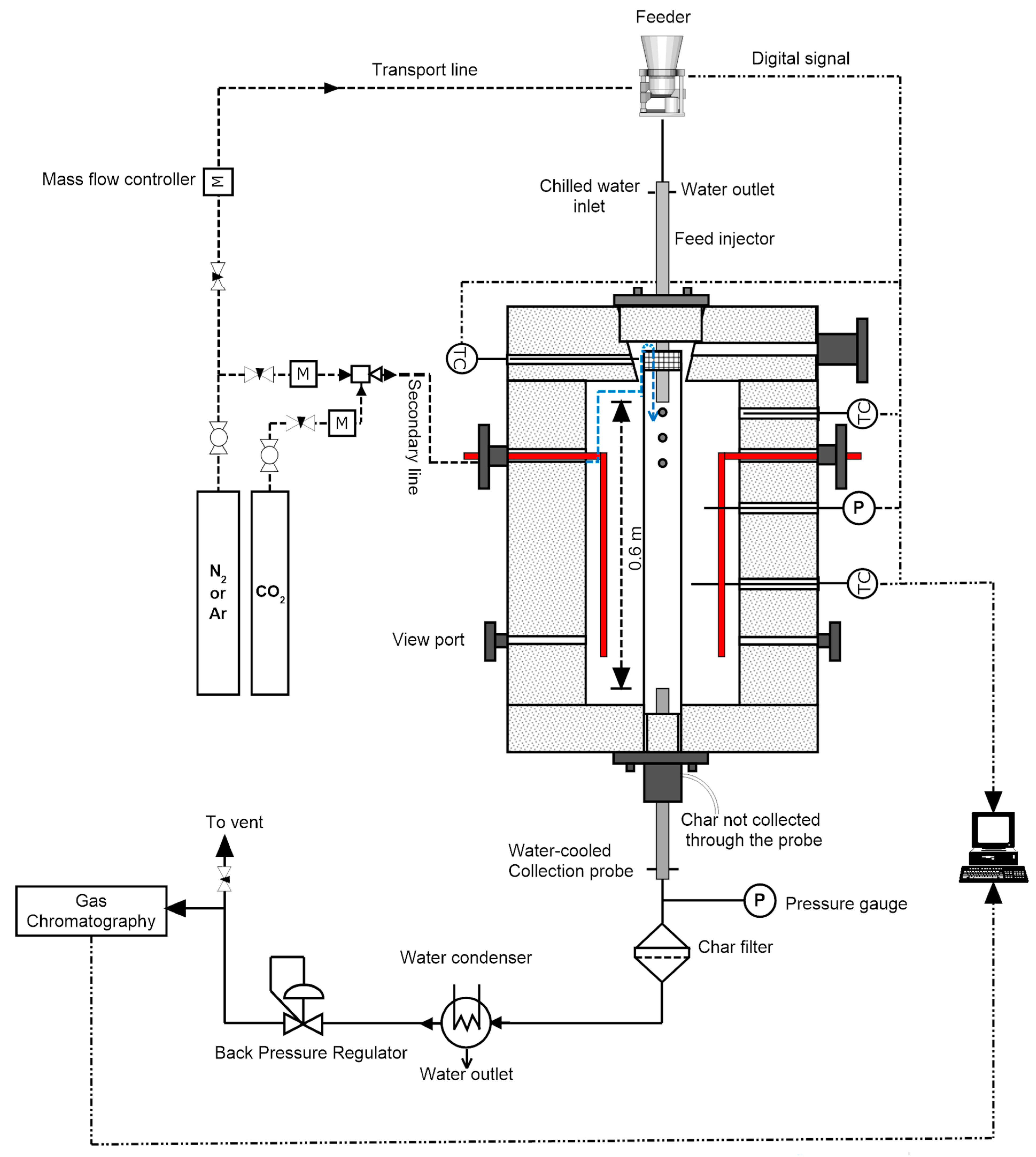
All the experiments were conducted in an electrically heated HPHTFR. The reactor is capable of reaching a maximum temperature of 1650 °C and 30 bar pressure. The schematic of the reactor is shown in Figure 1. The same reactor, used at atmospheric pressure, is described in detail elsewhere [14,15]. The reactor consists of a feeder, a high temperature furnace, a sample collection section, and a gas analysis section. The high temperature furnace section consists of a high alumina ceramic (reaction) tube (65 mm i.d × 700 mm long) with a mullite flow straightener (honeycomb) placed at the top surrounded by six super Kanthal heating elements, all encased in a refractory-casted, lined carbon steel pressure vessel. The concentric section between the refractory wall and the outer surface of the reaction tube was used to preheat secondary gas. The secondary gas, composed of CO2 and N2, constituted the majority of the gas (~90%) flowing into the reactor. Inert gas was used as the primary gas to transport particles from the feeder to the reaction zone. The gases were supplied by gas cylinders, and the flow rates were controlled by calibrated mass flow controllers. The reactor temperature was continuously monitored by a thermocouple placed close to the outer surface of the ceramic tube around the mid-section. Once the desired temperature was achieved, the reactor was purged with the reaction gas for a few minutes. After which the reactor pressure was increased using a back-pressure regulator. The gas was allowed to flow for about 10-15 min at the desired pressure until the gas composition exiting the reactor, monitored using a calibrated micro gas chromatograph reached the inlet gas composition.
After reaching the inlet gas composition, a sample of about 30 to 45 g was fed into the reactor at a stable feed rate of 3.00 ± 0.02 g/min. To ensure the flow was laminar in the reactor, a flow straightener was placed at the top of the ceramic tube. The values of Reynolds number ranged from 480 to 730. As the critical number for transitioning into the turbulent region is 2300, it is safe to say that all the experiments were conducted in the laminar flow regime. The ceramic tube wall temperature was maintained at 1100 °C, which is on the lower side of the operating temperature of a typical slurry-fed entrained- flow gasifier. The lower temperature was chosen to avoid significant difference in conversion between chars generated in inert atmosphere and reaction gas atmosphere. The summary of experimental conditions maintained in the reactor to generate chars is shown in Table 2.
Upon injection of the sample into the reactor, the particles devolatilize/react as they pass through a 0.60 m reaction zone to form char-ash particles. The particle residence time was determined by solving force balance equation for particle velocity assuming uniform gas velocity [16]. The particle residence time for a 125 µm particle was calculated to be ~2.3 s. The char-ash particles collected through the water-cooled probe were captured by a series of filters with the last filter having a mesh opening of 1µm. The resulting product gas exited the filter below 60 °C and was further cooled in a heat exchanger to remove any remaining moisture before being analyzed for components via micro gas chromatography. The char sample, contaminated with soot, was collected in the filter and used for further analysis. The study investigated raw char sample obtained from the HPHTFR as well as studying the THF washed HPHTFR char to remove the effects of tar and soot on reactivity. The methodology employed in this investigation is shown in Figure 2.

2.3. Char Characterization

2.3.1. Proximate Analysis

Proximate analysis of chars was carried out in a Leco MAC 400 analyzer. Approximately 0.1–0.2 g of sample was crushed in a pestle and mortar before analysis. Moisture, volatile matter, ash, and fixed carbon were obtained. Table 3 presents the proximate analyses of the chars obtained from the HPHTFR. Based on the proximate analyses data, the volatile yield (for pyrolysis in N2, and Ar) or conversion (during gasification in CO2/N2) was determined using ash as the tracer using following equation:
%   Conversion   ( or   volatile   yield ) = 10000 × ( A 1 A 0 ) A 1 × ( 100 A 0 )
where A1 and A0 are the ash content of char and coal on dry wt. % basis, respectively. The term volatile yield will be used in the text to refer to conversion of the char generated in the CO2/N2 atmosphere.

2.3.2. Thermal Swelling Ratio

The thermal swelling ratio of the chars was determined by the procedure explained by Fletcher et al. [17,18]. The apparent density of the chars and coal sample was determined using the tap density technique assuming the packing factor of coal sample and char to be the same. The apparent density ratio ( ρ po ρ p ) and weight loss data were then related to the swelling ratio (d/do) by:
d d o = ( ρ po ρ p × m m o ) 1 3
where, d/do represents swelling ratio. The subscript “o” refers to parent coal and without it refers to char. The mass ratio m/mo in the equation is expressed on an as-received basis. The density ratio ρpp0 refers to the ratio of apparent densities, where apparent density is defined as the mass of a particle divided by the total volume enclosed by the outer surface of the particle (assumed to be spherical). The bulk or bed density (ρp for the char and ρpo for the coal) is measured using the tap technique.

2.3.3. Surface Area Analysis and Pore Size Distribution

The chars were degassed at 150 °C for a period ranging between 4 to 10 h in vacuum. Total surface area and pore size distribution of degassed chars were determined using N2 adsorption-desorption isotherms at 77 K. The isotherms were analyzed using the Brunauer–Emmett–Teller (BET) equation to calculate total surface area, and Barrett–Joyner–Halenda (BJH) analysis to calculate pore size distribution.

2.3.4. Raman Spectra

Raman spectra of chars were obtained with an excitation laser at 532 nm using Horiba Confocal Raman microscopy. Particles of each sample were placed on a slide and were focused using a 50X objective lens. The laser power on the char surface was controlled approximately at 5 mW. Scans from 800 cm−1 to 2300 cm−1 were performed on each sample. Resolution was approximately 1 cm−1, and the acquisition time for each spot was 60 s. The laser spot diameter reaching the sample was 5 μm. The spectra of at least 10 different spots were obtained for every sample. The ratio of defects to graphite band was obtained, averaged, and the error bar was determined using t-distribution with 95% confidence interval.

2.3.5. X-ray Diffraction

X-ray diffraction analyses were performed using a PANyltical instrument equipped with a 45-kW high-intensity rotating anode (Cu Kα radiation, 1.5406 Å, 0.02°/step, 225 s/step). The analyses were performed on finely ground thin powder samples of the coal chars mounted on a zero-background quartz holder. Measurements were recorded from a start angle 2θ = 10° to an end angle of 70°. The XRD patterns were analyzed for the Full Width Half Maximum (FWHM) using JADE software. From the FWHM, the structural parameters were obtained using conventional Scherrer equations given by:
L a ( Å ) = 1.84 λ B a Cos θ a
L a ( Å ) = 0.9 λ B c Cos θ c
where, La is the lateral size and Lc is the stacking height of the crystallite, λ is the wavelength of the radiation used, Ba and Bc are the FWHM of the (100) and (002) peaks, respectively, and θa and θc are the corresponding scattering angles. The FWHM is a strong function of the background curve fitting. In order to ensure the validity of the data, the FWHM was obtained by repeating the procedure three time and an error bar was obtained using the t-distribution.

2.4. Tar/Soot Removal and Analysis

The removal of tar/soot from char was done by washing the sample with tetrahydrofuran (THF). THF can be used to remove tar [19] and is known to provide greater extractability of coal tar without altering the characteristics [20]. To extract the tar/soot from char, a small amount (~0.5 g) of char was added to 100 mL of tetrahydrofuran and allowed to stand for about 15 min followed by heating it to its boiling point (i.e., 66 °C). The boiling slurry was filtered to remove the char sample, while the tar/soot dissolved in THF was concentrated by vaporizing THF in vacuum. The THF soluble tar/soot was analyzed in an Agilent 7890A Gas Chromatograph (GC) and 5975C Mass Spectrometer (MS) mounted with HP-5ms (length 30 m, diameter 250 μm, and film thickness 0.25 μm)olumn. Sample was injected at 280 °C with a gas flow of 1 mL/min (STP). The transfer line between the GC and the MS was held at 300 °C. The MS spectra were acquired in scan mode in the range 40–500 μm. The THF washed char sample was dried in a vacuum oven at 60 °C and 25 in Hg vacuum for over 12 h.

2.5. Char Reactivity

Reactivity of chars, obtained from the HPHTFR, was measured using an High Pressure Thermogravimetric Analyzer (HPTGA). All the TGA experiments were conducted at 6.2 bar. A small amount of char sample (~35 mg) was heated to 900 °C and 6.2 bar in Ar atmosphere and held at that temperature for 15 min to remove any volatiles. In all cases, the weight loss curve reached an asymptote before 15 min. The system temperature was brought down in Ar atmosphere (i.e., 825–875 °C) at which the gas atmosphere was switched to CO2 and the conversion was measured by weight loss. The flow rates of the reaction gas during the isothermal step as well as the inert gas (i.e., Ar) during temperature ramp-up step were maintained at 0.41 SLPM. The typical data obtained from the HPTGA takes the form of weight loss versus time. The data were smoothed using regression in Microsoft excel. The isothermal gasification step was then normalized assuming the char was at 0% conversion and conversion percent (X) on dry ash-free basis versus time was obtained by:
X   ( % ) = ( m o m t m o ) × 100
where mo and mt are the mass of dry ash-free char present at the beginning (t = 0) of the isothermal gasification step and at time t, respectively.
From the weight loss curves, the apparent reaction rate (Rapp) was calculated by:
R app ( gg 1 min 1 ) = 1 m i × ( d m d t )
where mi is the sample mass (dry ash-free basis) remaining at reaction time t. Apparent reaction rate is a function of intrinsic char reactivity and reactive surface area. The intrinsic reaction rate is the rate measured free of mass transfer restrictions (under kinetic controlled regime), expressed as gm−2min−1. The intrinsic reactivity was calculated by normalizing the apparent reactivity with BET surface area by:
R int , 10 %   conv ( gm 2 min 1 ) = R app SA 10 %   conversion .
Expressing the rates as intrinsic reaction rates allows comparison of reaction rate measurements of physically different samples having different surface areas.
The reaction rate was related to temperature and partial pressure at specified conversion using Equation (6):
R app ( gg 1 s 1 ) = A 0   exp   ( E a RT p )   P CO 2 n
where, Rapp is the measured reaction rate (gg−1s−1), Ea is the measured activation energy (kJ mol−1), Ao is the pre-exponential factor, R is the universal gas constant (J K−1 mol−1), Tp is the particle temperature (K), PCO2 is the partial pressure of CO2 (in bar), and n is the reaction order.
The activation energy is obtained from the slope of the plot of ln Rapp vs. 1/TP. The intercept of the line represents the pre-exponential factor (A = A0 P CO 2 n ), expressed as s−1. Reaction orders with respect to CO2 were determined by measuring reaction rates at various CO2 partial pressures (25, 50, and 100% of the total pressure). The reaction order was obtained from the slope of the plot ln Rapp vs. PCO2.
Reaction rates measured at 10% conversion, instead of 0% conversion, were used in calculating kinetic parameters. This was done to avoid fluctuations in temperature and gas composition during transition from Ar to CO2.
For high pressure chars, it is not reasonable to assume that the surface area of the chars at 10% conversion is the same as the initial char surface area. Therefore, the surface area was obtained at 10 ± 2% conversion of char during the isothermal step in the HPTGA. For the sake of clarity in discussion, the char obtained at 10 ± 2% conversion in the HPTGA will be discussed as 10% converted char in the rest of the text.

3. Results and Discussion

3.1. Volatile Yield

The effect of pyrolysis atmosphere on volatile yield (or conversion) was ascertained using ash as the tie component (i.e. tracer). The volatile yields were ranging from ~16% for the char pyrolyzed in Ar atmosphere to ~27% for the char obtained in the CO2/N2 atmosphere (shown in Figure 3). The differences in volatile yields for the char generated in CO2/N2 compared to the chars generated in other atmospheres are statistically significant given the standard deviation for the volatile yield in CO2/N2 was ±1.8%. An atmospheric pressure study also observed higher volatile yield during pyrolysis in CO2 atmosphere compared with N2 atmosphere and attributed this increased volatile yield to gasification [10].
It is interesting to note that the volatile yield (or conversion) was lower than 38% (ASTM Volatile matter of -150+106 µm particles) for pyrolysis. This might seem unusual as the temperature in the reactor was 1100 °C (>ASTM proximate analysis specifications). The unusual observation of lower volatile yield could be due to higher pressure (>1 bar) and lower residence time (~2.3 seconds) in the reactor for these chars compared to 7 min at atmospheric pressure and 950 °C in ASTM volatile matter determination. If pressure had played significant role in reducing the volatile yield (or higher residual volatiles in the char), it should also be reflected in the residual volatiles present in the char sample generated in a commercial gasifier. Analysis of char-slag sample collected from a particulate filter on a commercial gasifier showed >50% volatiles (on dry ash free basis) of the feed was present in the char [21]. This points to not all volatiles are removed during high pressure pyrolysis and confirms the reliability of the data obtained in the study. It was also suggested that at elevated pressures, the amount of volatiles released decreases due to increased mass transfer resistance [17]. The increased mass transfer resistance leads to deposition of tar and soot on the char particles. The difference in conversion could be due to the amount of tar/soot settled on the char particles. The presence of tar and soot with char particles generated at elevated pressures were also reported by Shurtz and Fletcher [4]. The tar/soot present in each char sample was partially removed by washing the sample in THF. The conversion was also determined after chars were washed in THF. The conversion for the char generated in the CO2/N2 atmosphere increased marginally from 27 to 29%, while the conversion for chars generated in N2 and Ar atmospheres increased from 19% to 29% and 16% to 28%, respectively. The significant increase in conversion after washing with THF for chars generated in N2 and Ar indicates the THF soluble tar and soot were not consumed in the HPHTFR, while these components were converted in the presence of CO2 in the HPHTFR as shown by a smaller increase in conversion after washing with THF.

3.2. Surface Area, Pore Size Distribution and Swelling Ratio

Although the primary focus of this study is to measure the volatile yield during pyrolysis, and to determine the kinetics of chars generated in different atmospheres, the results of surface area, pore size distribution, and swelling ratio are also presented to determine the difference in structural features.
The chars were analyzed for BET surface area and BJH pore size distribution measurements and the results are as follows: The surface area of chars generated in CO2/N2, N2, and Ar were 9.5 ± 0.2, 6.5, and 6.3 m2/g, respectively. After washing with THF, the surface areas of chars pyrolyzed in CO2/N2 and N2 were almost the same at 8.5 and 8.7 m2/g, respectively. All these show that pyrolysis atmosphere does not substantially affect the initial surface area of the chars.
The other factor that can affect the kinetics is the morphology of the chars. A char that underwent higher swelling is more likely to fragment during gasification [22]. Increased fragmentation affects the char particle size distribution in the gasifier and that affects the kinetics and particle residence time. From that perspective, swelling ratio of the chars was examined by measuring the apparent density using a tap density technique. The swelling ratios of chars generated in the CO2/N2, N2, and Ar atmospheres were found to be 1.70, 1.74, and 1.72, respectively (shown in Table 4).
Similarities in swelling ratio can also be due to the presence of tar and soot with char. The soot particles collected from the reactor were large agglomerates with extremely low density. Presence of low-density soot particles and tar with char can lower the density of the char sample and consequently increase the swelling ratio. Therefore, the swelling ratio of the THF washed chars was also determined. After washing with THF, the char generated in CO2/N2 showed slightly higher swelling ratio of 1.69 compared to 1.65 and 1.63 for chars generated in N2 and Ar atmospheres, respectively. The error bar in these measurements was ±0.005. The decrease in swelling ratio for the chars generated in N2 and Ar can be attributed to removal of tar/soot and due to increased conversion, while the tar generated in CO2/N2 pyrolysis atmosphere got consumed.

3.3. Char Reactivity

It must be emphasized that the reactivity measured is not just char reactivity but also includes soot reactivity. There was a difficulty in quantifying and separating the soot from char. Although the reactivity measured is a combination of soot and char, only char reactivity will be referred to henceforth in the text for the sake of clarity in the discussion.
Figure 4 shows the char conversion profiles with CO2 at 6.2 bar in the HPTGA. The temperature effect on conversion is straightforward where increase in temperature increased conversion (in daf basis) for all the chars. The apparent reaction rate was calculated and found to increase with increase in temperature for all the chars. The apparent reaction rate at 10% conversion at 875 °C followed the order: N2 pyrolyzed char (0.0153 min−1) > Ar pyrolyzed char (0.0136 min−1) > CO2/N2 pyrolyzed char (0.0129 min−1). The apparent reaction rate is affected by a combination of parameters such as physical properties (i.e., surface area and morphology) and chemical structure (i.e., structural ordering of carbon) [23]. As discussed earlier, the surface area (ranging between 6–10 m2/g) and the morphology (determined through the swelling ratio) of the chars were not substantially different. With the surface area being not too different, the reactivity difference is attributed to chemical structural differences.
The chars were analyzed by Raman spectroscopy for defects and graphitic regions to ascertain structural differences. A char with higher intensity of defects to graphite is expected to structurally more reactive [24]. Interestingly, the ratios of the intensity of defects to graphite were also similar for chars generated in different atmospheres (shown in Figure 5). These results also did not explain the difference in reactivity of chars generated in different pyrolysis atmospheres. Since the Raman spectroscopy is a surface technique, the soot contamination might have affected the analysis. Therefore, the chars were characterized for the structural ordering of carbon using XRD, a bulk technique. The XRD patterns are shown in Figure 6. The lateral size of the crystallite La, and the stacking height of the crystallite Lc were obtained using (100) and (002) peaks, respectively. Since the crystallite dimension is a function of background curve of the XRD plot, the procedure for determining the crystallite dimensions was repeated thrice. The average La values for the chars ranged between 32–34 Å, with the lowest being ~32 ± 3.1 Å for the char pyrolyzed in N2 to the highest value of ~34 ± 3.1 Å for the char generated in Ar. The range is far narrower for the stacking height (Lc) of the crystals and was between 13.1 ± 1–14.2 ± 1 Å. The difference in the crystal parameters was statistically insignificant to conclude that pyrolysis atmosphere affected the lattice structure.
The other possibility for the difference in reactivity could be due to physical and chemical transformations that occurred either during the pyrolysis stage (i.e., the ramp-up stage in the HPTGA) or the gasification stage (i.e., the isothermal stage) in the HPTGA. To ascertain the transformations during the pyrolysis stage in the HPTGA, the chars generated in the N2 and CO2/N2 atmospheres were heated to 875 °C in 6.2 bar pressure. The chars were maintained at 875 °C for about 15 min and cooled down. The surface area of the chars pyrolyzed in N2 and CO2/N2 after the ramp-up stage was 19.8 and 22.3 m2/g, respectively. This difference in surface area also does not warrant significant difference in reactivity. This was followed by analyzing the surface area of the chars gasified in CO2 atmosphere at 875 °C and 6.2 bar in the high pressure TGA. The reaction was stopped at 10 ± 2 % conversion and the chars were analyzed for surface area. Interestingly, the char generated in CO2/N2 showed the highest surface area of 155 ± 7 m2/g, followed by the chars generated in N2 and Ar atmospheres at 113 ± 6 m2/g and 104 m2/g, respectively. Higher surface area for the CO2/N2 char can be attributed to increased generation of finer pores (pore width <30 Å). This was reflected in ~30% lower pore volume for the char generated in N2 compared to the char generated in CO2/N2 (shown in Figure 7). Although the difference in surface area is significant, the increased surface area for the char pyrolyzed in CO2/N2 did not result in higher reactivity (shown in Figure 8). This implies that the structure of the char generated in CO2/N2 is intrinsically less reactive compared to the char generated in inert atmospheres. The intrinsic reactivity of the char generated in CO2/N2 is ~62% and ~64% of intrinsic reactivities of the chars generated in N2 and Ar, respectively (shown in Figure 9). Interestingly, XRD data (shown in Table 5) on the 10% converted char also did not show significant difference in lattice parameters. These further confirm that the approach used (i.e., Raman spectroscopy and XRD) to determine the structural differences are not adequate. The other noteworthy observation is the ~20% higher pore volume in the macropore region (>500 Å) for chars generated in inert atmospheres over the char generated in CO2/N2. It appears that macropores provided access to feeder pores that may have resulted in higher reactivity.
It can be hypothesized that higher reactivity for chars pyrolyzed in N2 and Ar may be due to products formed from the highly reactive tar components on the char surface, which were not released completely during the temperature ramp-up stage in the HPTGA. The hypothesis was based on the observation that only about 65–80% of the volatiles, as determined by the proximate analysis, was released during the pyrolysis stage in the HPTGA. To remove the effects of tar/soot captured on the particle surface, chars were washed with THF before analyzing for CO2 reactivity. Interestingly, the apparent CO2 reactivity of the sample pyrolyzed in N2, after washing with THF, decreased by ~25% at 875 °C, while the apparent reactivity of the sample pyrolyzed in Ar and CO2/N2 decreased by ~11% each at the corresponding temperature (shown in Figure 8). The difference in apparent reactivity for chars washed in THF is also far narrower ranging from 0.0115 min−1 for the THF washed CO2/N2 char to 0.0122 min−1 for the THF washed N2 char. To further confirm if this decrease in reactivity was only due to removal of tar/soot and not due to THF, a calcined coke was washed in the THF and dried using the same procedure employed to wash coal chars. The CO2 reactivities of calcined petcoke and THF washed calcined coke were ascertained at 875 °C and 6.2 bar. The reactivities showed no significant difference confirming that the THF had no effect on the reactivity of these samples (shown in Figure 10). After washing with THF, the apparent reactivities of chars were similar (shown in Figure 8). It is adequately shown that chemical structural differences among chars due to pyrolysis atmosphere, based on XRD and Raman techniques, proved to be inconclusive. At 10% conversion in the HPTGA, the char generated in CO2/N2 yielded higher surface area, higher pore volume, and almost similar apparent reaction rate as the 10% converted char generated in the N2 atmosphere. The intrinsic reactivity of the THF washed char generated in N2 decreased more compared to the char generated in CO2/N2. The decrease in intrinsic reactivity of the char can be attributed to removal of tar and soot. For the char generated in CO2/N2, the intrinsic reactivity dropped marginally owing to limited amount of extractable tar and soot.
The difference in reactivity before and after washing with THF was shown to be due to tar and soot. To determine the composition of tar and soot that contributed to increased reactivity, the THF soluble was analyzed in the GC-MS. The GC-MS spectrograms and the compounds speciation obtained from chars pyrolyzed in N2 and CO2/N2 are shown in Table 6 and Figure 11. Qualitative analysis of the tar and soot showed the presence of polyaromatic hydrocarbons (PAH) for chars generated in N2 and CO2/N2. Interestingly, naphthalene was not observed in the THF soluble tar, while it was one of the major tar components obtained during gasification of Pittsburgh No. 8 coal char in CO2 in atmosphere at 1300 °C and 1 bar [25]. Higher concentration of polyaromatic hydrocarbons including a six-member ring compound (i.e., benzo(ghi)perylene) and absence of naphthalene suggest increased retrogressive reactions at higher pressure leading to polyaromatic condensation [26]. These PAHs must have acted as precursors to the product that contributed to differing reactivities for the chars generated in inert atmospheres. To determine the products from the tar/soot, the char generated in N2 atmosphere was heated to 875 °C at 10 °C/min in Ar atmosphere and was cooled in the HPTGA. The sample (~50 mg) was suspended in 35 mL of THF for 5 h and heated to 66 °C. The filtrate was analyzed in the GC-MS. The filtrate showed no PAH confirming that tar compounds were completely decomposed to form higher molecular weight soot. The higher molecular weight soot must have been more reactive than the char itself.

3.3.1. Kinetic Parameters

The reaction rates versus conversion are shown in Figure 12. The kinetic parameters of the chars were obtained using the apparent reaction rate at 10% conversion. This was to avoid the fluctuation in temperature as well as allowing the TGA to reach equilibrium in terms of reaction gas atmosphere. The reactivity of chars was obtained from the Arrhenius plots of ln k vs. T−1 as shown in Figure 13. Higher regression coefficients (R2 > 0.95) for all the plots confirm that the reaction was in the kinetic controlled regime. The kinetic parameters and the correlation coefficient were determined and are listed in Table 7. To further confirm that the reaction was in the kinetic-controlled regime, an internal effectiveness factor was calculated from Thiele modulus assuming all particles are cenospherical in shape with a wall thickness of 5 µm. The Thiele modulus for cenospherical char as reported by Hodge et al. [5] was used in the calculations. The wall thickness of 5 µm was assumed due to higher swelling ratio. The calculations showed that the effectiveness factor is 1 confirming that the reaction was in the kinetic controlled regime for all the chars below 900 °C (effectiveness factor lower than 1 is an indication of mass transfer limitation and the kinetics are not true intrinsic kinetics). The variation of effectiveness factor with temperature at 6.2 bar is shown in Figure 14.
The activation energy and pre-exponential factor, shown in Table 7, are independent of the pyrolysis gas atmosphere. Similarly, the pre-exponential factor normalized with surface area also was not significantly affected by the pyrolysis atmospheres. These similarities could have been the result of tar and soot covering the char surface. To confirm the hypothesis, the chars were washed with THF and the kinetic parameters were obtained again. Interestingly, the activation energy and the pre-exponential factor remained unaffected with pyrolysis atmosphere. All these point to pyrolysis gas atmosphere not affecting the activation energy. It is important to emphasize that the reactivity measured here is not just the reactivity of char. In the absence of clear evidence on the concentration of soot before and after THF washing and at 10% conversion, it is safe to say that the kinetic parameters represent the reactivity of not just char but also soot.

3.3.2. Order of Reaction

The order of reaction was calculated by varying the CO2 concentration from 25% (1.55 bar) to 100% (6.2 bar). The order of reaction follows the trend: CO2/N2 char > Ar char ≈ N2 char (shown in Table 7). The order of reaction is an indication of the influence of the reactant gas concentration on apparent reactivity [27]. The significance of the order of reaction can be understood from the char-CO2 reaction mechanism. One of the widely accepted mechanisms postulated by Ergun [28] for char-CO2 reaction is shown as follows [29,30].
C t + CO 2 C ( O ) + CO
C ( O ) CO + C t
According to the mechanism, the overall rate of the reaction is proportional to the number of carbon–oxygen active complexes formed and desorbed during the reaction. At lower CO2 partial pressure, not all active sites would form carbon–oxygen complexes. With increase in partial pressure, more active sites form carbon-oxygen complexes. The extent to which the carbon–oxygen complexes form determines the order of reaction. Higher order of reaction for the char pyrolyzed in CO2/N2 implies that higher increase in the rate of formation and desorption of carbon–oxygen complexes as the partial pressure was increased from 1.55 bar to 6.2 bar CO2 pressure. In other words, the reaction rate of the char is highly sensitive to CO2 concentration. For the chars generated in inert atmospheres (i.e., N2 and Ar), lower order of reaction can be linked to lower surface area and possibly due to residual products of tar components. The hypothesis that the tar components or the products of tar components contribute to increased reactivity is further confirmed by the significant increase in order of reaction for the THF washed chars. The order of reaction increased considerably by 120%, 83%, and 41% for the chars pyrolyzed in N2, CO2/ N2, and Ar, respectively. The correlation between order of the reaction and increase in surface area between the initial char and the 10% char confirms that the order of reaction is a function of surface area.

4. Conclusions

Pyrolysis of a bituminous coal was studied in N2 and CO2/N2 and Ar-based atmospheres in a high pressure, high temperature flow reactor. Chars were obtained at 1100 °C and 6.2 bar with a sampling residence time of ~2.3 s. The volatile yield was highest for the char generated in the CO2/N2 atmosphere compared to inert atmospheres, while there was no noticeable difference in volatile yield observed between N2- and Ar-based environments. The difference in volatile yield with pyrolysis atmosphere was found to be due to gasification of tar and soot by CO2. Except for the volatile yield, there were no significant differences in the N2–BET surface areas, lattice parameters of the crystallite carbon, swelling ratio, and the defects to graphite band ratio with pyrolysis atmospheres. The lack of differences with swelling ratio can be attributed to tar/soot deposition. The tar/soot present on the char surface contributed to increased reactivity. The intrinsic reactivity was found to be highest for the char generated in N2 atmosphere and lowest for the char generated in CO2/N2 atmosphere. Both Raman and XRD techniques did not adequately describe the structural differences. The kinetic parameters of the chars were obtained using nth order model. The activation energies were found to be independent of the pyrolysis atmospheres. The order of reaction correlated well with the N2 surface area.

Author Contributions

Conceptualization, S.V.P. and V.K.; Methodology, V.K.; Investigation, V.K.; Resources, V.K.; Writing-Original Draft Preparation, V.K.; Writing-Review & Editing, V.K., S.V.P and Y.D.Y.; Supervision, S.V.P.; Project Administration, S.V.P; Funding Acquisition, S.V.P.

Funding

This research received no external funding.

Acknowledgments

Technical support of Julie Anderson, Max Wetherington, and Nichole Wonderling for their assistance with SEM, Raman and XRD data acquisition and Brad Maben for his help in operating the high pressure reactor.

Conflicts of Interest

The authors declare no conflict of interest.

References

  1. Pisupati, S.V.; Krishnamoorthy, V. 2-Utilization of Coal in IGCC Systems. In Integrated Gasification Combined Cycle (IGCC) Technologies; Wang, T., Stiegel, G., Eds.; Woodhead Publishing: Cambridge, UK, 2017; pp. 83–120. [Google Scholar]
  2. Tremel, A.; Spliethoff, H. Gasification kinetics during entrained flow gasification—Part II: Intrinsic char reaction rate and surface area development. Fuel 2013, 107, 653–661. [Google Scholar] [CrossRef]
  3. Roberts, D.G.; Harris, D.J.; Wall, T.F. On the Effects of High Pressure and Heating Rate during Coal Pyrolysis on Char Gasification Reactivity. Energy Fuels 2003, 17, 887–895. [Google Scholar] [CrossRef]
  4. Shurtz, R.C.; Fletcher, T.H. Coal Char-CO2 Gasification Measurements and Modeling in a Pressurized Flat-Flame Burner. Energy Fuels 2013, 27, 3022–3038. [Google Scholar] [CrossRef]
  5. Hodge, E.M.; Roberts, D.G.; Harris, D.J.; Stubington, J.F. The Significance of Char Morphology to the Analysis of High-Temperature Char−CO2 Reaction Rates. Energy Fuels 2010, 24, 100–107. [Google Scholar] [CrossRef]
  6. Liu, G.; Benyon, P.; Benfell, K.E.; Bryant, G.W.; Tate, A.G.; Boyd, R.K.; Harris, D.J.; Wall, T.F. The porous structure of bituminous coal chars and its influence on combustion and gasification under chemically controlled conditions. Fuel 2000, 79, 617–626. [Google Scholar] [CrossRef]
  7. Ahn, D.H.; Gibbs, B.M.; Ko, K.H.; Kim, J.J. Gasification kinetics of an Indonesian sub-bituminous coal-char with CO2 at elevated pressure. Fuel 2001, 80, 1651–1658. [Google Scholar] [CrossRef]
  8. Roberts, D.G.; Hodge, E.M.; Harris, D.J.; Stubington, J.F. Kinetics of Char Gasification with CO2 under Regime II Conditions: Effects of Temperature, Reactant, and Total Pressure. Energy Fuels 2010, 24, 5300–5308. [Google Scholar] [CrossRef]
  9. Lewis, A.D.; Holland, T.M.; Marchant, N.R.; Fletcher, E.G.; Henley, D.J.; Fuller, E.G.; Fletcher, T.H. Steam Gasification Rates of Three Bituminous Coal Chars in an Entrained-Flow Reactor at Pressurized Conditions. Energy Fuels 2015, 29, 1479–1493. [Google Scholar] [CrossRef]
  10. Rathnam, R.K.; Elliott, L.K.; Wall, T.F.; Liu, Y.; Moghtaderi, B. Differences in reactivity of pulverised coal in air (O2/N2) and oxy-fuel (O2/CO2) conditions. Fuel Process. Technol. 2009, 90, 797–802. [Google Scholar] [CrossRef]
  11. Borrego, A.G.; Alvarez, D. Comparison of Chars Obtained under Oxy-Fuel and Conventional Pulverized Coal Combustion Atmospheres. Energy Fuels 2007, 21, 3171–3179. [Google Scholar] [CrossRef]
  12. Brix, J.; Jensen, P.A.; Jensen, A.D. Coal devolatilization and char conversion under suspension fired conditions in O2/N2 and O2/CO2 atmospheres. Fuel 2010, 89, 3373–3380. [Google Scholar] [CrossRef]
  13. Wang, Q.; Zhang, R.; Luo, Z.; Fang, M.; Cen, K. Effects of Pyrolysis Atmosphere and Temperature on Coal Char Characteristics and Gasification Reactivity. Energy Technol. 2016, 4, 543–550. [Google Scholar] [CrossRef]
  14. Krishnamoorthy, V.; Pisupati, S.V. Fate of Sulfur during Entrained-Flow Gasification of Pittsburgh No. 8 Coal: Influence of Particle Size, Sulfur Forms, and Temperature. Energy Fuels 2016, 30, 3241–3250. [Google Scholar] [CrossRef]
  15. Krishnamoorthy, V.; Tchapda, A.H.; Pisupati, S.V. A study on fragmentation behavior, inorganic melt phase formation, and carbon loss during high temperature gasification of mineral matter rich fraction of Pittsburgh No. 8 coal. Fuel 2017, 208, 247–259. [Google Scholar] [CrossRef]
  16. Krishnamoorthy, V. Structural Characteristics and CO2 Reactivity of Partially Gasified Pittsburgh no.8 Coal Chars Generated in a High-Pressure, High-Temperature, Flow Reactor. Ph.D. Thesis, Department of Energy and Mineral Engineering, The Pennsylvania State University, University Park, PA, USA, 2018. [Google Scholar]
  17. Zeng, D.; Fletcher, T.H. Effects of Pressure on Coal Pyrolysis and Char Morphology. Energy Fuels 2005, 19, 1828–1838. [Google Scholar] [CrossRef]
  18. Shurtz, R.C.; Kolste, K.K.; Fletcher, T.H. Coal Swelling Model for High Heating Rate Pyrolysis Applications. Energy Fuels 2011, 25, 2163–2173. [Google Scholar] [CrossRef]
  19. Louw, E. Structure and Combustion Reactivity of Inertinite-Rich and Vitrinite Rich South African Coal Chars: Quantification of the Structural Factors Contributing to Reactivity Differences. Ph.D. Thesis, Department of Energy and Mineral Engineering, The Pennsylvania State University, University Park, PA, USA, 2013. [Google Scholar]
  20. Guillen, M.D.; Blanco, J.; Canga, J.S.; Blanco, C.G. Study of the effectiveness of 27 organic solvents in the extraction of coal tar pitches. Energy Fuels 1991, 5, 188–192. [Google Scholar] [CrossRef]
  21. Wu, T.; Gong, M.; Lester, E.; Wang, F.; Zhou, Z.; Yu, Z. Characterisation of residual carbon from entrained-bed coal water slurry gasifiers. Fuel 2007, 86, 972–982. [Google Scholar] [CrossRef]
  22. Liu, G.; Wu, H.; Gupta, R.P.; Lucas, J.A.; Tate, A.G.; Wall, T.F. Modeling the fragmentation of non-uniform porous char particles during pulverized coal combustion. Fuel 2000, 79, 627–633. [Google Scholar] [CrossRef]
  23. Feng, B.; Bhatia, S.K.; Barry, J.C. Variation of the Crystalline Structure of Coal Char during Gasification. Energy Fuels 2003, 17, 744–754. [Google Scholar] [CrossRef]
  24. Sheng, C. Char structure characterised by Raman spectroscopy and its correlations with combustion reactivity. Fuel 2007, 86, 2316–2324. [Google Scholar] [CrossRef]
  25. Tchapda, A.H.; Krishnamoorthy, V.; Yeboah, Y.D.; Pisupati, S.V. Analysis of tars formed during co-pyrolysis of coal and biomass at high temperature in carbon dioxide atmosphere. J. Anal. Appl. Pyrolysis 2017, 128, 379–396. [Google Scholar] [CrossRef]
  26. Ma, J. Soot Formation during Coal Pyrolysis. Ph.D. Thesis, Department of Chemical Engineering, Brigham Young University, Provo, UT, USA, 1996. [Google Scholar]
  27. Tanner, J.; Bhattacharya, S. Kinetics of CO2 and steam gasification of Victorian brown coal chars. Chem. Eng. J. 2016, 285, 331–340. [Google Scholar] [CrossRef]
  28. Ergun, S. Kinetics of the Reaction of Carbon with Carbon Dioxide. J. Phys. Chem. 1956, 60, 480–485. [Google Scholar] [CrossRef]
  29. Laurendeau, N.M. Heterogeneous kinetics of coal char gasification and combustion. Prog. Energy Combust. Sci. 1978, 4, 221–270. [Google Scholar] [CrossRef]
  30. Feng, B.; Bhatia, S.K. On the validity of thermogravimetric determination of carbon gasification kinetics. Chem. Eng. Sci. 2002, 57, 2907–2920. [Google Scholar] [CrossRef]
Figure 1. Schematic of the high-pressure, high-temperature flow reactor.
Figure 1. Schematic of the high-pressure, high-temperature flow reactor.
Energies 12 00107 g001
Figure 2. Methodology employed in this investigation.
Figure 2. Methodology employed in this investigation.
Energies 12 00107 g002
Figure 3. Volatile yield for chars generated in different pyrolysis atmospheres.
Figure 3. Volatile yield for chars generated in different pyrolysis atmospheres.
Energies 12 00107 g003
Figure 4. Conversion profiles of chars with CO2 in HPTGA (The temperature in the legend indicates the HPTGA temperature and the gas atmosphere indicates the pyrolysis atmosphere in a high-pressure, high-temperature flow reactor (HPHTFR)).
Figure 4. Conversion profiles of chars with CO2 in HPTGA (The temperature in the legend indicates the HPTGA temperature and the gas atmosphere indicates the pyrolysis atmosphere in a high-pressure, high-temperature flow reactor (HPHTFR)).
Energies 12 00107 g004aEnergies 12 00107 g004bEnergies 12 00107 g004c
Figure 5. The ratio of defects band intensity to graphite band intensity (Id/Ig) (measured on chars before washing with tetrahydrofuran (THF)).
Figure 5. The ratio of defects band intensity to graphite band intensity (Id/Ig) (measured on chars before washing with tetrahydrofuran (THF)).
Energies 12 00107 g005
Figure 6. XRD pattern of chars generated in different pyrolysis atmosphere (before washing with THF).
Figure 6. XRD pattern of chars generated in different pyrolysis atmosphere (before washing with THF).
Energies 12 00107 g006
Figure 7. Pore size distribution of chars.
Figure 7. Pore size distribution of chars.
Energies 12 00107 g007
Figure 8. Apparent reactivity of chars before and after washing with THF (at 875 °C).
Figure 8. Apparent reactivity of chars before and after washing with THF (at 875 °C).
Energies 12 00107 g008
Figure 9. Intrinsic reactivity of chars generated in various pyrolysis atmospheres.
Figure 9. Intrinsic reactivity of chars generated in various pyrolysis atmospheres.
Energies 12 00107 g009
Figure 10. CO2 reactivity of the reference char and the THF washed reference char.
Figure 10. CO2 reactivity of the reference char and the THF washed reference char.
Energies 12 00107 g010
Figure 11. GC-MS chromatograms of THF soluble tars obtained by washing chars generated in CO2/N2 and N2 atmospheres (only qualitative analysis).
Figure 11. GC-MS chromatograms of THF soluble tars obtained by washing chars generated in CO2/N2 and N2 atmospheres (only qualitative analysis).
Energies 12 00107 g011
Figure 12. Instantaneous reaction rates of chars with conversion (before and after washing with THF).
Figure 12. Instantaneous reaction rates of chars with conversion (before and after washing with THF).
Energies 12 00107 g012aEnergies 12 00107 g012bEnergies 12 00107 g012c
Figure 13. Arrhenius plots for chars generated in different gaseous atmospheres.
Figure 13. Arrhenius plots for chars generated in different gaseous atmospheres.
Energies 12 00107 g013aEnergies 12 00107 g013bEnergies 12 00107 g013c
Figure 14. Effectiveness factor for char-CO2 reaction at 6.2 bar.
Figure 14. Effectiveness factor for char-CO2 reaction at 6.2 bar.
Energies 12 00107 g014
Table 1. Coal properties.
Table 1. Coal properties.
CoalPittsburgh No. 8 Coal
Particle size fraction−150 + 106 µm
Proximate analysis (dry basis, weight %)
Volatile Matter38.0
Fixed Carbon54.7
Ash7.3
Ultimate analysis (dry basis, weight %)
Carbon82.2
Hydrogen 5.4
Nitrogen1.6
Sulfur 1.5
Oxygen2.0
Calorific Value, MJ/kg34.0
Table 2. Experimental conditions.
Table 2. Experimental conditions.
Pyrolysis Gas Atmosphere in the ReactorPrimary Stream Secondary StreamMaximum Reactor Tube Wall Temperature/Pressure *
GasFlow Rate (SLPM)GasFlow Rate (SLPM)
N2N26N2481100 ± 7 °C/6.2 bar
ArAr6Ar481100 ± 7 °C/6.2 bar
50 vol.% CO2 and 50% N2 or (CO2/N2)N26CO2 and N2 CO2 (27) and N2 (21)1100 ± 7 °C/6.2 bar
* Absolute pressure; SLPM is standard liters per minute.
Table 3. Proximate analysis of the chars generated in different pyrolysis atmospheres.
Table 3. Proximate analysis of the chars generated in different pyrolysis atmospheres.
Pyrolysis AtmosphereVMd, wt. %FCd, wt. %Ashd, wt. %
Before washing with THF
Argon23.567.98.6
Carbon dioxide/Nitrogen19.371.09.7
Nitrogen25.765.48.9
After washing with THF
Argon20.969.19.8
Carbon dioxide/Nitrogen20.469.710.0
Nitrogen20.070.19.9
Subscript “d” represents dry basis; VM: Volatile matter; FC: Fixed carbon.
Table 4. Thermal swelling ratio of chars.
Table 4. Thermal swelling ratio of chars.
Gas AtmosphereBefore THF WashingAfter THF Washing
CO2/N21.70 ± 0.0061.69
N21.74 ± 0.0041.63
Ar1.72 ± 0.0051.65
Table 5. Values of La and Lc for chars (before washing with THF).
Table 5. Values of La and Lc for chars (before washing with THF).
Pyrolysis Atmosphere in HPHTRInitial Char10% Converted Char
La (Å)Lc(Å)La (Å)Lc(Å)
CO2/N233.1 ± 3.113.7 ± 2.837.314.5
N232.1 ± 2.213.1 ± 1.037.613.8
Ar33.8 ± 1.514.2 ± 1.540.214.2
* Error bar was calculated based on t-distribution.
Table 6. Compounds identified by the GC-MS.
Table 6. Compounds identified by the GC-MS.
Retention Time (min)CompoundsArea %
CO2/N2N2
10.701, 4 Benzene diamine, N,N’-bis (1-methyl ethyl)4.42.3
10.952,5, cyclohexadiene-1,4-dione, 2,6-bis (1,1, dimethyl ethyl)12.96.3
11.041 H cyclopropa(a)napthalene17.62.5
13.52Phenanthrene7.63.0
15.44Fluoranthene14.517.6
15.591,8, Anthracene diamine0.02.5
15.69Phenaleno (1,9-bc) thiophene0.01.7
15.79Pyrene29.027.3
17.43 and 17.73Cyclopenta (cd) pyrene9.414.5
19.38/19.75Benzo(k)flouranthene1.55.8
19.81Benz(e)acephenanthrylene1.35.7
21.71Benzo(ghi)perylene1.810.8
Total100100
Table 7. Kinetic parameters for the chars generated in various pyrolysis atmospheres (at 10% conversion).
Table 7. Kinetic parameters for the chars generated in various pyrolysis atmospheres (at 10% conversion).
Pyrolysis AtmosphereCO2/N2N2Ar
Before THFAfter THFBefore THFAfter THFBefore THFAfter THF
Ea (kJ/mol)231205225216230212
A (s−1)6.3 × 1060.4 × 1064.3 × 1061.4 × 1066.2 × 1061 × 106
A0 (s−1 bar−n)2.8 × 1060.13 × 1062.6 × 1060.6 × 1063.9 × 1060.4 × 106
n0.460.650.250.550.290.53
Aint (gm−2s−1)40 × 1033 × 10340 × 10313.7 × 10360 × 103ND
SA10% conv (m2/g)155152113102104ND
R20.9731.0000.9960.9991.0000.991
* Error bar with 95% confidence interval around activation energy and pre-exponential factor are ±8.7 kJ/mol and 5.9 × 106 s−1; R2: Regression coefficient; ND: not determined.

Share and Cite

MDPI and ACS Style

Krishnamoorthy, V.; Yeboah, Y.D.; Pisupati, S.V. Influence of Pyrolysis Gas on Volatile Yield and CO2 Reaction Kinetics of the Char Samples Generated in a High-Pressure, High-Temperature Flow Reactor. Energies 2019, 12, 107. https://doi.org/10.3390/en12010107

AMA Style

Krishnamoorthy V, Yeboah YD, Pisupati SV. Influence of Pyrolysis Gas on Volatile Yield and CO2 Reaction Kinetics of the Char Samples Generated in a High-Pressure, High-Temperature Flow Reactor. Energies. 2019; 12(1):107. https://doi.org/10.3390/en12010107

Chicago/Turabian Style

Krishnamoorthy, Vijayaragavan, Yaw D. Yeboah, and Sarma V. Pisupati. 2019. "Influence of Pyrolysis Gas on Volatile Yield and CO2 Reaction Kinetics of the Char Samples Generated in a High-Pressure, High-Temperature Flow Reactor" Energies 12, no. 1: 107. https://doi.org/10.3390/en12010107

APA Style

Krishnamoorthy, V., Yeboah, Y. D., & Pisupati, S. V. (2019). Influence of Pyrolysis Gas on Volatile Yield and CO2 Reaction Kinetics of the Char Samples Generated in a High-Pressure, High-Temperature Flow Reactor. Energies, 12(1), 107. https://doi.org/10.3390/en12010107

Note that from the first issue of 2016, this journal uses article numbers instead of page numbers. See further details here.

Article Metrics

Back to TopTop