An NNwC MPPT-Based Energy Supply Solution for Sensor Nodes in Buildings and Its Feasibility Study
Abstract
1. Introduction
2. Literature Review
2.1. Maximum Power Point Tracking (MPPT) Technique
2.1.1. Incremental Conductance
2.1.2. Perturb and Observe
2.1.3. Fuzzy Logic
2.1.4. Neural Network
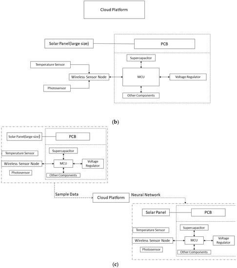
3. Neural Network MPPT with Cloud Method (NNwC) System Design
3.1. Solar Cells Characteristic
3.2. NNwC System Overview
3.3. Environmental MPPT Model without Real-Time Current and Voltage Monitoring
3.4. High-Efficiency Solar Energy Wireless Sensor Node System
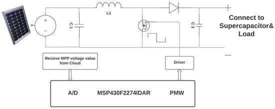
3.4.1. Sensor Node Harvester and MPPT Controller
3.4.2. Cloud Process Center
3.5. Partial Shading Condition
4. Simulation and Estimation
4.1. Power Consumption in Sensor Node
4.2. Power Generation in Sensor Node
5. Feasibility Analysis
6. Conclusions
Author Contributions
Funding
Acknowledgments
Conflicts of Interest
References
- Pérez-Lombard, L.; Ortiz, J.; Pout, C. A review on buildings energy consumption information. Energy Build. 2008, 40, 394–398. [Google Scholar] [CrossRef]
- Paradiso, A.J.; Starner, T. Energy scavenging for mobile and wireless electronics. IEEE Pervasive Comput. 2005, 1, 18–27. [Google Scholar] [CrossRef]
- Kim, J.; Kim, J.; Kim, C. A regulated charge pump with a low-power integrated optimum power point tracking algorithm for indoor solar energy harvesting. IEEE Trans. Circuits Syst. II Express Briefs 2011, 58, 802–806. [Google Scholar] [CrossRef]
- Tan, Y.K.; Panda, S.K. Energy harvesting from hybrid indoor ambient light and thermal energy sources for enhanced performance of wireless sensor nodes. IEEE Trans. Ind. Electron. 2011, 58, 4424–4435. [Google Scholar] [CrossRef]
- Seyedmahmoudian, M.; Horan, B.; Soon, T.K.; Rahmani, R.; Oo, A.M.T.; Mekhilef, S.; Stojcevski, A. State of the art artificial intelligence-based MPPT techniques for mitigating partial shading effects on PV systems—A review. Renew. Sustain. Energy Rev. 2016, 64, 435–455. [Google Scholar] [CrossRef]
- Esram, T.; Chapman, P.L. Comparison of photovoltaic array maximum power point tracking techniques. IEEE Trans. Energy Convers. 2007, 22, 439–449. [Google Scholar] [CrossRef]
- Hussein, K.H.; Muta, I.; Hoshino, T.; Osakada, M. Maximum photovoltaic power tracking: An algorithm for rapidly changing atmospheric conditions. IEEE Proc. Gener. Transm. Distrib. 1995, 142, 59–64. [Google Scholar] [CrossRef]
- Sera, D.; Mathe, L.; Kerekes, T.; Spataru, S.V.; Teodorescu, R. On the perturb-and-observe and incremental conductance MPPT methods for PV systems. IEEE J. Photovolt. 2013, 3, 1070–1078. [Google Scholar] [CrossRef]
- Kuo, Y.-C.; Liang, T.-J.; Chen, J.-F. Novel maximum-power-point-tracking controller for photovoltaic energy conversion system. IEEE Trans. Ind. Electron. 2001, 48, 594–601. [Google Scholar]
- Wu, W.; Pongratananukul, N.; Qiu, W.; Rustom, K.; Kasparis, T.; Batarseh, I. DSP-based multiple peak power tracking for expandable power system. In Proceedings of the Applied Power Electronics Conference and Exposition, Miami Beach, FL, USA, 9–13 February 2003; Volume 1, pp. 525–530. [Google Scholar]
- Irisawa, K.; Saito, T.; Takano, I.; Sawada, Y. Maximum power point tracking control of photovoltaic generation system under non-uniform insolation by means of monitoring cells. In Proceedings of the Conference Record of the Twenty-Eighth IEEE Photovoltaic Specialists Conference, Anchorage, AK, USA, 15–22 September 2000; pp. 1707–1710. [Google Scholar]
- Abdelsalam, A.K.; Massoud, A.M.; Ahmed, S.; Enjeti, P.N. High-performance adaptive perturb and observe MPPT technique for photovoltaic-based microgrids. IEEE Trans. Power Electron. 2011, 26, 1010–1021. [Google Scholar] [CrossRef]
- Nedumgatt, J.; Jayakrishnan, K.B.; Umashankar, S.; Vijayakumar, D.; Kothari, D.P. Perturb and observe MPPT algorithm for solar PV systems-modeling and simulation. In Proceedings of the India Conference (INDICON), Hyderabad, India, 16–18 December 2011. [Google Scholar]
- Elgendy, M.A.; Zahawi, B.; Atkinson, D.J. Assessment of perturb and observe MPPT algorithm implementation techniques for PV pumping applications. IEEE Trans. Sustain. Energy 2012, 3, 21–33. [Google Scholar] [CrossRef]
- Wasynczuk, O. Dynamic behavior of a class of photovoltaic power systems. IEEE Trans. Power App. Syst. 1983, 102, 3031–3037. [Google Scholar] [CrossRef]
- Salas, V.; Olías, E.; Barrado, A.; Lázaro, A. Review of the maximum power point tracking algorithms for stand-alone photovoltaic systems. Sol. Energy Mater. Sol. Cells 2006, 90, 1555–1578. [Google Scholar] [CrossRef]
- Femia, N.; Granozio, D.; Petrone, G.; Spagnuolo, G.; Vitelli, M. Predictive & Adaptive MPPT Perturb and Observe Method. IEEE Trans. Aerosp. Electron. Syst. 2007, 43, 934–950. [Google Scholar]
- Al-Amoudi, A.; Zhang, L. Optimal control of a grid-connected PV system for maximum power point tracking and unity power factor. In Proceedings of the Seventh International Conference on Power Electronics and Variable Speed Drives, London, UK, 21–23 September 1998; pp. 80–85. [Google Scholar]
- Xiao, W.; Dunford, W.G. A modified adaptive hill climbing MPPT method for photovoltaic power systems. In Proceedings of the 2004 IEEE 35th Annual Power Electronics Specialists Conference, Aachen, Germany, 20–25 June 2004; Volume 3, pp. 1957–1963. [Google Scholar]
- Femia, N.; Petrone, G.; Spagnuolo, G.; Vitelli, M. Optimization of perturb and observe maximum power point tracking method. IEEE Trans. Power Electron. 2005, 20, 963–973. [Google Scholar] [CrossRef]
- D’Souza, N.S.; Lopes, L.A.; Liu, X. An intelligent maximum power point tracker using peak current control. In Proceedings of the 2005 IEEE 36th Power Electronics Specialists Conference, Recife, Brazil, 16 June 2005; p. 172. [Google Scholar]
- Wolfs, P.J.; Tang, L. A single cell maximum power point tracking converter without a current sensor for high performance vehicle solar arrays. In Proceedings of the 2005 IEEE 36th Power Electronics Specialists Conference, Recife, Brazil, 16 June 2005; pp. 165–171. [Google Scholar]
- Veerachary, M.; Senjyu, T.; Uezato, K. Maximum power point tracking control of IDB converter supplied PV system. IEEE Proc. Electr. Power Appl. 2001, 148, 494–502. [Google Scholar] [CrossRef]
- Kasa, N.; Iida, T.; Chen, L. Flyback inverter controlled by sensorless current MPPT for photovoltaic power system. IEEE Trans. Ind. Electron. 2005, 52, 1145–1152. [Google Scholar] [CrossRef]
- Won, C.-Y.; Kim, D.; Kim, S.; Kim, W.; Kim, H. A new maximum power point tracker of photovoltaic arrays using fuzzy controller. In Proceedings of the 1994 Power Electronics Specialist Conference, Taipei, Taiwan, 20–25 June 1994; Volume 1, pp. 396–403. [Google Scholar]
- Simoes, M.G.; Franceschetti, N.N.; Friedhofer, M. A fuzzy logic based photovoltaic peak power tracking control. In Proceedings of the IEEE International Symposium on Industrial Electronics, Pretoria, South Africa, 7–10 July 1998; Volume 1, pp. 300–305. [Google Scholar]
- Hilloowala, R.M.; Sharaf, A.M. A rule-based fuzzy logic controller for a PWM inverter in photo-voltaic energy conversion scheme. In Proceedings of the Conference Record of the 1992 IEEE Industry Applications Society Annual Meeting, Houston, TX, USA, 4–9 October 1992; pp. 762–769. [Google Scholar]
- Mahmoud, A.M.A.; Mashaly, H.M.; Kandil, S.A.; El Khashab, H.; Nashed, M.N.F. Fuzzy logic implementation for photovoltaic maximum power tracking. In Proceedings of the 9th IEEE International Workshop on Robot and Human Interactive Communication, Osaka, Japan, 27–29 September 2000; pp. 155–160. [Google Scholar]
- Patcharaprakiti, N.; Premrudeepreechacharn, S.; Sriuthaisiriwong, Y. Maximum power point tracking using adaptive fuzzy logic control for grid-connected photovoltaic system. Renew. Energy 2005, 30, 1771–1788. [Google Scholar] [CrossRef]
- Veerachary, M.; Senjyu, T.; Uezato, K. Neural-network-based maximum-power-point tracking of coupled-inductor interleaved-boost-converter-supplied PV system using fuzzy controller. IEEE Trans. Ind. Electron. 2003, 50, 749–758. [Google Scholar] [CrossRef]
- Hussein, A.; Hirasawa, K.; Hu, J.; Murata, J. The dynamic performance of photovoltaic supplied dc motor fed from DC-DC converter and controlled by neural networks. In Proceedings of the 2002 International Joint Conference on Neural Networks, Honolulu, HI, USA, 12–17 May 2002; Volume 1, pp. 607–612. [Google Scholar]
- Sun, X.; Wu, W.; Li, X.; Zhao, Q. A research on photovoltaic energy controlling system with maximum power point tracking. In Proceedings of the Power Conversion Conference, Osaka, Japan, 2–5 April 2002; Volume 2, pp. 822–826. [Google Scholar]
- Lin, W.M.; Hong, C.M.; Chen, C.H. Neural-network-based MPPT control of a stand-alone hybrid power generation system. IEEE Trans. Power Electron. 2011, 26, 3571–3581. [Google Scholar] [CrossRef]
- Elobaid, L.M.; Abdelsalam, A.K.; Zakzouk, E.E. Artificial neural network-based photovoltaic maximum power point tracking techniques: A survey. IET Renew. Power Gener. 2015, 9, 1043–1063. [Google Scholar] [CrossRef]
- Specht, D.F. A general regression neural network. IEEE Trans. Neural Netw. 1991, 2, 568–576. [Google Scholar] [CrossRef] [PubMed]
- Hiyama, T.; Kouzuma, S.; Imakubo, T. Identification of optimal operating point of PV modules using neural network for real time maximum power tracking control. IEEE Trans. Energy Convers. 1995, 10, 360–367. [Google Scholar] [CrossRef]
- Kannan, N.; Vakeesan, D. Solar energy for future world—A review. Renew. Sustain. Energy Rev. 2016, 62, 1092–1105. [Google Scholar] [CrossRef]
- Lin, K.; Yu, J.; Hsu, J.; Zahedi, S.; Lee, D.; Friedman, J.; Kansal, A.; Raghunathan, V.; Srivastava, M. Heliomote: Enabling long-lived sensor networks through solar energy harvesting. In Proceedings of the 3rd International Conference on Embedded Networked Sensor Systems, San Diego, CA, USA, 2–4 November 2005; p. 309. [Google Scholar]
- Brunelli, D.; Benini, L.; Moser, C.; Thiele, L. An efficient solar energy harvester for wireless sensor nodes. In Proceedings of the 2008 Design, Automation and Test in Europe, Munich, Germany, 10–14 March 2008; pp. 104–109. [Google Scholar]
- Hande, A.; Polk, T.; Walker, W.; Bhatia, D. Indoor solar energy harvesting for sensor network router nodes. Microprocess. Microsyst. 2007, 31, 420–432. [Google Scholar] [CrossRef]
- Bourgoine, N. Harvest energy from a single photovoltaic cell. J. Analog Innov. 2011, 21, 1–6. [Google Scholar]
- Ciulla, G.; Brano, V.L.; di Dio, V.; Cipriani, G. A comparison of different one-diode models for the representation of I–V characteristic of a PV cell. Renew. Sustain. Energy Rev. 2014, 32, 684–696. [Google Scholar] [CrossRef]
- Celani, J. Solar battery charger maintains high efficiency in low light. LT J. Analog. Innov. 2013, 10, 24–27. [Google Scholar]
- Badescu, V. Simple optimization procedure for silicon-based solar cell interconnection in a series—Parallel PV module. Energy Convers. Manag. 2006, 47, 1146–1158. [Google Scholar] [CrossRef]
- Mathews, I.; King, P.J.; Stafford, F.; Frizzell, R. Performance of III–V solar cells as indoor light energy harvesters. IEEE J. Photovolt. 2016, 6, 230–235. [Google Scholar] [CrossRef]
- Whitaker, C.M.; Townsend, T.U.; Wenger, H.J.; Iliceto, A.; Chimento, G.; Paletta, F. Effects of irradiance and other factors on PV temperature coefficients. In Proceedings of the The Conference Record of the Twenty-Second IEEE Photovoltaic Specialists Conference, Las Vegas, NV, USA, 7–11 October 1991; pp. 608–613. [Google Scholar]
- Villalva, M.G.; Gazoli, J.R.; Filho, E.R. Comprehensive approach to modeling and simulation of photovoltaic arrays. IEEE Trans. Power Electron. 2009, 24, 1198–1208. [Google Scholar] [CrossRef]
- Villalva, M.G.; Gazoli, J.R.; Filho, E.R. Modeling and circuit-based simulation of photovoltaic arrays. In Proceedings of the Power Electronics Conference, Bonito-Mato Grosso do Sul, Brazil, 27 September–1 October 2009; pp. 1244–1254. [Google Scholar]
- Wang, Q.; Wei, H.; Xu, Q. A Solid Oxide Fuel Cell (SOFC)-Based Biogas-from-Waste Generation System for Residential Buildings in China: A Feasibility Study. Sustainability 2018, 10, 2395. [Google Scholar] [CrossRef]
- Chen, J.M.P.; Ni, M. Economic analysis of a solid oxide fuel cell cogeneration/trigeneration system for hotels in Hong Kong. Energy Build. 2014, 75, 160–169. [Google Scholar] [CrossRef]
- Industrial and Commercial Bank of China Limited. RMB Deposit Interest Rate Table. Available online: http://www.icbc.com.cn/ICBC/EN/FinancialInformation/RMBDepositLoanRate/RMBDepositRate/ (accessed on 13 November 2018).
- Freewan, A.A.Y. Impact of external shading devices on thermal and daylighting performance of offices in hot climate regions. Sol. Energy 2014, 102, 14–30. [Google Scholar] [CrossRef]
- Al-Tamimi, N.A.; Fadzil, S.F.S. The potential of shading devices for temperature reduction in high-rise residential buildings in the tropics. Procedia Eng. 2011, 21, 273–282. [Google Scholar] [CrossRef]
- Franzetti, C.; Fraisse, G.; Achard, G. Influence of the coupling between daylight and artificial lighting on thermal loads in office buildings. Energy Build. 2004, 36, 117–126. [Google Scholar] [CrossRef]
- Hong Kong Observatory. Solar Energy Resources in Hong Kong from a Climatological Point of View. Available online: https://www.hko.gov.hk/education/article_e.htm?title=ele_00443 (accessed on 13 November 2018).
- Hondo, H. Life cycle GHG emission analysis of power generation systems: Japanese case. Energy 2005, 30, 2042–2056. [Google Scholar] [CrossRef]
- Lu, Y.; Wu, Z.; Chang, R.; Li, Y. Building Information Modeling (BIM) for green buildings: A critical review and future directions. Autom. Constr. 2017, 83, 134–148. [Google Scholar] [CrossRef]
- Chi, H.-L.; Wang, X.; Jiao, Y. BIM-Enabled Structural Design: Impacts and Future Developments in Structural Modelling, Analysis and Optimisation Processes. Arch. Comput. Methods Eng. 2014, 22, 135–151. [Google Scholar] [CrossRef]
- Xu, Z.; Li, M.; Lim, J.; Weng, Y.; Tay, Y.; Pham, H.; Pham, Q.-C. Large-scale 3D printing by a team of mobile robots. Autom. Constr. 2018, 95, 98–106. [Google Scholar]
- Zhao, Z.Y.; Chang, R.D. How to implement a wind power project in China?—Management procedure and model study. Renew. Energy 2013, 50, 950–958. [Google Scholar] [CrossRef]
















| MPPT Technique | PV Array Dependent | TRUE MPPT | Analog or Digital | Periodic Tuning | Convergence Speed | Implementation Complexity | Sensed Parameters |
|---|---|---|---|---|---|---|---|
| Hill-climbing/P&O | No | Yes | Both | No | Varies | Low | Voltage, Current |
| IncCond | No | Yes | Digital | No | Varies | Medium | Voltage, Current |
| Fractional Voc | Yes | No | Both | Yes | Medium | Low | Voltage |
| Fractional Isc | Yes | No | Both | Yes | Medium | Medium | Current |
| Fuzzy Logic Control | Yes | Yes | Digital | Yes | Fast | High | Varies |
| Neural Network | Yes | Yes | Digital | Yes | Fast | High | Varies |
| RCC | No | Yes | Analog | No | Fast | Low | Voltage, Current |
| Current Sweep | Yes | Yes | Digital | Yes | Slow | High | Voltage, Current |
| DC Link Capacitor Droop Control | No | No | Both | No | Medium | Low | Voltage |
| Load I or V Maximization | No | No | Analog | No | Fast | Low | Voltage, Current |
| dP/dV or Feedback Control | No | Yes | Digital | No | Fast | Medium | Voltage, Current |
| Array Reconfiguration | Yes | No | Digital | Yes | Slow | High | Voltage, Current |
| Linear Current Control | Yes | No | Digital | Yes | Fast | Medium | Irradiance |
| State-based MPPT | Yes | Yes | Both | Yes | Fast | High | Voltage, Current |
| OCC MPPT | Yes | No | Both | Yes | Fast | Medium | Current |
| BFV | Yes | No | Both | Yes | N/A | Low | None |
| LRCM | Yes | No | Digital | No | N/A | High | Voltage, Current |
| Slide Control | No | Yes | Digital | No | Fast | Medium | Voltage, Current |
| Direction of Perturbing | Power Change | Direction for Next Perturbing |
|---|---|---|
| Positive | Positive | Positive |
| Positive | Negative | Negative |
| Negative | Positive | Negative |
| Negative | Negative | Positive |
| Parameter | Value | Explanation |
|---|---|---|
| Isc | 7.84 (A) | Short-circuit current of the PV module (A) |
| Voc | 15 (V) | Open-circuit voltage of the PV module (V) |
| Ns | 30 (Unit) | Number of cells connected in series in the PV module |
| Kv | −0.361 (%/C) | Temperature coefficient of voltage |
| Ki | 0.102 (%/C) | Temperature coefficient of current |
| A | 0.981 | Diode ideality constant |
| Rs | 0.393 (Ohm) | Series resistors |
| Rsh | 313.4 (Ohm) | Shunt resistors |
| Np | 1 (Unit) | Number of parallel connections of cells in the PV module |
| Parameters | Option |
|---|---|
| Create Trainer Mode | Single Parameter |
| Hidden Layer Specification | Fully-Connected Case |
| Number of Hidden Nodes | 100 |
| Learning Rate | 0.005 |
| Number of Learning Iterations | 1000 |
| The Initial Learning Weights Diameter | 0.1 |
| The Momentum | 0 |
| The Type of Normalizer | Min-Max Normalizer |
| Training Samples:Testing Samples | 7:3 |
| Element | A | B | C (The Proposed System) |
|---|---|---|---|
| Life Span (years) | 10 | 10 | 10 |
| CAPEX | $23,535.64 | $36,445.64 | $15,365.12 |
| OPEX (annual) | $537.58 | $666.68 | $455.87 |
| Scrap Value | $1883 (8%) | $3645 (10%) | $1537 (10%) |
| LCC | $26,845.28 | $39,449.12 | $18,222.30 |
© 2018 by the authors. Licensee MDPI, Basel, Switzerland. This article is an open access article distributed under the terms and conditions of the Creative Commons Attribution (CC BY) license (http://creativecommons.org/licenses/by/4.0/).
Share and Cite
Chang, S.; Wang, Q.; Hu, H.; Ding, Z.; Guo, H. An NNwC MPPT-Based Energy Supply Solution for Sensor Nodes in Buildings and Its Feasibility Study. Energies 2019, 12, 101. https://doi.org/10.3390/en12010101
Chang S, Wang Q, Hu H, Ding Z, Guo H. An NNwC MPPT-Based Energy Supply Solution for Sensor Nodes in Buildings and Its Feasibility Study. Energies. 2019; 12(1):101. https://doi.org/10.3390/en12010101
Chicago/Turabian StyleChang, Shuhao, Qiancheng Wang, Haihua Hu, Zijian Ding, and Hansen Guo. 2019. "An NNwC MPPT-Based Energy Supply Solution for Sensor Nodes in Buildings and Its Feasibility Study" Energies 12, no. 1: 101. https://doi.org/10.3390/en12010101
APA StyleChang, S., Wang, Q., Hu, H., Ding, Z., & Guo, H. (2019). An NNwC MPPT-Based Energy Supply Solution for Sensor Nodes in Buildings and Its Feasibility Study. Energies, 12(1), 101. https://doi.org/10.3390/en12010101

