Abstract
Grid-connected inverters are widely used to interface renewable energy and energy storage resources into the grid. Voltage-controlled inverters have attracted more and more attention due to their grid-friendly characteristics. The mathematical models of the voltage and current loops are developed in this paper, considering especially the discrete control delay caused by calculation and modulation. In order to suppress the resonance peak in the current loop, the frequency characteristics of the current loop are analyzed in detail. The optimum design flow of the current controller and voltage controller parameters are presented based on numerical analysis, and the stability, dynamic performance and the resonance peak suppression in voltage loop are also considered. Finally, the validity of the mathematical model and the effectiveness of the controller parameters design method are verified by simulation and experimental results.
1. Introduction
In order to address the issues of the energy crisis and environmental pollution, solar [1,2], wind [3,4] and other renewable energy sources are attracting more and more attention. However, the output of renewable energy sources is stochastic and intermittent. As the vital interface between renewable energy sources and the utility grid, grid-connected inverters [5] have always been a research priority.
Grid-connected inverters can be divided into current-controlled inverters and voltage-controlled inverters according to the control target [6]. Current-controlled inverters take the grid-connected current as the control target, and thus can provide high quality current for the utility grid, but they cannot support the grid voltage, especially when the grid experiences disturbances. There are many control strategies used in current-controlled inverters, such as proportional-integral (PI) control, proportional-resonant (PR) control [7], hysteresis control [8], repetitive control [9] and so on. Voltage-controlled inverters take the output voltage or the capacitor voltage as the control target, so they can support the grid voltage and provide active power for sudden load changes, which benefits the grid voltage and frequency stability. Voltage-controlled inverters include the V-f controlled inverter, droop-controlled inverter [10] and virtual synchronous generator (VSG) [11]. In microgrids, the V-f controlled inverter operates in grid-forming mode as the main voltage source, so it can provide voltage and frequency support to an islanded microgrid [12]. In [13], a power-voltage controlled inverter based on the capacitor voltage feedback control of inductance-capacitor-inductance (LCL) filter is proposed. According to impedance analysis, this inverter is more adaptive under weak grid conditions. Droop-controlled inverters are used to share the load automatically without communication lines, which can enhance the reliability of the system. In [14], in order to realize power sharing between parallel multi-inverters, an improved robust droop control strategy is proposed. In [15], by modifying the droop coefficients, the impact of line impedance on paralleling current sharing is reduced and the system performance of parallel inverters is improved. The virtual synchronous generator (VSG) can emulate the behavior of a real synchronous generator by controlling the inverter’s output frequency. Therefore, VSGs can reduce the frequency fluctuation by providing more active power when the power system frequency drops, which is beneficial for the power system stability. In [16], a VSG named Synchronverter is proposed to emulate the electromagnetic transient process of a synchronous generator, but due to the lack of inner voltage and current loops, overcurrents easily occur in the Synchronverter. In order to protect the switching devices and improve the power quality, voltage and current loops are introduced into VSGs [17].
As most inverters use digital controllers for sampling, calculation and modulation, the delay is inevitable. This will cause a phase lag in the phase-frequency curve of the open-loop transfer function compared with a continuous control system, which complicates the stability analysis and parameter design of the system. Current-controlled inverters based on discrete control have been researched in many papers. In [18], new small-signal z-domain models are deduced for digital current-controlled grid-connected inverters, which allows direct design for controllers in the z-domain. Reference [19] analyzes the stability problem of the grid-connected inverter with an LCL filter adopting a digital controller. According to the stability analysis based on a Nyquist diagram, the inherent damping characteristics due to delay are revealed, and the stability region of the LCL filter and control parameters are obtained. In [20], a real-time computation method with dual sampling mode is proposed to reduce the calculation delay, by which the system robustness and the control performance are greatly improved. There are however few studies on voltage-controlled inverters based on discrete control. Therefore, it is necessary to model the voltage-controlled inverter based on discrete control and investigate the control parameter design flow.
In this paper, a virtual synchronous generator (VSG) is taken as an example to analyze the model of the voltage-controlled inverter and the design of control parameters. The rest of this paper is organized as follows: in Section 2, the VSG schematic and the mathematical models of the voltage and current loops in the VSG are discussed. In Section 3, the parameter design of the current controller is analyzed in detail for the resonance peak suppression. In Section 4, optimum parameter design of the voltage controller is proposed. To verify the correctness of the mathematical model and the validity of parameter design method, simulation results are shown in Section 5. The experiment results are presented to further confirm the validity of the proposed approach in Section 6. Finally, Section 7 concludes this paper.
2. Modeling of the Voltage and Current Loops in VSG
The schematic of a VSG with voltage and current loops is shown in Figure 1. The outer loop is the VSG control scheme, and the inner loops are the voltage control and current control, respectively.
Figure 1.
Schematic diagram of a virtual synchronous generator (VSG).
The VSG controller provides the references for the cascaded voltage and current controllers in a synchronously rotating reference frame (dq reference frame). The voltage controller is utilized to control the capacitor voltage, and the current controller is utilized to control the inductance current. Both the voltage controller and current controller are PI controllers. Udc is the DC voltage source, which is used to represent the renewable energy source. A LCL filter is used to suppress the high-order harmonic currents.
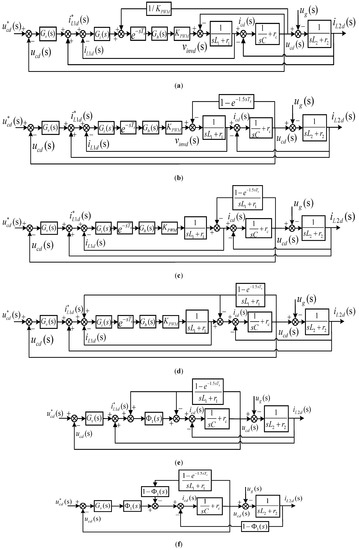
The schematic diagram of the voltage and current controllers is depicted in Figure 2a. The control block diagram of the voltage and current loops in dq reference frame is depicted in Figure 2b. Considering the cross-decoupling of the capacitor voltage and the inductance current, the cross-coupling between the d-axis and q-axis can be approximately eliminated, so Figure 2b only shows the control block diagram in the d-axis. Gv(s) and Gi(s) are the transfer functions of the voltage controller and the current controller, respectively; e−sTs is used to represent the calculation delay; Gh(s) is the transfer function of zero-order holder, which is used to represent the modulation delay, and in this paper it can be expressed as e−0.5 sTs. Kpwm is the gain of the switching circuit. The switching frequency of the inverter is 10 kHz, and asymmetric regular sampling method is used in the pulse-width modulation (PWM), so the sampling period Ts is equal to 50 μs. In order to improve the response speed of the system, the feedforward of capacitor voltage and grid current is used in the control block diagram, indicated by dotted lines in Figure 2b. The parameters of the system are listed in Table 1.
Figure 2.
Schematic diagram and model of the control part: (a) Schematic diagram of the voltage and current controllers; (b) Control block diagram of the voltage and current loops in d-axis.
Table 1.
Parameters of the system.
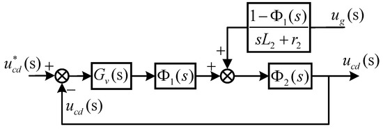
In order to derive the transfer function of the voltage loop, it is necessary to simplify the control block diagram. The result of the transformation is depicted in Figure 3. The detailed transformation process of the control block diagram is shown in Appendix A.
Figure 3.
Control block diagram of voltage loop after transformation.
The transfer function Φ1(s) and Φ2(s) can be expressed as:
where H1(s) and Gc(s) can be expressed as:
In Figure 3, the open-loop transfer function of the voltage loop can be derived as:
so the closed-loop transfer function of the voltage loop can be derived as:
The detailed transfer functions of the voltage loop are shown in Appendix B.
3. Parameter Design of Current Controller
3.1. Model of the Current Loop
The control block diagram of the current loop in dq reference frame is depicted in Figure 4.
Figure 4.
Schematic diagram of the current loop.
In Figure 4, the open-loop transfer function of the current loop can be derived as:
where Gi(s) is the transfer function of current controller, and it can be expressed as (Kips + Kii)/s. If Kip and Kii are selected as Kip/L1 = Kii/r1 = k, then:
The closed-loop transfer function of the current loop can be derived as:
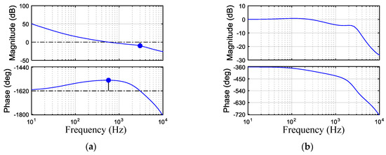
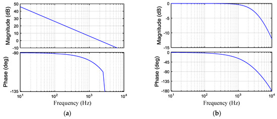
where τ = 1/(k·Kpwm). If the value of τ is determined, the value of k is also determined. Then the value of Kip and Kii can also be calculated according to the equation Kip/L1 = Kii/r1 = k. The cut-off frequency fc of the current loop can be selected as 2 kHz firstly. Due to fc ≈ k·Kpwm/(2π), the coefficient k can be derived as k = 1047.2, so τ = 1/(k·Kpwm) = 1.59Ts. In this case, the frequency characteristics of the current loop are depicted in Figure 5.
Figure 5.
Bode diagrams of the current loop with discrete control when τ = 1.59Ts: (a) Open-loop Bode diagrams; (b) Close-loop Bode diagrams.
In order to show the difference between discrete control and continuous control, frequency characteristics of the current loop with continuous control, in which there is no calculation delay, are depicted in Figure 6.
Figure 6.
Bode diagrams of the current loop with continuous control when τ = 1.59Ts: (a) Open-loop Bode diagrams; (b) Close-loop Bode diagrams.
Comparing Figure 5 with Figure 6, it can be obviously seen that in the discrete control system there is great phase lag in the phase-frequency curve between the medium and high frequency sections. In addition, there is a resonance peak in the amplitude-frequency curve of closed-loop transfer function in discrete control system, when τ is equal to 1.59Ts.
3.2. Parameter Design of the Current Loop
Due to the resonance peak in the amplitude-frequency curve of current closed-loop transfer function when τ is equal to 1.59Ts, the harmonic current around resonant frequency is amplified, which is not acceptable, so the suppression of the resonance peak is necessary when designing the parameter τ.
In order to suppress the resonance peak, the amplitude-frequency characteristic of current closed-loop transfer function is analyzed in detail as follows. Replacing s with j2πf, Equation (9) can be rewritten as:
Then, the amplitude-frequency characteristic of current closed-loop transfer function can be derived as:
Defining g(f) = 1 − 4πfτsin (3πfTs) + τ2 (2πf)2, the curve of g(f) is depicted in Figure 7. It can be seen that there is a minimum value point in the curve of g(f), which implies a resonant point in the amplitude-frequency curve of the current loop shown in Figure 5b.
Figure 7.
The curve of g(f).
In order to suppress the resonance peak in the amplitude-frequency curve of current closed-loop transfer function, it is necessary to increase the minimum value of g(f). The derived function of g(f) can be written as:
Figure 8.
The curve of
.
In order to increase the minimum value of g(f), it is necessary to make the negative area of the derived function equal to zero. The derived function is consisted of two parts, which can be expressed as:
Figure 9.
The curves of h1(f) and h2(f): (a) h1(f); (b) h2(f).
By controlling the positive area of h1(f) equal to the negative area of h2(f) between 0 and f1 in number, the negative area of the derived function can be equal to zero. This purpose can be realized approximately by making . The values of derived function and at can be expressed as and . Then τ can be derived as τ = 3Ts according to the equation . The Bode diagrams of current closed-loop transfer function are depicted in Figure 10, in which it can be seen that the resonance peak is suppressed completely. In addition, it can also be found the bandwidth of the current loop is narrower than that when τ = 1.59Ts, so if the value of τ is larger, the bandwidth of the current loop is narrower.
Figure 10.
Bode diagrams of current closed-loop transfer function when τ = 3Ts.
3.3. Summary
In discrete control system, if the value of τ is too small, there is a resonance peak in the amplitude-frequency curve of current closed-loop transfer function. However, if the value of τ is too large, the bandwidth of the current loop will be narrow, so the parameter design of τ is vital. In this paper, considering the resonance peak suppression and the bandwidth of the current loop, the value of τ is selected as 3Ts to reach a compromise.
4. Parameter Design of Voltage Controller
The parameters of the whole system include controller parameters and circuit parameters, such as Udc, L1, C and L2. There have been many studies on LCL filters, so the focus of this paper is the parameter design of controllers and the damping resistance in capacitor, including τ, Kvp, fz and rc. The current loop parameter τ has been analyzed in Section 3. Kvp is the proportion coefficient of the voltage controller. fz is the corner frequency of the voltage controller, and it can be expressed as Kvi/2πKvp. If fz is determined, the integration coefficient Kvi of the voltage controller is also determined. rc is the value of damping resistances, which are connected in series to the capacitors in LCL filter to suppress the resonance in the LCL filter.
4.1. The Effects of These Parameters on the Voltage Loop
Before designing the parameters τ, Kvp, fz and rc, it is necessary to analyze the effects of these parameters on the voltage loop.
4.1.1. The Effects of τ on the Voltage Loop
We set the various parameters as rc = 5 Ω, Kvp = 0.5, fz = 250 Hz. If we select τ as 2.5Ts, 3Ts and 4Ts, respectively, then the Bode diagrams of voltage closed-loop transfer function are as depicted in Figure 11. It can be seen that increasing τ can suppress the resonance peak in the amplitude-frequency curve. This is consistent with the conclusion that increasing τ can suppress the resonance peak in the current loop, as analyzed in Section 3.
Figure 11.
Bode diagrams of voltage closed-loop transfer function: (a) τ = 2.5Ts; (b) τ = 3Ts; (c) τ = 4Ts.
4.1.2. The Effects of rc on the Voltage Loop
We set the several parameters as τ = 3Ts, Kvp = 0.3, fz = 750 Hz. Selecting rc as 1 Ω, 2 Ω and 3 Ω, respectively, then the Bode diagrams of voltage closed-loop transfer function are as depicted in Figure 12. It can be seen that increasing rc can also suppress the resonance peak in the amplitude-frequency curve.
Figure 12.
Bode diagrams of voltage closed-loop transfer function: (a) rc = 1 Ω; (b) rc = 2 Ω; (c) rc = 3 Ω.
4.1.3. The Effects of Kvp on the Voltage Loop
Setting the several parameters as τ = 3Ts, rc = 5 Ω, fz = 750 Hz and selecting Kvp as 0.3, 0.5 and 0.7, respectively, then the Bode diagrams of voltage closed-loop transfer function are as depicted in Figure 13. It can be seen that decreasing Kvp can suppress the resonance peak in amplitude-frequency curve, which is different from the cases of τ and rc, so the value of Kvp cannot be too large.
Figure 13.
Bode diagrams of voltage closed-loop transfer function: (a) Kvp = 0.3; (b) Kvp = 0.5; (c) Kvp = 0.7.
4.1.4. The Effects of fz on the Voltage Loop
If we set the several parameters as τ = 3Ts, rc = 5Ω, Kvp = 0.5 and select fz as 250 Hz, 550 Hz and 750 Hz, respectively, then the Bode diagrams of voltage closed-loop transfer function are as depicted in Figure 14. It can be seen that increasing fz can increase the minimum of the concave part in amplitude-frequency curve, but cannot suppress the resonance peak. If the minimum of the concave part is large enough, the bandwidth of the voltage loop is also wide, so increasing fz can widen the bandwidth of the voltage loop.
Figure 14.
Bode diagrams of voltage closed-loop transfer function: (a) fz = 250 Hz; (b) fz = 550 Hz; (c) fz = 750 Hz.
4.2. The Optimum Parameter Design
It can be observed from the above analysis that the improper design of control parameters will lead to resonance peak in the amplitude-frequency curve of the voltage loop. The closed-loop transfer function of the voltage loop is a high order system, which makes it difficult to design the parameters in an analytical way, so in this paper numerical calculation and visualization with slice figures are used in optimum design of parameters. The purposes of the optimum design are as follows:
- (1)
- Considering the resonance peak suppression, make the gain of the resonance peak equal to the minimum of the concave part as possible.
- (2)
- Considering the bandwidth of the voltage loop, make the gain of the resonance peak and the minimum of the concave part larger than –5 dB to ensure the bandwidth of the voltage loop wide enough.
- (3)
- Considering the dynamic properties, make both the overshoot and the settling time of step response as small as possible.
According to the analysis in Section 3, if τ is larger than 3Ts, the resonance peak in the current closed-loop transfer function can be suppressed completely, but if τ is too large, the bandwidth of the current loop is narrow, so the value of τ is selected as 3Ts. As analyzed before, increasing rc can suppress the resonance peak in amplitude-frequency curve, but if rc is too large, the power dissipation of damping resistances also obviously increases, so the value of damping resistance rc is usually smaller than 10 Ω in engineering practice. When rc = 1 Ω and τ = 3Ts, in order to keep the system stable, the proportion coefficient Kvp should smaller than 0.63 according to root locus, so we make the range of Kvp from 0 to 1 firstly. In a continuous control system, fz is selected between 100 Hz and 200 Hz, but a discrete control system is different from a continuous control system. It is shown in Figure 14 that increasing fz can increase the minimum of the concave part in amplitude-frequency curve, which can widen the bandwidth of the voltage loop to realize the purposes of the optimum parameter design, so fz is selected between 100 Hz and 1000 Hz. Among the range of rc, Kvp and fz, we select five datapoints, respectively, so 125 sets of parameters can be used to calculate the properties of the system. The results of this numerical calculation are depicted in Figure 15 in the form of a slice figure, in which different colors are used to represent different values of the properties.

Figure 15.
The results of numerical calculation: (a) the gain of the resonance peak; (b) the minimum of the concave part; (c) difference between the gain of the resonance peak and the minimum of the concave part; (d) stability; (e) overshoot; (f) settling time; (g) the result of the optimum design.
Figure 15a is the slice figure of the gain of the resonance peak in amplitude-frequency curve of voltage closed-loop transfer function. As the color changes from blue to red, the gain of the resonance peak is larger. The blue area in Figure 15a implies small resonance peak, while the red area implies large resonance peak.
Figure 15b is the slice figure of the minimum of the concave part in the amplitude-frequency curve. As the color changes from blue to red, the minimum of the concave part is larger. Figure 15c is the slice figure of the difference value between the resonance peak in Figure 15a and the minimum in Figure 15b when the minimum of the concave part is larger than −5 dB. If the minimum of the concave part is lower than −5 dB, the bandwidth of the voltage loop is narrow. According to the purposes of the optimum parameter design, the difference should be small, so the blue area is the ideal area. Figure 15d is the slice figure of the stability. The stability of the voltage loop can be determined by the step response. If the step response converges, the voltage loop is stable, otherwise unstable. In Figure 15d, the blue area implies that the voltage loop is stable, while the red area implies the voltage loop is unstable. Figure 15e,f are the slice figures of overshoot and settling time of the step response, respectively.
In order to design the parameters optimally, we select 1 dB as the benchmark value of the difference in Figure 15c, and select 0.02 as the benchmark value of the overshoot in Figure 15e, then the per-unit values of the difference and the overshoot can be calculated. Figure 15g depicts the sum of the per-unit values of the difference and the overshoot. The blue area in Figure 15g implies small sum, so the numerical values of rc, Kvp and fz can be selected in the blue area.
4.3. Stability and Dynamic Property
Three sets of parameter of rc, Kvp and fz are selected to analyze the stability and dynamic property of the system. The first set of parameters is rc = 2.5 Ω, Kvp = 0.2, fz = 700 Hz, which is in the blue area shown in Figure 15g. The second set of parameters is rc = 2.5 Ω, Kvp = 0.15, fz = 400 Hz, which is also in the blue area. The third set of parameters is rc = 2.5 Ω, Kvp = 0.1, fz = 200 Hz, which is outside the blue area.
4.3.1. Set 1: rc = 2.5 Ω, Kvp = 0.2, fz = 700 Hz, in the Blue Area
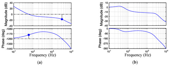
The open-loop frequency characteristics of the voltage loop are depicted in Figure 16a. In this case, the phase margin of the system is 81°, and the gain margin is 10.1 dB, so the system has a good stability margin. The close-loop frequency characteristics of the voltage loop are depicted in Figure 16b. The gain of the resonance peak is suppressed to −4.5 dB, and the minimum of the concave part is about −4.54 dB. The bandwidth of the voltage loop is about 700 Hz. Hence, the closed-loop frequency characteristics of the voltage loop realize the purposes of the optimum design.
Figure 16.
Frequency characteristics of the voltage loop with discrete control: (a) Open-loop Bode diagrams; (b) Close-loop Bode diagrams.
The step response of the system is depicted in Figure 17. It can be seen from the figure that the overshoot of unit step response is small, only about 8%, and the settling time is about 3 ms, indicating that the system has good dynamic performance.
Figure 17.
Step response of voltage closed-loop transfer function with set 1.
4.3.2. Set 2: rc = 2.5 Ω, Kvp = 0.15, fz = 400 Hz, in the Blue Area
The open-loop frequency characteristics of the voltage loop are depicted in Figure 18a. In this case, the phase margin of the system is 88.4°, and the gain margin is 13.2 dB. Thus, the system has a good stability margin. The close-loop frequency characteristics of the voltage loop are depicted in Figure 18b. The resonance peak is suppressed completely. The bandwidth of the voltage loop is about 264 Hz, which is lower than that of set 1.
Figure 18.
Frequency characteristics of the voltage loop with discrete control: (a) Open-loop Bode diagrams; (b) Close-loop Bode diagrams.
The step response of the system is depicted in Figure 19. The settling time is about 6 ms, and the overshoot is about 12%.
Figure 19.
Step response of voltage closed-loop transfer function with set 2.
4.3.3. Set 3: rc = 2.5 Ω, Kvp = 0.1, fz = 200 Hz, outside the Blue Area
The open-loop frequency characteristics of the voltage loop are depicted in Figure 20a. In this case, the phase margin of the system is 70°, and the gain margin is 17.2 dB. The close-loop frequency characteristics of the voltage loop are depicted in Figure 20b. The resonance peak is also suppressed completely, but the bandwidth of the voltage loop is only 72 Hz, which does not meet the purposes of the optimum design, so this set of parameters is not good.
Figure 20.
Frequency characteristics of the voltage loop with discrete control: (a) Open-loop Bode diagrams; (b) Close-loop Bode diagrams.
The step response of the system is depicted in Figure 21. Due to the decrease of fz, the integration coefficient Kvi and the gain of open-loop transfer function among low and medium frequency section also decrease, which makes the dynamic response speed slower. The settling time is about 11 ms, and the overshoot is about 20%, which are worse than those of set 1 and set 2.
Figure 21.
Step response of voltage closed-loop transfer function with set 3.
5. Simulation Results and Analysis
In order to verify the correctness of the mathematical model and the validity of the parameter design, a simulation model was built in Simulink, and the discrete control algorithm is written in an m-file, so as to simulate the discrete control in digital signal processor (DSP). The parameters of the simulation model are listed in Table 1.
The parameter design is analyzed in detail in Section 4, and the same three sets of parameter of rc, Kvp and fz are selected to verify the mathematical model and the parameter design. The reference value of capacitor voltage ucq is 0 V initially. When the time is 0.3 s, the reference value of ucq is changed to 7 V. The reference value of ucd is 155.6 V, which is equal to the grid voltage ugd (155.6 V). The grid voltage ugq is equal to 0 V. The simulated results are shown in Figure 22 and Figure 23. The waveform of capacitor voltage uca with set 1 is depicted in Figure 22, which implies that the system is stable with this set of parameters. Figure 23 depicts the step response of capacitor voltage ucq, and they are consistent with that shown in Figure 17, Figure 19 and Figure 21, respectively, during the transient process, which implies that the mathematical model of the voltage loop is correct. Figure 23a shows that the system can respond to the reference value rapidly with set 1, and the overshoot is small, which indicates that the parameter optimum design is effective.
Figure 22.
Waveform of capacitor voltage uca with set 1: rc = 2.5 Ω, Kvp = 0.2, fz = 700 Hz.
Figure 23.
Step response of capacitor voltage ucq: (a) set 1: rc = 2.5 Ω, Kvp = 0.2, fz = 700 Hz; (b) set 2: rc = 2.5 Ω, Kvp = 0.15, fz = 400 Hz; (c) set 3: rc = 2.5 Ω, Kvp = 0.1, fz = 200 Hz.
6. Experimental Validation
To verify the validity and feasibility of the proposed parameter design strategy, a voltage-controlled grid-connected inverter was built and tested. The experimental test bed is shown in Figure 24. The DC voltage source is an ITECH 6526C (ITECH, Nanjing, China), and the grid simulator is a Chroma 61845 (Chroma, Taoyuan, China). The converter is a Semikron IGBT Power Electronics Teaching System (Semikron, Nuremberg, Germany). The digital signal processor is a TMS320F28335 (Texas Instruments, Dallas, TX, USA). The ScopeCorder is a Yokogawa DL850EV (Yokogawa, Tokyo, Japan).
Figure 24.
The experimental test bed: (a) DC voltage source; (b) main circuit, controller and ScopeCorder; (c) grid simulator.
The key parameters of the system are listed in Table 2. In order to protect the switching devices, the output current of the inverter cannot exceed 40 A, and the maximum output power of the DC voltage source is 6 kW, so the grid voltage is selected as 55 V to reduce the output current and the output power of the inverter, which can ensure the security of the system. In Figure 2, it can be seen that grid voltage is a disturbance term, so grid voltage does not affect the closed-loop transfer function, which can also be found from the voltage closed-loop transfer function shown in Appendix B. Therefore, with the same LCL filter and control parameters, the experimental test bed and the simulation model have the same stability and dynamic properties, although the grid voltage is different.
Table 2.
Parameters of the experimental test bed.
The reference value of capacitor voltage ucq is 0 V initially, and the step reference is 7 V. The reference value of ucd is 77.78 V, which is equal to the grid voltage ugd (77.78 V). The grid voltage ugq is equal to 0 V. The experiment results are shown in Figure 25 and Figure 26. The waveforms of grid voltage uga, capacitor voltage uca and grid current iga with set 1 are depicted in Figure 25, which implies that the system can work stably with this set of parameters, when ucq is 7 V and ucd is 77.78 V. The step response of capacitor voltage ucq from 0 V to 7 V with different control parameters are shown in Figure 26. It can be seen that the experiment results are consistent with the simulation results during the transient process, which indicates that the proposed parameter design strategy is correct and useful. Due to the capacitor voltage distortion, it can be observed that there are ripples, which cause the difference between simulation and experiment results, in capacitor voltage ucq.
Figure 25.
Waveforms of grid voltage uga, capacitor voltage uca and grid current iga with set 1.

Figure 26.
Step response of capacitor voltage ucq: (a) set 1: rc = 2.5 Ω, Kvp = 0.2, fz = 700 Hz; (b) set 2: rc = 2.5 Ω, Kvp = 0.15, fz = 400 Hz; (c) set 3: rc = 2.5 Ω, Kvp = 0.1, fz = 200 Hz.
7. Conclusions
This paper has proposed a parameter design strategy for voltage-controlled inverters based on discrete control. The mathematical models of the voltage and current loops are developed. Due to the calculation delay and modulation delay, there is phase lag in the phase-frequency curve. If the parameters are designed improperly, there is a resonance peak in the amplitude-frequency curve. The parameters of the current controllers are designed in an analytical way, by which the resonance peak can be suppressed. Due to the complexity of the mathematical model of the voltage loop, numerical calculation and visualization with slice figures are proposed for optimum parameter design. Considering stability, overshoot, settling time and the resonance peak suppression, the optimum parameter area can be shown in a slice figure by numerical calculation. By employing such an optimum parameter design method, the design of a voltage-controlled inverter becomes much easier, without too many repeated efforts and trial of PI controller parameters, so such an optimum parameter design method is especially suitable for engineering practice because it can greatly improve the efficiency of the parameter design. Simulated and experimental results have verified the validity of the proposed parameter design strategy.
Author Contributions
N.D. proposed the main idea and performed the experiments; N.D. and H.Y. wrote this paper; J.H. provided some resources and assisted with paper writing; R.Z. managed the project.
Funding
This research was funded by the National Natural Science Foundation of China (Grant No. 51677167) and by Science and Technology Projects of Inner Mongolia Power (Group) Co., Ltd.
Acknowledgments
The authors are grateful to the support by the National Natural Science Foundation of China (Grant No. 51677167) and Science and Technology Projects of Inner Mongolia Power (Group) Co., Ltd. [2017]46.
Conflicts of Interest
The authors declare no conflict of interest.
Appendix A

Figure A1.
The detailed transformation processes. (a) control block diagram of the voltage and current loops in d-axis; (b) making the feedforward point of ucd backward; (c) making the feedback point of ucd backward; (d) exchanging the feedback point and the tapping point; (e) simplifying the current loop; (f) making the feedforward point of ucd backward; (g) selecting ucd as the output of the system; (h) combining the inner loops; (i) simplifying the voltage loop.
Appendix B
The open-loop transfer function and closed-loop transfer function of voltage loop are expressed as:
References
- Malinowski, M.; Leon, J.I.; Abu-Rub, H. Solar photovoltaic and thermal energy systems: Current technology and future trends. Proc. IEEE 2017, 105, 2132–2146. [Google Scholar]
- Guo, X. Three-phase CH7 inverter with a new space vector modulation to reduce leakage current for transformerless photovoltaic systems. IEEE J. Emerg. Sel. Top. Power Electron. 2017, 5, 708–712. [Google Scholar] [CrossRef]
- Blaabjerg, F.; Ma, K. Wind Energy Systems. Proc. IEEE 2017, 105, 2116–2131. [Google Scholar]
- Li, P.; Song, Y.; Li, D.; Cai, W.; Zhang, K. Control and monitoring for grid-friendly wind turbines: Research overview and suggested approach. IEEE Trans. Power Electron. 2015, 30, 1979–1986. [Google Scholar] [CrossRef]
- Wu, F.; Li, X.; Feng, F.; Gooi, H.B. Multi-topology-Mode grid-connected inverter to improve comprehensive performance of renewable energy source generation system. IEEE Trans. Power Electron. 2017, 32, 3623–3633. [Google Scholar] [CrossRef]
- Zeng, Z.; Li, H.; Ran, L. Comparison on control strategies of inverters in AC microgrids. Autom. Electr. Power Syst. 2016, 40, 142–151. [Google Scholar]
- Fantino, R.A.; Busada, C.A.; Solsona, J.A. Optimum PR control applied to LCL filters with low resonance frequency. IEEE Trans. Power Electron. 2018, 33, 793–801. [Google Scholar] [CrossRef]
- Wu, F.; Li, X.; Duan, J. Improved elimination scheme of current zero-crossing distortion in unipolar hysteresis current controlled grid-connected inverter. IEEE Trans. Ind. Inform. 2015, 11, 1111–1118. [Google Scholar] [CrossRef]
- Marati, N.; Prasad, D. A modified feedback scheme suitable for repetitive control of inverter with nonlinear load. IEEE Trans. Power Electron. 2018, 33, 2588–2600. [Google Scholar] [CrossRef]
- Wang, C.; Li, Y.; Peng, K. Overview of typical control methods for grid-connected inverters of distributed generation. Proc. Chin. Soc. Univ. –Electr. Power Syst. Autom. 2012, 24, 12–20. [Google Scholar]
- Wang, S.; Hu, J.; Yuan, X. Virtual synchronous control for grid-connected DFIG-based wind turbines. IEEE J. Emerg. Sel. Top. Power Electron. 2015, 3, 932–944. [Google Scholar] [CrossRef]
- Adhikari, S.; Li, F. Coordinated V-f and P-Q control of solar photovoltaic generators with MPPT and battery storage in microgrids. IEEE Trans. Smart Grid 2014, 5, 1270–1281. [Google Scholar] [CrossRef]
- Sang, S.; Gao, N.; Cai, X.; Li, R. A power-voltage controlled grid-connected inverter and its adaptability research under weak grid conditions. Proc. CSEE 2017, 37, 2339–2351. [Google Scholar]
- Wang, Y.; Luo, A.; Jin, G. Improved robust droop multiple loop control for parallel inverters in microgrid. Trans. Chin. Electrotech. Soc. 2015, 30, 116–123. [Google Scholar]
- Zhang, Q.; Peng, C.; Chen, Y.; Jin, G.; Luo, A. A control strategy for parallel operation of multi-inverters in microgrid. Proc. CSEE 2012, 32, 126–132. [Google Scholar]
- Zhong, Q.; Weiss, G. Synchronverters: inverters that mimic synchronous generators. IEEE Trans. Ind. Electron. 2011, 58, 1259–1267. [Google Scholar] [CrossRef]
- Huang, L.; Xin, H.; Wang, Z.; Wu, K.; Wang, H.; Hu, J.; Lu, C. A virtual synchronous control for voltage-source converters utilizing dynamics of DC-link capacitor to realize self-synchronization. IEEE J. Emerg. Sel. Top. Power Electron. 2017, 5, 1565–1577. [Google Scholar] [CrossRef]
- Zhang, X.; Spencer, J.W.; Guerrero, J.M. Small-signal modeling of digitally controlled grid-connected inverters with LCL filters. IEEE Trans. Ind. Electron. 2013, 60, 3752–3765. [Google Scholar] [CrossRef]
- Yin, J.; Duan, S.; Liu, B. Stability analysis of grid-connected inverter with lcl filter adopting a digital single-loop controller with inherent damping characteristic. IEEE Trans. Ind. Electron. 2013, 9, 1104–1112. [Google Scholar] [CrossRef]
- Yang, D.; Ruan, X.; Wu, H. A real-time computation method with dual sampling mode to improve the current control performance of the LCL-type grid-connected inverter. IEEE Trans. Ind. Electron. 2015, 62, 4563–4572. [Google Scholar] [CrossRef]
© 2018 by the authors. Licensee MDPI, Basel, Switzerland. This article is an open access article distributed under the terms and conditions of the Creative Commons Attribution (CC BY) license (http://creativecommons.org/licenses/by/4.0/).