Dual-Side Independent Switched Capacitor Control for Wireless Power Transfer with Coplanar Coils
Abstract
:1. Introduction
2. Analysis of Coplanar Coils
2.1. Calculation of Mutual Inductance
2.2. Magnetic Field Distribution of Coplanar Coils
3. Proposed Control Strategy
3.1. Effect of Frequency Detuning on Output Power and Transfer Efficiency
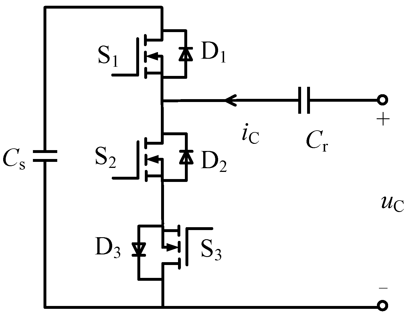
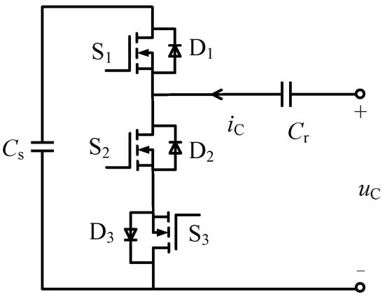
3.2. Dual-Side Switched Capacitor Control Strategy
- (1)
- Primary side: keep the phase difference between source voltage and capacitor voltage of primary side at 90°.
- (2)
- Secondary side: keep the phase difference between secondary current and primary current at 90°.
3.3. Control Scheme
- (1)
- The initial equivalent capacitance of the switched capacitor should be set before the system starts. That is, the initial value of θ1, θ2, Cs and Cr should be set first. Firstly, the initial equivalent capacitance needs to ensure that the inherent frequency of the resonant tank is equal to the source frequency, where the inductances of both sides are measured accurately. Secondly, θ1 and θ2 are set in an intermediate value among the whole adjustable range. Then the switched capacitor can track the source frequency no matter whether the inductance increases or decreases in the working environment. For convenience, the initial θ1 and θ2 are set at the same value, so as to obtain Cr and Cs of both sides.
- (2)
- For the secondary side, θ2 is adjusted by the PLL control module to track the 90° phase difference between the primary current and the secondary current. Thus, γ2 is equal to zero and the inherent frequency of the secondary resonant tank is identical to the source frequency.
- (3)
- For the primary side, θ1 is adjusted by the PLL control module to track the 90° phase difference between the source voltage and the capacitance voltage of the primary side. Thus, Ceq1 is equal to 1/() and the inherent frequency of the primary resonant tank is identical to the source frequency.
- (4)
- Keep the operating condition for a time interval t. After this time interval, the control system will work again.
4. Experimental Validation
4.1. Mutual Inductance Experiment
4.2. Measurement of Coil Inductance
4.3. Verification of the Proposed Control Strategy
5. Conclusions
Author Contributions
Funding
Conflicts of Interest
References
- Kurs, A.; Karalis, A.; Moffatt, R.; Joannopoulos, J.D.; Fisher, P.; Soljacic, M. Wireless power transfer via strongly coupled magnetic resonances. Science 2007, 317, 83–86. [Google Scholar] [CrossRef] [PubMed]
- Li, Z.; Zhu, C.; Jiang, J.; Song, K.; Wei, G. A 3-kw wireless power transfer system for sightseeing car supercapacitor charge. IEEE Trans. Power Electron. 2017, 32, 3301–3316. [Google Scholar] [CrossRef]
- Liu, S.; Liu, M.; Yang, S.; Ma, C.; Zhu, X. A novel design methodology for high-efficiency current-mode and voltage-mode class-e power amplifiers in wireless power transfer systems. IEEE Trans. Power Electron. 2017, 32, 4514–4523. [Google Scholar] [CrossRef]
- Imura, T.; Hori, Y. Maximizing air gap and efficiency of magnetic resonant coupling for wireless power transfer using equivalent circuit and neumann formula. IEEE Trans. Ind. Electron. 2011, 58, 4746–4752. [Google Scholar] [CrossRef]
- Zhang, W.; Zhang, T.; Guo, Q.; Shao, L.; Zhang, N.; Jin, X.; Yang, J. High-efficiency wireless power transfer system for 3D, unstationary free-positioning and multi-object charging. IET Electric Power Appl. 2018, 12, 658–665. [Google Scholar] [CrossRef]
- Liu, D.; Hu, H.; Georgakopoulos, S.V. Misalignment sensitivity of strongly coupled wireless power transfer systems. IEEE Trans. Power Electron. 2017, 32, 5509–5519. [Google Scholar] [CrossRef]
- Gati, E.; Kampitsis, G.; Manias, S. Variable frequency controller for inductive power transfer in dynamic conditions. IEEE Trans. Power Electron. 2017, 32, 1684–1696. [Google Scholar] [CrossRef]
- Fu, W.; Zhang, B.; Qiu, D. Study on Frequency-tracking Wireless Power Transfer System by Resonant Coupling. World Invert. 2009, 8, 41–46. [Google Scholar] [CrossRef]
- Ahn, D.; Hong, S. Wireless power transmission with self-regulated output voltage for biomedical implant. IEEE Trans. Ind. Electron. 2014, 61, 2225–2235. [Google Scholar] [CrossRef]
- Lim, Y.; Tang, H.; Lim, S.; Park, J. An adaptive impedance-matching network based on a novel capacitor matrix for wireless power transfer. IEEE Trans. Power Electron. 2014, 29, 4403–4413. [Google Scholar] [CrossRef]
- Kim, J.; Kim, D.H.; Park, Y.J. Free-positioning wireless power transfer to multiple devices using a planar transmitting coil and switchable impedance matching networks. IEEE Trans. Microw. Theory Tech. 2016, 64, 3714–3722. [Google Scholar] [CrossRef]
- Tian, J.; Hu, A.P. A dc-voltage-controlled variable capacitor for stabilizing the zvs frequency of a resonant converter for wireless power transfer. IEEE Trans. Power Electron. 2017, 32, 2312–2318. [Google Scholar] [CrossRef]
- Jiang, Y.; Zhang, B. A high power fractional-order capacitor with 1 < α < 2 based on power converter. IEEE Trans. Ind. Electron. 2017, 65, 3157–3164. [Google Scholar] [CrossRef]
- Iguchi, S.; Yeon, P.; Fuketa, H.; Ishida, K.; Sakurai, T.; Takamiya, M. Wireless power transfer with zero-phase-difference capacitance control. IEEE Trans. Circuits Syst. I Regul. Pap. 2015, 62, 938–947. [Google Scholar] [CrossRef]
- Technical Information Report SAE J2954; RP Draft; Society of Automotive Engineers: Warrendale, PA, USA, 2016.
- Nguyen, M.Q.; Woods, P.; Hughes, Z.; Seo, Y.S.; Rao, S.; Chiao, J.C. A mutual inductance approach for optimization of wireless energy transmission. IEEE Wirel. Microw. Circuits Syst. 2014, 1, 1–4. [Google Scholar] [CrossRef]
- Kim, K.B.; Levi, E.; Zabar, Z.; Birenbaum, L. Mutual inductance of noncoaxial circular coils with constant current density. IEEE Trans. Magn. 1997, 33, 4303–4309. [Google Scholar] [CrossRef]
- Smythe, W.R. Static and Dynamic Electricity; McGraw-Hill: New York, NY, USA, 1950; pp. 267–271. ISBN 13: 9780070594203. [Google Scholar]
- Liu, F.; Yang, Y.; Jiang, D.; Ruan, X.; Chen, X. Modeling and Optimization of Magnetically Coupled Resonant Wireless Power Transfer System with Varying Spatial Scales. IEEE Trans. Power Electron. 2017, 32, 3240–3250. [Google Scholar] [CrossRef]
- Huang, C.Y.; James, J.E.; Covic, G.A. Design considerations for variable coupling lumped coil systems. IEEE Trans. Power Electron. 2015, 30, 680–689. [Google Scholar] [CrossRef]
- Huang, R.; Zhang, B.; Qiu, D.; Zhang, Y. Frequency splitting phenomena of magnetic resonant coupling wireless power transfer. IEEE Trans. Magn. 2014, 50, 1–4. [Google Scholar] [CrossRef]

















| Parameters | Symbol | Value |
|---|---|---|
| Voltage of power supply (RMS) | Us | 20 V |
| Radius of coil | r | 20 cm |
| Radius of wire | Wr | 0.75 mm |
| Turns of coil | n | 18 |
| Inductance of primary side | L1 | 224.3 μH |
| Inductance of secondary side | L2 | 224.5 μH |
| Parallel capacitance of primary side | Cs1 | 60 nF |
| Parallel capacitance of secondary | Cs2 | 60 nF |
| Series capacitance of primary side | Cr1 | 60 nF |
| Series capacitance of secondary side | Cr2 | 60 nF |
| ESR of primary side | R1 | 333 mΩ |
| ESR of secondary side | R2 | 385 mΩ |
| Load | RL | 10 Ω |
© 2018 by the authors. Licensee MDPI, Basel, Switzerland. This article is an open access article distributed under the terms and conditions of the Creative Commons Attribution (CC BY) license (http://creativecommons.org/licenses/by/4.0/).
Share and Cite
Han, C.; Zhang, B.; Fang, Z.; Qiu, D.; Chen, Y.; Xiao, W. Dual-Side Independent Switched Capacitor Control for Wireless Power Transfer with Coplanar Coils. Energies 2018, 11, 1472. https://doi.org/10.3390/en11061472
Han C, Zhang B, Fang Z, Qiu D, Chen Y, Xiao W. Dual-Side Independent Switched Capacitor Control for Wireless Power Transfer with Coplanar Coils. Energies. 2018; 11(6):1472. https://doi.org/10.3390/en11061472
Chicago/Turabian StyleHan, Chong, Bo Zhang, Zanfeng Fang, Dongyuan Qiu, Yanfeng Chen, and Wenxun Xiao. 2018. "Dual-Side Independent Switched Capacitor Control for Wireless Power Transfer with Coplanar Coils" Energies 11, no. 6: 1472. https://doi.org/10.3390/en11061472
APA StyleHan, C., Zhang, B., Fang, Z., Qiu, D., Chen, Y., & Xiao, W. (2018). Dual-Side Independent Switched Capacitor Control for Wireless Power Transfer with Coplanar Coils. Energies, 11(6), 1472. https://doi.org/10.3390/en11061472
