Abstract
A high-speed train (HST) is a single-phase load supplied by a three-phase AC grid. The HST produces unbalanced three-line currents affecting the power quality of the grid. To balance the asymmetries on average, railway feeding sections are supplied that rotate the three phases of the grid. An electric isolation segment, called the neutral section (NS), between different sections is necessary. The HST must pass through this 1.6 km NS without power supply. In this paper, a medium-voltage AC static switch solution to feed the high-speed train in the NS is proposed. Thyristor technology is selected to design the 25 KVAC static switch. A medium-voltage power electronics procedure design is proposed to ensure proper operation in the final application. An NS operation is analyzed to identify impacts within the electric system and solution requirements are developed. Then, a low-scale prototype is used to experimentally validate the solution based on thyristor technology and the medium-voltage AC static switch is designed. Limitations on power and voltage at the Mondragon University Medium-Voltage Laboratory do not allow testing of the AC static switch at nominal conditions. A partial test procedure to test sections of the AC static switch is proposed and applied to validate the solution. Finally, experimental results for the Cordoba–Malaga (Spain) high-speed railway in real conditions with an HST crossing the NS at 300 km/h are shown.
1. Introduction
In 2003, more than 100,000 km of railway operated at 25 KVAC 50 Hz worldwide. This supposes 44.8% of the total line length of the electric railway system []. Using a 50 Hz public grid to feed a 25 KVAC railway eliminates the considerable cost of independent power generation, for example, 15 KVAC 16⅔ Hz and DC railway systems []. The 25 KVAC railway system is a single-phase load supplied by a medium-voltage three-phase AC grid, and it is produced to unbalance the three-line currents. The grid current asymmetry produces negative effects in transformers and rotary electric machines, reducing the power quality of the public grid []. A solution is to connect 25 KVAC 50 Hz electric railway systems to national main grids with very high power capacity. It is necessary to balance the energy consumption asymmetry on average from the main three-phase grid, and the solution consists in supplying each railway section from different phases of the main grid to reduce the imbalance. The voltages between sections have the same value, 25 KVAC, with different electric phases, and it is required for an electrical isolation segment between sections, called neutral sections (NSs). Trains must cross each NS without voltage supply for approximately 1.6 km []. Figure 1 shows the typical electric supply topology from the main grid to feed one 25 KVAC 50 Hz high-speed railway (HSR). The length of each section is about 35 km, and it is supplied by rotating the phases of the main grid through the single-phase transformers included in the traction substations.

Figure 1.
1 × 25 KVAC 50 Hz high-speed railway electrical topology supply from the main grid.
When the train is near the NS, its main breaker is opened and the high-speed train (HST) is disconnected from the power supply. In this condition, the HST works in regenerative mode to keep its auxiliary power supply fed, and a little loss of speed, around 9 km/h [], is produced. Once the train goes out of the NS, its main breaker is closed, the power supply is reestablished in the HST, and traction power can be applied again.
The operation through the NS causes several problems for the HST:
- When the HST main breaker is not open in the NS and the train continues feeding, an arc flash in the catenary is produced, and in some case can be broken [,,].
- At slow speeds, the train can be stopped in the NS. The train needs an operation of 10 min to go out from the NS [].
- The pantograph contact transition between the section and the NS catenary produces a voltage feeding of the NS. This results in electromagnetic interference (EMI) and affects the signaling and security of the railway system [,].
- Every 35 km, the HST crosses a neutral section and its main breaker is operated with one connection and one disconnect. The main breaker operates approximately 10,000 times/year, the mechanical lifetime is reduced, and the maintenance operation costs are increased [].
- The closing instant of the main breaker produces inrush current in the HST traction transformer. It can be an inrush current about 10 to 25 times greater than the nominal current of the train. These high values of current cause high mechanical efforts by the transformer conductors, accelerating the aging of the transformer and main breaker. Occasionally, it can activate the main breaker current protection and the train is stopped [,,].
- The opening instant of the main breaker demagnetizes the traction transformer, which can result in overvoltage. An electric arc is formed in main breaker contacts and accelerates its aging [].
According to the problems identified above, a compensation strategies review and some power converter solutions were shown in [], which can reduce the impact on the main grid and eliminate the neutral section. These solutions [,,,,,,], based on very high-power converters, come with considerable cost. Engineers of the Japanese National Railways Tokaido Shinkansen HSR installed two switch breakers to feed NSs from the adjacent catenaries. For commutation assurance between catenary voltages and to avoid short circuit, 0.3 s without voltage in an NS are required [,]. The circuit breakers must work for each train crossing the NS. Therefore, on the Tokaido Shinkansen, they must be replaced every five years. The Central Japan Railway Company [] proposed the use of static switches based on thyristors in NSs to replace the circuit breakers and reduce the inrush current on the transformer into the train. The study includes a demonstration of suppressing the inrush current on a transformer with a thyristor prototype at low voltage. Korea Railroad Research Institute [] proposed the use of static switches with thyristors and a sequence to trigger when the HST is running through the NS, but the on and off transition between static switches was not clear.
This paper describes the design and validation of a medium-voltage AC static switch solution to feed a neutral section in an HSR system. Very little work on this topic is found in the literature; in [] a prototype design with some experimental results are presented, but it is a low-voltage prototype, and they do not mention any of the problems that arise at medium-voltage levels, such as isolation issues, or how to test and validate the prototype in the laboratory. In [] a theoretical concept of the solution is presented, but they do not mention any of the issues concerning real implementation, such as the uncertainty of the commutation of the switches.
Therefore, several challenges must be solved and are presented in this paper:
- Designing thyristor drivers with high-voltage isolation to achieve triggering of the thyristor valves at any load current, even at zero load current.
- Designing a test methodology for validation of the AC static switch at nominal conditions in the laboratory, reducing the risks and validation times.
- Validating the proposed solution in real application tests on the Cordoba–Malaga High-Speed Railway (Spain).
2. Solution Concept
The solution is based on two static switches, S1 and S2, connected to the neutral section, and each one to a different section; the topology is shown in Figure 2. Four position detectors, D1 to D4, are necessary to identify the position and direction of the train running on the NS.

Figure 2.
Medium-voltage AC static switch solution to feed the neutral section (NS) in a high-speed railway (HSR) system.
2.1. Operation Mode
In the case of train runs from section 1 to section 2, the presence of the train near the NS is detected by D1. Then, D3 detects when the entire train is running in the NS. Finally, the train leaving the NS is detected by D4. In the reverse direction, the train’s arrival to the NS is detected by D4. D2 identifies when the entire train is in the NS. Finally, the departure from the NS is detected by D1.
Table 1 shows the different states of S1 and S2 static switches depending on the train position in the neutral section and the direction of the train running from section 1 to section 2.

Table 1.
Transition states when a train runs through the neutral section from section 1 to section 2.
In states 1, 4, and 7, the two switches are in the open position and an AC voltage, VNS, appears in the NS because static switches in the open state have high impedance. In this condition, the current in the NS, INS, is null. State 4 has a 60 ms timing period to detect zero current in the NS. This means that the S1 switch is off and S2 can be switched on, avoiding a short-circuit risk.
In states 2 and 6, one static switch, either S1 or S2, is in close position and the NS is fed from one section. In this period, the pantograph of the train is always in contact with one section catenary and can be in contact simultaneously with the NS catenary, then the current INS is null because the current can travel more easily through the section catenary than through the NS and static switch.
In states 3 and 5, the NS feeds from one section through one static switch, S1 or S2. The pantograph of the train is only in contact with the NS catenary and the train current is established through the NS and one static switch. Figure 3 shows the current flow in the different states of Table 1.


Figure 3.
Current flow during transition states when a train runs through the neutral section from section 1 to section 2 in correspondence with Table 1. (a) State 1; (b) State 2; (c) State 3; (d) State 4; (e) State 5; (f) State 6; (g) State 7.
2.2. AC Static Switch Technology
In the 1970s, the advancement of thyristor technology enabled the development of static var compensator (SVC) as a solution to control the voltage stability in AC electrical transmissions lines. An SVC is based on thyristor-controlled reactors (TCRs), thyristor switched capacitors (TSCs), and/or fixed capacitors (FCs) tuned to harmonic filters. The TCR regulates the reactive power controlling the firing angle of the thyristor, and the TSC connects its capacitor the instant the voltage transient is at its minimum. On the TCR and TSC, the thyristors are used like AC static switches. The typical voltage of the SVC is 30 KVAC, but there are some installations where the voltage is up to 69 KVAC [].
The thyristor technology presents some interesting properties for AC static switch applications. The thyristor can support AC voltage, due to its ability to block reverse and forward voltage. The switching on of the thyristor is controllable with the firing command, and it is possible to synchronize with the AC voltage to limit the transformer inrush current. The switching off is produced when the thyristor current is null, and this is a great advantage because it guarantees that the traction transformer will be switched off without the voltage being transient. Finally, the blocking voltage of commercial thyristors is up to 9500 V with a relatively low economical cost in the 6500 V range.
To achieve a medium-voltage AC switch, single-phase assemblies connected in series are used. Each assembly is composed of two antiparallel thyristors and one RC snubber for dv/dt limitation and to guarantee the voltage balance of assemblies.
3. AC Switch for Neutral Section in High-Speed Railway System Requirements
The Spanish high-speed railway system is considered for design of the AC static switch for neutral sections. The railway system voltage topology is 2 × 25 KVAC 50 Hz and the high-speed train maximum power is 12 MVA. The neutral section characteristics are shown in Table 2.

Table 2.
Neutral section characteristics.
The maximum switch voltage requirement is based on the 29 KVAC maximum voltage in the 2 × 25 KVAC railway systems defined in European Standard EN 50160. When one static switch is closed, the second static switch must support the 50 KVAC voltage between section 1 and section 2. The number of neutral section operations is according to the train timetable. The time to switch between S1 and S2 is up to 120 milliseconds and depends on the train speed and the travelled distance where the two pantographs are connected simultaneously to the NS catenary. Table 3 shows the requirements obtained from the above characteristics.

Table 3.
AC static switch for neutral section requirements.
Furthermore, the AC static switch must limit the transient electricity in the connection and disconnection of the train in the NS. In transition state 4, the switching off must commutate at zero current to limit the transient voltage in the traction transformer of the train. In transition state 5, the switching on must be synchronized with the maximum amplitude of voltage to avoid the inrush current of the traction transformer.
The last requirement is to integrate the complete solution of AC static switches for the NS in one standard container for easy transportation and installation in the application location.
4. AC Static Switch Design
The design process is divided into three sections: power electronics, control system, and final assembly.
4.1. Power Electronics
The AC static switch is made of assemblies of two antiparallel thyristors and one RC snubber. The number of assemblies connected in series is calculated by Equation (1):
where a voltage safety factor k = 1.8 is applied to switch 50 KVAC with commercial thyristors of 6500 volts. It results in 21 assemblies connected in series, meaning that each thyristor in nominal conditions supports a maximum voltage of 3.367 V, which represents a final safety factor of 1.93, enough to support voltage spikes. Considering an AC current of 685 A, thyristor model 5STP03D6500 from ABB in press-pack format with diameter 34 mm is selected.
Two criteria for the selection of the RC snubber are considered. For calculating the capacity value, the maximum dispersion of the thyristor recovery charges, Qrec, is taken into account. Considering a maximum thyristor voltage of 5 KV, Vmax, and 10% of capacitor tolerance with Equation (2) 1 µF of snubber capacitor value is obtained:
The value of the snubber resistance is calculated by Equation (3) obtained from the mathematical expression of electric current transition during the switching off of the thyristor.
Considering a damping factor, ζ, between 0.5 and 1 and the magnetizing inductor of the traction transformer, the snubber resistance result is 150 ohms.
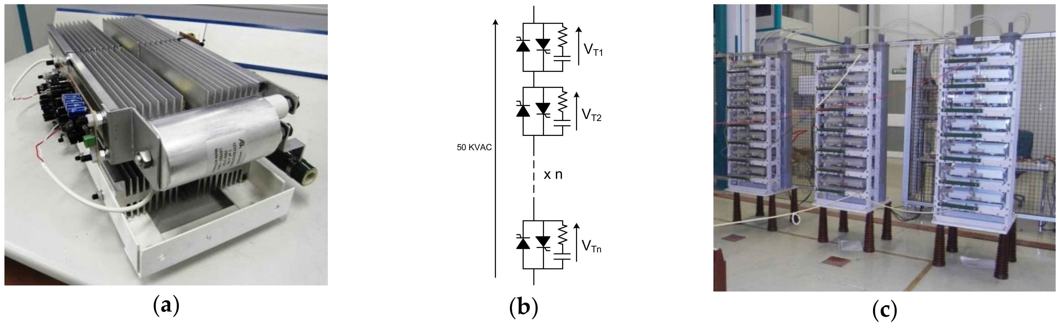
The mode of operation of the AC switch generates little power losses in each thyristor and has a system of cooling by natural convection. Figure 4a shows the basic module of the AC switch; it is performed by three aluminum heat sinks, two thyristors, two drivers, and one RC snubber. Each thyristor is mounted between two heat sinks by a mechanical clamp. Figure 4c shows the complete solution of 50 KVAC static switch; it is performed by three stacks connected in series. Each stack is composed of seven basic modules connected in series and is supported by post insulators to get the electric isolation from the earth.

Figure 4.
(a) Basic module of AC static switch; (b) electric scheme of 50 KVAC static switch with n = 21; (c) 50 KVAC static switch composed of three stacks of seven basic modules.
4.2. Control System
The control system is divided into two blocks: the thyristor driver and the controller. The complexity of the driver thyristor is the high-voltage isolation requirement. The controller is based on the classical field-programmable gate array (FPGA) with digital signal processor (DSP) control topology with the advantage of algorithm execution in a very short time.
4.2.1. Thyristor Driver
The thyristor driver must transform the control command into electrical pulses to trigger the thyristor. The main requirements of the thyristor driver for the AC static switch in the NS are as follows:
- It must guarantee isolation to 52 KVAC, related to the maximum AC voltage between different sections.
- High-frequency pulses must trigger, to guarantee thyristor conduction with any amplitude and phase of the main current, including zero current. The frequency pulse triggering must be above 5 KHz.
- In serial connected thyristors, manufacturers recommend applying a peak gate current about 5 A and 2 A/μs minimum slope.
- The maximum dispersion time between the firing pulses of serial connected thyristors is 1 μs.
The driver consists of two parts: the power supply and the trigger circuit [].
The power supply is based on current transformers at high frequency. An AC current source feeds a high-voltage conductor, which crosses the toroidal magnetic core, where a current is induced into secondary winding to feed each thyristor driver. Figure 5 shows the topology to feed seven thyristor drivers, half of one stack of seven basic modules. The AC HF current source includes an LLC resonant tank working at 25 KHz, which feeds the high-voltage conductor. This topology is suitable for working in an open loop and with variable loads such as thyristor drivers []. Seven toroidal transformers are crossed by the high-voltage conductor and immersed in mineral oil to guarantee the isolation requirement.

Figure 5.
(a) AC current transformer topology with high-voltage isolation to feed thyristor drivers; (b) toroidal transformer assembly with high-voltage conductor. The assembly is included in the mineral oil container.
The trigger circuit transforms the optical fiber command in 5 KHz electrical gate impulses with the current amplitude and slope specified. The 42 drivers of one AC static switch receive the same optical fiber command with time dispersion less than 1 μs.
4.2.2. Controller
The controller is based on a hardware platform that includes a personal computer (PC), DSP, and FPGA. The PC is the user interface for monitoring and parameterizing the full system. The DSP operates the information between the PC and FPGA and manages the external alarms. The FPGA executes the state machine according to travel direction and train position and controls the on/off positions of switches S1 and S2. Other auxiliary functions executed in the FPGA are switching the thyristors on and off in synchronization with voltage phase, generating optical fiber signals for thyristor firing, calculating current RMS value, and treating alarms and data management with DSP.
The state machine executes the sequence listed in Table 1 when the train travels from section 1 to section 2 and executes the reverse sequence when the train travels from section 2 to section 1.
The synchronization is based on the phase locked loop (PLL) of monophase voltages of section 1 and section 2. In state 5 in Table 1, the switching on is synchronized to avoid the inrush current of traction transformer. In state 7, the switching off of S2 is at low current. Before state 7, switch S1 is blocked and switch S2 is closed and the train is out of the NS; in this condition, the current path is through switch S2 and the RC snubber of switch S1. The RC snubber limits to a low AC current value near the holding current characteristic of the thyristors connected in series. When the thyristor firing is removed, the anode–cathode current must be lower than the holding current characteristic of the thyristor to get the blocking. Dispersion of the holding current characteristics can cause blocking of several thyristors and conduction of the rest. To get simultaneous blocking of all thyristors connected in series, the thyristor firing is removed when the anode–cathode current is near zero, synchronized with the maximum voltage amplitude blocked by switch S1.
4.3. Final Assembly
The solution to feed the neutral section was integrated into a 20-foot standard container. The container included two medium-voltage AC static switches, AC voltage and current measurements, and a full control system. The heat produced by RC snubbers, thyristors, and the control system was removed from the container with a fan. Fiber optic Ethernet was used to communicate externally with the control system.
Out of the container, medium-voltage aerial protections such as switch breakers for two poles and electrical disconnect switches of three poles were connected. The switch breaker connected the container to the voltages of sections 1 and 2 and protected within short circuits of the container. The electrical disconnect switch connected the container to the voltages of section 1, section 2, and the neutral section, which was opened when the switch connected the power terminals of the container to earth protection.
5. Testing
The process of experimental validation was divided into two parts: laboratory tests and final test in real conditions with train and railway infrastructure.
The laboratory tests were based on partial testing processes due to the limited power of the facility. The sequence of the proposed partial tests guaranteed success in the final application. The power and voltage levels of the solution are very high and the laboratory requirements for validation are complex and expensive. A methodology was proposed in [] based on synthetic tests for thyristor valves used in high-voltage direct current (HVDC) systems, and [] applied the methodology to modular multi-level converters (MMC) also in HVDC application. The synthetic tests validated the ability of the power semiconductors to support the same electrical stress of the real application. In this way, the synthetic tests were applied at partial sections of thyristor valves, testing each section and its thyristors at working voltage and current levels. This work proposes to extend the synthetic tests by adding the application control to reproduce and validate the real operation in the laboratory with minimal infrastructure. The sequence of proposed partial tests guarantees success in the final application.
The test in real conditions with train and railway infrastructure demonstrates the technical feasibility of the AC static switch and the proposed validation methodology.
5.1. Laboratory Tests
In general, the electric power laboratories present capacity limitations for testing high-power equipment. In this paper, is proposed a process to testing partially the AC static switches in the Medium-Voltage Laboratory of Mondragon University. The tests are realized in laboratory-controlled conditions. Two partial testing processes were designed: functionality tests of power electronics and application conditions tests.
5.1.1. Functionality Tests of Power Electronics
Based on [,], the purpose of the test is to validate the electric isolation, blocking voltage, and current conduction capabilities of the AC static switch. The process starts with the test of thyristor basic modules, then thyristor stacks, and finally AC static switch, and the test sequence is as follows: isolation, voltage blocking, and current conduction. Figure 6 shows the functionality tests.

Figure 6.
Procedure for the functional testing of the AC static switch. DUT, device under test.
To pass the functionality test, the AC static switch must be complete successfully with the procedure in Figure 6. The proposed test procedure achieves a size reduction of the laboratory equipment used. In the voltage blocking test, the thyristors are open and only must feed the leakage current of the RC snubber and thyristor. A low-power, high–AC voltage source is necessary, 52 KV and 30 KVA. In the current conduction test, the thyristors are closed and the voltage across each thyristor is lower than 2 volts, and a low-power AC voltage source is necessary, about 50 V and 40 KVA.
5.1.2. Application Condition Tests
The purpose of the test is to validate the integration between the control system and power electronics, including the emulation of the train travelling through the NS. The procedure proposes a sequential test from the basic modules to AC static switch, similar to a functionality test.
The procedure sequence, Figure 7, starts with the test of the basic module; two phases of low-voltage transformer are used like voltages of sections 1 and 2, and the third phase is the rail connected to the ground. A second one-phase transformer is connected to the basic modules and ground, and this configuration emulates the train travelling into the NS. The one-phase transformer has a resistor load equivalent to the nominal current absorbed by the train. In these conditions, the PLL and state machine of the control system are validated and the commutation transitions at nominal current through the thyristors are verified. Also validated is the synchronization of the on- and off-switching of the thyristor with the voltage phase to reduce the transformer inrush current and guarantee the thyristor blocking at zero current.

Figure 7.
Application conditions for the test procedure of AC static switch. PLL, phased locked loop. DUT, device under test.
The next step of the procedure uses two stacks of seven thyristors connected in series and a three-phase transformer at 17.5 KVAC. The worst case of voltage balancing occurs with switching of the thyristors connected in series at zero current and the test topology does not include the one-phase transformer with the resistor load. The test validates the commutation transitions at nominal voltage and the voltage balancing between the basic modules of thyristors.
The final procedure tests the two AC static switches at medium voltage, 30 KV, with commutation transitions at zero current. The test verifies the voltage balancing between the three stacks in the worst case of commutation. Figure 8 shows the transition from S2 to S1. S2 is switched on, the NS is fed from the section 2 voltage, and S1 blocks 30 KV. S2 is switched off without load in the maximum voltage amplitude of section 2, near the zero-crossing current. The transient response in the RC snubber results in a voltage average value in switches and NS but within the working voltage values. Then, S1 is switched on in the maximum voltage amplitude of section 1 to reduce the transformer inrush current, the NS is fed from section 1, and S2 blocks 30 KV.

Figure 8.
Switching transient between AC static switches S1 and S2 at 30 KV without load obtained in laboratory tests. SW1, S1 voltage; SW2, S2 voltage; ZN, NS voltage.
5.2. Final Application Tests
To demonstrate the technical feasibility of the AC static switch to feed the NS, real tests in the railway system were done. The container with the two AC static switches was connected to a neutral section of the Cordoba–Malaga High-Speed Railway, in the traction substation of La Roda de Andalucía. More information available in Supplementary Materials which contain Adif’s press realease. The traction substation feeds two sections of the HSR and is in front of the NS where the container is located. Two one-phase transformers feed the sections at 27.5 KV and 800 m of neutral section separates the two sections. Figure 9 shows the container situation and connection to the NS. The test procedure followed three steps: control verification, commutation of NS with the same voltage in sections, and commutation of NS with different voltage phases in sections. The commutation test included the following conditions in both directions of circulation:

Figure 9.
(a) Container with two AC static switches and connection to the HSR; (b) electrical scheme with protections and connection to HSR.
- Train crossing NS at 100 km/h in traction mode
- Train crossing NS at 100 km/h in regenerative mode
- Train crossing NS at 300 km/h in traction mode
- Train crossing NS at 300 km/h in regenerative mode
- Train stopping in NS
- Train stopping 10 min into NS
- Train starting from stationary position at NS
The test procedure was realized with the laboratory high-speed train from Adif, called Seneca, out of the business exploitation timetable. Seneca HST is based on Talgo 350, 8 Mw of traction power, 200 m in length, and 330 Km/h of maximum speed. The time to complete final tests was 5 days. The most critical test was Seneca crossing the NS at 300 km/h in traction mode, where the available time to commutation is minimal at nominal current level.
5.2.1. Control Verification
The test consisted of verifying the detection of train position and correctly executing the triggering sequence of the two AC static switches, which were electrically disconnected. Control was verified with the Seneca HST crossing the neutral section at different speeds up to 300 km/h in both directions.
5.2.2. Commutation of Neutral Section with Equal Voltages in Sections
The traction substation was configured to feed section 1 and section 2 with equal voltage, 27.5 KV. The container was energized and the voltage through the two AC switches, S1 and S2, was zero. This test condition avoids short-circuit risks between sections in case the commutation sequence fails. Three steps were proposed to complete the test:
- First the electrical isolation between active parts to ground into the container for 24 h was tested and the electrical isolation in nominal conditions of exploitation was verified.
- The next step consisted of the commutation of S1 and S2 without load when the Seneca HST was crossing the NS with its main breaker disconnected. This test was realized at different speeds in both directions and verified the correct sequence of commutation with the system energized.
- In the last step, the HST travelled through the NS electrically connected at different speeds in both directions. Further testing was done when the HST travelled in regenerative breaking mode, in which the current was in opposite phase with voltage. Also tested was the stop and boot of the HST into the neutral section. The test verified the correct sequence of commutation at nominal voltage and different currents.
Figure 10 shows the complete electric sequence of the train crossing the NS with the states from 1 to 7 described in Table 1. The HST was near the NS and caused the transition from state 1 to state 2, where switch S2 was activated to feed the NS. The instant the HST absorbed current from the NS through S1 was the transition from state 2 to state 3 and the HST was powered into the NS. Figure 10 shows the sinusoidal current absorbed by the train in phase with the voltage. The change to state 4 was caused by the detection of the complete train in the NS, and the control sent the switching-off command to S2. In the transition from state 4 to 5, the switching off at zero current crossing can be observed and the result is a null electrical transient. Once the zero current was checked in the NS for 60 milliseconds, state 5 transitioned to state 6 and S1 was triggered on the maximum voltage amplitude of section 2. The train was fed from section 1 and the inrush current of the traction transformer was avoided. In three electrical cycles, the nominal current was reestablished from the NS through S1 to the train. During state 6, the train went out from the NS and the current was reduced to zero, caused by the progressive loss of contact with the NS catenary. Finally, the detection of the complete train out of the NS caused the transition from state 6 to 7 and S1 was switched off at zero current.

Figure 10.
HST travelling at 300 km/h from section 2 to section 1. Ch1, S1 command; Ch2, S2 command; Ch3, NS voltage; Ch4, NS current.
The test with equal voltage in sections 1 and 2 verified the correct execution of the AC static switch solution with a real train with low risk of failure.
5.2.3. Commutation of Neutral Section with Section Voltages with 120° Lag
The traction substation was configured to feed section 1 and section 2 with two 27.5 KV with a lag of 120°. The Seneca HST crossed the NS electrically connected at different speeds in both directions.
Figure 11 shows the transition of the train from section 2 to section 1. The switching off of the current in state 5 was at zero current crossing and the inrush current of transformer in state 6 was null. The change from state 6 to 7 shows the voltage transient in the NS similar to the functionality test in laboratory, which is shown in Figure 9. In state 6, the current absorbed from the NS was low because the input power converter of the train reacted slowly to the change of the 120° phase lag. This effect was not present when the voltages in sections 1 and 2 were equal.

Figure 11.
HST travelling at 280 km/h from section 2 to section 1. Ch1, S1 command; Ch2, S2 command; Ch3, NS voltage; Ch4, NS current.
The tests with 120° lag in voltages of sections 1 and 2 were realized successfully and show the viability of the AC static switch solution based on thyristor technology.
6. Conclusions
The solution to feed the NS in the HSR system is based on thyristors working at a medium voltage level. The concept test [] at low voltage shows the technical viability of the solution, but the design process identifies the complexity to achieve the electrical isolation and the difficulties in testing at nominal conditions in the laboratory.
Current transformer topology with the same primary conductor, with high isolation and immersed in mineral oil, is the solution proposed to achieve electrical isolation for 52 KVAC.
To test the AC static switch, a test methodology is proposed with the aims to reduce:
- expensive equipment used in the medium-voltage laboratory,
- risk of failure, and
- validation time in the final application.
The validation procedure is based on a progressive test where the power electronic components are verified separately at nominal conditions of voltage and current:
- Functionality tests of power electronics (basic module, stack, and AC static switch) to test the ability to support nominal voltage and current.
- Application conditions tests (basic module, stack, and AC static switch) to test the control and power electronics operation.
The procedure and laboratory tests have been demonstrated and guaranteed the success of the final test in the real application. Five days were required to complete the tests on the Cordoba–Malaga High-Speed Railway.
From the application point of view, the thyristor achieves the right solution to feed high-speed trains in neutral sections, avoiding the electrical transient of connection and disconnection of traction transformers and failure of the train’s main breaker. Also, the AC static switch solution is suitable for conventional railways, where the speed can be very slow and there is a risk of stopping in a neutral section without electrical power.
Supplementary Materials
Adif’s press release on the If zone project are available online at http://prensa.adif.es/ade/u08/gap/prensa.nsf/Vo000A/CD63F8963B956BA7C1257AAA00434DF5?Opendocument, http://prensa.adif.es/ade/u08/GAP/Prensa.nsf/Vo000A/7448B72B54087C76C1257DD600363D68?Opendocument, http://www.fomento.es/AZ.BBMF.Web/documentacion/pdf/A27860.pdf.
Author Contributions
J.M.C. conceived the solution for neutral sections based on solid state switches and wrote the paper. I.A. and U.I. designed and realized the experimental validation in the laboratory and in real conditions of the Cordoba–Malaga High-Speed Railway. J.A.B. contributed to the control design of the global solution, and M.B. contributed to the power electronics design including the electrical isolation.
Funding
This work was supported in part by the Spanish Ministerio de Fomento through project IFZONE (FOM 39/08).
Conflicts of Interest
The authors declare no conflict of interest.
Abbreviations
The following abbreviations are used in this manuscript:
ABB | ASEA Brown Boveri |
DSP | Digital signal processor |
DUT | Device under test |
EMI | Electromagnetic interference |
FC | Fixed capacitor |
FPGA | Field-programmable gate array |
HF | High Frequency |
HSR | High-speed railway |
HST | High-speed train |
HVDC | High-voltage direct current |
IFZONE | Investigation of Advanced Techniques for Railway Operation in the Neutral Sections of the high-speed railway |
KVAC | Kilovolt altern current |
LLC | Inductor inductor capacitor |
MMC | Modular multi-level converter |
NS | Neutral section |
PC | Personal computer |
PLL | Phase locked loop |
RC | Resistor capacitor |
RMS | Root mean square |
SVC | Static var compensator |
TCR | Thyristor-controlled reactor |
TSC | Thyristor switched capacitor |
References
- Steimel, A. Under Europe’s incompatible catenary voltages a review of multi-system traction technology. In Proceedings of the Electrical Systems for Aircraft, Railway and Ship Propulsion (ESARS), Bologna, Italy, 16–18 October 2012. [Google Scholar]
- Steimel, A. Power-electronic grid supply of AC railway systems. In Proceedings of the Optimization of Electrical and Electronic Equipment (OPTIM), Brasov, Romania, 25–27 May 2012. [Google Scholar]
- Di Manno, M.; Varilone, P.; Verde, P.; De Santis, M.; Di Perna, C.; Salemme, M. User friendly smart distributed measurement system for monitoring and assessing the electrical power quality. In Proceedings of the AEIT International Annual Conference (AEIT), Naples, Italy, 14–16 October 2015. [Google Scholar]
- Conrado, J.; Tobajas, C.; Almenara, L.F.; Iglesias, J.; Cabello, J.; Berrios, A.; Nieva, T.; Aiarzaguena, M. “IFZONE” Project: Improving circulation in neutral sections. In Proceedings of the 9th World Congress Railway Research, Lille, France, 22–26 May 2011. [Google Scholar]
- Chen, S.; Wen, Y. Discussions on the generation mechanism of spark phenomenon when locomotive running through an electricity neutral section. In Proceedings of the International Conference on Electromagnetics in Advanced Applications, Sydney, Australia, 20–24 September 2010; pp. 749–752. [Google Scholar]
- Shin, H.; Cho, S.; Huh, J.; Kim, J.; Kweon, D. Application on of SFCL in Automatic Power Changeover Switch System of Electric Railways. IEEE Trans. Appl. Supercond. 2012, 22, 5600704. [Google Scholar] [CrossRef]
- Donguk, J.; Moonseob, H. Study of composition draft on automatic changeover system in neutral section of electric railway catenary system for highspeed train line. In Proceedings of the 9th World Congress on Railway Research, Lille, France, 22–26 May 2011. [Google Scholar]
- Zhou, F.; Li, Q.; Qiu, D. Co-Phased Traction Power System Based on Balanced Transformer and Hybrid Compensation. In Proceedings of the Asia-Pacific Power and Energy Engineering Conference, Chengdu, China, 28–31 March 2010; pp. 1–4. [Google Scholar]
- Mousavi, S.M.; Tabakhpour, A.; Fuchs, E.F.; Al-Haddad, K. Power Quality Issues in Railway Electrification: A Comprehensive Perspective. IEEE Trans. Ind. Electron. 2015, 62, 3081–3090. [Google Scholar] [CrossRef]
- Ajiki, K.; Mochinaga, Y.; Uzuka, T.; Saitoh, T.; Yoshiki, Y. Investigation of Shinkansen Static Changeover Switch Capable of Suppression of Exciting Inrush Current into Transformer on Train. IEEJ Trans. Ind. Appl. 2001, 121, 340–346. [Google Scholar] [CrossRef]
- Hayashiya, H.; Ueda, Y.; Ajiki, K.; Watanabe, H.; Ando, M.; Nakajima, M. Investigation of closing surge in Shinkansen Power System and proposal of a novel power electronic electronics application for changeover section. IEEJ Trans. Ind. Appl. 2006, 126, 857–864. [Google Scholar] [CrossRef]
- Tian, X.; Jiang, Q.; Wei, Y.; Zhang, J.; Wei, Y. Novel high speed railway uninterruptible flexible connector based on modular multilevel converter structure. In Proceedings of the International Conference on Power Electronics and ECCE Asia, Seoul, South Korea, 1–5 June 2015; pp. 952–958. [Google Scholar]
- Wu, C.; Luo, A.; Shen, J.; Ma, F.J.; Peng, S. A Negative Sequence Compensation Method Based on a Two-Phase Three-Wire Converter for a High-Speed Railway Traction Power Supply System. IEEE Trans. Power Electron. 2012, 27, 706–717. [Google Scholar] [CrossRef]
- Grunbaum, R. FACTS to enhance availability and stability of AC Power Transmission. In Proceedings of the Bucharest PowerTech Conference, Bucharest, Romania, 28 June–2 July 2009; pp. 1–8. [Google Scholar]
- He, X.; Guo, A.; Peng, X.; Zhou, Y.; Shi, Z.; Shu, Z. A Traction Three-Phase to Single-Phase Cascade Converter Substation in an Advanced Traction Power Supply System. Energies 2015, 8, 9915–9929. [Google Scholar] [CrossRef]
- He, X.; Shu, Z. Advanced Cophase Traction Power Supply System Based on Three-Phase to Single-Phase Converter. IEEE Trans. Power Electron. 2014, 29, 5323–5333. [Google Scholar] [CrossRef]
- Ladoux, P.; Fabre, J.; Caron, H. Power Quality Improvement in ac Railway Substations: The concept of chopper-controlled impedance. IEEE Electrif. Mag. 2014, 2, 6–15. [Google Scholar] [CrossRef]
- Han, Z.; Liu, S.; Gao, S. An Automatic System for China High-speed Multiple Unit Train Running Through Neutral Section with Electric Load. In Proceedings of the Asia-Pacific Power and Energy Engineering Conference, Chengdu, China, 28–31 March 2010; pp. 1–3. [Google Scholar]
- Uzuka, T. Faster than a Speeding Bullet: An Overview of Japanese High-Speed Rail Technology and Electrification. IEEE Electrif. Mag. 2013, 1, 11–20. [Google Scholar] [CrossRef]
- Wahl, F.P. Firing Series SCRs at Medium Voltage: Understanding the Topologies Ensures the Optimum Gate Drive Selection. In Proceedings of the Power Systems World Conference, Chicago, IL, USA, 31 October 2002. [Google Scholar]
- Aizpuru, I.; Canales, J.M.; Fernandez, J. Scalable High Insulation Power Supply for Medium Voltage Power Converters. In Proceedings of the Integrated Power Electronics Systems (CIPS), Nuremberg, Germany, 6–8 March 2012; pp. 1–6. [Google Scholar]
- Liu, L.; Yue, K.; Pang, L.; Zhang, X.; Li, Y.; Zhang, Q. A novel synthetic test system for thyristor level in the converter valve of HVDC power transmission. In Proceedings of the MATEC Web of Conferences ICMMR, Chongqing, China, 15–17 June 2016. [Google Scholar]
- Tang, G.; He, Z.; Zha, K.; Luo, X.; Wu, Y.; Gao, C.; Wang, H. Type tests on MMC-based HVDC valve section with synthetic test circuits. Int. Trans. Electr. Energy Syst. 2016, 26, 1983–1998. [Google Scholar] [CrossRef]
© 2018 by the authors. Licensee MDPI, Basel, Switzerland. This article is an open access article distributed under the terms and conditions of the Creative Commons Attribution (CC BY) license (http://creativecommons.org/licenses/by/4.0/).