Modular Multi-Port Ultra-High Power Level Power Converter Integrated with Energy Storage for High Voltage Direct Current (HVDC) Transmission
Abstract
:1. Introduction
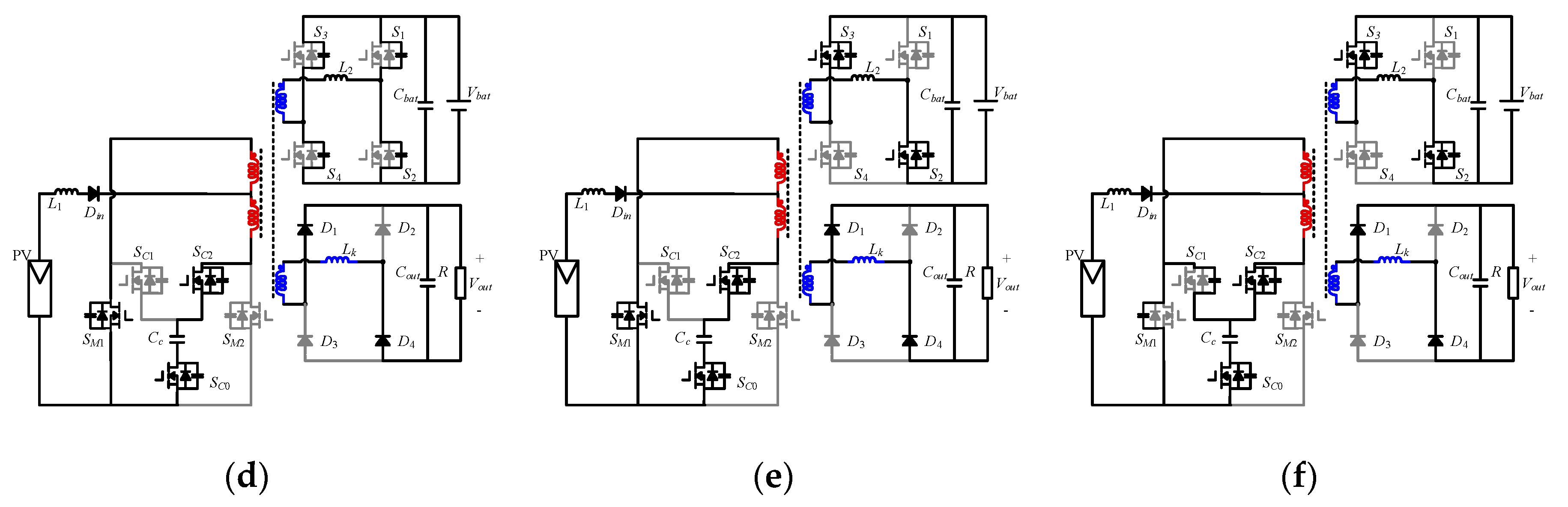
2. Analysis of the Basic Cell
2.1. Topology of the Basic Cell
2.2. Operation of the Basic Cell with PV Source
2.3. Operation of the Basic Cell without PV Source
3. Analysis of the Proposed Converter with Scalable Topology
3.1. Operation Principle of the Scalable Topology
3.2. Control Scheme
3.3. Fault Tolerance
4. Simulation Results and Discussion
5. Conclusions
Author Contributions
Funding
Conflicts of Interest
References
- LLas, A.; Ralon, P.; Rodriguez, A.; Taylor, M. Renewable Power Generation Costs in 2017; International Renewable Energy Agency (IRENA): Abu Dhabi, UAE, 2018. [Google Scholar]
- Integrating Renewable Electricity on the Grid; A Report by the APS Panel on Public Affairs; APS: Washington, DC, USA, 2011.
- Al-Absi, M.; Khalifa, Z.; Hussein, A. A new capacitor-less buck DC-DC converter for LED applications. Act. Passiv. Electron. Compon. 2017, 2017, 2365848. [Google Scholar] [CrossRef]
- Sun, J.; Li, M.; Zhang, Z.; Xu, T.; He, J.; Wang, H.; Li, G. Renewable energy transmission by HVDC across the continent: System challenges and opportunities. CSEE J. Power Energy Syst. 2017, 3, 353–364. [Google Scholar] [CrossRef]
- Oni, O.E.; Davidson, I.E.; Mbangula, K.N. A review of LCC-HVDC and VSC-HVDC technologies and applications. In Proceedings of the 2016 IEEE 16th International Conference on Environment and Electrical Engineering (EEEIC), Florence, Italy, 7–10 June 2016; pp. 1–7. [Google Scholar]
- Oates, C. Modular multilevel converter design for VSC HVDC applications. IEEE J. Emerg. Sel. Top. Power Electron. 2015, 3, 505–515. [Google Scholar] [CrossRef]
- Singh, H.; Vadhera, S. Performance enhancement of VSC-HVDC system using energy storage device. In Proceedings of the 2015 International Conference on Energy, Power and Environment: Towards Sustainable Growth (ICEPE), Shillong, India, 12–13 June 2015; pp. 1–6. [Google Scholar]
- Riffonneau, Y.; Bacha, S.; Barruel, F.; Ploix, S. Optimal power flow management for grid connected PV systems with batteries. IEEE Trans. Sustain. Energy 2011, 2, 309–320. [Google Scholar] [CrossRef]
- Chiang, S.-J.; Chang, K.; Yen, C. Residential photovoltaic energy storage system. IEEE Trans. Ind. Electron. 1998, 45, 385–394. [Google Scholar] [CrossRef]
- Nakayama, H.; Hiraki, E.; Tanaka, T.; Koda, N.; Takahashi, N.; Noda, S. Stand-alone photovoltaic generation system with combined storage using lead battery and EDLC. In Proceedings of the 13th International Power Electronics and Motion Control Conference, EPE-PEMC 2008, Poznan, Poland, 1–3 September 2008; pp. 1877–1883. [Google Scholar]
- Sayed, S.; Elmenshawy, M.; Elmenshawy, M.; Ben-Brahim, L.; Massoud, A. Design and analysis of high-gain medium-voltage DC-DC converters for high-power PV applications. In Proceedings of the 2018 IEEE 12th International Conference on Compatibility, Power Electronics and Power Engineering (CPE-POWERENG), Doha, Qatar, 10–12 April 2018; pp. 1–5. [Google Scholar]
- Haque, M.M.; Wolfs, P.; Alahakoon, S. Dual active bridge and matrix converter based three-port converter topology for grid interactive PV-battery system. In Proceedings of the 2017 Australasian Universities Power Engineering Conference (AUPEC), Melbourne, VIC, Australia, 19–22 November 2017; pp. 1–6. [Google Scholar]
- Xiangjiaba-Shanghai, The World’s Most Powerful and Longest ultra High Voltage Direct Current Project to Go into Commercial Operation, in July 2010. Available online: https://new.abb.com/systems/hvdc/references/xiangjiaba---shanghai (accessed on 10 August 2018).
- Tao, H.; Kotsopoulos, A.; Duarte, J.L.; Hendrix, M.A. Transformer-coupled multiport ZVS bidirectional DC-DC converter with wide input range. IEEE Trans. Power Electron. 2008, 23, 771–781. [Google Scholar] [CrossRef]
- Krishnaswami, H.; Mohan, N. Three-port series-resonant DC-DC converter to interface renewable energy sources with bidirectional load and energy storage ports. IEEE Trans. Power Electron. 2009, 24, 2289–2297. [Google Scholar] [CrossRef]
- Jakka, V.N.S.R.; Shukla, A.; Demetriades, G.D. Dual-transformer-based asymmetrical triple-port active bridge (DT-ATAB) isolated DC-DC converter. IEEE Trans. Ind. Electron. 2017, 64, 4549–4560. [Google Scholar] [CrossRef]
- Asa, E.; Colak, K.; Bojarski, M.; Czarkowski, D. Asymmetrical duty-cycle and phase-shift control of a novel multiport CLL resonant converter. IEEE J. Emerg. Sel. Top. Power Electron. 2015, 3, 1122–1131. [Google Scholar] [CrossRef]
- Yi, F.; Cai, W. Modeling, control, and seamless transition of the bidirectional battery-driven switched reluctance motor/generator drive based on integrated multiport power converter for electric vehicle applications. IEEE Trans. Power Electron. 2016, 31, 7099–7111. [Google Scholar]
- Jabbari, M.; Dorcheh, M.S. Resonant multi-input/multi-output/bidirectional ZCS step-down DC-DC converter with systematic synthesis for point-to-point power routing. IEEE Trans. Power Electron. 2018, 33, 6024–6032. [Google Scholar] [CrossRef]
- Vel, C.S.; Venkatesan, T. Analysis of non-isolated multi-port single ended primary inductor converter or standalone applications. Energies 2018, 11, 539. [Google Scholar] [CrossRef]
- Wu, H.; Xu, P.; Hu, H.; Zhou, Z.; Xing, Y. Multiport converters based on integration of full-bridge and bidirectional DC-DC topologies for renewable generation systems. IEEE Trans. Ind. Electron. 2014, 61, 856–869. [Google Scholar] [CrossRef]
- Ding, Z.; Yang, C.; Zhang, Z.; Wang, C.; Xie, S. A novel soft-switching multiport bidirectional DC-DC converter for hybrid energy storage system. IEEE Trans. Power Electron. 2014, 29, 1595–1609. [Google Scholar] [CrossRef]
- Hu, Y.; Xiao, W.; Cao, W.; Ji, B.; Morrow, D.J. Three-port DC-DC converter for stand-alone photovoltaic systems. IEEE Trans. Power Electron. 2015, 30, 3068–3076. [Google Scholar] [CrossRef]
- Uno, M.; Oyama, R.; Sugiyama, K. Partially-isolated single-magnetic multi-port converter based on integration of series-resonant converter and bidirectional PWM converter. IEEE Trans. Power Electron. 2018, 33, 9575–9587. [Google Scholar] [CrossRef]
- Wersland, S.B.; Acharya, A.B.; Norum, L.E. Integrating battery into mmc submodule using passive technique. In Proceedings of the 2017 IEEE 18th Workshop on Control and Modeling for Power Electronics (COMPEL), Stanford, CA, USA, 9–12 July 2017; pp. 1–7. [Google Scholar]
- Henke, G.; Bakran, M.-M. Balancing of modular multilevel converters with unbalanced integration of energy storage devices. In Proceedings of the 2016 18th European Conference on Power Electronics and Applications (EPE’16 ECCE Europe), Karlsruhe, Germany, 5–9 September 2016; pp. 1–10. [Google Scholar]
- Li, N.; Gao, F.; Hao, T.; Ma, Z.; Zhang, C. SOH balancing control method for the MMC battery energy storage system. IEEE Trans. Power Electron. 2018, 65, 6581–6591. [Google Scholar] [CrossRef]
- Song, S.; Hu, Y.; Ni, K.; Yan, J.; Chen, G.; Wen, H.; Ye, X. Multi-port high voltage gain modular power converter for offshore wind farms. Sustainability 2018, 10, 2176. [Google Scholar] [CrossRef]
- Hu, Y.; Chen, G.; Liu, Y.; Jiang, L.; Li, P.; Finney, S.J.; Cao, W.; Chen, H. Fault-tolerant converter with a modular structure for HVDC power transmitting applications. IEEE Trans. Ind. Appl. 2017, 53, 2245–2256. [Google Scholar] [CrossRef]
- Li, J.; Wang, D.; Wang, W.; Jiang, J. Minimize current stress of dual-active-bridge DC-DC converters for electric vehicles based on lagrange multipliers method. Energy Procedia 2017, 105, 2733–2738. [Google Scholar] [CrossRef]
- De Doncker, R.W.; Divan, D.M.; Kheraluwala, M.H. A three-phase soft-switched high-power-density DC/DC converter for high-power applications. IEEE Trans. Ind. Appl. 1991, 27, 63–73. [Google Scholar] [CrossRef]
- Zhang, W.; Xu, D.; Enjeti, P.N.; Li, H.; Hawke, J.T.; Krishnamoorthy, H.S. Survey on fault–tolerant techniques for power electronic converters. IEEE Trans. Power Electron. 2014, 29, 6319–6331. [Google Scholar] [CrossRef]























| System Parameters | Values | Components | Values |
|---|---|---|---|
| Input Voltage | 100 V | Turns ratio 1:1:1:n | 1:1:1:2 |
| Output Voltage | 1500 V | Leakage inductance Lk | 60 μH |
| Battery | 125 V | Input inductor L1 | 5 mH |
| Switching Frequency | 10 kHz | Inductor L2 | 2 mH |
| Output Power | 5 kW | Clamp capacitor Cc | 20 μF |
© 2018 by the authors. Licensee MDPI, Basel, Switzerland. This article is an open access article distributed under the terms and conditions of the Creative Commons Attribution (CC BY) license (http://creativecommons.org/licenses/by/4.0/).
Share and Cite
Song, S.; Li, W.; Ni, K.; Xu, H.; Hu, Y.; Si, J. Modular Multi-Port Ultra-High Power Level Power Converter Integrated with Energy Storage for High Voltage Direct Current (HVDC) Transmission. Energies 2018, 11, 2711. https://doi.org/10.3390/en11102711
Song S, Li W, Ni K, Xu H, Hu Y, Si J. Modular Multi-Port Ultra-High Power Level Power Converter Integrated with Energy Storage for High Voltage Direct Current (HVDC) Transmission. Energies. 2018; 11(10):2711. https://doi.org/10.3390/en11102711
Chicago/Turabian StyleSong, Sen, Wei Li, Kai Ni, Hui Xu, Yihua Hu, and Jikai Si. 2018. "Modular Multi-Port Ultra-High Power Level Power Converter Integrated with Energy Storage for High Voltage Direct Current (HVDC) Transmission" Energies 11, no. 10: 2711. https://doi.org/10.3390/en11102711
APA StyleSong, S., Li, W., Ni, K., Xu, H., Hu, Y., & Si, J. (2018). Modular Multi-Port Ultra-High Power Level Power Converter Integrated with Energy Storage for High Voltage Direct Current (HVDC) Transmission. Energies, 11(10), 2711. https://doi.org/10.3390/en11102711

