Investigation of a Novel Coaxial Power-Split Hybrid Powertrain for Mining Trucks
Abstract
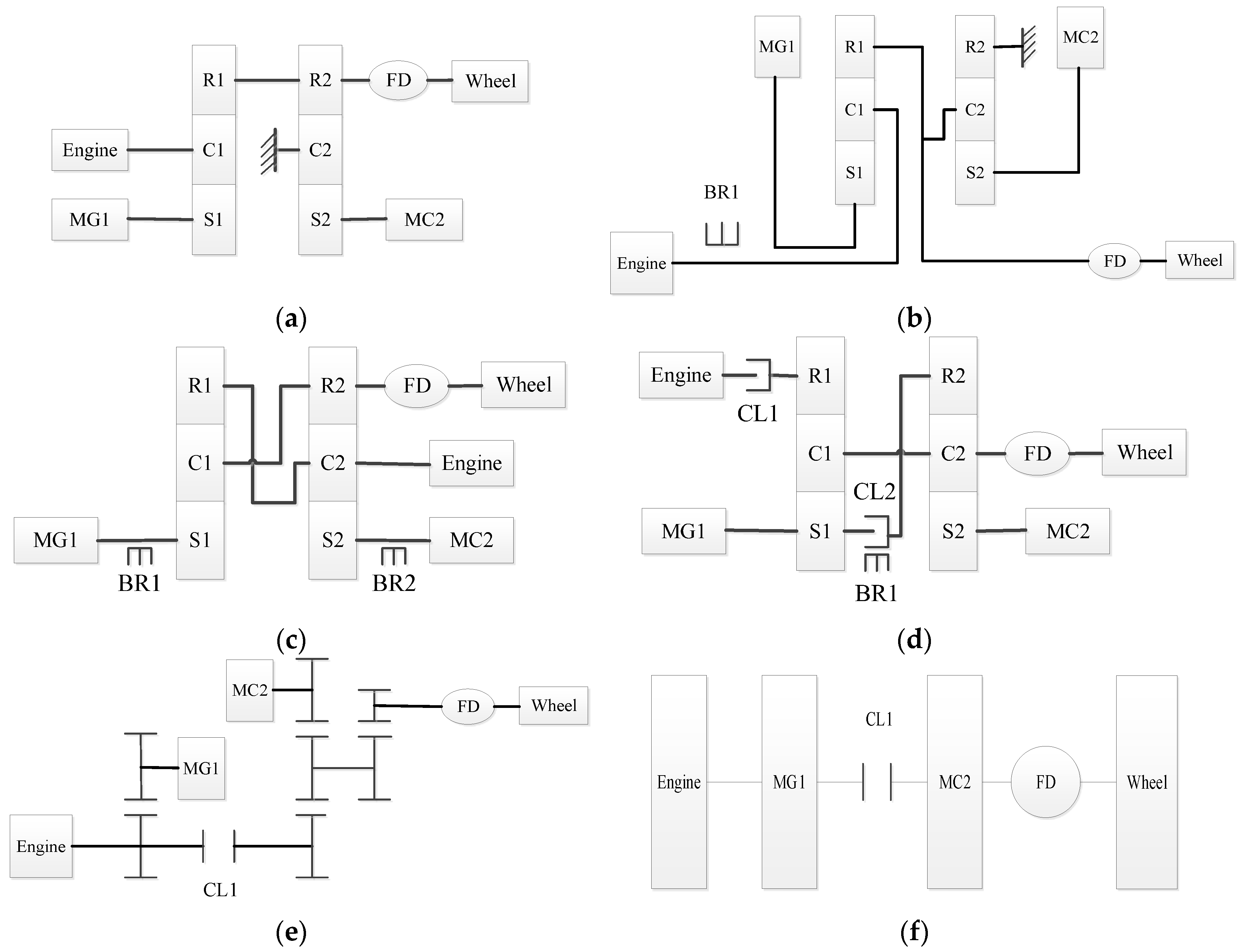
:1. Introduction
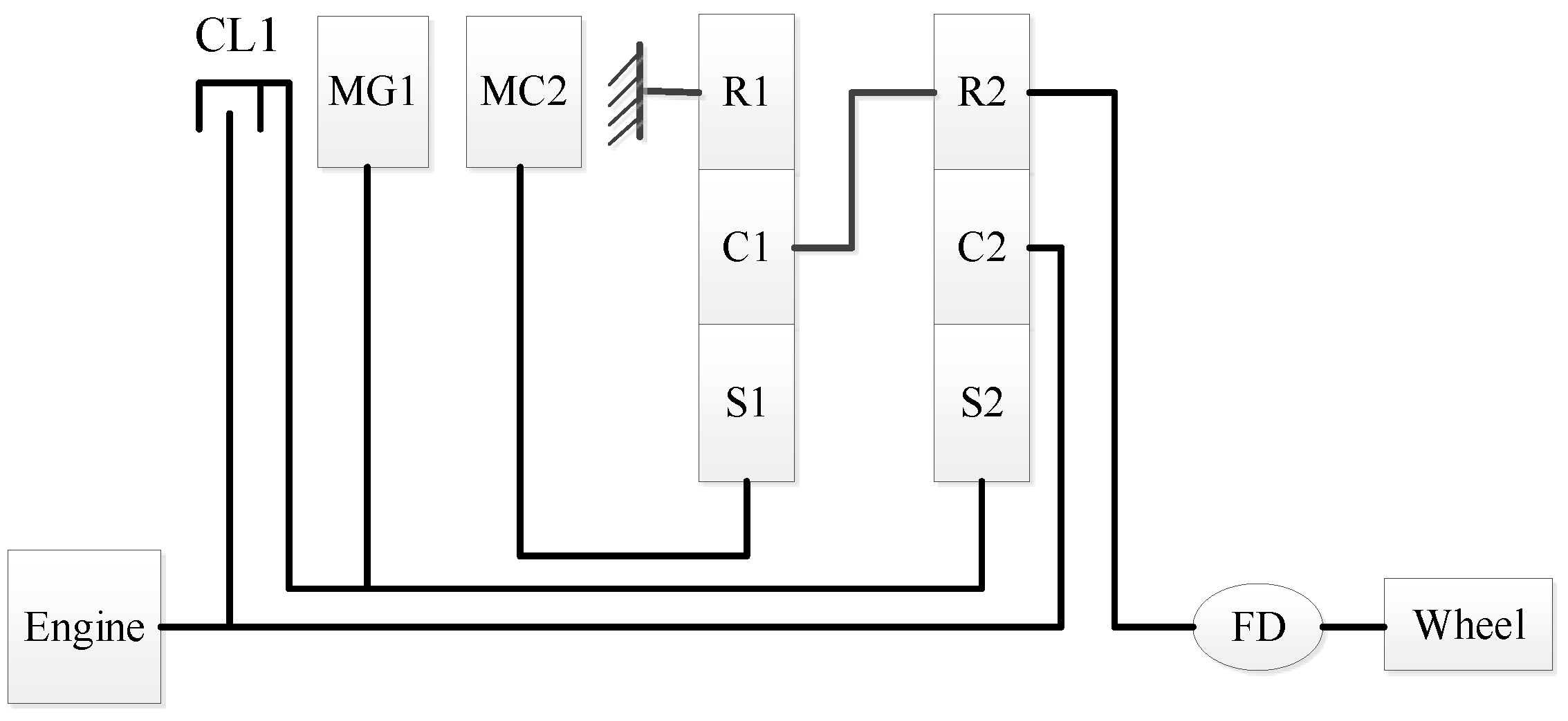
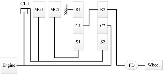
2. System Description
3. Mathematical Model
3.1. Vehicle and Powertrain Model
3.2. Power Source Model
3.3. Electric Motor Model
3.4. Mechanical Model
4. Control Strategy
4.1. Rule-Based Strategy for the Proposed System
4.2. Rule-Based Strategy for THS
4.3. Dynamic Gear Shifting Strategy for the Conventional Mechanical System
5. Simulation Results and Discussions
5.1. Fuel Economy for Hybrid Powertrain System
5.2. Fuel Economy Comparison with THS and Mechanical Transmission System
6. Conclusions
- The proposed hybrid system could operate in six operating modes and can then enhance the fuel efficiency of the vehicle by optimizing the engine working points and recovering the braking energy.
- Regarding the presence of the clutch, the engine can drive the truck directly in high-speed conditions. When the clutch switches between different states, the power interruption will not occur due to the presence of the motor. Both safety and comfort can be enhanced.
- The engine, MG1, and MC2 are arranged on the same side to reduce the axial size and are maintained easily.
- The size and the rated power of the engine can be decreased further to reduce fuel consumption. In contrast to THS and the mechanical vehicle system, the fuel efficiency can be enhanced by 8.21% and 22.45%, respectively.
Acknowledgments
Author Contributions
Conflicts of Interest
References
- Sahoo, L.K.; Bandyopadhyay, S.; Banerjee, R. Energy performance of dump trucks in opencast mine. In Proceedings of the 23rd International Conference on Efficiency, Cost, Optimization, Simulation and Environmental Impact of Energy System (ECOS), Lausanne, Switzerland, 14–17 June 2010. [Google Scholar]
- Intergovernmental Panel on Climate Change. Climate Change 2014: Mitigation of Climate Change; Cambridge University Press: New York, NY, USA, 2015; Volume 3. [Google Scholar]
- Lü, C.; Guoqiang, W.; Xinxing, T.; Chunran, L.; Tao, Y. Optimization of power matching on torque-converter with diesel engine for wheel loader. Trans. Chin. Soc. Agric. Mach. 2010, 7, 5. [Google Scholar]
- Brown, G.M.; Elbacher, B.J.; Koellner, W.G. Increased productivity with AC drives for mining excavators and haul trucks. In Proceedings of the Conference Record of the 2000 IEEE Industry Applications Conference, Rome, Italy, 8–12 October 2000; Volume 1, pp. P28–P37. [Google Scholar]
- Mirzaei, S.; Fernandez, A. Retard system solution on electric mining trucks. In Proceedings of the 2012 IEEE Symposium on Sensorless Control for Electrical Drives (SLED), Milwaukee, WI, USA, 21–22 September 2012; pp. 1–5. [Google Scholar]
- Gao, D.; Zhang, W.; Shen, A.; Wang, Y. Parameter Design and Energy Control of the Power Train in a Hybrid Electric Boat. Energies 2017, 10, 1028. [Google Scholar] [CrossRef]
- Bottiglione, F.; Contursi, T.; Gentile, A.; Mantriota, G. The fuel economy of hybrid buses: The role of ancillaries in real urban driving. Energies 2014, 7, 4202–4220. [Google Scholar] [CrossRef]
- Millo, F.; Rolando, L.; Fuso, R.; Zhao, J. Development of a new hybrid bus for urban public transportation. Appl. Energy 2015, 157, 583–594. [Google Scholar] [CrossRef]
- Wu, G.; Zhang, X.; Dong, Z. Powertrain architectures of electrified vehicles: Review, classification and comparison. J. Frankl. Inst. 2015, 352, 425–448. [Google Scholar] [CrossRef]
- Hu, X.; Murgovski, N.; Johannesson, L.; Egardt, B. Energy efficiency analysis of a series plug-in hybrid electric bus with different energy management strategies and battery sizes. Appl. Energy 2013, 111, 1001–1009. [Google Scholar] [CrossRef]
- Ngo, H.-T.; Yan, H.-S. Configuration synthesis of parallel hybrid transmissions. Mech. Mach. Theory 2016, 97, 51–71. [Google Scholar] [CrossRef]
- Chung, C.-T.; Hung, Y.-H. Energy improvement and performance evaluation of a novel full hybrid electric motorcycle with power split e-CVT. Energy Convers. Manag. 2014, 86, 216–225. [Google Scholar] [CrossRef]
- Wishart, J.D.; Zhou, Y.; Dong, Z. Review, modelling and simulation of two-mode hybrid vehicle architecture. In Proceedings of the 9th International Conference on Advanced Vehicle and Tire Technologies (AVTT), Las Vegas, NV, USA, 4–7 September 2007. [Google Scholar]
- Miller, J.M. Hybrid electric vehicle propulsion system architectures of the e-CVT type. IEEE Trans. Power Electron. 2006, 21, 756–767. [Google Scholar] [CrossRef]
- Liu, J.; Peng, H. Modeling and control of a power-split hybrid vehicle. IEEE Trans. Control Syst. Technol. 2008, 16, 1242–1251. [Google Scholar]
- Wang, Q.; Liu, Y.; Liang, G.; Li, J.; Sun, S.; Chen, G. Development and experimental validation of a novel indirect-expansion solar-assisted multifunctional heat pump. Energy Build. 2011, 43, 300–304. [Google Scholar] [CrossRef]
- Villeneuve, A. Dual mode electric infinitely variable transmission. In Proceedings of the SAE TOPTECH Meeting Continuously Variable Transmission, Detroit, MI, USA, 8–11 March 2004; pp. 1–11. [Google Scholar]
- Ahn, K.; Cho, S.; Lim, W.; Park, Y.; Lee, J.M. Performance analysis and parametric design of the dual-mode planetary gear hybrid powertrain. Proc. Inst. Mech. Eng. Part D J. Automob. Eng. 2006, 220, 1601–1614. [Google Scholar] [CrossRef]
- Cipek, M.; Pavković, D.; Petrić, J. A control-oriented simulation model of a power-split hybrid electric vehicle. Appl. Energy 2013, 101, 121–133. [Google Scholar] [CrossRef]
- Tsai, L.-W.; Schultz, G. A motor-integrated parallel hybrid transmission. In Proceedings of the ASME 2002 International Design Engineering Technical Conferences and Computers and Information in Engineering Conference, Montreal, QC, Canada, 9 September–2 October 2002; pp. 1347–1354. [Google Scholar]
- Ide, H.; Sunaga, Y.; Higuchi, N. Development of SPORT HYBRID i-MMD Control System for 2014 Model Year Accord. Introd. New Technol. 2014, 25, 32–40. [Google Scholar]
- Higuchi, N.; Sunaga, Y.; Tanaka, M.; Shimada, H. Development of a new two-motor plug-in hybrid system. SAE Int. J. Altern. Powertrains 2013, 2, 135–145. [Google Scholar] [CrossRef]
- Ouyang, M.; Zhang, W.; Wang, E.; Yang, F.; Li, J.; Li, Z.; Yu, P.; Ye, X. Performance analysis of a novel coaxial power-split hybrid powertrain using a CNG engine and supercapacitors. Appl. Energy 2015, 157, 595–606. [Google Scholar] [CrossRef]
- Salmasi, F.R. Control strategies for hybrid electric vehicles: Evolution, classification, comparison, and future trends. IEEE Trans. Veh. Technol. 2007, 56, 2393–2404. [Google Scholar] [CrossRef]
- Sciarretta, A.; Guzzella, L. Control of hybrid electric vehicles. IEEE Control Syst. 2007, 27, 60–70. [Google Scholar] [CrossRef]
- Rizzoni, G.; Peng, H. Hybrid and electrified vehicles: The role of dynamics and control. Mech. Eng. 2013, 135, S10. [Google Scholar]
- Lin, C.-C.; Peng, H.; Grizzle, J.W.; Kang, J.-M. Power management strategy for a parallel hybrid electric truck. IEEE Trans. Control Syst. Technol. 2003, 11, 839–849. [Google Scholar]
- Kim, N.; Cha, S.; Peng, H. Optimal control of hybrid electric vehicles based on Pontryagin’s minimum principle. IEEE Trans. Control Syst. Technol. 2011, 19, 1279–1287. [Google Scholar]
- Kim, N.; Cha, S.W.; Peng, H. Optimal equivalent fuel consumption for hybrid electric vehicles. IEEE Trans. Control Syst. Technol. 2012, 20, 817–825. [Google Scholar]
- Wang, E.; Guo, D.; Yang, F. System design and energetic characterization of a four-wheel-driven series—Parallel hybrid electric powertrain for heavy-duty applications. Energy Convers. Manag. 2015, 106, 1264–1275. [Google Scholar] [CrossRef]
- Zhu, F.; Chen, L.; Yin, C. Design and analysis of a novel multimode transmission for a HEV using a single electric machine. IEEE Trans. Veh. Technol. 2013, 62, 1097–1110. [Google Scholar] [CrossRef]
- Liang, J.; Yang, H.; Wu, J.; Zhang, N.; Walker, P.D. Shifting and power sharing control of a novel dual input clutchless transmission for electric vehicles. Mech. Syst. Signal Process. 2018, 104, 725–743. [Google Scholar] [CrossRef]
- Odeim, F.; Roes, J.; Heinzel, A. Power management optimization of an experimental fuel cell/battery/supercapacitor hybrid system. Energies 2015, 8, 6302–6327. [Google Scholar] [CrossRef]
- Hu, H.; Zou, Z.; Yang, H. On-Board Measurements of City Buses with Hybrid Electric Powertrain, Conventional Diesel and LPG Engines; SAE: San Antonio, TX, USA, 2009. [Google Scholar]
- Liang, J.; Yang, H.; Wu, J.; Zhang, N.; Walker, P.D. Power-on shifting in dual input clutchless power-shifting transmission for electric vehicles. Mech. Mach. Theory 2018, 121, 487–501. [Google Scholar] [CrossRef]
- Wang, X.; Chow, J.C.; Kohl, S.D.; Percy, K.E.; Legge, A.H.; Watson, J.G. Real-world emission factors for Caterpillar 797B heavy haulers during mining operations. Particuology 2016, 28, 22–30. [Google Scholar] [CrossRef]













| Component | Parameter | Value |
|---|---|---|
| Engine | Rated power at speed | 243 kW at 2200 r/min |
| Maximum torque at speed | 1282 Nm at 1400 r/min | |
| Speed range | 0–2200 r/min | |
| Generator/MG1 | Rated/Peak power | 80 kW/80 kW |
| Maximum torque | 400 Nm/400 Nm | |
| Rated speed | 1910 r/min | |
| Speed range | 0–4000 r/min | |
| Motor/MC2 | Rated/Peak power | 120 kW/200 kW |
| Maximum torque | 1146 Nm/1910 Nm | |
| Rated speed | 1000 r/min | |
| Speed range | 0–8000 r/min | |
| Battery | Capacity | 55 Ah |
| Rated voltage | 470 v | |
| Gear ratio | First and second planetary gear | 3.5 |
| No. | Operating Mode | Clutch | MC2 | MG1 | Engine | Battery |
|---|---|---|---|---|---|---|
| 1 | Electric motor drive | disengaged | drive | zero torque | stop | discharge |
| 2 | HEV Drive (charge) | disengaged | (regenerate) | generate | run | charge |
| 3 | Engine Drive (charge) | engaged | (regenerate) | zero torque | run | charge |
| 4 | Engine Drive | engaged | zero torque | zero torque | run | - |
| 5 | Engine Drive (assist) | engaged | (drive) | zero torque | run | discharge |
| 6 | Sailing | disengaged | zero torque | zero torque | stop | - |
| 7 | Brake | disengaged | regenerate | zero torque | stop | charge |
| 8 | HEV Drive (assist) | disengaged | (drive) | generate | run | discharge |
| Parameter | Value | Unit |
|---|---|---|
| Curb masses of vehicle | 28,000 | Kg |
| Laden masses | 20,000 | Kg |
| Rolling resistance coefficient | 0.012 | - |
| Rolling radius | 0.734 | m |
| Final gear ratio | 11.48 | - |
| Road Spectrum | System | Amount of Fuel Consumption (L) | Fuel Consumption (L/100 KM) | Energy Reduction (%) |
|---|---|---|---|---|
| Typical driving cycle | Mechanical | 8.29 | 77.75 | 22.45 |
| THS | 7.03 | 60.29 | 8.21 | |
| Novel hybrid system | 6.45 | 55.34 | - |
© 2018 by the authors. Licensee MDPI, Basel, Switzerland. This article is an open access article distributed under the terms and conditions of the Creative Commons Attribution (CC BY) license (http://creativecommons.org/licenses/by/4.0/).
Share and Cite
Yang, W.; Liang, J.; Yang, J.; Zhang, N. Investigation of a Novel Coaxial Power-Split Hybrid Powertrain for Mining Trucks. Energies 2018, 11, 172. https://doi.org/10.3390/en11010172
Yang W, Liang J, Yang J, Zhang N. Investigation of a Novel Coaxial Power-Split Hybrid Powertrain for Mining Trucks. Energies. 2018; 11(1):172. https://doi.org/10.3390/en11010172
Chicago/Turabian StyleYang, Weiwei, Jiejunyi Liang, Jue Yang, and Nong Zhang. 2018. "Investigation of a Novel Coaxial Power-Split Hybrid Powertrain for Mining Trucks" Energies 11, no. 1: 172. https://doi.org/10.3390/en11010172
APA StyleYang, W., Liang, J., Yang, J., & Zhang, N. (2018). Investigation of a Novel Coaxial Power-Split Hybrid Powertrain for Mining Trucks. Energies, 11(1), 172. https://doi.org/10.3390/en11010172

