Modeling of MMC for Fast and Accurate Simulation of Electromagnetic Transients: A Review
Abstract
:1. Introduction
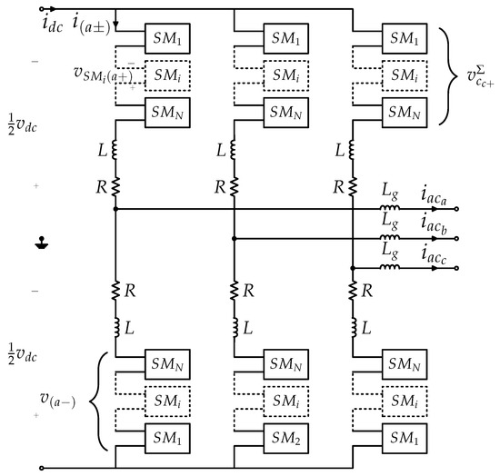
2. Converter System
2.1. Dynamics
2.2. Control System
- Upper-level
- Current control
- Voltage balancing control
2.3. Modulation Strategy
2.3.1. Arm Level Modulation
2.3.2. Module Level Modulation
3. Modeling
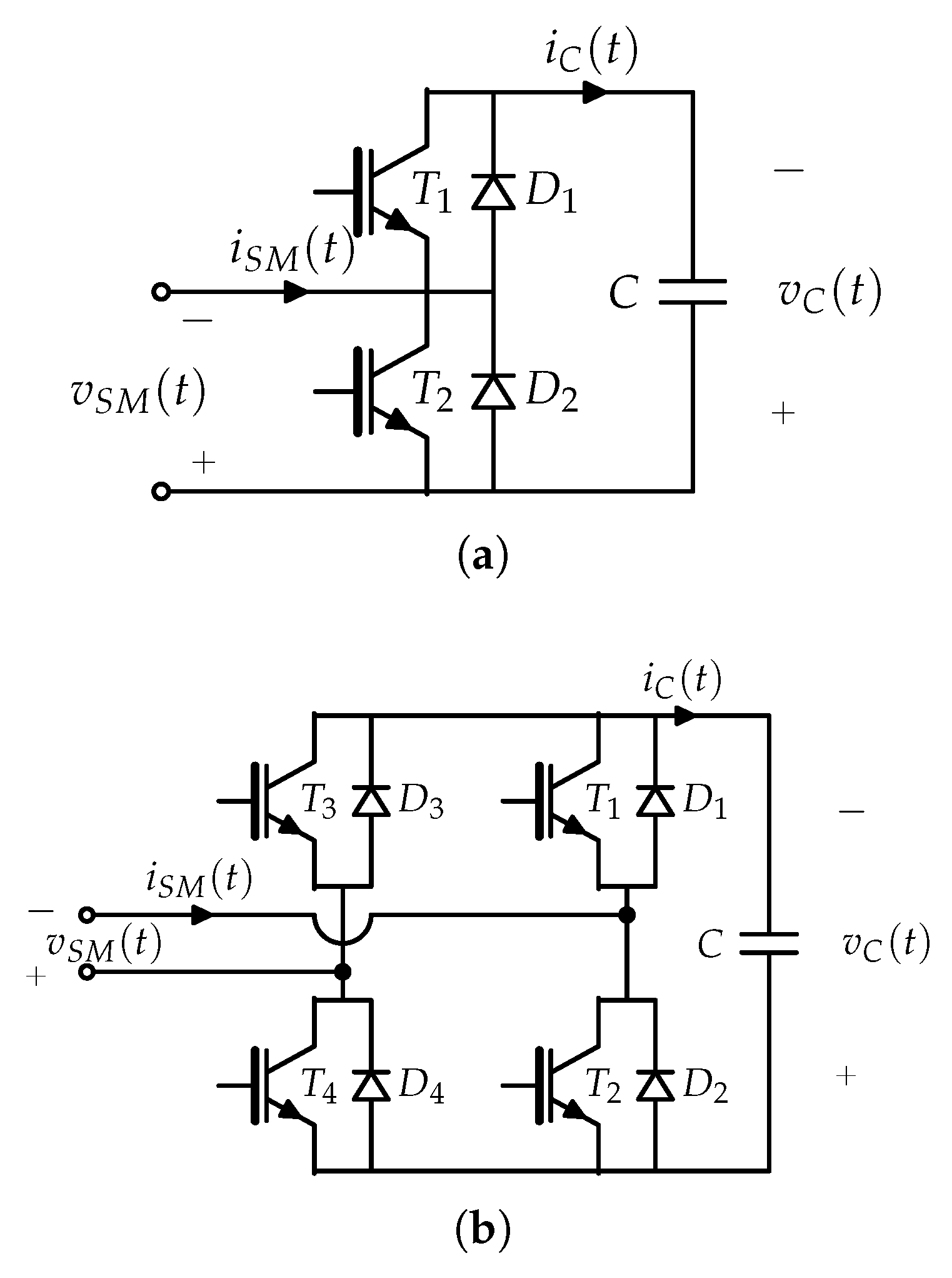
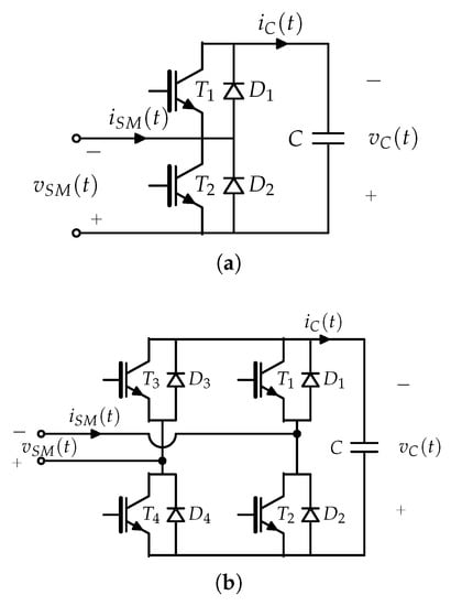
3.1. MMC Classical Modeling
- Full physics: differential equations or equivalent circuits.
- Nonlinear IGBTs: ideal switches with nonlinear diodes.
- Bi-value resistor: on () and off () resistor.
3.2. MMC Efficient Modeling
3.2.1. Isolated Submodule Model
3.2.2. Arm Thevenin Equivalent Model
3.2.3. Arm Switching Function Model
3.2.4. Average Model
3.3. Model Validation in Literature
4. Model Comparison
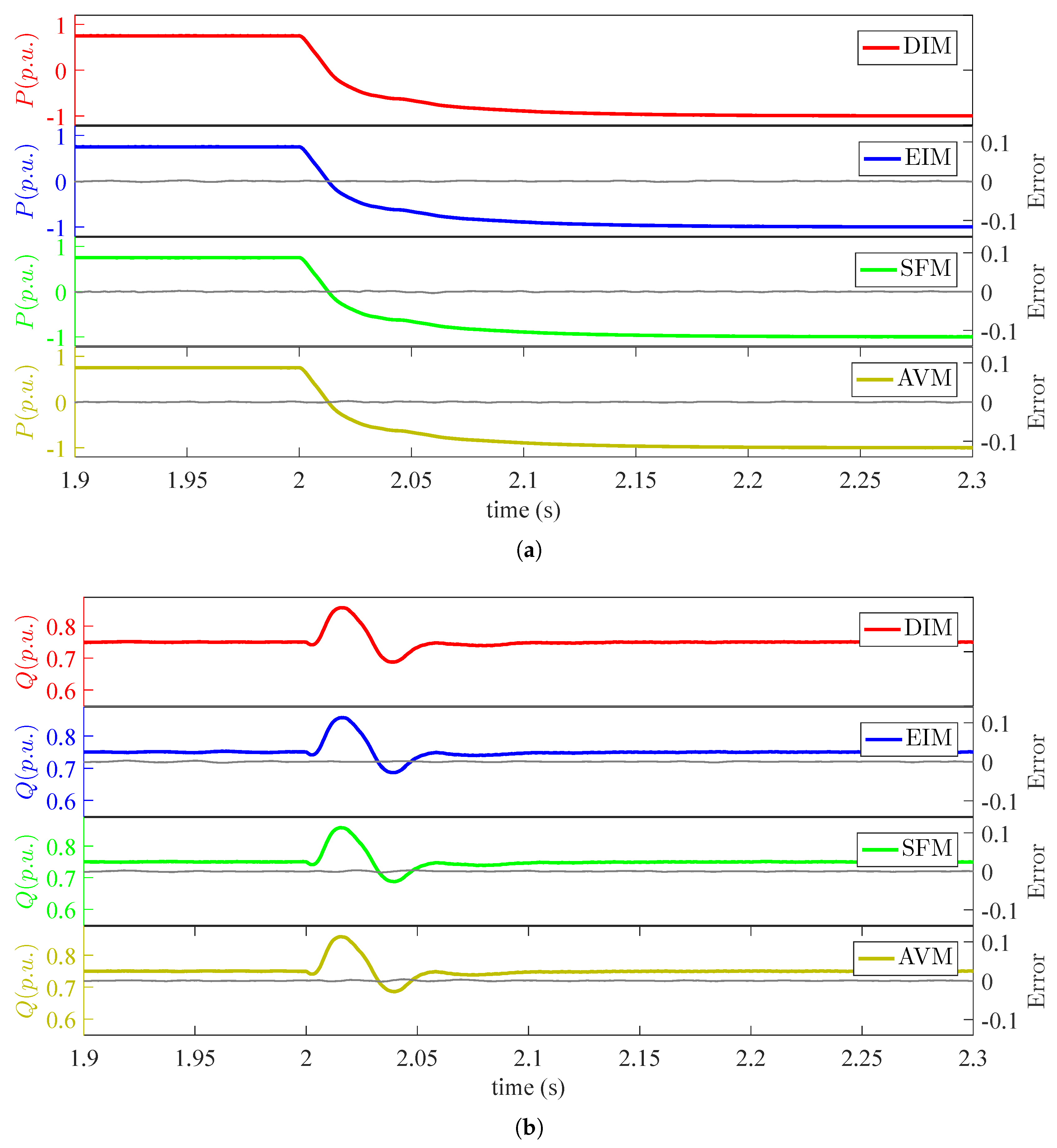
4.1. Model Accuracy
4.1.1. Power Flow Reversals
4.1.2. AC Side Faults
4.1.3. DC Side Faults
4.2. Model Computational Load
5. Discussion and Conclusions
- Detailed models are the next best thing to prototype setups and provide the highest accuracy among all simulation models. These models subject to the accuracy of semiconductor representation, provide precise analyses of switching characteristics and are suitable for studies at the component level such as component optimization, electromagnetic compatibility (EMC) validation, switching loss estimation, etc.
- For system-level studies, where switching events can be modeled as instantaneous events, isolated submodule, Thevenin equivalent and switching function models offer a computationally-efficient representation. These modeling approaches are suitable for the simulation of the large signal behavior of the converter system and faster submodule level control and modulation schemes. The isolated submodule model allows access to individual submodules and is suited for the simulation of internal faults, while the Thevenin equivalent and switching function models with parallel computation are appropriate for real-time simulations.
- Lastly, for the network-level studies, where terminal characteristics are of prime interest, average models with an accurate description of terminal dynamics provide an efficient representation. These models are further appropriate for the design and validation of the converter control and arm modulation schemes.
Acknowledgments
Author Contributions
Conflicts of Interest
Nomenclature
Angular frequency of AC current. | |
| N | Number of submodules in an arm. |
| L | Arm reactance. |
Converter transformer reactance. | |
| R | Arm resistance. |
| C | Submodule’s capacitance. |
Submodule’s capacitor voltage. | |
Submodule’s terminal voltage and current. | |
Phase leg of converter. | |
| j | Position of submodule in an arm. |
Equivalent average cumulative capacitor voltage and current for all SMs of an arm. | |
Insertion Index for an arm. | |
Voltage inserted in an arm. | |
Arm current. | |
Equivalent internal e.m.f and impedance of MMC for the AC side. | |
Circulating current in a phase leg. | |
Voltage drop in an arm due to circulating current. | |
Voltage modulation index. | |
AC phase current. | |
DC side voltage. | |
DC side current. | |
Phase difference between AC voltages. | |
Normalized mean absolute error. | |
| K | Simulation points in the interval. |
References
- Lesnicar, A.; Marquardt, R. An innovative modular multilevel converter topology suitable for a wide power range. In Proceedings of the 2003 IEEE Bologna Power Tech Conference Proceedings, Bologna, Italy, 23–26 June 2003; Volume 3, p. 6. [Google Scholar]
- Marquardt, R.; Lesnicar, A. New concept for high voltage-modular multilevel converter. In Proceedings of the Power Electronics Specialists Conference PESC ’04, Aachen, Germany, 20–25 June 2004. [Google Scholar]
- Marquardt, R.; Lesnicar, A. A new modular voltage source inverter topology. In Proceedings of the European Power Electronics Conference (EPE), Toulouse, France, 2–4 September 2003; Volume 3, pp. 2–4. [Google Scholar]
- Marquardt, R.; Lesnicar, A.; Hildinger, J. Modulares stromrichterkonzept für netzkupplungsanwendung bei hohen spannungen. Available online: https://www.unibw.de/eit62/forsch/SP/M2LC/m2lcveroef/anle2002bdnau (accessed on 29 June 2017).
- Knaak, H.J. Modular multilevel converters and HVDC/FACTS: A success story. In Proceedings of the 14th European Conference on Power Electronics and Applications (EPE 2011), Birmingham, United Kingdom, 30 August–1 September 2011. [Google Scholar]
- Friedrich, K. Modern HVDC PLUS application of VSC in Modular Multilevel Converter topology. In Proceedings of the 2010 IEEE International Symposium on Industrial Electronics, Bari, Italy, 4–7 July 2010; pp. 3807–3810. [Google Scholar]
- Dorn, J.; Huang, H.; Retzmann, D. Novel voltage-sourced converters for HVDC and FACTS applications. In Proceedings of the Cigré Symposium, Osaka, Japan, 1–4 November 2007. [Google Scholar]
- Dorn, J.; Huang, H.; Retzmann, D. A new multilevel voltage-sourced converter topology for HVDC applications. In Proceedings of the Cigré Session, Paris, France, 24–29 August 2008; pp. 1–8. [Google Scholar]
- Saeedifard, M.; Iravani, R. Dynamic performance of a modular multilevel Back-to-Back HVDC system. IEEE Trans. Power Deliv. 2010, 25, 2903–2912. [Google Scholar] [CrossRef]
- Allebrod, S.; Hamerski, R.; Marquardt, R. New transformerless, scalable modular multilevel converters for HVDC-transmission. In Proceedings of the IEEE Power Electronics Specialists Conference, Rhodes, Greece, 5–19 June 2008; pp. 174–179. [Google Scholar]
- Gerdes, J. Siemens Debuts HVDC PLUS with San Francisco’s Trans Bay Cable. Available online: http://www.energy.siemens.com/hq/pool/hq/energy-topics/living-energy/issue-5/LivingEnergy_05_hvdc.pdf (accessed on 6 February 2016).
- Siemens Puts Converter Stations of HVDC Link Between France and Spain Into Operation. Available online: https://www.siemens.com/press/PR2015040185EMEN (accessed on 6 February 2016).
- Abildgaard, E.N.; Molinas, M. Modelling and control of the modular multilevel converter (MMC). Energy Procedia 2012, 20, 227–236. [Google Scholar] [CrossRef]
- Marquardt, R. Modular Multilevel Converter: An universal concept for HVDC-Networks and extended DC-Bus-applications. In Proceedings of the IEEE International Power Electronics Conference, Sapporo, Japan, 21–24 June 2010; pp. 502–507. [Google Scholar]
- Gemmell, B.; Dorn, J.; Retzmann, D.; Soerangr, D. Prospects of multilevel VSC technologies for power transmission. In Proceedings of the IEEE/PES Transmission and Distribution Conference and Exposition, Chicago, USA, 21–24 April 2008; pp. 1–16. [Google Scholar]
- Teeuwsen, S.P. Simplified dynamic model of a voltage-sourced converter with modular multilevel converter design. In Proceedings of the IEEE/PES Power Systems Conference and Exposition, Seattle, WA, USA, 15–18 March 2009; pp. 1–6. [Google Scholar]
- Gnanarathna, U.N.; Gole, A.M.; Jayasinghe, R.P. Efficient Modeling of Modular Multilevel HVDC Converters (MMC) on Electromagnetic Transient Simulation Programs. IEEE Trans. Power Deliv. 2011, 26, 316–324. [Google Scholar] [CrossRef]
- Xu, J.; Zhao, C.; Liu, W.; Guo, C. Accelerated model of modular multilevel converters in PSCAD/EMTDC. IEEE Trans. Power Deliv. 2013, 28, 129–136. [Google Scholar] [CrossRef]
- Saad, H.; Peralta, J.; Dennetiere, S.; Mahseredjian, J.; Jatskevich, J.; Martinez, J.A.; Davoudi, A.; Saeedifard, M.; Sood, V.; Wang, X.; et al. Dynamic Averaged and Simplified Models for MMC-Based HVDC Transmission Systems. IEEE Trans. Power Deliv. 2013, 28, 1723–1730. [Google Scholar] [CrossRef]
- Saad, H.; Dennetière, S.; Mahseredjian, J.; Delarue, P.; Guillaud, X.; Peralta, J.; Nguefeu, S. Modular multilevel converter models for electromagnetic transients. IEEE Trans. Power Deliv. 2014, 29, 1481–1489. [Google Scholar] [CrossRef]
- Peralta, J.; Saad, H.; Dennetiere, S.; Mahseredjian, J. Dynamic performance of average-value models for multi-terminal VSC-HVDC systems. In Proceedings of the IEEE Power and Energy Society General Meeting, San Diego, CA, USA, 22–26 July 2012; pp. 1–8. [Google Scholar]
- Peralta, J.; Saad, H.; Dennetière, S.; Mahseredjian, J.; Nguefeu, S. Detailed and Averaged Models for a 401-Level MMC–HVDC System. IEEE Trans. Power Deliv. 2012, 27, 1501–1508. [Google Scholar] [CrossRef]
- Cigre, W.G. WG B4-57 Guide for the Development of Models for HVDC Converters in a HVDC Grid; Tech. Broch: Pairs, France, 2014. [Google Scholar]
- Hagiwara, M.; Akagi, H. PWM control and experiment of modular multilevel converters. In Proceedings of the IEEE Power Electronics Specialists Conference, Rhodes, Greece, 15–19 June 2008; pp. 154–161. [Google Scholar]
- Akagi, H. Classification, terminology, and application of the modular multilevel cascade converter (MMCC). IEEE Trans. Power Electron. 2011, 26, 3119–3130. [Google Scholar] [CrossRef]
- Akagi, H. Multilevel converters: Fundamental circuits and systems. Proc. IEEE 2017, 99, 1–18. [Google Scholar] [CrossRef]
- Debnath, S.; Debnath, S.; Qin, J.; Bahrani, B.; Saeedifard, M.; Barbosa, P. Operation, control, and applications of the modular multilevel converter: A review. IEEE Trans. Power Electron. 2015, 30, 37–53. [Google Scholar] [CrossRef]
- Spahic, E.; Schettler, F.; Varma, D.; Dorn, J. Impact of the DC technology on transmission grids. In Proceedings of the 11th IET International Conference on AC and DC Power Transmission, Birmingham, UK, 10–12 February 2015; pp. 1–7. [Google Scholar]
- Jones, P.; Davidson, C. Calculation of power losses for MMC-based VSC HVDC stations. In Proceedings of the 15th European Conference on Power Electronics and Applications (EPE), Lille, France, 2–6 September 2013; pp. 1–10. [Google Scholar]
- Davidson, C.; Trainer, D. Innovative concepts for hybrid multi-level converters for HVDC power transmission. In Proceedings of the 9th IET International Conference on AC and DC Power Transmission, London, UK, 19–21 October 2010; pp. 1–5. [Google Scholar]
- Antonopoulos, A.; Angquist, L.; Nee, H.P. On dynamics and voltage control of the Modular Multilevel Converter. In Proceedings of the 13th European Conference on Power Electronics and Applications, Barcelona, Spain, 8–10 September 2009; pp. 1–10. [Google Scholar]
- Ilves, K.; Antonopoulos, A.; Norrga, S.; Nee, H.P. Steady-State analysis of interaction between harmonic components of arm and line quantities of modular multilevel converters. IEEE Trans. Power Electron. 2012, 27, 57–68. [Google Scholar] [CrossRef]
- Tu, Q.-R.; Xu, Z.; Zheng, X.; Guan, M.-Y. Mechanism analysis on the circulating current in modular multilevel converter based HVDC. High Volt. Eng. 2010, 2, 45. [Google Scholar]
- Zhao, F.; Xiao, G.; Liu, M.; Su, S.; Yang, D.; Li, F. Accurate mathematical steady-state models of arm and line harmonic characteristics for modular multilevel converter. In Proceedings of the 2017 IEEE Applied Power Electronics Conference and Exposition (APEC), Tampa, FL, USA, 26–30 March 2017; pp. 3479–3485. [Google Scholar]
- Sood, V.; Patel, H. Comparison between direct and vector control strategy for VSC-HVDC system in EMTP-RV. In Proceedings of the 2010 Joint International Conference on Power Electronics, Drives and Energy Systems and 2010 Power India, New Delhi, India, 20–23 December 2010; pp. 1–6. [Google Scholar]
- Bajracharya, C.; Molinas, M.; Suul, J.A.; Undeland, T.M. Understanding of tuning techniques of converter controllers for VSC-HVDC. In Proceedings of the Nordic Workshop on Power and Industrial Electronics (NORPIE/2008), Espoo, Finland, 9–11 June 2008. [Google Scholar]
- Zhang, L.; Harnefors, L.; Nee, H.P. Modeling and control of VSC-HVDC links connected to island systems. IEEE Trans. Power Syst. 2011, 26, 783–793. [Google Scholar] [CrossRef]
- Tu, Q.; Xu, Z.; Zhang, J. Circulating current suppressing controller in modular multilevel converter. In Proceedings of the 36th Annual Conference on IEEE Industrial Electronics Society, Glendale, CA, USA, 7–10 November 2010; pp. 3198–3202. [Google Scholar]
- He, L.; Zhang, K.; Xiong, J.; Fan, S. A repetitive control scheme for harmonic suppression of circulating current in modular multilevel converters. IEEE Trans. Power Electron. 2015, 30, 471–481. [Google Scholar] [CrossRef]
- Bahrani, B.; Debnath, S.; Saeedifard, M. Circulating current suppression of the modular multilevel converter in a Double-Frequency rotating reference frame. IEEE Trans. Power Electron. 2016, 31, 783–792. [Google Scholar] [CrossRef]
- Ben-Brahim, L.; Gastli, A.; Trabelsi, M.; Ghazi, K.A.; Houchati, M.; Abu-Rub, H. Modular multilevel converter circulating current reduction using model predictive control. IEEE Trans. Ind. Electron. 2016, 63, 3857–3866. [Google Scholar] [CrossRef]
- Konstantinou, G.; Pou, J.; Ceballos, S.; Picas, R.; Zaragoza, J.; Agelidis, V. Control of circulating currents in modular multilevel converters through redundant voltage levels. IEEE Trans. Power Electron. 2016, 31, 7761–7769. [Google Scholar] [CrossRef]
- Moranchel, M.; Konstantinou, G.; Pou, J.; Ceballos, S.; Picas, R.; Zaragoza, J.; Agelidis, V.G. Circulating current elimination in Modular Multilevel Converter with resonant controllers. In Proceedings of the 2016 IEEE 7th International Symposium on Power Electronics for Distributed Generation Systems (PEDG), Vancouver, BC, Canada, 27–30 June 2016; pp. 1–6. [Google Scholar]
- Chen, X.; Liu, J.; Ouyang, S.; Song, S. An improved circulating current control startegy for modular multilevel converters through redundant voltage levels. In Proceedings of the IEEE 2nd Annual Southern Power Electronics Conference (SPEC), Auckland, New Zealand, 5–8 December 2016; pp. 1–4. [Google Scholar]
- Jacobson, B.; Karlsson, P.; Asplund, G.; Harnefors, L.; Jonsson, T. VSC-HVDC transmission with cascaded two-level converters. In Proceedings of the Cigré Paris session, Paris, France, 22–27 August 2010; pp. B4–B110. [Google Scholar]
- Ilves, K.; Norrga, S.; Harnefors, L.; Nee, H. Analysis of arm current harmonics in modular multilevel converters with main-circuit filters. In Proceedings of the IEEE 9th International Multi-Conference on Systems, Signals and Devices (SSD), Chemnitz, Germany, 20–23 March 2012; pp. 1–6. [Google Scholar]
- Shen, K.; Xiao, B.; Mei, J.; Tolbert, L.; Wang, J.; Cai, X.; Ji, Y. A modulation reconfiguration based fault-tolerant control scheme for modular multilevel converters. In Proceedings of the Applied Power Electronics Conference and Exposition (APEC) on IEEE, Long Beach, CA, USA, 17–21 March 2013; pp. 3251–3255. [Google Scholar]
- Shi, X.; Wang, Z.; Tolbert, L.; Wang, F. A comparison of phase disposition and phase shift PWM strategies for modular multilevel converters. In Proceedings of the Energy Conversion Congress and Exposition (ECCE) on IEEE, Denver, CO, USA, 15–19 September 2013; pp. 4089–4096. [Google Scholar]
- Tu, Q.; Xu, Z. Impact of sampling frequency on harmonic distortion for modular multilevel converter. IEEE Trans. Power Deliver. 2011, 26, 298–306. [Google Scholar] [CrossRef]
- Hagiwara, M.; Maeda, R.; Akagi, H. Control and Analysis of the modular multilevel cascade converter based on double-star chopper-cells (MMCC-DSCC). IEEE Trans. Power Electron. 2011, 26, 1649–1658. [Google Scholar] [CrossRef]
- Hagiwara, M.; Akagi, H. Control and experiment of pulsewidth-modulated modular multilevel converters. IEEE Trans. Power Electron. 2009, 24, 1737–1746. [Google Scholar] [CrossRef]
- Hagiwara, M.; Nishimura, K.; Akagi, H. A Medium-Voltage motor drive with a modular multilevel PWM inverter. IEEE Trans. Power Electron. 2010, 25, 1786–1799. [Google Scholar] [CrossRef]
- Li, X.; Song, Q.; Li, J.; Liu, W. Capacitor voltage balancing control based on CPS-PWM of Modular Multilevel Converter. In Proceedings of the 2011 IEEE Energy Conversion Congress and Exposition, Phoenix, AZ, USA, 17–22 September 2011; pp. 4029–4034. [Google Scholar]
- Rohner, S.; Bernet, S.; Hiller, M.; Sommer, R. Analysis and simulation of a 6 kV, 6 MVA modular multilevel converter. In Proceedings of the 35th Annual Conference of Industrial Electronics on IECON ’09 IEEE, Porto, Portugal, 3–5 November 2009; pp. 225–230. [Google Scholar]
- Rohner, S.; Bernet, S.; Hiller, M.; Sommer, R. Modulation, losses, and semiconductor requirements of modular multilevel converters. IEEE Trans. Ind. Electron. 2010, 57, 2633–2642. [Google Scholar] [CrossRef]
- Siemaszko, D.; Antonopoulos, A.; Ilves, K.; Vasiladiotis, M.; Angquist, L.; Nee, H.P. Evaluation of control and modulation methods for modular multilevel converters. In Proceedings of the 2010 International Power Electronics Conference (IPEC), Sapporo, Japan, 21–24 June 2010; pp. 746–753. [Google Scholar]
- Bergna, G.; Suul, J.; D’Arco, S. State-Space modeling of modular multilevel converters for constant variables in Steady-State. In Proceedings of the 2016 IEEE 17th Workshop on Control and Modeling for Power Electronics (COMPEL), Trondheim, Norway, 27–30 June 2016. [Google Scholar]
- Angquist, L.; Antonopoulos, A.; Siemaszko, D.; Ilves, K.; Vasiladiotis, M.; Nee, H.P. Open-Loop control of modular multilevel converters using estimation of stored energy. IEEE Trans. Ind. Appl. 2011, 47, 2516–2524. [Google Scholar] [CrossRef]
- Angquist, L.; Antonopoulos, A.; Siemaszko, D.; Ilves, K.; Vasiladiotis, M.; Nee, H.P. Inner control of Modular Multilevel Converters-An approach using open-loop estimation of stored energy. In Proceedings of the Power Electronics Conference (IPEC), International, Sapporo, Japan, 21–24 June 2010; pp. 1579–1585. [Google Scholar]
- Harnefors, L.; Antonopoulos, A.; Norrga, S.; Angquist, L.; Nee, H.P. Dynamic analysis of modular multilevel converters. IEEE Trans. Ind. Electron. 2013, 60, 2526–2537. [Google Scholar] [CrossRef]
- Meshram, P.; Borghate, V. A simplified nearest level control (NLC) voltage balancing method for modular multilevel converter (MMC). IEEE Trans. Power Electron. 2015, 30, 450–462. [Google Scholar] [CrossRef]
- Hu, P.; Jiang, D. A Level-Increased nearest level modulation method for modular multilevel converters. IEEE Trans. Power Electron. 2015, 30, 1836–1842. [Google Scholar] [CrossRef]
- Moranchel, M.; Bueno, E.J.; Rodriguez, F.J.; Sanz, I. Implementation of nearest level modulation for Modular Multilevel Converter. In Proceedings of the IEEE 6th International symposium on Power Electronics for Distributed Generation Systems, Aachen, Germany, 22–25 June 2015; pp. 1–5. [Google Scholar]
- Deng, Y.; Saeedifard, M.; Harley, R. An improved nearest-level modulation method for the modular multilevel converter. In Proceedings of the 2015 IEEE Applied Power Electronics Conference and Exposition, Charlotte, NC, USA, 15–19 March 2015; pp. 1595–1600. [Google Scholar]
- Lin, L.; Lin, Y.; He, Z.; Chen, Y.; Hu, J.; Li, W. Improved nearest-level modulation for a modular multilevel converter with a lower submodule number. IEEE Trans. Power Electron. 2016, 31, 5369–5377. [Google Scholar] [CrossRef]
- Tolbert, L.; Habetler, T. Novel multilevel inverter carrier-based PWM method. IEEE Trans. Ind. Appl. 1999, 35, 1098–1107. [Google Scholar] [CrossRef]
- Carrara, G.; Gardella, S.; Marchesoni, M.; Salutari, R.; Sciutto, G. A new multilevel PWM method: A theoretical analysis. IEEE Trans. Power Electron. 1992, 7, 497–505. [Google Scholar] [CrossRef]
- Agelidis, V.; Calais, M. Application specific harmonic performance evaluation of multicarrier PWM techniques. In Proceedings of the 29th Annual IEEE Power Electronic Specialists Conference, Fukuoka, Japan, 20–22 May 1998; Volume 1, pp. 172–178. [Google Scholar]
- Barrena, J.; Marroyo, L.; Rodriguez, M.; Torrealday, J. A novel pwm modulation strategy for DC voltage balancing in cascaded H-Bridge multilevel converters. In Proceedings of the EUROCON International Conference on Computer as a Tool, Warsaw, Poland, 9–12 September 2007; pp. 1450–1456. [Google Scholar]
- Konstantinou, G.; Ciobotaru, M.; Agelidi, V.G. Analysis of multi-carrier PWM methods for back-to-back HVDC systems based on modular multilevel converters. In Proceedings of the 37th Annual Conference IEEE Industry Electronic Society, Melbourne, Australia, 7–10 Nov 2011; pp. 4391–4396. [Google Scholar]
- Hassanpoor, A.; Norrga, S.; Nee, H.P.; Angquist, L. Evaluation of different carrier-based PWM methods for modular multilevel converters for HVDC application. In Proceedings of the 38th Annual Conference on IEEE Industry Electronics Society, Montreal, Canada, 25–28 Octomber 2012; pp. 388–393. [Google Scholar]
- Li, B.; Yang, R.; Xu, D.; Wang, G.; Wang, W.; Xu, D. Analysis of the Phase-Shifted carrier modulation for modular multilevel converters. IEEE Trans. Power Electron. 2015, 30, 297–310. [Google Scholar] [CrossRef]
- Li, Y.; Wang, Y.; Li, B.Q. Generalized theory of Phase-Shifted carrier PWM for cascaded H-Bridge converters and modular multilevel converters. IEEE J. Em. Sel. Top. Power Electron. 2016, 4, 589–605. [Google Scholar] [CrossRef]
- Deng, Y.; Wang, Y.; Teo, K.H.; Harley, R.G. A simplified space vector modulation scheme for multilevel converters. IEEE Trans. Power Electron. 2016, 31, 1873–1886. [Google Scholar] [CrossRef]
- Deng, Y.; Saeedifard, M.; Harley, R.G. An optimized control strategy for the modular multilevel converter based on space vector modulation. In Proceedings of the IEEE Applied Power Electronics Conference and Exposition, Charlotte, NC, USA, 15–19 March 2015; pp. 1564–1569. [Google Scholar]
- Franquelo, L.; Rodriguez, J.; Leon, J.; Kouro, S.; Portillo, R.; Prats, M. The age of multilevel converters arrives. IEEE Ind. Electron. Mag. 2008, 2, 28–39. [Google Scholar] [CrossRef]
- Deng, Y.; Harley, R.G. Space-Vector versus nearest-level pulse width modulation for multilevel converters. IEEE Trans. Power Electron. 2015, 30, 2962–2974. [Google Scholar] [CrossRef]
- Konstantinou, G.; Ciobotaru, M.; Agelidis, V. Selective harmonic elimination pulse-width modulation of modular multilevel converters. IET Power Electron. 2013, 6, 96–107. [Google Scholar] [CrossRef]
- Konstantinou, G.; Ciobotaru, M.; Agelidis, V. Operation of a modular multilevel converter with selective harmonic elimination PWM. In Proceedings of the IEEE 8th International Conference on Power Electronics and ECCE Asia (ICPE ECCE), Jeju, South Korea, 30 May–3 June 2011; pp. 999–1004. [Google Scholar]
- Mohan, N.; Undeland, T.; Robbins, W. Power Electronics: Converters, Applications, and Design; John Wiley & Sons: Hoboken, NJ, USA, 2003. [Google Scholar]
- Dommel, H. Digital computer solution of electromagnetic transients in single-and multiphase networks. IEEE Trans. Power Appar. Syst. 1969, PAS-88, 388–399. [Google Scholar] [CrossRef]
- Bergeron, L. Du coup de bélier en hydraulique au coup de foudre en électricité: Méthode graphique générale; Paris Dunod: Paris, France, 1949. [Google Scholar]
- Irwin, J.; Nelms, R. Basic Engineering Circuit Analysis; John Wiley & Sons: Hoboken, NJ, USA, 2007. [Google Scholar]
- Watson, N.; Arrillaga, J. Power Systems Electromagnetic Transients Simulation; Number 39 in Energy Engineering; IET: Stevenage, UK, 2003. [Google Scholar]
- Marti, J.; Lin, J. Suppression of numerical oscillations in the EMTP power systems. IEEE Trans. Power Syst. 1989, 4, 739–747. [Google Scholar] [CrossRef]
- Manitoba HVDC Research Center. PSCAD/EMTDC User’s Manual; Manitoba HVDC Research Center: Winnipeg, MB, Canada, 1998. [Google Scholar]
- Lai, J. Power electronics system modeling and simulation. In Proceedings of the IEEE 4th Workshop on Computers in Power Electronics, Trois-Rivieres, QC, Canada, 7–10 August 1994; pp. 45–55. [Google Scholar]
- Mohan, N.; Robbins, W.P.; Undeland, T.M.; Nilssen, R.; Mo, O. Simulation of power electronic and motion control systems-an overview. Proc. IEEE 1994, 82, 1287–1302. [Google Scholar] [CrossRef]
- Saad, H.; Dufour, C.; Mahseredjian, J.; Dennetière, S.; Nguefeu, S. Real time simulation of MMCs using the state-space nodal approach. In Proceedings of the International Conference on Power System Transients, Vancouver, BC, Canada, 18–20 July 2013. [Google Scholar]
- Beddard, A.; Barnes, M.; Preece, R. Comparison of detailed modeling techniques for MMC employed on VSC-HVDC schemes. IEEE Trans. Power Deliv. 2015, 30, 579–589. [Google Scholar] [CrossRef]
- Adam, G.P.; Williams, B.W. Half- and Full-Bridge modular multilevel converter models for simulations of Full-Scale HVDC Links and multiterminal DC grids. IEEE J. Em. Sel. Top. Power Electron. 2014, 2, 1089–1108. [Google Scholar] [CrossRef]
- Barker, C.D.; Kirby, N.M.; Liang, W.; Whitehouse, R.S.; Gole, A.; Gnanarathna, U. Development of a Multi-Module Electro-Magnetic transient model of the alstom grid VSC ( MaxSine ). In Proceedings of the Cigré Conference on Power Systems, Halifax, NS, Canada, 6–8 September 2011. [Google Scholar]
- Ajaei, F.; Iravani, R. Enhanced equivalent model of the modular multilevel converter. IEEE Trans. Power Deliv. 2015, 30, 666–673. [Google Scholar] [CrossRef]
- Xu, J.; Ding, H.; Fan, S.; Gole, A.M.; Zhao, C.; Xiong, Y. Ultra-fast electromagnetic transient model of the modular multilevel converter for HVDC studies. In Proceedings of the 12th IET International Conference on AC and DC Power Transmission (ACDC), Beijing, China, 28–29 May 2016; pp. 1–9. [Google Scholar]
- Le-Huy, P.; Giroux, P.; Soumagne, J. Real-time simulation of modular multilevel converters for network integration studies. In Proceedings of the International Conference on Power Systems Transients, Delft, The Netherlands, 14–17 June 2011. [Google Scholar]
- Matar, M.; Paradis, D.; Iravani, R. Real-time simulation of modular multilevel converters for controller hardware-in-the-loop testing. IET Power Electron. 2016, 9, 42–50. [Google Scholar] [CrossRef]
- Wang, J.; Burgos, R.; Boroyevich, D. Switching-Cycle State-Space modeling and control of the modular multilevel converter. IEEE J. Em. Sel. Top. Power Electron. 2014, 2, 1159–1170. [Google Scholar] [CrossRef]
- Deore, S.; Darji, P.; Kulkarni, A. Switching function analysis of half- and full-bridge modular multi-level converters for HVDC applications. IET Gener. Transm. Dis. 2013, 7, 1344–1356. [Google Scholar] [CrossRef]
- Wang, J.; Farr, E.; Burgos, R.; Boroyevich, D.; Feldman, R.; Watson, A.; Clare, J.; Wheeler, P. State-space switching model of modular multilevel converters. In Proceedings of the IEEE 14th Workshop on Control and Modeling for Power Electronics, Salt Lake City, UT, USA, 23–26 June 2013; pp. 1–10. [Google Scholar]
- Adam, G.; Li, P.; Gowaid, I.; Williams, B. Generalized switching function model of modular multilevel converter. In Proceedings of the 2015 IEEE Inter Conference on Industrial Technology (ICIT), Seville, Spain, 17–19 March 2015; pp. 2702–2707. [Google Scholar]
- Khan, S.S.; Suul, J.A.; Tedeschi, E.; Jafar, M. Blocking capability for Switching Function and Average Models of Modular Multilevel Converters. In Proceedings of the 2016 16th IEEE International Conference on Environment and Electrical Engineering (EEEIC), Florence, Italy, 7–10 June 2016. [Google Scholar]
- Saad, H.; Dennetiere, S.; Mahseredjian, J. On modeling of MMC in EMT-type program. In Proceedings of the 2016 IEEE 17th Workshop on Control and Modeling for Power Electronics (COMPEL), Trondheim, Norway, 27–30 June 2016. [Google Scholar]
- Saad, H.; Jacobs, K.; Lin, W.; Jovcic, D. Modelling of MMC including half-bridge and Full-bridge submodules for EMT study. In Proceedings of the 2016 Power Systems Computation Conference (PSCC), Genoa, Italy, 20–24 June 2016; pp. 1–7. [Google Scholar]
- Li, W.; Bélanger, J. An equivalent circuit method for modeling and simulation of modular multilevel converters in Real-Time HIL test bench. IEEE Trans. Power Deliv. 2016, 31, 2401–2409. [Google Scholar] [CrossRef]
- Jin, H. Behavior-mode simulation of power electronic circuits. IEEE Trans. Power Electron. 1997, 12, 443–452. [Google Scholar] [CrossRef]
- Ferreira, A.; Collados, C.; Gomis-Bellmunt, O.; Teixido, M. Modular multilevel converter electrical circuit model for HVdc applications. In Proceedings of the 17th European Conference on Power Electronics and Application, Geneva, Switzerland, 8–10 September 2015; pp. 1–10. [Google Scholar]
- Freytes, J.; Papangelis, L.; Saad, H.; Rault, P.; Van Cutsem, T.; Guillaud, X. On the modeling of MMC for use in large scale dynamic simulations. In Proceedings of the 2016 Power Systems Computation Conference (PSCC), Genoa, Italy, 20–24 June 2016; pp. 1–7. [Google Scholar]
- Rohner, S.; Weber, J.; Bernet, S. Continuous model of Modular Multilevel Converter with experimental verification. In Proceedings of the 2011 IEEE Energy Conversion Congress and Exposition, Phoenix, AZ, USA, 17–22 September 2011; pp. 4021–4028. [Google Scholar]
- Ahmed, N.; Angquist, L.; Norrga, S.; Antonopoulos, A.; Harnefors, L.; Nee, H.P. A Computationally efficient continuous model for the modular multilevel converter. IEEE J. Em. Sel. Top. Power Electron. 2014, 2, 1139–1148. [Google Scholar] [CrossRef]
- Ahmed, N.; Angquist, L.; Norrga, S.; Nee, H.P. Validation of the continuous model of the modular multilevel converter with blocking/deblocking capability. In Proceedings of the 10th IET International Conference on AC and DC Power Transmission, Birmingham, UK, 4–5 December 2012; pp. 1–6. [Google Scholar]
- Xu, J.; Gole, A.M.; Zhao, C. The use of Averaged-Value model of modular multilevel converter in DC grid. IEEE Trans. Power Deliv. 2015, 30, 519–528. [Google Scholar] [CrossRef]
- Beddard, A.; Sheridan, C.; Barnes, M.; Green, T. Improved accuracy average value models of modular multilevel converters. IEEE Trans. Power Deliv. 2016, 31, 2260–2269. [Google Scholar] [CrossRef]
- Yang, H.; Dong, Y.; Li, W.; He, X. Average-Value Model of Modular Multilevel Converters Considering Capacitor Voltage Ripple. IEEE Trans. Power Deliv. 2017, 32, 723–732. [Google Scholar] [CrossRef]
- Yang, H.; Chen, Y.; Li, W.; He, X.; Sun, W.; Chi, Y.; Li, Y. Average-value model of modular multilevel converters considering capacitor voltage. In Proceedings of the IEEE Applied Power Electronics Conference and Exposition, Long Beach, CA, USA, 20–24 March 2016; pp. 1462–1467. [Google Scholar]
- Ludois, D.C.; Venkataramanan, G. Simplified terminal behavioral model for a modular multilevel converter. IEEE Trans. Power Electron. 2014, 29, 1622–1631. [Google Scholar] [CrossRef]
- Ludois, D.C.; Venkataramanan, G. Simplified dynamics and control of Modular Multilevel Converter based on a terminal behavioral model. In Proceedings of the IEEE Energy Conversion Congress and Exposition (ECCE), Raleigh, NC, USA, 15–20 September 2012; pp. 3520–3527. [Google Scholar]
- Najmi, V.; Nazir, M.N.; Burgos, R. A new modeling approach for Modular Multilevel Converter (MMC) in D-Q frame. In Proceedings of the Applied Power Electronics Conference and Exposition on IEEE, Charlotte, NC, USA, 15–19 March 2015; pp. 2710–2717. [Google Scholar]
- Trinh, N.T.; Zeller, M.; Wuerflinger, K.; Erlich, I. Generic model of MMC-VSC-HVDC for interaction study with AC power system. IEEE Trans. Power Syst. 2016, 31, 27–34. [Google Scholar] [CrossRef]
- Ouquelle, H.; Dessaint, L.A.; Casoria, S. An average value model-based design of a deadbeat controller for VSC-HVDC transmission link. In Proceedings of the IEEE Power Energy Society General Meeting, Calgary, AB, Canada, 26–30 July 2009; pp. 1–6. [Google Scholar]
- Zhang, H.; Jovcic, D.; Lin, W.; Far, A.J. Average value MMC model with accurate blocked state and cell charging/discharging dynamics. In Proceedings of the 4th International Symposium on Environmental Friendly Energies and Applications (EFEA), Belgrade, Serbia, 14–16 September 2016; pp. 1–6. [Google Scholar]
- Solas, E.; Abad, G.; Barrena, J.A.; Aurtenetxea, S.; Carcar, A.; Zając, L. Modular multilevel converter with different submodule concepts–Part II: Experimental validation and comparison for HVDC application. IEEE Trans. Ind. Electron. 2013, 60, 4536–4545. [Google Scholar] [CrossRef]
- Yu, F.; Lin, W.; Wang, X.; Xie, D. Fast Voltage-Balancing Control and Fast Numerical Simulation Model for the Modular Multilevel Converter. IEEE Trans. Power Deliv. 2015, 30, 220–228. [Google Scholar] [CrossRef]
- Kim, H.J.; Jung, S.; Mosallat, F.; Hur, K. Validation for compatible modular multilevel converter models using PSCAD/EMTDC. In Proceedings of the Power and Energy Engineering Conference (APPEEC), Kowloon, China, 8–11 December 2013; pp. 1–6. [Google Scholar]
- Cai, L.; Karaagac, U.; Mahseredjian, J. Simulation of startup sequence of an offshore wind farm with MMC-HVDC grid connection. IEEE Trans. Power Deliv. 2017, 32, 638–646. [Google Scholar] [CrossRef]
- Karaagac, U.; Mahseredjian, J.; Cai, L.; Saad, H. Offshore wind farm modeling accuracy and efficiency in Mmc-Based multiterminal hvdc connection. IEEE Trans. Power Deliv. 2017, 32, 617–627. [Google Scholar] [CrossRef]
- Ahmed, N.; Ängquist, L.; Mahmood, S.; Antonopoulos, A.; Harnefors, L.; Norrga, S.; Nee, H.P. Efficient modeling of an MMC-Based multiterminal DC system employing hybrid HVDC breakers. IEEE Trans. Power Deliv. 2015, 30, 1792–1801. [Google Scholar] [CrossRef]
- Xu, J.; Zhao, C.; Xiong, Y.; Li, C.; Ji, Y.; An, T. Optimal design of MMC levels for electromagnetic transient studies of MMC-HVDC. IEEE Trans. Power Deliv. 2016, 31, 1663–1672. [Google Scholar] [CrossRef]



















| State | IGBT-T1 | IGBT-T2 | Capacitor | ||
|---|---|---|---|---|---|
| Inserted | On | Off | Charging-via Diode-D1 | ||
| Discharging-via IGBT-T1 | |||||
| Bypassed | Off | On | 0 | Bypassed via IGBT-T2 | |
| Bypassed via Diode-D2 | |||||
| Blocked | Off | Off | and | Charging-via Diode-D1 | |
| 0 | and | Bypassed via Diode-D2 | |||
| − | None and |
| Arm-Level Modulation | Insertion Index | Comment |
|---|---|---|
| Direct [31,32,54,55,56] | Ideal open-loop method, assumes and . Does not compensate for the harmonics in circulating current or the capacitor voltage ripple. | |
| Uncompensated [38,57] | Assumes , but determines and from the control loops. Suppresses harmonics in . | |
| Compensated [31,58,59,60] | Compensates for the capacitor voltage ripple either using measured or estimated . Use of measured could imply significant communication delays for MMCs with N in order of 100s. |
| Type | Comment | Modulation for 7 levels |
|---|---|---|
| Nearest level control (NLC) [49,61,62] | The essence of NLC is the approximation of a sinusoidal waveform by an equivalent staircase quasi-sinusoidal wave, i.e., Number of submodules inserted = | ![]() |
| Nearest level modulation (NLM) [55,63,64,65] | NLM has fixed switching frequency and toggles between two nearest voltage levels such that time average over one switching cycle corresponds to the mean value of the reference wave, i.e., , , | ![]() |
| Multi-carrier PWM techniques (MCPWM) [66,67,68,69,70,71,72,73] | Similar to two-level carrier-based PWM, the essence of the multi-carrier counterpart is the natural sampling of a single modulating (sinusoidal reference) signal through triangular carrier wave(s). Based on the spatial distribution of carrier waves, MCPWM techniques are classified as [68]:
| ![]() |
| Space-vector domain (SVD) [1,3,74,75] | SVD-based modulation techniques are based on the unified control of all phase legs of the converter. In this modulation, converter’s discrete output voltages and the reference waveform are represented in the form of stationary and rotating vectors in a complex plane ( plane). The desired voltage is synthesized either via nearest vector control, which approximates the reference vector with the closest state vector (vector domain equivalent of NLC [76]), or space vector PWM (SVM), where the converter is switched between nearest state vectors with calculated dwell times and is functionally equivalent to NLM [77]. | ![]() |
| Selective harmonic elimination (SHE) [78,79] | SHE based on the Fourier analysis eliminates particular harmonics from the output waveform by introducing notches in the waveform with calculated switching angles [80]. Moreover, this modulation is primarily relevant for a low number of levels. | ![]() |
| Model Type | Semiconductor Representation | Solution Method | Dynamics Modeling | Targeted Applications |
|---|---|---|---|---|
| Detailed Model (Cigré Types 1 and 2 [23]) | Full physics or non-linear diodes with parasitic elements | Nodal admittance method | Transients within switching. All levels of control. | Switching losses, component optimization and EMC studies. |
| Detailed ideal model (DIM) (Cigré Type 3 [23]) | Bi-value resistors | Nodal admittance method | Transients with switching as instantaneous event. All levels of control. | Control and protection system design. Internal and External faults, simplified model validation. |
| Isolated submodule model (ISM) | Bi-value resistors | Nodal admittance method | Transients with switching as instantaneous event. All levels of control. | Control and protection system design. Internal and External faults. |
| Thevenin equivalent model (EIM) (Cigré Type 4 [23]) | Bi-value resistors | Algebraic relations to model operation of all SMs individually | Transients with switching as instantaneous event. All levels of control. | Control and protection system design. External faults only. Suitable for real-time simulations with parallel computation. |
| Switching function model (SFM) | Switching functions () | Algebraic relations to model operation of all SMs individually | Transients with switching as instantaneous event. All levels of control. | Control and protection system design. External faults only. Suitable for real-time simulations with parallel computation. |
| Average model (AVM) | Switching harmonics incorporated through discrete value of insertion index | Algebraic relations with single average equivalent module | Transients with switching events as instantaneous event, without voltage balancing control. | Load flow analyses, design of protection relays and stability studies. Simulation of terminal dynamics for external faults. |
| Continuous Model | Switching harmonics not modeled | Algebraic relations with single average equivalent module | Switching transients and voltage balancing control not modeled. | Load flow analyses, design of protection relays and stability studies. |
© 2017 by the authors. Licensee MDPI, Basel, Switzerland. This article is an open access article distributed under the terms and conditions of the Creative Commons Attribution (CC BY) license (http://creativecommons.org/licenses/by/4.0/).
Share and Cite
Khan, S.S.; Tedeschi, E. Modeling of MMC for Fast and Accurate Simulation of Electromagnetic Transients: A Review. Energies 2017, 10, 1161. https://doi.org/10.3390/en10081161
Khan SS, Tedeschi E. Modeling of MMC for Fast and Accurate Simulation of Electromagnetic Transients: A Review. Energies. 2017; 10(8):1161. https://doi.org/10.3390/en10081161
Chicago/Turabian StyleKhan, Salman Saeed, and Elisabetta Tedeschi. 2017. "Modeling of MMC for Fast and Accurate Simulation of Electromagnetic Transients: A Review" Energies 10, no. 8: 1161. https://doi.org/10.3390/en10081161
APA StyleKhan, S. S., & Tedeschi, E. (2017). Modeling of MMC for Fast and Accurate Simulation of Electromagnetic Transients: A Review. Energies, 10(8), 1161. https://doi.org/10.3390/en10081161






