Review of PV Generator as an Input Source for Power Electronic Converters
Abstract
1. Introduction
2. PV Generator Properties
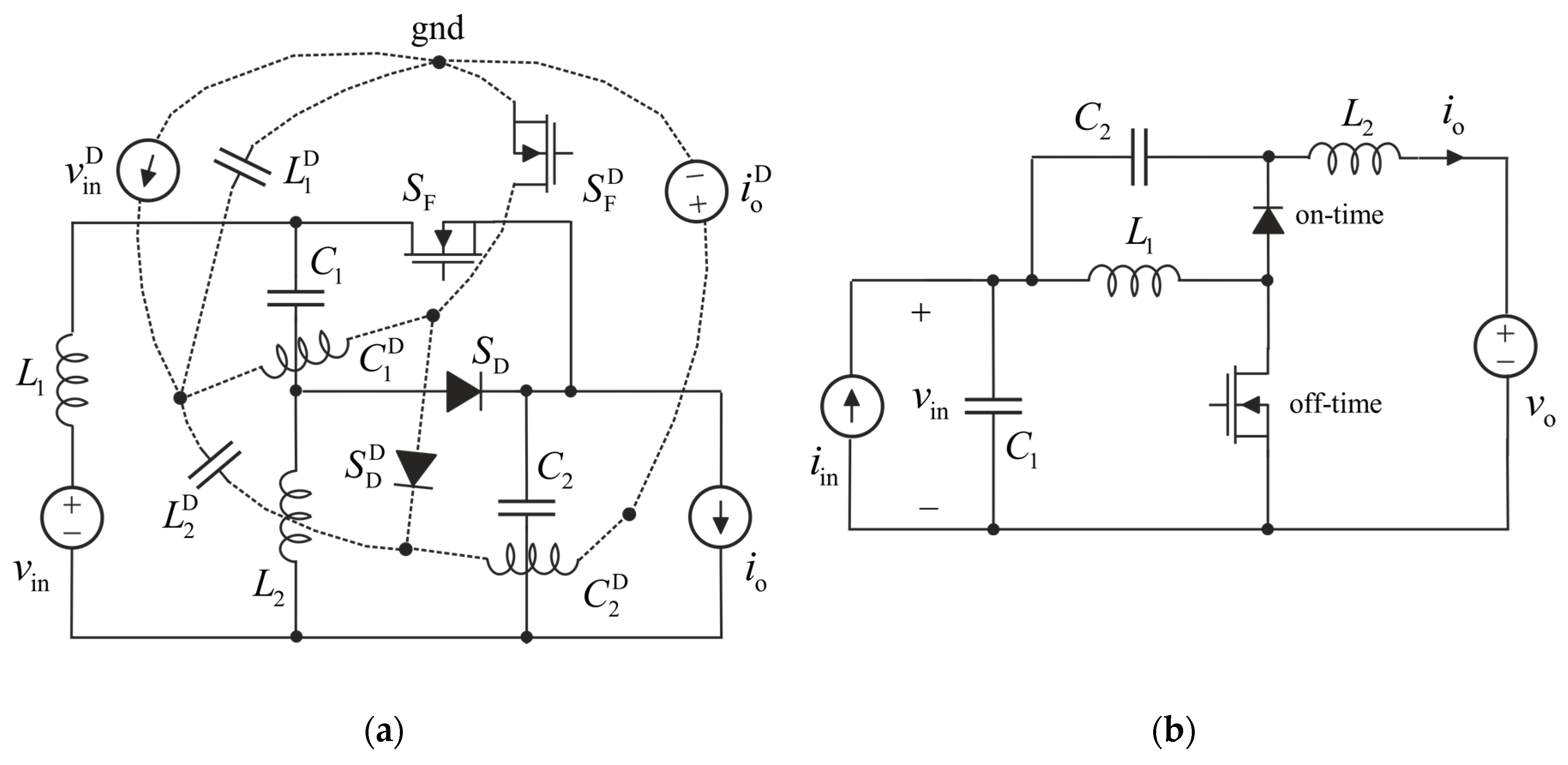
3. Implementing Current-Fed Converters
4. PV Generator Effect on Interfacing Converter
4.1. PV Energy System Structure and Operation Modes
4.2. Dynamic Effects
5. Stability Issues
5.1. Grid-Forming-Mode Operation
5.2. Grid-Forming-Mode Operation: Voltage-Fed Converter
5.3. Grid-Forming-Mode Operation: Current-Fed Converter
6. Discussions
7. Conclusions
Acknowledgments
Author Contributions
Conflicts of Interest
References
- Tymerski, R.; Vorpérian, V. Generation, classification and analysis of switched-mode DC-to-DC converters by the use of converter cells. In Proceedings of the 1986 International Telecommunications Energy Conference, Toronto, ON, Canada, 19–22 October 1986; pp. 181–195. [Google Scholar]
- Tymerksi, R.; Vorpérian, V. Generation and classification of PWM DC-to-DC converters. IEEE Trans. Aerosp. Electron. Syst. 1988, 24, 743–754. [Google Scholar]
- Bose, B.K. Global warming: Energy, environmental pollution, and the impact of power electronics. IEEE Ind. Electron. Mag. 2010, 4, 6–17. [Google Scholar] [CrossRef]
- Abbott, D. Keeping the energy debate clean: How do we supply the world’s energy needs? Proc. IEEE 2010, 98, 42–66. [Google Scholar] [CrossRef]
- Blaabjerg, F.; Chen, Z.; Kjaer, S.B. Power electronics as efficient interface in dispersed power generation systems. IEEE Trans. Power Electron. 2004, 19, 1184–1194. [Google Scholar] [CrossRef]
- Blaabjerg, F.; Teodorescu, R.; Liserre, M. Overview of control and grid synchronization for distributed power generation. IEEE Trans. Ind. Electron. 2006, 53, 1398–1409. [Google Scholar]
- Suntio, T.; Puukko, J.; Nousiainen, L. Change of paradigm in power electronic converters used in renewable energy applications. In Proceedings of the 2011 IEEE 33rd International Telecommunications Energy Conference, Amsterdam, The Netherland, 9–13 October 2011; pp. 1–9. [Google Scholar]
- Suntio, T. Editorial Special issue on power electronics in photovoltaic applications, 2013. IEEE Trans. Power Electron. 2013, 28, 2647–2648. [Google Scholar] [CrossRef]
- Nousiainen, L.; Puukko, J.; Mäki, A. Photovoltaic generator as an input source for power electronic converters. IEEE Trans. Power Electron. 2013, 28, 3028–3037. [Google Scholar] [CrossRef]
- Messo, T.; Jokipii, J.; Puukko, J.; Suntio, T. Determining the value of DC-link capacitance to ensure stable operation of three-phase photovoltaic inverter. IEEE Trans. Power Electron. 2014, 29, 665–673. [Google Scholar] [CrossRef]
- Gow, J.A.; Manning, C.D. Development of a photovoltaic array model for the use in power-electronics simulation studies. IEEE Proc.-Electr. Power Appl. 1999, 146, 193–200. [Google Scholar] [CrossRef]
- Lyi, S.; Dougal, R.A. Dynamic multiphysics model for solar array. IEEE Trans. Energy Convers. 2002, 17, 285–294. [Google Scholar]
- Villalva, M.G.; Gazoli, J.R.; Filho, E.R. Comprehensive approach to modeling and simulating of photovoltaic arrays. IEEE Trans. Power Electron. 2009, 24, 1198–1208. [Google Scholar] [CrossRef]
- Xiao, W.; Edwin, F.F.; Spagnuolo, G.; Jatskevich, J. Efficient approaches for modeling and simulating photovoltaic power systems. IEEE J. Photovolt. 2013, 3, 500–508. [Google Scholar] [CrossRef]
- Huang, P.H.; Xiao, W.; Peng, J.C.H.; Kirtley, J.L. Comprehensive parametrization of solar cell: Improved accuracy with simulation efficiency. IEEE Trans. Ind. Electron. 2016, 63, 1549–1560. [Google Scholar] [CrossRef]
- Ali, M.H.; Wu, B.; Dougal, R.A. An overview of SMES applications in power and energy systems. IEEE Trans. Sustain. Energy 2010, 1, 38–45. [Google Scholar] [CrossRef]
- Shmilovitz, D.; Singer, S. A switched-mode converter suitable for superconductive magnetic energy storage (SMES) systems. In Proceedings of the 2002 Seventeenth Annual IEEE Applied Power Electronics Conference and Exposition, Dallas, TX, USA, 10–14 March 2002; pp. 630–634. [Google Scholar]
- Dehbonei, H.; Lee, S.R.; Nehrir, H. Direct energy transfer for high efficiency photovoltaic energy systems Part I: Concepts and hypothesis. IEEE Trans. Aerosp. Electron. Syst. 2009, 45, 31–45. [Google Scholar] [CrossRef]
- Dehbonei, H.; Lee, S.R.; Nehrir, H. Direct energy transfer for high efficiency photovoltaic energy systems Part II: Experimental evaluation. IEEE Trans. Aerosp. Electron. Syst. 2009, 45, 46–57. [Google Scholar] [CrossRef]
- Ho, C.N.; Breuninger, H.; Pettersson, S.; Escobar, G.; Serpa, L.A.; Coccia, A. Practical design and implementation procedure of an interleaved boost converter using SiC diodes for PV applications. IEEE Trans. Power Electron. 2012, 27, 2835–2845. [Google Scholar] [CrossRef]
- Chen, Y.M.; Huang, A.Q.; Yu, X. A high step-up three-port DC-DC converter for standalone PV/battery power systems. IEEE Trans. Power Electron. 2013, 28, 5049–5062. [Google Scholar] [CrossRef]
- Rocabert, J.; Luna, A.; Blaabjerg, F.; Rodríguez, P. Control of power converters in AC microgrids. IEEE Trans. Power Electron. 2012, 27, 4734–4749. [Google Scholar] [CrossRef]
- Dίaz, N.L.; Coelho, E.A.; Vasquez, J.C.; Guerrero, J.M. Stability analysis for isolated AC microgrids based PV-active generators. In Proceedings of the 2015 IEEE Energy Conversion Congress and Exposition, Montreal, QC, Canada, 20–24 September 2015; pp. 4214–4221. [Google Scholar]
- Wang, J.; Chang, N.C.P.; Feng, X.; Monti, A. Design of a generalized control algorithm for parallel inverters for smooth microgrid transition operation. IEEE Trans. Ind. Electron. 2015, 62, 4900–4914. [Google Scholar] [CrossRef]
- Sangwongwanich, A.; Yang, Y.; Blaabjerg, F. High-performance constant power generation in grid-connected PV systems. IEEE Trans. Power Electron. 2016, 31, 1822–1825. [Google Scholar] [CrossRef]
- Yang, Y.; Wang, H.; Blaabjerg, F. Hybrid power control concept for PV inverters with reduced thermal loading. IEEE Trans. Power Electron. 2014, 29, 6271–6275. [Google Scholar] [CrossRef]
- Tonkoski, R.; Lopes, L.; El-Fouly, T. Coordinated active power curtailment of grid connected PV inverters for overvoltage prevention. IEEE Trans. Sustain. Energy 2011, 2, 139–147. [Google Scholar] [CrossRef]
- Suntio, T.; Leppäaho, J.; Huusari, J.; Nousiainen, L. Issues on solar-generator interfacing with current-fed MPP-tracking converters. IEEE Trans. Power Electron. 2010, 25, 2409–2419. [Google Scholar] [CrossRef]
- Suntio, T.; Leppäaho, J.; Huusari, J. Issues on solar-generator interfacing with voltage-fed converters. In Proceedings of the 35th Industrial Electronics Annual Conference of IEEE, Porto, Portugal, 3–5 November 2009; pp. 600–605. [Google Scholar]
- Suntio, T.; Huusari, J.; Leppäaho, J. Issues on solar-generator-interfacing with voltage-fed MPP-tracking converters. Eur. J. Power Electron. Drives 2010, 20, 40–47. [Google Scholar] [CrossRef]
- Chen, P.C.; Chen, P.Y.; Liu, Y.H.; Chen, J.H.; Luo, Y.F. A comparative study on maximum power point tracking techniques for photovoltaic generation systems operating under fast changing environments. Solar Energy 2015, 119, 261–276. [Google Scholar] [CrossRef]
- Lyden, S.; Hague, M.E. Maximum power point tracking techniques for photovoltaic systems: A comprehensive review and comparative analysis. Renew. Sustain. Energy Rev. 2015, 52, 1504–1518. [Google Scholar] [CrossRef]
- Liu, Y.H.; Chen, J.H.; Huang, J.W. A review of maximum power point tracking techniques for use in partially shaded conditions. Renew. Sustain. Energy Rev. 2015, 41, 436–453. [Google Scholar] [CrossRef]
- Kamarzaman, N.A.; Tan, C.W. A comprehensive review of maximum power point tracking algorithms for photovoltaics systems. Renew. Sustain. Energy Rev. 2014, 37, 585–598. [Google Scholar] [CrossRef]
- Esram, T.; Chapman, P.L. Comparison of photovoltaic array maximum power point tracking techniques. IEEE Trans. Energy Convers. 2007, 22, 439–449. [Google Scholar] [CrossRef]
- Esram, T.; Kimball, J.W.; Krein, P.T.; Chapman, P.L.; Midya, P. Dynamic maximum power point tracking of photovoltaic arrays using ripple correlation control. IEEE Trans. Power Electron. 2006, 21, 1282–1291. [Google Scholar] [CrossRef]
- Brunton, S.L.; Rowley, C.W.; Kulkarni, S.R.; Clarkson, C. Maximum power point tracking for photovoltaic optimization using ripple-based extremum seeking control. IEEE Trans. Power Electron. 2010, 25, 2531–2540. [Google Scholar] [CrossRef]
- Femia, N.; Petrone, G.; Spagnuolo, G.; Vitelli, M. Optimization of perturb and observe maximum power point tracking method. IEEE Trans. Power Electron. 2005, 20, 963–973. [Google Scholar] [CrossRef]
- Hussein, K.H.; Muta, I.; Hoshino, T.; Osakada, M. Maximum photovoltaic power tracking: An algorithm for rapidly changing atmospheric conditions. IEE Proc.-Gener. Transm. Distrib. 1995, 142, 59–64. [Google Scholar] [CrossRef]
- Elgendy, M.A.; Zahawi, B.; Atkinson, D.J. Assessment of the incremental conductance maximum power point tracking algorithm. IEEE Trans. Sustain. Energy 2013, 4, 108–117. [Google Scholar] [CrossRef]
- Kjaer, S.B. Evaluation of the “hill climbing” and the “incremental conductance” maximum power point trackers for photovoltaic power systems. IEEE Trans. Energy Convers. 2012, 27, 922–929. [Google Scholar] [CrossRef]
- Suntio, T. Dynamic Profile of Switched-Mode Converter: Modeling, Analysis and Control; Wiley-VCH: Weinheim, Germany, 2009. [Google Scholar]
- Du, W.; Jiang, Q.; Erickson, M.J.; Lasseter, R.H. Voltage-source control of PV inverter in a CERTS microgrid. IEEE Trans. Power Deliv. 2014, 29, 1726–1734. [Google Scholar] [CrossRef]
- Qin, L.; Xie, S.; Hu, M.; Yang, C. Stable operating area of photovoltaic cells feeding DC-DC converter in output voltage regulation mode. IET Renew. Power Gener. 2015, 9, 970–981. [Google Scholar] [CrossRef]
- Luo, S.; Qin, L.; Hu, M.; Hou, X.; Xie, S. Stable operating area of photovoltaic cells feeding the interface converter in output current regulation mode. In Proceedings of the 2016 IEEE 8th International Power Electronics and Motion Control Conference (IPEMC-ECCE Asia), Hefei, China, 22–26 May 2016; pp. 185–192. [Google Scholar]
- Abusorrah, A.; Al-Hindawi, M.M.; Al-Turki, Y.; Mandal, K.; Giaouris, D.; Banerjee, S.; Voutetakis, S.; Papadopoulou, S. Stability of boost converter fed from photovoltaic source. Solar Energy 2013, 98, 458–471. [Google Scholar] [CrossRef]
- Wyatt, J.; Chua, L. Nonlinear resistive maximum power theorem with solar cell application. IEEE Trans. Circuits Syst. 1983, 30, 824–828. [Google Scholar] [CrossRef]
- Sitbon, M.; Leppäaho, J.; Suntio, T.; Kuperman, A. Dynamics of photovoltaic-generator-interfacing voltage-controlled buck power stage. IEEE J. Photovolt. 2015, 5, 633–640. [Google Scholar] [CrossRef]
- Glass, M.C. Advancements in the design of solar array to battery charge current regulators. In Proceedings of the 1977 IEEE Power Electronics Specialists Conference, Palo Alto, CA, USA, 14–16 June 1977; pp. 346–350. [Google Scholar]
- Viinamäki, J.; Jokipii, J.; Messo, T.; Suntio, T.; Sitbon, M.; Kuperman, A. Comprehensive analysis of photovoltaic generator interfacing DC-DC boost power stage. IET Renew. Power Gener. 2015, 9, 306–314. [Google Scholar] [CrossRef]
- Kivimäki, J.; Kolesnik, S.; Sitbon, M.; Suntio, T.; Kuperman, A. Revisited perturbation frequency design guideline for direct fixed-step maximum power tracking algorithms. IEEE Trans. Ind. Electron. 2017, 64, 4601–4609. [Google Scholar] [CrossRef]
- Suntio, T.; Viinamäki, J.; Jokipii, J.; Messo, T.; Kuperman, A. Dynamic characterization of power electronic interfaces. IEEE J. Emerg. Sel. Top. Power Electron. 2014, 2, 949–961. [Google Scholar] [CrossRef]
- Leppäaho, J.; Suntio, T. Dynamic characteristics of current-fed superbuck converter. IEEE Trans. Power Electron. 2010, 26, 200–209. [Google Scholar] [CrossRef]
- Loferski, J. Recent research in photovoltaic solar energy converters. Proc. IEEE 1963, 51, 667–674. [Google Scholar] [CrossRef]
- Luque, A. Handbook of Photovoltaic Science and Engineering; Hegedus, S., Ed.; Wiley: Chichester, UK, 2003. [Google Scholar]
- Luoma, J.; Kleissl, J.; Murray, K. Optimal inverter sizing considering the cloud enhancement. Solar Energy 2012, 86, 421–429. [Google Scholar] [CrossRef]
- Viinamäki, J.; Kivimäki, J.; Suntio, T.; Hietalahti, L. Design of boost-power-stage converter for PV generator interfacing. In Proceedings of the 2014 16th European Power Electronics and Applications Conference, Lappeenranta, Finland, 26–28 August 2014; pp. 1–10. [Google Scholar]
- Torres Lobera, D.; Mäki, A.; Huusari, J.; Lappalainen, K.; Suntio, T.; Valkealahti, S. Operation of TUT solar PV power station research plant under partial shading caused by snow and buildings. Int. J. Photoenergy 2013, 2013, 1–13. [Google Scholar] [CrossRef]
- Torres Lobera, D.; Valkealahti, S. Inclusive dynamic thermal and electric simulation model of solar PV systems under varying atmospheric conditions. Solar Energy 2014, 105, 632–647. [Google Scholar] [CrossRef]
- Edler, A.; Schlemmer, M.; Ranzmeyer, J.; Harney, R. Understanding and overcoming the influence of capacitance effects on the measurement of high efficiency silicon solar cells. Energy Procedia 2012, 27, 267–272. [Google Scholar] [CrossRef]
- Krishna, H.A.; Misra, N.K.; Suresh, M.S. Solar cell as a capacitive temperature sensor. IEEE Trans. Aerosp. Electron. Syst. 2001, 47, 782–789. [Google Scholar] [CrossRef]
- Kumar, R.A.; Suresh, M.S.; Nagaraju, J. Effect of solar array capacitance on the performance of switching shunt voltage regulator. IEEE Trans. Power Electron. 2006, 21, 543–548. [Google Scholar] [CrossRef]
- Singh, P.; Singh, S.N.; Lal, M.; Husain, M. Temperature dependence of I-V characteristics and performance parameters of silicon solar cell. Solar Energy Mater. Solar Cells 2008, 92, 1611–1616. [Google Scholar] [CrossRef]
- Xiao, W.; Dunford, W.G.; Palmer, P.R.; Capel, A. Regulation of photovoltaic voltage. IEEE Trans. Ind. Electron. 2007, 54, 1365–1374. [Google Scholar] [CrossRef]
- Kivimäki, J.; Kolesnik, S.; Sitbon, M.; Suntio, T.; Kuperman, A. Design guidelines for multi-loop perturbative maximum power point tracking algorithms. IEEE Trans. Power Electron. 2017, in press. [Google Scholar] [CrossRef]
- Xiao, W.; Ozog, N.; Dunford, W.G. Topology study of photovoltaic interface for maximum power point tracking. IEEE Trans. Ind. Electron. 2007, 54, 1696–1704. [Google Scholar] [CrossRef]
- Silvestre, S.; Boronat, A.; Chouder, A. Study of bypass diodes configuration on PV modules. Appl. Energy 2009, 89, 1632–1640. [Google Scholar] [CrossRef]
- Romero Cadaval, E.; Spagnuolo, G.; Franquelo, L.G.; Ramos-Paja, C.A.; Suntio, T.; Xiao, W.M. Grid-connected photovoltaic generation plants—Components and operation. IEEE Ind. Electron. Mag. 2013, 7, 6–20. [Google Scholar] [CrossRef]
- Mäki, A.; Valkealahti, S. Differentiation of multiple maximum power points of partially shaded photovoltaic power generators. Renew. Energy 2014, 71, 89–99. [Google Scholar] [CrossRef]
- Mäki, A.; Valkealahti, S. Power losses in long string and parallel connected short strings of series connected silicon-based photovoltaic modules under partial shading conditions. IEEE Trans. Energy Convers. 2012, 27, 173–183. [Google Scholar] [CrossRef]
- Patel, H.; Agarwal, V. Matlab-based modeling to study the effects of partial shading on PV array characteristics. IEEE Trans. Energy Convers. 2008, 23, 302–310. [Google Scholar] [CrossRef]
- Mäki, A.; Valkealahti, S.; Suntio, T. Dynamic terminal characteristics of a solar generator. In Proceedings of the 2010 14th International Power Electronics and Motion Control Conference, Ohric, Macedonia, 6–8 September 2010. [Google Scholar]
- Luenberger, D.G. A double look at duality. IEEE Trans. Autom. Control 1992, 37, 1474–1482. [Google Scholar] [CrossRef]
- Desoer, C.A.; Kuh, E.S. Basic Circuit Theory; McGraw-Hill Kogausha, Ltd.: Tokyo, Japan, 1969; pp. 444–449. [Google Scholar]
- Wolfs, P.J. A current-sourced DC-DC converter derived via the duality principle from the half-bridge converter. IEEE Trans Ind. Electron. 1993, 40, 139–144. [Google Scholar] [CrossRef]
- Weaver, W.W.; Krein, P.T. Analysis and application of a current-sourced buck converter. In Proceedings of the 2007 22th Annual IEEE Applied Power Electronics Conference, Anaheim, CA, USA, 25 February–1 March 2007; pp. 1664–1670. [Google Scholar]
- Averger, A.; Meyer, K.R.; Mertens, A. Current-fed full bridge converter for fuel cell systems. In Proceedings of the 2008 IEEE Power Electronics Specialists Conference, Rhodes, Creece, 15–19 June 2008; pp. 866–872. [Google Scholar]
- Lee, S.H.; Song, S.G.; Park, S.J.; Moon, C.J.; Lee, M.H. Grid-connected photovoltaic system using current-source inverter. Solar Energy 2008, 82, 411–419. [Google Scholar] [CrossRef]
- Drews, D.; Cuzner, R.; Venkataramanan, G. Operation of current source inverters in discontinuous conduction mode. IEEE Trans. Ind. Appl. 2016, 52, 4865–4877. [Google Scholar] [CrossRef]
- Shmilovitz, D.; Singer, S. Gyrator realization based on capacitive switched cell. IEEE Trans. Circuits Syst. II Express Briefs 2006, 53, 1418–1422. [Google Scholar] [CrossRef]
- Williams, B.W. Generation and analysis of canonical switching cell DC-to-DC converters. IEEE Trans. Ind. Electron. 2014, 61, 329–346. [Google Scholar] [CrossRef]
- Cuk, S. General topological properties of switching structures. In Proceedings of the 1979 IEEE Power Electronics Specialists Conference, San Diego, CA, USA, 18–22 June 1979; pp. 109–130. [Google Scholar]
- Freeland, S.D. Techniques for the practical application of duality to power circuits. IEEE Trans. Power Electron. 1992, 7, 374–384. [Google Scholar] [CrossRef]
- Shmilovitz, D. Application of duality for derivation of current converter topologies. HIT J. Sci. Eng. B 2005, 2, 529–557. [Google Scholar]
- Leppäaho, J.; Suntio, T. Solar-generator interfacing with current-fed superbuck converter implemented by duality-transformation methods. In Proceedings of the 2010 International Power Electronics Conference, Sapporo, Japan, 21–24 June 2010; pp. 680–687. [Google Scholar]
- Capel, A.; Marpinard, J.C.; Jalade, J.; Valentin, M. Current fed and voltage fed switching dc/dc converters—Steady state and dynamic models, their applications in space technology. In Proceedings of the 1983 5th International Telecommunications Energy Conference, Tokyo, Japan, 18–21 October 1983; pp. 421–430. [Google Scholar]
- Leppäaho, J.; Nousiainen, L.; Puukko, J.; Huusari, J.; Suntio, T. Implementing current-fed converters by adding an input capacitor at the input of voltage-fed converter for interfacing solar generator. In Proceedings of the 2010 14th International Power Electronics and Motion Control Conference, Ohric, Macedonia, 6–8 September 2010. [Google Scholar]
- Figueres, E.; Garcerá, G.; Sandia, J.; Gonzalez-Espin, F.; Rubio, J.C. Sensitivity study of the dynamics of three-phase photovoltaic inverters with an LCL grid filter. IEEE Trans. Ind. Electron. 2009, 56, 706–716. [Google Scholar] [CrossRef]
- Huusari, J.; Suntio, T. Interfacing constraints of distributed maximum power point tracking converters in photovoltaic applications. In Proceedings of the 2012 15th International Power Electronics and Motion Control Conference, Novi Sad, Serbia, 4–6 September 2012. [Google Scholar]
- Huusari, J.; Suntio, T. Dynamic properties of current-fed quadratic full-bridge buck converter for distributed photovoltaic MPP-tracking systems. IEEE Trans. Power Electron. 2012, 27, 4681–4689. [Google Scholar] [CrossRef]
- Leppäaho, J.; Karppanen, M.; Suntio, T. Current-sourced buck converter. In Proceedings of the Nordic Power and Industrial Electron Conference (NORPIE), Espoo, Finland, 9–11 June 2008; pp. 1–7. [Google Scholar]
- Bastidas-Rodriguez, J.D.; Franco, E.; Petrone, G.; Ramos-Paja, C.A.; Spagnuolo, G. Maximum power point tracking architectures for photovoltaic systems in mismatching conditions: A review. IET Power Electron. 2014, 7, 1396–1413. [Google Scholar] [CrossRef]
- Puukko, J.; Messo, T.; Suntio, T. Effect of photovoltaic generator on a typical VSI-based three-phase grid-connected photovoltaic inverter dynamics. In Proceedings of the 2011 IET Conference on Renewable Power Generation, Edinburg, UK, 6–8 September 2011; pp. 1–6. [Google Scholar]
- Messo, T.; Puukko, J.; Suntio, T. Effect of MPP-tracking DC/DC converter on VSI-based photovoltaic inverter dynamics. In Proceedings of the 2012 6th IET International Conference on Power Electronics, Machines and Drives, Bristol, UK, 27–29 March 2012; pp. 1–6. [Google Scholar]
- Messo, T.; Jokipii, J.; Suntio, T. Steady-state and dynamic properties of boost-power-stage converter in photovoltaic applications. In Proceedings of the 2012 3rd IEEE International Symposium on Power Electronics for Distributed Generation Systems, Aalborg, Denmark, 25–28 June 2012; pp. 34–40. [Google Scholar]
- Messo, T.; Jokipii, J.; Suntio, T. Minimum dc-link capacitance requirement of a two-stage photovoltaic inverter. In Proceedings of the 2013 IEEE Energy Conversion Congress and Exposition, Denver, CO, USA, 15–19 September 2013; pp. 999–1006. [Google Scholar]
- Siri, K. Study of system instability in solar-array-based power systems. IEEE Trans. Aerosp. Electron. Syst. 2000, 36, 957–964. [Google Scholar] [CrossRef]
- Leppäaho, J.; Suntio, T. Characterizing the dynamics of the peak-current-mode-controlled buck-power-stage converter in photovoltaic applications. IEEE Trans. Power Electron. 2014, 29, 3840–3847. [Google Scholar] [CrossRef]
- Sun, J. Impedance-based stability criterion for grid-connected inverters. IEEE Trans. Power Electron. 2011, 26, 3075–3078. [Google Scholar] [CrossRef]
- Lappalainen, K.; Valkealahti, S. Recognition and modelling of irradiance transitions caused by moving clouds. Solar Energy 2015, 112, 55–67. [Google Scholar] [CrossRef]
- Lappalainen, K.; Valkealahti, S. Analysis of shading periods caused by moving clouds. Solar Energy 2016, 135, 188–196. [Google Scholar] [CrossRef]
- Lappalainen, K.; Valkealahti, S. Apparent velocity of shadow edges caused by moving clouds. Sol. Energy 2016, 138, 47–52. [Google Scholar] [CrossRef]
- Lappalainen, K.; Valkealahti, S. Effects of PV array layout, electrical configuration and geographical orientation on mismatch losses. Sol. Energy 2017, 144, 548–555. [Google Scholar] [CrossRef]
- Stodola, N.; Modi, V. Penetration of solar power without storage. Energy Policy 2009, 37, 4730–4736. [Google Scholar] [CrossRef]
- Hill, C.A.; Such, M.C.; Chen, D.; Gonzalez, J.; Grady, W.M. Battery energy storage for enabling integration of distributed solar power generation. IEEE Trans. Smart Grid 2012, 3, 850–857. [Google Scholar] [CrossRef]
- Omran, W.A.; Kazerani, M.; Salama, M.M. A. Investigation of methods for reduction of power fluctuations generated from large grid-connected photovoltaic systems. IEEE Trans. Energy Convers. 2011, 26, 318–327. [Google Scholar] [CrossRef]
- Beltran, H.; Bilbao, E.; Belenguer, E.; Etxeberria-Otadui, I.; Rodriguez, P. Evaluation of storage energy requirements for constant production in PV power plants. IEEE Trans. Ind. Electron. 2013, 60, 1225–1234. [Google Scholar] [CrossRef]
- Wang, G.; Ciobotaru, M.; Agelidis, V. Power smoothing of large solar PV power plant using hybrid energy storage. IEEE Trans. Sustain. Energy 2014, 5, 834–842. [Google Scholar] [CrossRef]
- Wang, G.; Ciobotaru, M.; Agelidis, V. Optimal capacity design for hybrid energy storage system supporting dispatch of large-scale photovoltaic power plant. J. Energy Storage 2015, 3, 25–35. [Google Scholar] [CrossRef]
- Alam, M.J.E.; Muttaqi, K.M.; Sutanto, D. A novel approach for ramp-rate control of solar PV using energy storage to mitigate output fluctuations caused by cloud passing. IEEE Trans. Energy Convers. 2014, 9, 507–518. [Google Scholar]
- Liu, S.; Liu, P.X.; Wang, X. Stochastic small-signal analysis stability analysis of grid-connected photovoltaic systems. IEEE Trans. Ind. Electron. 2016, 63, 1027–1038. [Google Scholar] [CrossRef]
- Liu, S.; Liu, P.X.; Wang, X. Stability analysis of grid-interfacing inverter control in distributed systems with multiple photovoltaic-based distributed generators. IEEE Trans. Ind. Electron. 2016, 63, 7339–7348. [Google Scholar] [CrossRef]
- Middlebrook, R.D. Input filter considerations in design and applications of switching regulators. In Proceedings of the IEEE Industry Application Society Annual Meeting (IAS), Chicago, IL, USA, 11–14 October 1976; pp. 91–107. [Google Scholar]
- Middlebrook, R.D. Null double injection and the extra element theorem. IEEE Trans. Educ. 1989, 32, 167–180. [Google Scholar] [CrossRef]
- Nyquist, H. Regeneration theory. Bell. Syst. Tech. J. 1932, 11, 126–147. [Google Scholar] [CrossRef]
- MacFarlane, A.G.J.; Postlethwaite, I. The generalized Nyquist stability criterion. Int. J. Control 1977, 25, 81–127. [Google Scholar] [CrossRef]
- Wildrick, C.M.; Lee, F.C.; Cho, B.H.; Choi, B. A method of defining the load impedance specifications for a stable distributed power system. IEEE Trans. Power Electron. 1995, 10, 280–285. [Google Scholar] [CrossRef]
- Sudhoff, S. D.; Glover, S.F.; Lamm, P.T.; Schmucker, D.H.; Delisle, D.E. Admittance space stability analysis of power electronic system. IEEE Trans. Aerosp. Electron. Syst. 2000, 36, 965–973. [Google Scholar]
- Leppäaho, J.; Suntio, T. Dynamics of current-fed converters and stability-assessment of solar-generator interfacing. In Proceedings of the 2010 International Power Electronics Conference, Sapporo, Japan, 21–24 June 2010; pp. 703–709. [Google Scholar]
- Leppäaho, J.; Huusari, J.; Nousiainen, L.; Puukko, J.; Suntio, T. Dynamic properties and stability assessment of current-fed converters in photovoltaic applications. IEEJ Trans. Ind. Appl. 2011, 131, 976–984. [Google Scholar] [CrossRef]
- Vesti, S.; Suntio, T.; Oliver, J.A.; Prieto, R.; Cobos, J.A. Impedance-based stability and transient performance assessment applying maximum peak criteria. IEEE Trans. Power Electron. 2013, 28, 2099–2104. [Google Scholar] [CrossRef]
- Vesti, S.; Suntio, T.; Oliver, J.A.; Prieto, R.; Cobos, J.A. Effect of control method on impedance-based interactions in a buck converter. IEEE Trans. Power Electron. 2013, 28, 5311–5322. [Google Scholar] [CrossRef]
- Puukko, J.; Suntio, T. Modelling the effect of a non-ideal load in three-phase converter dynamics. IET Electron. Lett. 2012, 48, 402–404. [Google Scholar] [CrossRef]
- Liu, Z.; Liu, J.; Bao, W.; Zhao, Y. Infinity-norm of impedance-based stability criterion for three-phase AC distributed power systems with constant power loads. IEEE Trans. Power Electron. 2015, 30, 3030–3043. [Google Scholar] [CrossRef]
- Wen, B.; Boroyevich, D.; Burgos, R.; Mattavelli, P.; Shen, Z. Inverse Nyquist stability criterion for grid-tied inverters. IEEE Trans. Power Electron. 2017, 32, 1548–1556. [Google Scholar] [CrossRef]
- Aapro, A.; Messo, T.; Suntio, T. An accurate small-signal model of a three-phase VSI-based photovoltaic inverter with LCL filter to predict inverter output impedance. In Proceedings of the 2015 9th International Conference on Power Electronics and ECCE Asia, Seoul, Korea, 1–5 June 2015; pp. 2267–2274. [Google Scholar]
- Messo, T.; Aapro, A.; Suntio, T. Generalized multivariable small-signal model of three-phase grid-connected inverter in DQ domain. In Proceedings of the 2015 IEEE 16th Workshop on Control and Modeling for Power Electronics, Vancouver, BC, Canada, 12–15 June 2015; pp. 1–8. [Google Scholar]


























© 2017 by the authors. Licensee MDPI, Basel, Switzerland. This article is an open access article distributed under the terms and conditions of the Creative Commons Attribution (CC BY) license (http://creativecommons.org/licenses/by/4.0/).
Share and Cite
Suntio, T.; Messo, T.; Aapro, A.; Kivimäki, J.; Kuperman, A. Review of PV Generator as an Input Source for Power Electronic Converters. Energies 2017, 10, 1076. https://doi.org/10.3390/en10081076
Suntio T, Messo T, Aapro A, Kivimäki J, Kuperman A. Review of PV Generator as an Input Source for Power Electronic Converters. Energies. 2017; 10(8):1076. https://doi.org/10.3390/en10081076
Chicago/Turabian StyleSuntio, Teuvo, Tuomas Messo, Aapo Aapro, Jyri Kivimäki, and Alon Kuperman. 2017. "Review of PV Generator as an Input Source for Power Electronic Converters" Energies 10, no. 8: 1076. https://doi.org/10.3390/en10081076
APA StyleSuntio, T., Messo, T., Aapro, A., Kivimäki, J., & Kuperman, A. (2017). Review of PV Generator as an Input Source for Power Electronic Converters. Energies, 10(8), 1076. https://doi.org/10.3390/en10081076

