Next Article in Journal
System-Level Value of a Gas Engine Power Plant in Electricity and Reserve Production
Previous Article in Journal
A Quantification Index for Power Systems Transient Stability
 
 
Font Type:
Arial Georgia Verdana
Font Size:
Aa Aa Aa
Line Spacing:
Column Width:
Background:
Article

Standby-Loss Elimination in Server Power Supply †

1
KAIST—Korea Advanced Institute of Science and Technology, Deajon 341-41, Korea
2
Department of Electric Engineering, Myongji Unversity, Yongin-Si 449-728, Korea
*
Author to whom correspondence should be addressed.
This paper is an extended version of our paper published in “Disabling standby converter with phase-shifted full-bridge converter in server power supplies. In Proceedings of the 2013 IEEE ECCE Asia Downunder, Melbourne, Australia, 3–6 June 2013”.
Energies 2017, 10(7), 981; https://doi.org/10.3390/en10070981
Submission received: 26 April 2017 / Revised: 3 July 2017 / Accepted: 7 July 2017 / Published: 12 July 2017
(This article belongs to the Section F: Electrical Engineering)

Abstract

:
In a server power system, a standby converter is required in order to provide the standby output, monitor the system’s status, and communicate with the server power system. Since these functions are always required, losses from the standby converter are produced even though the system operates in normal mode. For these reasons, the losses deteriorate the total efficiency of the system. In this paper, a new structure is proposed to eliminate the losses from the standby converter of a server power supply. The key feature of the proposed structure is that the main direct current (DC)/DC converter substitutes all of the output power of the standby converter, and the standby converter is turned off in normal mode. With the proposed structure, the losses from the standby converter can be eliminated in normal mode, and this leads to a higher efficiency in overall load conditions. Although the structure has been proposed in the previous work, very important issues such as a steady state analysis, the transient responses, and how to control the standby converter are not discussed. This paper presents these issues further. The feasibility of the proposed structure has been verified with 400 V link voltage, 12 V/62.5 A main output, and a 12 V/2.1 A standby output server power system.

1. Introduction

Nowadays, in order to reduce power consumption in internet data centers, it is prompted to increase the efficiency of a server computer power system. Because the brand-new certification requires extremely high efficiency at a 50% load condition, very sophisticated techniques are required. Also, the efficiency under a light load condition is getting more important in the server power system, because the brand-new certification requires meeting 10% load efficiency, whereas the former certification does not [1,2,3].
As shown in Figure 1, a server power system consists of a boost power-factor-corrector (PFC), direct current (DC)/DC, and standby converter stage. The boost PFC stage provides the input voltage of the DC/DC stage (Vlink). The DC/DC stage provides tightly regulated output voltage (Vout_main). In this stage, a phase-shifted full-bridge (PSFB) converter is widely used because of small root-mean-square (RMS) current and zero-voltage-switching (ZVS) [3,4,5,6,7].
In order to improve the light load efficiency, various techniques have been proposed by researchers [8,9,10,11]. Among these techniques, [5,8] achieved higher efficiency simply by using a larger dead time to achieve ZVS in a light load condition, because a PSFB converter cannot provide sufficient ZVS energy in light load conditions [12,13,14]. These previous works have reduced the switching losses in light load conditions. However, removing switching losses shows improved efficiency only lower than a 10% load condition, as shown in [12,13,14]. This is because, with the optimized dead time, the lagging leg switches can be turned on when the drain-to-source voltage is at minimum. From the research, it can be noted that the switching losses rarely affect the system’s efficiency in higher than 10% load conditions, although the ZVS energy is not sufficient for the full ZVS.
Figure 2 illustrates a simplified schematic of the standby converter and controllers. The standby converter provides standby output (Vout_STB) and supply voltage for the controllers. The purpose of the Vout_STB is to provide the output power to the server power system in the “standby state”. The output power of Vout_STB is much smaller than the main output power. Usually, the standby output power is less than 30 W. This is because the standby output is used to maintain communication between the server power system and the power supply. Also, the secondary controller consumes a very small amount of power, such near 1 W. A microcontroller for communication and sequence control is powered by Vout_STB. The server system should monitor its state always, even when the main power is turned off. In this case, only a small output power is required to monitor the system status, so only the standby flyback converter with a small output power rating provides the standby output power. For the standby output, the flyback converter is widely used because of its small size and wide input-range capability [15,16,17,18]. Since Vout_STB should be regulated tightly, it is used for the feedback of the duty cycle of the standby converter. Vout_STB is used for the standby output and the input power of the controllers on the secondary side. Also, the standby converter provides the input power of the controllers on the primary side. As shown in Figure 2, the auxiliary turns are used for the primary side controllers. Due to cross-regulation issues, the supply voltage for the primary side controllers (VCCP) cannot be regulated tightly, and VCCP increases from 13 V to 20 V in a light load condition. For these reasons, a linear regulator is used to provide an accurate 12 V (V12P) to the primary controllers. The loss of a linear regulator increases as VCCP increases, because it is proportional to the difference between VCCP and 12 V. Please note that the pulse-width-modulation (PWM) controller on the primary side cannot use Vout_STB as its power source, because Vout_STB is located on the secondary side. The primary side and the secondary side of the server power system should be isolated. As shown in Figure 2, Vout_STB and V12P have different ground notation from each other [18].
Figure 1a,b illustrates the standby mode and the normal mode of a server power supply. In the standby mode as shown in Figure 1a, only the standby converter is turned on, and the DC/DC converter is turned off. Therefore, Vout_STB and VCCP are provided by the standby converter and Vout_main is zero. In the normal mode as shown in Figure 1b, the DC/DC converter is turned on and all outputs are provided. It should be noted that the losses of the standby flyback converter always exist regardless of operating mode. Therefore, the standby converter degrades the total system’s efficiency in entire load conditions [15,16,17,18,19,20]. Therefore, it is required to reduce the losses from the standby flyback converter. Furthermore, VCCP increases in a light load condition due to the cross-regulation problem, and the losses from the linear regulator are also increased in a lighter load condition.
For these reasons, standby-flyback-integrating structures have been studied in recent years [15,16,17,18,19,20]. By integrating the flyback converter into the main power conversion stage, these works reduced switching losses, resulting in the improved efficiency of the system. However, approaches in [15,16,17] require additional components and complex control signals. Also, the core loss of the flyback converter is always produced. Therefore, among the previous approaches, using an ORing diode [19,20] can be the simplest way to reduce the standby converter losses in applications where the Vout_main and Vout_STB are the same. However, just using an ORing diode [20] cannot eliminate the losses from the flyback converter. This is because the standby flyback converter should provide VCCP.
In order to completely eliminate the losses from the standby converter in the normal mode, [19] proposed to turn off the standby converter. By using an ORing diode and an auxiliary winding, all outputs from the standby converter are provided by the DC/DC converter. Therefore, the standby converter can be turned off so that the standby losses can be eliminated. However, very important issues such as a steady state analysis, the transient responses, and how to control the standby converter are not discussed in [19]. In this paper, further analysis on the technique is presented.

2. The Proposed Structure and Its Control Scheme

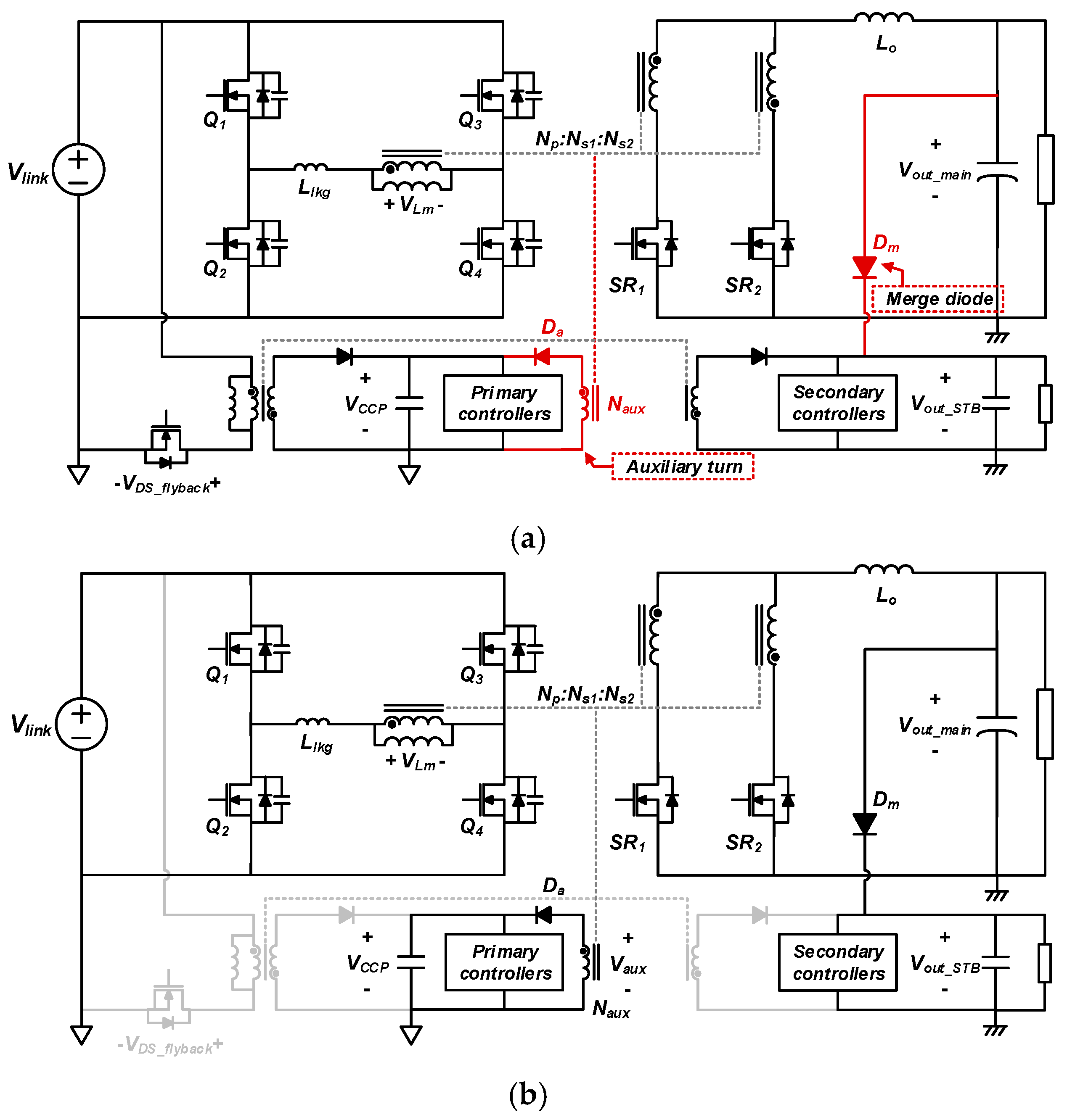
The proposed structure is shown in Figure 3a. The PFC boost converter is omitted for simplicity, and it is assumed that the DC/DC converter has a constant input voltage (Vlink). In order to provide Vout_STB and supply voltage for the primary side controllers (VCCP), the DC/DC converter uses a merging diode (Dm), a small additional diode (Da), and an auxiliary winding in the main transformer (Naux) is used. The main purpose of the proposed structure is to turn off the standby flyback converter. In this case, Vout_STB cannot be provided without Dm. Dm is used to connect Vout_main to Vout_STB, so that Vout_STB can be provided even in the case where the standby flyback converter is turned off.
The secondary side controllers can also be powered by another additional winding. However, please note that the secondary side controllers do not need to be powered by the auxiliary winding, because the main output voltage is the same as the standby output voltage. Also, since Vout_STB should be regulated tightly, it is better to share the main output voltage. When another auxiliary winding is used, another additional regulator should be used in order to regulate Vout_STB, since the auxiliary winding cannot provide an exact voltage level.
In standby mode, the proposed structure operates the same as the conventional structure. The flyback converter provides Vout_STB and VCCP. The PSFB converter is turned off, since Vout_main has to be zero.
However, in the normal mode as shown in Figure 2b, the flyback converter can be completely turned off after the PSFB converter is turned on. It can be noted that all of the outputs of the standby converter can be provided by the PSFB converter with the proposed structure. Vout_main provides Vout_STB using Dm. Because the output current specification of the PSFB is much larger than that of the standby flyback converter, it is not a burden for the PSFB converter. Also, Naux provides VCCP using Da.

2.1. Steady State Operation of the Proposed Structure in Normal Mode

Figure 4a shows a simplified equivalent circuit for VCCP. As shown in Figure 4a, a parasitic resistance of auxiliary turn (Rpar) and the reflected leakage inductance ((Naux/Np)2Llkg) are connected in series with Da, and the primary controllers can be regarded as a constant load current (Icon).
Figure 4b shows the key waveforms of the proposed structure. As shown in Figure 4b, voltage across the magnetizing inductance of the main transformer (VLm) alternates between Vlink and −Vlink. Then, the voltage across the auxiliary winding (Vaux) alternates between VlinkNaux/Np and −VlinkNaux/Np. Because Da rectifies only a positive half cycle of Vaux, VCCP increases during t0t1.
The auxiliary circuit operates as a resistor-inductor-capacitor (RLC) resonant circuit. However, the inductance can be neglected because Np is much larger than Naux in the PSFB converter. In this case, the circuit in Figure 4a can be regarded as a switched capacitor circuit. The peak value of iaux (Iaux_peak_app) is determined by Rpar. Assuming that the resistor-capacitor (RC) time constant of the circuit is much larger than the switching period of the PSFB, iaux can be considered as a square waveform wave and its average value becomes Icon. For these reasons, VCCP and Iaux_peak_app can be obtained by following Equations:
V C C P N a u x N p V l i n k
I a u x _ p e a k _ a p p = I c o n D e f f
where Deff is an effective duty-cycle in the PSFB converter.
Naux should be chosen to make VCCP larger than required voltage for the primary side controllers. A linear regulator can be used to provide a precise voltage for the controllers, following VCCP. In order to minimize the losses in the linear regulator, Naux should be minimized, satisfying the condition that VCCP should be larger than the required voltage for the controllers.
From (1), it should be noted that VCCP becomes constant regardless of the output condition with the proposed structure, whereas VCCP increases in a light load condition with the conventional structure, as mentioned in the introduction. Therefore, the losses from the linear regulator are also reduced in the proposed structure.
In the proposed structure, the primary current of the PSFB converter (ipri) is equal to the sum of iauxNaux/Np and the primary current in the conventional PSFB converter. However, ipri is almost same as the conventional PSFB converter; Icon is usually very small (much smaller than 1 A), and stepped down by the turns ratio Naux/Np. For these reasons, the proposed structure rarely affects the operation of the PSFB converter, so that the steady state characteristics of PSFB converter, such as the ZVS condition or effective duty cycle, are not affected.

2.2. Naux and Dm Selection

VCCP should be larger than V12P. This is because the linear regulator has a step down conversion ratio, so Naux should be large enough. On the other hand, in order to minimize the losses in the linear regulator, VCCP should be as small as possible. Therefore, Naux should be the minimum value satisfying VCCP > V12P. According to (1), it can be noted that Naux should be an integer value which is larger than NpV12P/Vlink.
In order to select Dm, consideration on the forward voltage drop of the merge diode is essential. The voltage regulation range of the server power supply is ±5% of the output voltage in this case. Therefore, the forward voltage drop should be smaller than its regulation range. The forward voltage drop of Dm should be smaller than its regulation range in the full load condition.

2.3. How to Disable the Standby Flyback Converter

The standby flyback converter can be disabled with a simple addition to the feedback circuits. Figure 5 shows the feedback circuit of the standby converter for the proposed structure. In the figure, the left side of the feedback circuit is for the conventional structure and the right side of the feedback circuit is proposed for the proposed structure. The added feedback circuit consists of an additional resistor Ra, diode D, and transistor Qa, which is controlled by the STBVAR signal. In standby mode, Qa is turned on so that D is turned off. The additional circuits do not affect the feedback circuit, since the additional circuits are separated from the conventional feedback circuit. However, in normal mode, Qa is turned off and D is conducted. Since Ra is connected to R1 in parallel and the reference voltage of the control loop becomes smaller, the feedback circuit operates as if Vout_STB is larger than its appropriate value. In other words, the standby flyback converter is turned off.

2.4. Transient Response When Disabling the Standby Converter

In the proposed structure, considerations on transient response are essential, since the flyback converter is turned on and off during its operation. Figure 6 shows the disabling sequence for the standby flyback converter in normal mode. After the DC/DC converter is turned on, Vout_main increases. The standby flyback converter should be turned off after Vout_main is regulated. Otherwise, Vout_STB will drop to Vout_main. Therefore, the STBVAR signal should be low after Vout_main is regulated. In the proposed structure, the reference voltage is 2.5(1 + R1/R2) when the STBVAR signal is high. However, when the STBVAR signal becomes low, Qa is turned off and the reference voltage of the controller loop becomes 2.5[1 + (R1//Ra)/R2]. Therefore, the reference voltage decreases, and the expected value of Vout_STB without a merge diode is 2.5[1 + (R1//Ra)/R2].

2.5. Transient Response When Enabling the Standby Converter

There are two cases of shutdown in a server power supply. The first one is the DC/DC OFF case. In this case, the power system transits from the normal to the standby mode. Figure 7a illustrates the DC/DC OFF case. Note that the DC/DC ON signal is active and low. The server computer requests DC/DC OFF and the DC/DC converter is turned off. After DC/DC OFF is requested by the server, the STBVAR signal is enabled and the standby converter wakes up before the DC/DC converter is turned off.
The second one is the hold-up time. In general, a server power system should be able to regulate Vout_main after the alternating current (AC) loss for tens of milliseconds, and it is called the hold-up time condition. During the hold-up time, the standby flyback converter should be enabled before Vout_main decreases. Figure 7b illustrates the key waveforms during the hold-up time. After AC loss occurs, Vlink decreases and the PSFB converter regulates Vout_main. After the hold-up time, Vout_main decreases. The standby converter should be turned on within the hold-up time after the AC loss, so that Vout_STB can be regulated by the standby converter even though Vout_main decreases. If the standby converter is not turned on during the hold-up time, Vout_STB should be decreased in the same way as Vout_main.

2.6. Control of the STBVAR Signal

Figure 8 shows a flowchart for the STBVAR signal. When the standby flyback is turned on, the system checks Vout_main. If Vout_main maintains at 12 V during a waiting time (Tw), the STBVAR signal is disabled to turn off the flyback converter. When the flyback is turned off, the system checks whether DC/DC OFF or any shutdown signals are produced. If the conditions are produced, the STBVAR signal is enabled so that the flyback is turned on immediately. The pre-existing microcontroller is fast enough to provide the STBVAR signal in time.

3. Experimental Results and Discussion

The feasibility of the proposed structure has been verified by a server power system with 12 V/62.5 A main output and 12 V/2.1 A standby output. The system is designed with Np = 26, Ns1 = Ns2 = 1, Naux = 1, and Llkg = 15 μH. ES1D (200 V, 1 A, DO-214AC) is selected for Da, M2FM3 (30 V, 6 A, M2F) is selected for the merge diode Dm, and ICE3AR0680JZ is selected for the standby flyback converter. The voltage regulation range of the server power supply is ±5% of the output voltage in this case. Therefore, Vout_main and Vout_STB should be regulated within 11.4–12.6V. Since the forward voltage drop of Dm is less than 0.4 V as the maximum value, it can be said that the forward voltage drop of the merge diode does not affect the regulation of Vout_STB. Figure 9 shows the implementation of the proposed structure. It can be noted that the auxiliary turn occupies a very small window area, so that it does not affect the design of the transformer. In addition, the merging diode Dm is very small so that the power density of the total system is not degraded.
Figure 10 shows the experimental waveforms of the proposed structure at full load condition in normal mode. Figure 10a shows the disabling sequence of the standby flyback converter. VDS_flyback represents the drain-to-source voltage of the main switch of the standby flyback converter. When the standby flyback converter is turned on, VDS_flyback alterantes between zero and its peak value. In order to present the sequence clearly, the time division of the waveforms is set to 500 ms/div. Because the switching period of the standby converter is much shorter than the division, VDS_flyback occupies the black area in the figure when the standby converter is turned on. Negative DC/DC ON represents the control signal for Vout_main provided by the server system. Note that the signal is active and low, so that the LOW signal means that the server system commands the DC/DC converter to be turned on, and the HIGH signal means the system commands the DC/DC converter to be turned to OFF. Generally, one or two seconds are enough for the building/collapsing time after the DC/DC controlling signal is applied, although the time depends on the power supply vendor. As shown in Figure 10a, after DC/DC OFF becomes low, the DC/DC converter is turned on and Vout_main increases. After Vout_main is regulated, the STBVAR signal becomes low to turn off the standby converter. Figure 10b,c shows the waveforms for Vaux, VCCP, ipri, and iaux in a full load condition after the standby converter is turned off. VCCP is provided by Naux as shown in Figure 10b. Naux provides 14 V of Vccp so that the primary controllers can operate with 12 V input voltage, following a linear regulator. In the proposed structure, as shown in Figure 10c, ipri of the PSFB converter is almost the same as that of the conventional one as mentioned before. Therefore, it can be noted that the proposed structure does not affect the efficiency of the PSFB converter.
Figure 11a illlustrates the experimental waveforms in the DC/DC OFF case. When the DC/DC OFF signal is applied, the STBVAR signal is enabled and the standby converter wakes up to provide Vout_STB, and then the PSFB converter is turned off and Vout_main is zero while Vout_STB is adequately provided.
Figure 11b shows the waveforms during the hold-up time. After AC loss occurs, Vlink decreases and the STBVAR signal becomes high to turn on the standby converter. The standby converter is turned on before Vout_main decreases, so that Vout_STB can be stable during the full load transition.
Figure 12a,b shows the measured loss from the standby converter with the conventional structure (only the ORing diode has been implemented) and the efficiency of the proposed structure, respectively. From Figure 12a, it can be noted that the standby converter produces about 1.5 W of losses in entire load conditions. Furthermore, due to the cross regulation problem of the flyback converter, the losses from the standby stage are larger than 1.5 W. The standby converter is designed to have the boundary between the continuous conduction mode (CCM) and the discontinuous conduction mode (DCM) near 60% load condition. In a higher than 70% load condition, the flyback converter operates in continuous conduction mode (CCM). The flyback converter in DCM operation operates with valley switching. On the other hand, the flyback converter in CCM operates with full hard switching. Since the standby converter has higher switching loss in CCM operation, the standby converter has larger losses in a higher than 70% load condition. In the proposed structure, since the PSFB converter provides all outputs of the standby flyback converter with much higher efficiency, the system efficiency increases in the entire load condition, as shown in Figure 12b. It should be noted that the efficiency is improved in entire load conditions, and the efficiency improvement is larger than the losses from the standby converter, since the proposed structure also reduced the losses from the linear regulator on the primary side.
Table 1 represents the comparison of loss components between the proposed work and the previous works in normal mode operation. As shown in the table, it can be noted that the previous works [15,16,17] have a switch, transformer, and rectifier diode as the loss components related to Vout_STB in normal mode operation. On the other hand, the proposed structure has only two merge diodes (Da, Dm) as the loss components in normal mode operation, because the standby converter is in the off-state by STBvar. That is, the losses in the previous works have not occurred in the proposed standby structure. Therefore, it can be said that the proposed structure can achieve a higher efficiency compared to the previous works.

4. Conclusions

In this paper, a new structure to eliminate the losses from the standby converter is proposed for a server power supply. By using a simple multi-output structure, the losses of the standby flyback converter are completely eliminated by disabling it in normal mode. The proposed structure is powerful in that it uses a small number of additional components and can be implemented with a simple control scheme, without changing the normal operation of the PSFB converter, such as the zero-voltage-switching (ZVS) mechanism and the primary side currents. Therefore, the proposed structure is simple and effective for improving the efficiency of a server power system.

Acknowledgments

This research was supported by Basic Science Research Program through the National Research Foundation of Korea (NRF) funded by the Ministry of Science, Information and Communications Technologies (ICT) & Future Planning (2015R1C1A1A01051992).

Author Contributions

Jong-Woo Kim and Il-Oun Lee defined the overall outline of the study and performed the numerical analysis, analyzed the data, and Jong-Woo Kim drafted the paper. Il-Oun Lee designed and Jong-Woo Kim performed the experiments; Gun-Woo Moon performed the analysis on the results in the experiments and Jong-Woo Kim and Il-Oun Lee finalized the paper.

Conflicts of Interest

The authors declare no conflict of interest.

Nomenclature

VacAC voltage
VlinkDC-link voltage or input voltage of DC/DC converter in a server power system
Vout_mainOutput voltage of DC/DC converter in a server power system
Vout_STBStandby output in standby flyback converter
VCCPUnregulated supply voltage for primary side controllers
V12PRegulated supply voltage for primary side controllers
VauxVoltage across additional auxiliary winding (Naux) of the transformer in DC/DC(PSFB) converter
VDS_flybackDrain-to-source voltage of the main switch(Qflyback) in the standby(flyback) converter
QDC/DCSwitches in DC/DC converter or Q1-Q4 in Figure 3
QPFCSwitch in boost power-factor-corrector(PFC) in a server power system
QflybackMain switch in standby(flyback) converter
QaAdditional transistor in the feedback circuit for the proposed standby structure
SR1, SR2Switches for synchronous rectifier in DC/DC(PSFB) converter
DaORing diode for the connection between VCCP and Vaux
DmDiode for the connection between Vout_STB and Vout_main
DAdditional diode in the feedback circuit for the proposed standby structure
NpPrimary windings of the transformer in DC/DC(PSFB) converter
Ns1, Ns2Secondary windings of the transformer in DC/DC(PSFB) converter
NauxAdditional auxiliary winding of the transformer in DC/DC(PSFB) converter
RparParasitic resistance of Naux
RAdditional resistor in the feedback circuit for the proposed standby structure
R1, R2Resistors in the feedback circuit for the standby converter
LlkgLeakage inductance of the transformer in DC/DC(PSFB) converter
iauxCurrent flowing through Naux
IconCurrent required in the primary side controllers
Iaux_peak_appPeak current in iaux
ipri, ilkgCurrent flowing through Np in DC/DC(PSFB) converter.
DeffEffective duty-cycle in DC/DC(PSFB) converter
DC/DC ONSignal for on or off control in DC/DC converter, active low signal
STBVARSignal for on or off control in standby converter, active high signal

References

  1. 80Plus Program. Available online: http://www.plugloadsolutions.com (accessed on 10 July 2017).
  2. Climate Savers Computing Initiative (CSCI). Available online: http://www.climatesaverscomputing.org (accessed on 10 July 2017).
  3. Jang, Y.; Jovanovic, M.M. Light-load efficiency optimization method. IEEE Trans. Power Electron. 2010, 25, 67–74. [Google Scholar] [CrossRef]
  4. Cho, I.-H.; Cho, K.-M.; Kim, J.-W.; Moon, G.-W. A new phase-shifted full-bridge converter with maximum duty operation for server power system. IEEE Trans. Power Electron. 2011, 26, 3491–3500. [Google Scholar] [CrossRef]
  5. Kim, D.-Y.; Kim, C.-E.; Moon, G.-W. Variable delay time method in phase-shifted full-bridge converter for reduced power consumption under light load conditions. IEEE Trans. Power Electron. 2013, 28, 5120–5127. [Google Scholar] [CrossRef]
  6. Lee, W.-J.; Kim, C.-E.; Moon, G.-W.; Han, S.-K. A new phase-shifted full-bridge converter with voltage-doubler-type rectifier for high-efficiency PDP sustaining power module. IEEE Trans. Ind. Electron. 2008, 55, 2450–2458. [Google Scholar]
  7. Lee, I.-O.; Moon, G.-W. Analysis and design of phase-shifted dual h-bridge converter with a wide ZVS range and reduced output filter. IEEE Trans. Ind. Electron. 2013, 60, 4415–4426. [Google Scholar] [CrossRef]
  8. Kim, J.-W.; Kim, D.-Y.; Kim, C.-E.; Moon, G.-W. A simple switching control technique for improving light load efficiency in a phase-shifted full-bridge converter with a server power system. IEEE Trans. Power Electron. 2014, 29, 1562–1566. [Google Scholar] [CrossRef]
  9. Chen, B.-Y.; Lai, Y.-S. Switching control technique of phase-shift-controlled full-bridge converter to improve efficiency under light-load and standby conditions without additional auxiliary components. Trans. Power Electron. 2010, 25, 1001–1012. [Google Scholar] [CrossRef]
  10. Pahlevaninezhad, M.; Eren, S.; Jain, P.; Bakhshai, A. Self-sustained oscillating control technique for current-driven full-bridge DC/DC converter. Trans. Power Electron. 2013, 28, 5293–5310. [Google Scholar] [CrossRef]
  11. Gu, B.; Lin, C.-Y.; Dominic, J.; Lai, J.-S. Zero-voltage-switching PWM resonant full-bridge converter with minimized circulating losses and minimal voltage stresses of bridge rectifiers for electric vehicle battery chragers. Trans. Power Electron. 2013, 28, 4657–4667. [Google Scholar] [CrossRef]
  12. Kouro, S.; Perez, M.; Robles, H.; Rodriguez, J. Switching loss analysis of modulation methods used in cascaded h-bridge multilevel converters. In Proceedings of the IEEE Power Electronics Specialists Conference, Rhodes, Greece, 15–19 June 2008; pp. 4662–4668. [Google Scholar]
  13. Chen, B.Y.; Lai, Y.S. Novel dual mode operation of phase-shifted full bridge converter to improve efficiency under light load condition. In Proceedings of the IEEE Energy Conversion Congress and Exposition, San Jose, CA, USA, 20–24 September 2009; pp. 1367–1374. [Google Scholar]
  14. Lee, C.W.; Leu, C.S. A novel soft-switching full-bridge converter. In Proceedings of the Power Electronics and Drive Systems, Taipei, Taiwan, 2–5 November 2009; pp. 993–996. [Google Scholar]
  15. Cho, S.-Y.; Lee, I.-O.; Kim, J.-K.; Moon, G.-W. A new standby structure based on a forward converter integrated with a phase-shift full-bridge converter for server power supplies. IEEE Trans. Power Electron. 2013, 28, 336–346. [Google Scholar] [CrossRef]
  16. Jang, Y.; Dillman, D.L.; Jovanovic, M.M. A new soft-switched PFC boost rectifier with integrated Flyback converter for stand-by power. IEEE Trans. Power Electron. 2006, 21, 66–72. [Google Scholar] [CrossRef]
  17. Kim, J.-K.; Choi, S.-W.; Kim, C.-E.; Moon, G.-W. A new standby structure using multi-output full-bridge converter integrating Flyback converter. IEEE Trans. Ind. Electron. 2011, 58, 4763–4767. [Google Scholar] [CrossRef]
  18. Kim, E.; Chung, B.; Jang, S.; Choi, M.; Kye, M. A study of novel Flyback converter with very low power consumption at the standby operating mode. In Proceedings of the 2010 Twenty-Fifth Annual IEEE, Applied Power Electronics Conference and Exposition (APEC), Palm Springs, CA, USA, 21–25 February 2010; pp. 1833–1837. [Google Scholar]
  19. Kim, J.-W.; Kim, D.-Y.; Kim, C.-E.; Kim, J.-H.; Moon, G.-W. Disabling Stadnby converter with phase-shifted full-bridge converter in server power supplies. In Proceedings of the ECCE Asia Downunder (ECCE Asia), Melbourne, Australia, 3–6 June 2013; pp. 1005–1008. [Google Scholar]
  20. 255W 80 Plus Platinum PC Power Supply Using HiperPFSTM-2 PFS7328H and HiperLCSTM LCS703HG. Available online: https://ac-dc.power.com/sites/default/files/PDFFiles/der385.pdf (access on 10 July 2017).
Figure 1. Operating modes of a server power system with conventional structure in (a) standby mode and (b) normal mode. PFC, power-factor-corrector; DC, direct current.
Figure 1. Operating modes of a server power system with conventional structure in (a) standby mode and (b) normal mode. PFC, power-factor-corrector; DC, direct current.
Energies 10 00981 g001
Figure 2. Simplified schematic of the standby flyback converter and controllers.
Figure 2. Simplified schematic of the standby flyback converter and controllers.
Energies 10 00981 g002
Figure 3. Schematics of (a) the proposed structure and (b) operation in normal mode.
Figure 3. Schematics of (a) the proposed structure and (b) operation in normal mode.
Energies 10 00981 g003
Figure 4. (a) Simplified equivalent circuit for Vccp; (b) key waveforms of the proposed structure in normal mode.
Figure 4. (a) Simplified equivalent circuit for Vccp; (b) key waveforms of the proposed structure in normal mode.
Energies 10 00981 g004
Figure 5. Feedback circuit of the standby converter for the proposed structure.
Figure 5. Feedback circuit of the standby converter for the proposed structure.
Energies 10 00981 g005
Figure 6. Disabling sequence for the standby flyback converter in normal mode.
Figure 6. Disabling sequence for the standby flyback converter in normal mode.
Energies 10 00981 g006
Figure 7. Enabling sequence for the standby flyback converter in shutdown cases (a) DC/DC OFF; (b) hold-up time. AC, alternating current.
Figure 7. Enabling sequence for the standby flyback converter in shutdown cases (a) DC/DC OFF; (b) hold-up time. AC, alternating current.
Energies 10 00981 g007
Figure 8. Flowchart for STBVAR.
Figure 8. Flowchart for STBVAR.
Energies 10 00981 g008
Figure 9. Implementation of the proposed structure (a) the auxiliary turn in main transformer; (b) ORing diode.
Figure 9. Implementation of the proposed structure (a) the auxiliary turn in main transformer; (b) ORing diode.
Energies 10 00981 g009
Figure 10. Experimental waveforms of the proposed structure at full load condition (a) disabling the standby flyback converter; (b) Vaux and Vccp; (c) ilkg and iaux in normal mode.
Figure 10. Experimental waveforms of the proposed structure at full load condition (a) disabling the standby flyback converter; (b) Vaux and Vccp; (c) ilkg and iaux in normal mode.
Energies 10 00981 g010
Figure 11. Experimental waveforms during shutdown transition at full load condition (a) DC/DC off; (b) hold-up time transition.
Figure 11. Experimental waveforms during shutdown transition at full load condition (a) DC/DC off; (b) hold-up time transition.
Energies 10 00981 g011
Figure 12. (a) Measured loss from the standby converter with conventional structure (ORing diode [20]) and (b) efficiency of the proposed structure (Vlink = 400 V).
Figure 12. (a) Measured loss from the standby converter with conventional structure (ORing diode [20]) and (b) efficiency of the proposed structure (Vlink = 400 V).
Energies 10 00981 g012
Table 1. Comparison of loss components in normal mode operation.
Table 1. Comparison of loss components in normal mode operation.
Items[15][16][17]Proposed Work
Loss components related to Vout_STB in a normal modeA main switchA main switchAn additional switchTwo merge diodes (Da, Dm)
A transformerA transformerA transformer
Rectifier diodesRectifier diodesRectifier diodes

Share and Cite

MDPI and ACS Style

Kim, J.-W.; Moon, G.-W.; Lee, I.-O. Standby-Loss Elimination in Server Power Supply. Energies 2017, 10, 981. https://doi.org/10.3390/en10070981

AMA Style

Kim J-W, Moon G-W, Lee I-O. Standby-Loss Elimination in Server Power Supply. Energies. 2017; 10(7):981. https://doi.org/10.3390/en10070981

Chicago/Turabian Style

Kim, Jong-Woo, Gun-Woo Moon, and Il-Oun Lee. 2017. "Standby-Loss Elimination in Server Power Supply" Energies 10, no. 7: 981. https://doi.org/10.3390/en10070981

APA Style

Kim, J.-W., Moon, G.-W., & Lee, I.-O. (2017). Standby-Loss Elimination in Server Power Supply. Energies, 10(7), 981. https://doi.org/10.3390/en10070981

Note that from the first issue of 2016, this journal uses article numbers instead of page numbers. See further details here.

Article Metrics

Back to TopTop