Next Article in Journal
Site-Dependent Environmental Impacts of Industrial Hydrogen Production by Alkaline Water Electrolysis
Previous Article in Journal
Review of Reactive Power Dispatch Strategies for Loss Minimization in a DFIG-based Wind Farm
 
 
Font Type:
Arial Georgia Verdana
Font Size:
Aa Aa Aa
Line Spacing:
Column Width:
Background:
Article

A Chaotic Improved Artificial Bee Colony for Parameter Estimation of Photovoltaic Cells

by
Diego Oliva
1,2,3,*,
Ahmed A. Ewees
3,4,
Mohamed Abd El Aziz
3,5,6,
Aboul Ella Hassanien
3,7 and
Marco Peréz-Cisneros
1
1
Departamento de Ciencias Computacionales, Universidad de Guadalajara, CUCEI. Av. Revolución 1500, Guadalajara, 44430 Jalisco, Mexico
2
Institute of Cybernetics, Tomsk Polytechnic University, 634050 Tomsk, Russia
3
Scientific Research Group in Egypt (SRGE), Cairo 12613, Egypt
4
Department of Computer, Damietta University, Damietta 34517, Egypt
5
School of Computer Science and Technology, Wuhan University of Technology, Wuhan 430070, China
6
Department of Mathematics, Faculty of Science, Zagazig University, Zagazig 44519, Egypt
7
Faculty of Computers Information, Cairo University, Cairo 12637, Egypt
*
Author to whom correspondence should be addressed.
Energies 2017, 10(7), 865; https://doi.org/10.3390/en10070865
Submission received: 9 May 2017 / Revised: 23 June 2017 / Accepted: 24 June 2017 / Published: 28 June 2017

Abstract

:
The search for new energy resources is a crucial task nowadays. Research on the use of solar energy is growing every year. The aim is the design of devices that can produce a considerable amount of energy using the Sun’s radiation. The modeling of solar cells (SCs) is based on the estimation of the intrinsic parameters of electrical circuits that simulate their behavior based on the current vs. voltage characteristics. The problem of SC design is defined by highly nonlinear and multimodal objective functions. Most of the algorithms proposed to find the best solutions become trapped into local solutions. This paper introduces the Chaotic Improved Artificial Bee Colony (CIABC) algorithm for the estimation of SC parameters. It combines the use of chaotic maps instead random variables with the search capabilities of the Artificial Bee Colony approach. CIABC has also been modified to avoid the generation of new random solutions, preserving the information of previous iterations. In comparison with similar optimization methods, CIABC is able to find the global solution of complex and multimodal objective functions. Experimental results and comparisons prove that the proposed technique can design SCs, even with the presence of noise.

1. Introduction

The world is constantly changing, and societies demand energy to continue growing and living. New resources are necessary in order to avoid an energetic crisis. This fact is particularly true since fossil fuels have been overexploited for decades. In this sense, it is a need to find and explore new energy sources that can maintain a balance between price and cleanness. Solar energy (also called photovoltaic (PV) energy (PVE)) has attracted the attention of the scientific community because it is present all over the world. PV modules are applied to transform solar radiation into electrical energy, and in the last decades, the use of such modules has increased based on the features of PVE. The main advantages of using PVE instead other sources are that it is emission-free, available all over the world and easy to install [1]. However, since PVE use is focused on domestic purposes, the installation cost is expensive and also the cost of maintenance is higher. These situations occur primarily because the technology is not completely developed. Another cause is the outdoors environment that directly affects the solar modules making necessary their frequent replacement [2]. In the same context, the efficiency of photovoltaic modules (or PV cells) depends on environmental factors such as temperature or radiation that cannot be controlled [3,4,5]. This situation can be solved by including energy storage systems that increase the cost of the PV system.
Based on the drawbacks described above it is necessary to generate new alternative methods that help to increase the use of PVE. For example, to improve the performance of SCs requires an accurate method for design and modeling them. This situation has attracted the attention of researchers that are looking for new approaches that contribute to the design of efficient PV modules. This task is not trivial, but it is helpful for modeling, testing, control and simulation of PV systems [6,7,8,9].
The design process of SCs requires the definition of a relationship between the current (I) and voltage (V) considering the internal parameters of the cells. A mathematical model is then used to generate a representation of the elements that conforms this device, in practical terms, here is simulated the desired output of current vs. voltage (I–V). In the related literature, two approaches are used for to generate this output, (1) the single diode (SD) model and (2) the double diode (DD) model. Such methods involve electrical circuits that define the PV modules. The SD has five parameters, and the DD has seven parameters [1], their values are unknown, and their proper calibration defines the performance of the SC. In this context, it is necessary to estimate the diode saturation current, the series resistance, and the diode ideality factor for both circuits. Considering this fact, the biggest problem could be summarized as developing a mechanism able to find the best configuration of the parameters that approximate the results to the experimental data from the real SC [1].
The identification of the best parameter of PV cells can be formulated as an optimization problem. Considering the Root Mean Squared Error (RMSE) as an objective function is possible to define an algorithm to search the optimal values for the SD or DD model. The aim of using RMSE is to reduce the difference between the output of the mathematical model and an experimental dataset. It is important to notice that the experimental data is commonly obtained from measurements that involve imprecision that is reflected as noise. As a result, the optimization problem is established in a multimodal search space that contains several suboptimal solutions increasing its complexity [10,11]. To affront the problems of solar cells design, the use of classical deterministic methodologies has been proposed. Some of the most important approaches are:
  • The least squares (Newton-based approach) [12],
  • The Lambert W-functions [13],
  • The iterative curve fitting [14].
Moreover, other interesting approaches like the one proposed in [15] consider the diode models as dynamic systems to estimate the best values. The use of this kind of methods implies some drawbacks, for example, the application of differentiability and convexity [16]. Moreover, the initialization of the candidate solutions affects their convergence, and they can be trapped in suboptimal solutions [16].
On the other hand, stochastic techniques are a good alternative to overcome the disadvantages that the deterministic methods present. Heuristic and metaheuristic algorithms are part of stochastic approaches. They are robust techniques able to explore complex search spaces and accurately find the best solutions considering simple initial conditions [1,17,18]. Some examples of these algorithms applied to modelling SCs are the following:
  • Particle Swarm Optimization (PSO) [19,20],
  • Artificial Bee Colony (ABC) [21],
  • Harmony Search (HS) [1],
  • Bacterial Foraging Algorithm (BFA) [22],
  • Simplified Teaching-Learning Based Optimization (STBLO) [23],
  • Cat Swarm Optimization (CSO) [2].
These algorithms are a good alternative to finding the best parameter configuration of SC diode models. However, based on the No-Free-Lunch (NFL) theorem a single metaheuristic algorithm cannot be used to solve all the optimization problems [24]. In other words, depending on the complexity of the search space, the search techniques could fall into local optima. This fact affects the performance and convergence in the iterative process. However, even with these limits, metaheuristic approaches have higher probabilities of obtaining a global solution in the SC design in comparison to deterministic methods.
The Artificial Bee Colony (ABC) is a metaheuristic algorithm that mimics the behavior of honey bees [25]. Different studies about the performance of the ABC algorithm show that it is able to obtain optimal solutions to various real-life problems [26,27,28,29,30]. The main advantage of ABC is the absence of a local search strategy in the iterative process. Under the ABC perspective, there exist food source positions, nectar amount and different kinds of honeybees. The food sources are positions in the search space; each food source has a nectar amount value that determines its quality. The nectar amount is defined by the fitness function. ABC employs three different operators that are capable of avoiding local optimal values in complex problems. Each operator represents one of the various kinds of bees that are used on the ABC. They are the worker bees, the onlooker bees, and the scout bees. The bees represent the entire optimization process that involves the exploration and exploitation of the search space. However, like other similar approaches, ABC has some parameters that must be carefully defined to obtain a good performance [31]. The main three parameters of ABC are the number of food sources, the limit value to determine the abandoned solutions and the number of foraging cycles. Such parameters are not random values, and they are selected depending on the implementation and problem. Considering this fact, the correct setting of these parameters is a complex task that is performed by the designer. In addition, the ABC applies the exploitation process in its search space by using onlookers and worker bees. The onlooker bee phase starts after finishing the worker bee phase depending on a probability value. In this context, the exploitation process is performed depending on this value, and it changes in each foraging cycle. In our study, we found that the selection of the probability value is a challenge and should be done carefully. Therefore, this paper uses a chaotic map to control this value.
On the other hand, non-linear dynamic systems define chaos as the behavior of a complex system, where small changes in the starting conditions can lead to very significant changes over time. Such changes can be random and unpredictable. The properties of chaotic systems have been applied to several optimization techniques to improve the accuracy of the optimization algorithm or to escape from local minima. The use of chaos instead random signals in metaheuristics considerably improve their performance [32]. In most of the cases the chaotic versions of these optimization methods, increase the diversity of the solution and the capability to avoid local solutions in the search space.
This paper introduces the Chaotic Improved Artificial Bee Colony (CIABC) for the problem of solar cell design. In this context this article has two main goals, (1) generate an enhanced version of the ABC (CIABC); (2) apply CIABC for the parameter estimation of solar cells and photovoltaic modules. The standard ABC has been previously used for parameter estimation of SC [21]. However, considering that SC modeling is a complex optimization problem and according to the NFL. The use of ABC does not represent the most accurate solution. CIABC employs chaotic maps instead of the random values on the onlooker bee step of the optimization process. Moreover, another improvement is introduced in the scout bee phase. It permits the use of the best solution so far to generate new elements of the population, instead of the use of random values. Based on such modifications the CIABC perseveres the information of the best option at each iteration and also enhance its performance converge using chaos. In this sense, the aim of this paper is to present an alternative improved method that accurately estimates the parameters that define the output of SC and photovoltaic (PV) panels. In this implementation, a selected dataset of measurements and the CIABC is applied over the diode models to minimize the Root Mean Squared Error (RMSE) [33,34]. The RMSE is the fitness function, and for this problem, it determines if the values of the SC or the PV panels designed by CIABC is close to the values from the dataset.
For experimental purposes two datasets are used in this paper. The first one is for single SC, and it was extracted for the datasheet provided by the manufacturer. The second dataset corresponds to experimental information extracted from real PV modules [35]. The aim of using two information sources is to provide evidence of the capabilities of the CIABC for benchmark and real data. In addition, the use of the second dataset provides evidence that the proposed algorithm can work with models that include a different amount of diodes. The property of the standard ABC to work with multi-dimensional search spaces is also contained in the CIABC. An increment on the number of diodes in the model is reflected in the number of dimensions of the optimization problem. On the other hand, to show the proficiency of the CIABC, several experiments are performed and comparisons with similar algorithms selected from the state-of-the-art. Some statistical comparisons have also been conducted in order to verify the efficacy of the improvements included in the ABC. In addition, the computational effort of the CIABC is compared with the standard version of ABC. Experimental evidence indicates that CIABC is practically immune to the sensitivity generated by noisy conditions and it has a high performance regarding accuracy, robustness and preserving low computational requirements.
The remainder of the paper is organized as follows: Section 2 describes the Preliminaries, and the problem of solar cell modeling, the standard ABC, and the chaotic map concept are introduced. In Section 3 the proposed chaotic improved ABC is introduced. Section 4 discusses the results of the proposed algorithm. The conclusions and the future works are examined in Section 5.

2. Preliminaries

2.1. Photovoltaic Models

In the process of solar cell design, it is crucial to define a mathematical model that is used to estimate the internal parameters of the SC. Commonly electronic circuits help to set this model; in this sense, the single diode (SD) and double diode (DD) method are widely employed for describe SCs [36]. This section introduces both SD and DD that are also adapted to be considered as an optimization problem.

2.1.1. Single Diode Model

The single diode model is presented in Figure 1. The equivalent circuit contains one diode that shunts the photo-generated current source I ph . This diode is configured as a rectifier and to model its non-physical ideality; the SD model considers an extra parameter [1,17,37]. The SD is commonly used in the related literature for PV modeling. This circuit is very easy to implement and has only five parameters to estimate.
From Figure 1, the current of the solar cell is obtained using Equation (1):
I t = I ph I sd I sh ,
In Equation (1), I t is the terminal current, I ph the photo-generated current, I sd is the diode current. Meanwhile I sh is the shunt resistor current. To obtain a more accurate model of the PV cells, it is used the Shockley diode equation. Therefore Equation (1) is rewritten as shown in Equation (2):
I t = I ph I sd [ exp ( q ( V t + R s I t ) n k T ) 1 ] V t + R s I t R sh
The internal parameters of the diode are included in Equation (2), where I sd is the diode saturation current. V t is the terminal voltage whereas the series and shunt resistances are represented by R s and R sh respectively. n is a non-physical ideality factor. Some parameters are also considered for the Shockley diode equation, some of them are constants extensively used in semiconductors physics. The magnitude of charge on an electron q = 1.602 × 10 19 C (coulombs), the Boltzmann constant k = 1.380 × 10 23 ( J / ° K ) and T that is the cell temperature ( ° K ). In Equation (2), the parameters to be estimated are R s ,   R sh ,   I ph ,   I sd ,   and   n . The estimation or identification of such values is reflected in the performance of SC, for that reason, this task is critical in PV systems.

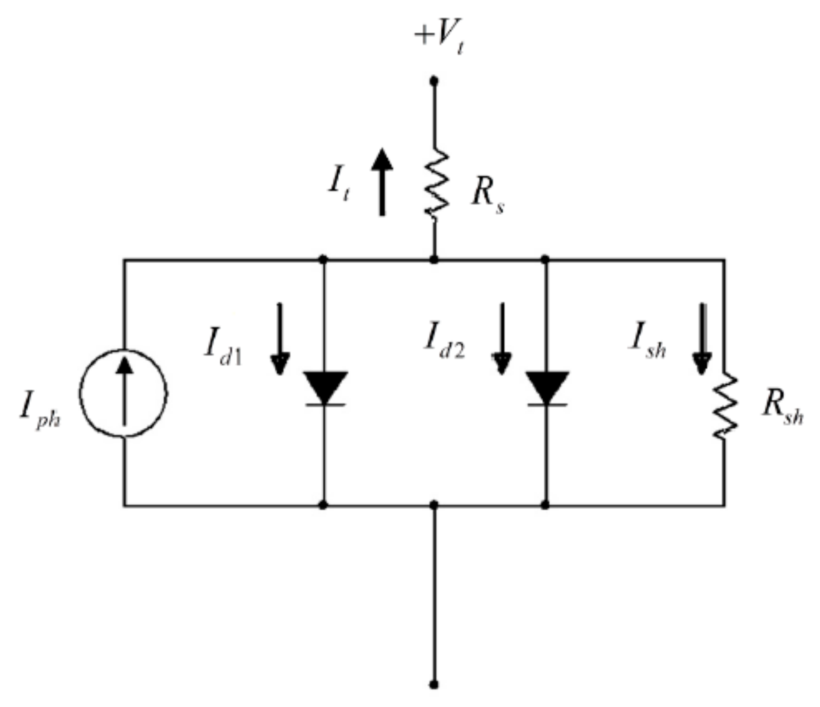
2.1.2. Double Diode Model

Considering the double diode (DD) model equivalent circuit presented in Figure 2, the two diodes are used to shunt the photo-generated current source I ph . The first diode is configured as a rectifier. Meanwhile, the second diode represents the recombination current and other non-idealities of PV cells [1].
From Figure 2, the current of the solar cell is obtained using a modified version of Equation (1), defined as follows:
I t = I ph I d 1 I d 2 I sh ,
The parameters of Equation (3) are similar to Equation (1), the main difference is that I d 1 and I d 2 correspond to the first and second diode currents, respectively. In Equation (4) an accurate approximation of the DD obtained using the Shockley diode equation to include the internal parameter of the diode is presented:
I t = I ph I sd 1 [ exp ( q ( V t + R s I t ) n 1 k T ) 1 ] I sd 2 [ exp ( q ( V t + R s I t ) n 2 k T ) 1 ] V t + R s I t R sh ,
where I sd 1 and I sd 2 are the diffusion and saturation current, respectively. Meanwhile, the diffusion and recombination diode ideality factors are represented using n 1 and n 2 . The rest of the parameters have the same definition as in Equation (2). In this context, in the DD model, seven unknown parameters should be properly estimated, such elements are R s , R sh , I ph , I sd 1 , I sd 2 , n 1 and n 2 .
On the other hand, Table 1 shows the ranges of SD and DD parameters. The values of I sd 1 and I sd 2 in the DD are the same that I sd in the SD model. This situation also occurs for the intrinsic diode parameters. In this paper, the values of Table 1 are selected due that they are extensively used in the related literature [13,38,39,40]. However, a good definition of the limits of each variable is desired in order to obtain a solution with real physical meaning [41]. Laudani et al. proposed an interesting analysis of the maximum and minimum values that have a physical meaning [41]. However, since the aim of this paper is to address the parameter estimation as an optimization problem, the values of Table 1 possess some tolerances that permit us to create a feasible search space.

2.2. Solar Cells Design as an Optimization Problem

In the mathematical definition of both the SD and DD circuits described previously, there exist a different number of parameters that should be estimated. Using Equations (2) and (4) is possible to define an objective function that measures the quality of the estimated set of parameters (candidate solution). This equation defines if a set of parameters produce an accurate approximation between the output of the model and the measurements from the real SC. The error function for SD has then defined as:
f SD ( V t , I t , x ) = I t x 3 + x 4 [ exp ( q ( V t + x 1 I t ) x 5 k T ) 1 ] + V t + x 1 I t x 2
and for the DD model we have:
f DD ( V t , I t , x ) = I t x 3 + x 4 [ exp ( q ( V t + x 1 I t ) x 6 k T ) 1 ] + x 5 [ exp ( q ( V t + x 1 I t ) x 7 k T ) 1 ] + V t + x 1 I t x 2 ,
From Equations (5) and (6) the values of V t and I t are measurements from the real CS, meanwhile, x is a vector with the parameters of the model, and it is defined as: x = [ R s ,   R sh ,   I ph ,   I sd , n ] for the single diode circuit and x = [ R s ,   R sh ,   I ph ,   I sd 1 ,   I sd 2 ,   n 1 ,   n 2 ] for the double diode circuit. The terms f SD and f DD are used to evaluate the grade of similarity of the current values computed using the estimated parameters (x) and a model with the real values defined by I t . The optimization process defined for this problem requires the minimization of the difference between the output that is modified at each iteration the values estimated by x. In this context using a dataset of N E elements, the selected objective function is the Root Mean Square Error (RMSE), and it is defined in Equation (7):
RMSE ( x ) = 1 N c = 1 N E ( f M c ( V t c , I t c , x ) ) 2 ,
From Equation (7), M is used to select the model DD o SD. The dataset used in the estimation could be extracted from a commercial PV cell provided by the manufactured in a datasheet or generated by experimental measurements. Here is important to mention that in most of the cases, the data is not accurate and contains a certain degree of noise. Such imprecisions are reflected in the search space where the parameters and the objective function are defined. The affectations are multi-modality and noisy features that also implies bad performance for the used search strategies [10,11,42].

2.3. Standard Artificial Bee Colony

The Artificial Bee Colony (ABC) is a swarm intelligence metaheuristic algorithm inspired by foraging behavior of real honey bees’ colony in nature; it was firstly proposed by Karaboga in 2005 [25]. This algorithm contains three groups of bees; the first one is the worker bees. This kind of bees searches for new sources of food around other food locations in their memory. The information about this process is passed to a second group that includes the onlooker bees. The bees of this group are used to select a food source depending on the information provided by the first group. The third consists of scout bees which randomly search for a food source. The entire process of the standard ABC is described step by step in Algorithm 1, and an explanation of its operators is also provided in this subsection.
Algorithm 1: Standard ABC
1. Define the max iteration, bounds, number of bees, dimension, and trial limit values.
2. Generate the population randomly and evaluate it.
3. C = 0.
4. While c < max iteration do
5. Generate new solutions for the worker bees by using Equation (8).
6. Evaluate worker bees, then perform the greedy selection.
7. Compute the probability values by Equation (9).
8. t = 0, and compute the probability
9. While t<number of onlooker bees
10. If probability of food source > rand value
11. Generate new solutions for the onlooker bees and evaluate them.
12. Perform the greedy selection process for the onlookers.
13. t = t + 1;
14. End IF
15. End While
16. In the scout bee phase, determine the abandoned solution, and generate a new one randomly.
17. Update the best solution obtained.
18. c = c + 1
19. End while
20. Return the best solution.
Firstly, the ABC algorithm creates a random population of N solutions that represents the first group (employed bees) ( x i R d ,   i = 1 , 2 , , N ) . Each new solution vi can be created based on xi as follows [30]:
v ij = x ij + φ ij ( x ij x kj ) ,   k = int ( rand × N ) ,   j = 1 , , d
where x k is a neighbor employed bee of x i , φ ij [ 1 , 1 ] and it is generated randomly.
The fitness function value for f ( x i ) and f ( v i ) is calculated for x i and v i respectively; then if f ( x i ) > f ( v i ) the solution x i is cleared from the memory of the first group and v i is added. The fitness function value f ( x i ) which is obtained from the worker bee group is passed to the second group (onlooker bees). Then the roulette wheel selection method is applied to choose the x i that has a higher probability of fitness function P i that is determined as:
P i = f i t i i = 1 N f i t i , f i t i = { 1 1 + f ( x i ) if f ( x i ) > 0 1 + abs ( f ( x i ) ) otherwhise
Each one of the onlooker bees is updating its solution by the same method used by the worker bees. The onlooker bees also check the new solution and old one to determine whether the old solution will be cleared from the memory or not. If there is no improvement in the solutions after a specific number of repetitions, these solutions are rejected; then the scout bee group searching for a new solution to update x j as:
x ij = x j min + ( x j max x j min ) × δ
where x ij is a parameter to be optimized for the i-th worker bee, x j max and x j min are the upper and lower bounds for xij respectively, and δ is a random number. After a new solution x ij is created, then it becomes a worker bee. where x ij is a parameter to be optimized for the i-th worker bee, x j max and x j min are the upper and lower bounds for xij respectively, and δ is a random number. After a new solution x ij is created, then it becomes a worker bee.

2.4. Chaotic Maps

A chaotic map is defined as a method that generates non-repetitive numbers which have some properties such as stochastically intrinsic and showing irregular conduct that is also sensitive to the initial values [43]. The behavior of a non-linear system is changed widely whenever the initial values present a small difference. According to these properties, the population variety can be maintained, improve the performance of determining the global optimum and escape from local optima [44,45]. The chaos can be determined as a discrete-time dynamical system defined as:
c p k + 1 i = f ( c p k i ) ,   i = 1 , 2 , 3 , , t max
where t max is the dimension of the map (the number of iterations in this study). Meanwhile, f ( c p k i ) is the function that generates the chaotic model and it is described using one of the maps presented in Equation (12). Such maps are widely used in the related literature [44,45]. They are many types of chaotic maps such as Sinusoidal, Logistic, Singer or Tent. In this paper, the Tent map is selected, since its performance is better than other maps according to our study and this will be illustrated in Section 4.3. The Tent map is then defined as:
p k + 1 = G ( p k ) , G ( p ) = { p 0.7 , p < 0.7 1 0.3 p ( 1 p ) otherwise

3. Chaotic Improved Artificial Bee Colony

The proposed algorithm Chaotic Improved Artificial Bee Colony (CIABC) is introduced in this section. The improvement of the standard ABC can be explained in two steps defined as follows:
(1)
The use of a chaotic map. The Tent chaotic map is combined with ABC to improve the “onlooker bee” phase, which works to select a food source depending on the information provided by the first group as shown in Equation (9). The Tent map is used instead of the random number which is applied to start this phase. This modification makes ABC inherit the strengths of chaos such as the ergodic and non-repetition properties. This will help in improving the exploitation process as well as reduce the computational time that may occur if the random value is less than the probability for a long time.
(2)
Updating the solution if there is no improvement occurs with the onlooker bee. When the trial counter exceeds the limit of improving the solution in the “onlooker bee” phase, the standard ABC applies Equation (10) to generate a new solution randomly by the “scout bee” group. Whereas, the CIABC uses the best solution obtained so far to update the “scout bee” group’s solution instead of Equation (10), that makes the CIABC searches around the best solution rather than random solutions.
Figure 3 illustrates the entire CIABC sequence. It starts by defining the standard ABC parameters and initializing the population. Also, it generates the matrix of a chaotic map. Then the main cycle of the algorithm starts by dealing with each of worker bees, after that, the probabilities of food sources are calculated. The onlooker bees cycle is started by checking the probability with the chaotic map (CM) value and if it greater than CM the position and fitness values will be updated. Then, if there is no improvement in the solutions after a specific number of repetitions, these solutions are rejected, and scout bee group generates a new solution using the best solution obtained. Finally, this cycle is repeated until the satisfied condition is met.

4. Results and Discussion

This section presents the result obtained after applying the CIABC to the problem of SC design. The experiments performed are divided in two: (1) parameter estimation of a single solar cell using and (2) parameter estimation of PV modules. In order to test the performance of the proposed method, for a single SC, a set of experimental I–V data has been used [21]. Such data is applied to determine the parameter of the photovoltaic model. For experimental purposes is considered a commercial silicon solar cell (from the R.T.C. Company, Paris, France) with a diameter of 57 mm under standard test conditions (STC). For the STC the solar cell (SC) works at 1 Sun (1000 W/m2) with a temperature T = 33 °C.
Under the optimization context, the search domain for the SC parameters according to the related literature [21] is presented in Table 1. On the other hand, Table 3 shows the values of the dataset; it consists of 23 samples that are widely used in several approaches for the design of photovoltaic models [19,21]. The CIABC method is configured using a number of food sources N = 200. Meanwhile, the maximum number of iterations is set to 10,000. The experiments were performed using “Matlab 2014b” under Windows 10, 64 bit on an Intel Core2 Duo CPU with 4 GB RAM.
The results of the CIABC are compared with similar optimization algorithms. These techniques are chaos particle swarm optimization (CPSO) [19], simulated annealing (SA) [37], cat swarm optimization (CSO) [2], simplified teaching-learning based optimization (STLBO) [23], generalize depositional teaching learning-based optimization (GOTLBO) [46], artificial bee swarm optimization [6], harmony search (IGHS) [1], artificial bee colony (ABC) [21] and modified artificial bee colony (MABC) [47].

4.1. Performance Measures

The performance of the proposed modified version of ABC is evaluated using different metrics; they are listed in Table 2 [21].
From Table 2, Itm is the measured value, I te the estimated value, N E = 37 (the number of all experiments). The min ( I te ) and max ( I te ) are the minimum and maximum values (respectively) of I te over N E .

4.2. Experimental Results of CIABC

Table 3 and Table 4, as well as Figure 4 and Figure 5 illustrate the results of the CIABC method in determining the unknown parameters of SC using the single diode (SD) and the double diode (DD) models. Table 3 displays the I te and R err for SD and DD models after estimating the parameters of them, in addition to the original data. Table 4 shows the estimated values of the SD parameters which have been predicted by the CIABC model. These values are also compared with those obtained by the other selected algorithms. Comparisons illustrate that the RMSE value of the CIABC (9.8602 × 10−4) is better than the original ABC and the MABC (9.862 × 10−4 and 9.861 × 10−4 respectively), that indicates the CIABC increased the performance of another version of ABC. Also, the RMSE of CIABC equals the values obtained by STLBO and CSO. In addition, CIABC outperformed all other algorithms; however, the worst value is 0.00139 for CPSO. Moreover, several methods are used to determine the parameters of SD model and it uses does not depend on the swarm. For example, in [48] the authors proposed a method which used the reduced forms. From reference [48], the results of the second case study (since it used the same dataset) that is listed in Table 10 are 1.1388 × 10−2, 8.8437 × 10−4, 8.9605 × 10−3 and 7.7301 × 10−4 for 2.A, 2.B, 2.C and 2.D respectively. By comparing these results with the obtained using CIABC from in Table 4, it can be seen that the CIABC is better than 2.A and 2.C while it is less accurate than two other cases.
Table 5 illustrates the values and the corresponding RMSE obtained for the DD model parameters by the CIABC and eight different algorithms. In this table, the RMSE value of the CIABC (9.8262 × 10−4) is smaller than those obtained by standard ABC and MABC which proves that the CIABC is indeed still better than other ABC versions in both of SD and DD models. In addition, the CIABC obtains the best performance compared with all algorithms except STLBO and CSO which yielded 9.8248 × 10−4 and 9.8252 × 10−4 respectively. Furthermore, in Table 6 the results of several performance metrics are provided to analyze the accuracy of CIABC algorithm for both SD and DD models. These metrics are the mean and the standard deviation (STD) of RMSE values over 40 runs; as well as, the NRMSEMAE, NMAE, MBE and NMBE. These results prove that the CIABC algorithm is consistency and has a high efficiency to determine unknown parameters of SD and DD models.
Furthermore, the convergence performance of CIABC for SD and DD models are illustrated in Figure 4. From this figure can be observed that the CIABC, in both models, has fast convergence; whereby it achieved an optimal value before 2000 iterations. In the same context, the proposed CIABC requires less amount of time to achieve the optimal solutions, for a single run in SD it takes 1300 s and for DD 1500 s. Figure 5 shows the current vs. voltage and power vs. voltage at different five temperatures (33 °C, 50 °C, 75 °C and 100 °C) for the DD and SD models. It demonstrates that when the solutions yielded by CIABC are adopted, both solar cell models can accurately represent the characteristics of the solar cell. It also indicates that CIABC obtained an accurate approximation for I t m . However, the temperatures affect the current values in the CIABC and also in the power values.

4.3. Sensitivity Analysis

In this section the performance of Tent map is explained against different seven chaotic maps such as Chebyshev, Circle, Gauss/mouse, Logistic, Piecewise, Sine and Sinusoidal [49]. Table 7 shows the mean and standard deviation (STD) of the RMSE values obtained using CIABC based on eight chaotic maps. From this table, is possible to conclude that Tent map has the lower mean RMSE (also the STD) compared with other maps. Also, the circle map and Piecewise map is in the second rank for dimension 5 and dimension 7, respectively.

4.4. CIABC on PV Panels

In this experimental section, another two real datasets are used to further investigate the performance of the proposed CIABC approach, where the CIABC is used to identify the parameters of PV panels that namely, a polycrystalline and monocrystalline one [35]. In this experiment, the parameters of SC are modified as R sh = R p and I sh = I p in order to differentiate them from the single cell experiments.
In general, the PV panel contains M solar cells which are interconnected in series, as well as the current of this panel ( I ) equals to I M . Assuming that the same level of photon flux is received by the M cells, then the same current and voltage are generated from these cells [35]. The most of the related literature the SD model is used for each element of the PV panel. According to this fact, to calculate the I of the entire PV panel, the I-V relation introduced in Equation (2) can be written as:
I te = I ph I sd [ exp ( ( V t + M R s I te ) n k T M / q ) 1 ] V t + M R s I te M R sh
Based on the values of the current ( I SC ) (when the cells are short-circuited) and the voltage ( V oc ) (when the cells are open-circuited), the I-V data is computed from each panel. The results of the proposed CIABC method are compared against two other methods called ABC and the results given in [35].

4.4.1. The Polycrystalline PV Panel Description

For the experiments a commercial model STM6-120/36 solar panel manufactured by Schutten Solar (Nanjing, Jiangsu, China) is considered which consists of 36 polycrystalline cells (of size 156 mm × 156 mm) in series form. For this solar panel different measures are taken that represent the real data. This panel is formed by 22 points at a temperature of 55 °C; I SC = 7.48   A , V OC = 19.21   V ,   V M = 14.93   V and I M = 6.83   A . The entire dataset is provided in the second and third columns of Table 8.
On the other hand, Table 8 and Table 9 illustrates the calculated current and the identified parameters of the PV panel. From these tables, it can be observed that the results of [35] are better than the ABC method. However, the proposed CIABC gives the best results. Also, we can find that the proposed method is faster than the other algorithm which takes less time to reach the stable value. In other words, the modification performed over the CIABC does not affect the computational effort of its operators. Moreover, Figure 6 shows the estimated current and power of the three methods (ABC, CIABC, and [35]) and the measured data against the voltage. From this figure, it can be seen that the curve of the proposed CIABC method is the closest curve to the curve of the measurement data.

4.4.2. The Monocrystalline PV Panel Description

In this experiment, another solar panel model which called STM6-40/36 manufactured by Schutten Solar is used [35]. This panel contains 36 monocrystalline cells (with size 38 mm × 128 mm) configured in series. Table 10 shows the data that measured at a temperature of 51 °C, with VM = 16.98 V, ISC = 1.663 A, VOC = 21.02 V, IM = 1.50 A.
Table 10 and Table 11 give the comparison results of the CIABC with the ABC and reference [35] algorithms according to the estimated current with it absolute value for error (|Error|) and the estimated parameters, respectively. From these tables, it can be observed that the CIABC has better values in terms of |Error|, MAE and RMSE. Also, the ABC is better than the results of reference [35]. Also, regarding the time consumption, the CIABC need a smaller amount of time to estimate the parameters than the other algorithms.
The estimated current and the estimated power, at a temperature of 51 °C, are plotted against the voltage as in Figure 7. From this figure, it can be observed that the ABC and CIABC give better results than reference [35].

5. Conclusions

This paper has proposed a new method to solve the photovoltaic cell design problem by estimating the parameters of solar cells. The proposed algorithm is based on improving the Artificial Bee Colony algorithm in two stages. Firstly, the chaotic Tent map is combined with the “onlooker bee” phase instead of the random number which is used to start this phase. This improvement makes ABC inherit the strength of chaos such as the ergodic and non-repetition properties and saves the computational time that may be needed if the random value is less than the probability for a long time. Secondly, instead of generating a random population using the scout bees if no improvement is made, the best solution obtained is used; that makes the ABC searche around the best value rather than random solutions.
The proposed algorithm is tested by using a dataset of experimental values. The CIABC results have been compared with eight different algorithms used in the state of the art; these algorithms are STLBO, GOTLBO, ABC, IGHS, ABSO, SA, CSO and MABC. The performance of the proposed algorithm has been evaluated based on its robustness and accuracy. The results show that the performance of the CIABC algorithm is close to the results of STLBO and CSO for SD and DD models, whereas, it is better than all other algorithms. Moreover, the effects of chaotic Tent map are compared with other different chaotic maps and its performance is better than other maps in both the SD and DD models.
In addition, the proposed CIABC was used to identify the parameters of PV panels based on polycrystalline material, and it gives results better than two other methods. In future work, we will implement other interesting models for solar cells. Also, some other modifications will be introduced, extending the use of this optimization algorithm for renewable energy problems.

Acknowledgments

This work was in part supported by National High-tech R&D Program of China (863 Program) (Grant No. 2015AA015403) and Nature Science Foundation of Hubei Province (Grant No. 2015CFA059).

Author Contributions

All authors contributed equally to this work. Diego Oliva proposed the idea of solving the problem of parameter estimation of solar cells. He developed the code of the objective function and searched for the datasets. He also wrote Section 2 and part of the Introduction. Ahmed A. Ewees proposed the modification in the onlooker phase of the ABC as well as combined the chaotic theory with ABC programmatically. He developed part of the experiments and described the proposed approach and part of the implementation. Mohamed Abd El Aziz, proposed the use of chaos in the ABC, he also helped to implement the objective function for using the dataset number 2. He collaborated in writing the experiments and part of the implementations. Aboul Ella Hassanien, contributed to validate the experiments and wrote a part of the introduction. He also collaborated in checking the technical information of the paper. Marco Peréz Cisneros, assisted with the reviewer comments, especially those related to the physical meaning of the parameters. He collaborated in the introduction modification, validating the results and checking the English style.

Conflicts of Interest

The authors declare no conflict of interest.

References

  1. Askarzadeh, A.; Rezazadeh, A. Parameter identification for solar cell models using harmony search-based algorithms. Sol. Energy 2012, 86, 3241–3249. [Google Scholar] [CrossRef]
  2. Guo, L.; Meng, Z.; Sun, Y.; Wang, L. Parameter identification and sensitivity analysis of solar cell models with cat swarm optimization algorithm. Energy Convers. Manag. 2016, 108, 520–528. [Google Scholar] [CrossRef]
  3. Karaveli, A.B.; Soytas, U.; Akinoglu, B.G. Comparison of large scale solar PV (photovoltaic) and nuclear power plant investments in an emerging market. Energy 2015, 84, 656–665. [Google Scholar] [CrossRef]
  4. Clò, S.; D’Adamo, G. The dark side of the sun: How solar power production affects the market value of solar and gas sources. Energy Econ. 2015, 49, 523–530. [Google Scholar] [CrossRef]
  5. Köberle, A.C.; Gernaat, D.E.H.J.; van Vuuren, D.P. Assessing current and future techno-economic potential of concentrated solar power and photovoltaic electricity generation. Energy 2015, 89, 739–756. [Google Scholar] [CrossRef]
  6. Askarzadeh, A.; Rezazadeh, A. Artificial bee swarm optimization algorithm for parameters identification of solar cell models. Appl. Energy 2013, 102, 943–949. [Google Scholar] [CrossRef]
  7. Farivar, G.; Asaei, B. Photovoltaic module single diode model parameters extraction based on manufacturer datasheet parameters. In Proceedings of the 2010 IEEE International Conference on Power and Energy (PECon), Kuala Lumpur, Malaysia, 29 November–1 December 2010; pp. 929–934. [Google Scholar]
  8. Kim, W.; Choi, W. A novel parameter extraction method for the one-diode solar cell model. Sol. Energy 2010, 84, 1008–1019. [Google Scholar] [CrossRef]
  9. Caracciolo, F.; Dallago, E.; Finarelli, D.G.; Liberale, A.; Merhej, P. Single-variable optimization method for evaluating solar cell and solar module parameters. IEEE J. Photovolt. 2012, 2, 173–180. [Google Scholar] [CrossRef]
  10. Jun-Hua, L.; Ming, L. An analysis on convergence and convergence rate estimate of elitist genetic algorithms in noisy environments. Optik (Stuttg) 2013, 124, 6780–6785. [Google Scholar] [CrossRef]
  11. Pan, H.; Wang, L.; Liu, B. Particle swarm optimization for function optimization in noisy environment. Appl. Math. Comput. 2006, 181, 908–919. [Google Scholar] [CrossRef]
  12. Lim, L.H.I.; Ye, Z.; Ye, J.; Yang, D.; Du, H. A linear identification of diode models from single I–V characteristics of PV panels. IEEE Trans. Ind. Electron. 2015, 62, 4181–4193. [Google Scholar] [CrossRef]
  13. Easwarakhanthan, T.; Bottin, J.; Bouhouch, I.; Boutrit, C. Nonlinear Minimization Algorithm for Determining the Solar Cell Parameters with Microcomputers. Int. J. Sol. Energy 1986, 4, 1–12. [Google Scholar] [CrossRef]
  14. Ortiz-Conde, A.; García Sánchez, F.J.; Muci, J. New method to extract the model parameters of solar cells from the explicit analytic solutions of their illuminated I-V characteristics. Sol. Energy Mater. Sol. Cells 2006, 90, 352–361. [Google Scholar] [CrossRef]
  15. Chan, D.S.H.; Phillips, J.R.; Phang, J.C.H. A comparative study of extraction methods for solar cell model parameters. Solid State Electron. 1986, 29, 329–337. [Google Scholar] [CrossRef]
  16. Appelbaum, J.; Peled, A. Parameters extraction of solar cells—A comparative examination of three methods. Sol. Energy Mater. Sol. Cells 2014, 122, 164–173. [Google Scholar] [CrossRef]
  17. AlRashidi, M.R.; AlHajri, M.F.; El-Naggar, K.M.; Al-Othman, A.K. A new estimation approach for determining the I–V characteristics of solar cells. Sol. Energy 2011, 85, 1543–1550. [Google Scholar] [CrossRef]
  18. Siddiqui, M.U.; Abido, M. Parameter estimation for five- and seven-parameter photovoltaic electrical models using evolutionary algorithms. Appl. Soft Comput. J. 2013, 13, 4608–4621. [Google Scholar] [CrossRef]
  19. Wei, H.; Cong, J.; Lingyun, X. Extracting Solar Cell Model Parameters Based on Chaos Particle Swarm Alogorithm. In Proceedings of the 2011 International Conference on Electric Information and Control Engineering (ICEICE), Wuhan, China, 15–17 April 2011; pp. 398–402. [Google Scholar]
  20. Ye, M.; Wang, X.; Xu, Y. Parameter extraction of solar cells using particle swarm optimization. J. Appl. Phys. 2009, 105. [Google Scholar] [CrossRef]
  21. Oliva, D.; Cuevas, E.; Pajares, G. Parameter identification of solar cells using artificial bee colony optimization. Energy 2014, 72, 93–102. [Google Scholar] [CrossRef]
  22. Rajasekar, N.; Krishna Kumar, N.; Venugopalan, R. Bacterial Foraging Algorithm based solar PV parameter estimation. Sol. Energy 2013, 97, 255–265. [Google Scholar] [CrossRef]
  23. Niu, Q.; Zhang, H.; Li, K. An improved TLBO with elite strategy for parameters identification of PEM fuel cell and solar cell models. Int. J. Hydrog. Energy 2014, 39, 3837–3854. [Google Scholar] [CrossRef]
  24. Wolpert, D.H.; Macready, W.G. No free lunch theorems for optimization. IEEE Trans. Evol. Comput. 1997, 1, 67–82. [Google Scholar] [CrossRef]
  25. Karaboga, D. An Idea Based on Honey Bee Swarm for Numerical Optimization. Tech. Rep. TR06 Comput. Eng. Dep. Eng. Fac. Erciyes Univ. Available online: http://mf.erciyes.edu.tr/abc/pub/tr06_2005.pdf (accessed on 6 October 2005).
  26. Pan, Q.-K.; Tasgetiren, M.F.; Suganthan, P.N.; Chua, T.J. A discrete artificial bee colony algorithm for the lot-streaming flow shop scheduling problem. Inf. Sci. 2011, 181, 2455–2468. [Google Scholar] [CrossRef]
  27. Kang, F.; Li, J.; Xu, Q. Structural inverse analysis by hybrid simplex artificial bee colony algorithms. Comput. Struct. 2009, 87, 861–870. [Google Scholar] [CrossRef]
  28. Zhang, C.; Ouyang, D.; Ning, J. An artificial bee colony approach for clustering. Expert Syst. Appl. 2010, 37, 4761–4767. [Google Scholar] [CrossRef]
  29. Karaboga, D.; Ozturk, C. A novel clustering approach: Artificial Bee Colony (ABC) algorithm. Appl. Soft Comput. J. 2011, 11, 652–657. [Google Scholar] [CrossRef]
  30. Ho, S.L.; Yang, S. An artificial bee colony algorithm for inverse problems. Int. J. Appl. Electromagn. Mech. 2009, 31, 181–192. [Google Scholar] [CrossRef]
  31. Abu-Mouti, F.S.; El-Hawary, M.E. Overview of Artificial Bee Colony (ABC) algorithm and its applications. In Proceedings of the 2012 IEEE International Systems Conference (SysCon), Vancouver, BC, Canada, 19–22 March 2012; pp. 590–595. [Google Scholar] [CrossRef]
  32. Caponetto, R.; Fortuna, L.; Fazzino, S.; Xibilia, M.G. Chaotic sequences to improve the performance of evolutionary algorithms. IEEE Trans. Evol. Comput. 2003, 7, 289–304. [Google Scholar] [CrossRef]
  33. Jordehi, A.R. Parameter estimation of solar photovoltaic (PV) cells: A review. Renew. Sustain. Energy Rev. 2016, 61, 354–371. [Google Scholar] [CrossRef]
  34. Jervase, J.A.; Bourdoucen, H.; Al-Lawati, A. Solar cell parameter extraction using genetic algorithms. Meas. Sci. Technol. 2001, 12, 1922–1925. [Google Scholar] [CrossRef]
  35. Tong, N.T.; Pora, W. A parameter extraction technique exploiting intrinsic properties of solar cells. Appl. Energy 2016, 176, 104–115. [Google Scholar] [CrossRef]
  36. Chegaar, M.; Ouennoughi, Z.; Guechi, F.; Langueur, H. Determination of Solar Cells Parameters under Illuminated Conditions. J. Electron Devices 2003, 2, 17–21. [Google Scholar]
  37. El-Naggar, K.M.; AlRashidi, M.R.; AlHajri, M.F.; Al-Othman, A.K. Simulated Annealing algorithm for photovoltaic parameters identification. Sol. Energy 2012, 86, 266–274. [Google Scholar] [CrossRef]
  38. Niu, Q.; Zhang, L.; Li, K. A biogeography-based optimization algorithm with mutation strategies for model parameter estimation of solar and fuel cells. Energy Convers. Manag. 2014, 86, 1173–1185. [Google Scholar] [CrossRef]
  39. Jain, A.; Kapoor, A. Exact analytical solutions of the parameters of real solar cells using Lambert W-function. Sol. Energy Mater. Sol. Cells 2004, 81, 269–277. [Google Scholar] [CrossRef]
  40. Saleem, H.; Karmalkar, S. An Analytical Method to Extract the Physical Parameters of a Solar Cell From Four Points on the Illuminated J-V Curve. Electron Device Lett. IEEE 2009, 30, 349–352. [Google Scholar] [CrossRef]
  41. Laudani, A.; Riganti Fulginei, F.; Salvini, A. Identification of the one-diode model for photovoltaic modules from datasheet values. Sol. Energy 2014, 108, 432–446. [Google Scholar] [CrossRef]
  42. Beyer, H.-G. Evolutionary algorithms in noisy environments: Theoretical issues and guidelines for practice. Comput. Methods Appl. Mech. Eng. 2000, 186, 239–267. [Google Scholar] [CrossRef]
  43. Ren, B.; Zhong, W. Multi-objective Optimization using Chaos Based PSO. Inf. Technol. J. 2011, 10, 1908–1916. [Google Scholar] [CrossRef]
  44. Saremi, S.; Mirjalili, S.; Lewis, A. Biogeography-based optimisation with chaos. Neural Comput. Appl. 2014, 25, 1077–1097. [Google Scholar] [CrossRef]
  45. Yang, D.; Li, G.; Cheng, G. On the efficiency of chaos optimization algorithms for global optimization. Chaos Solitons Fractals 2007, 34, 1366–1375. [Google Scholar] [CrossRef]
  46. Chen, X.; Yu, K.; Du, W.; Zhao, W.; Liu, G. Parameters identification of solar cell models using generalized oppositional teaching learning based optimization. Energy 2016, 99, 170–180. [Google Scholar] [CrossRef]
  47. Jamadi, M.; Mehdi, F.M. Very accurate parameter estimation of single- and double-diode solar cell models using a modified artificial bee colony algorithm. Int. J. Energy Environ. Eng. 2015, 7, 13–25. [Google Scholar] [CrossRef]
  48. Laudani, A.; Riganti Fulginei, F.; Salvini, A. High performing extraction procedure for the one-diode model of a photovoltaic panel from experimental I-V curves by using reduced forms. Sol. Energy 2014, 103, 316–326. [Google Scholar] [CrossRef]
  49. Mitić, M.; Vuković, N.; Petrović, M.; Miljković, Z. Chaotic fruit fly optimization algorithm. Knowl. Based Syst. 2015, 89, 446–458. [Google Scholar] [CrossRef]
Figure 1. Single diode model of a solar cell.
Figure 1. Single diode model of a solar cell.
Energies 10 00865 g001
Figure 2. Double diode model of a solar cell.
Figure 2. Double diode model of a solar cell.
Energies 10 00865 g002
Figure 3. The CIABC algorithm.
Figure 3. The CIABC algorithm.
Energies 10 00865 g003
Figure 4. Convergence curve of CIABC for unknown parameter identification of (a) SD and (b) DD models.
Figure 4. Convergence curve of CIABC for unknown parameter identification of (a) SD and (b) DD models.
Energies 10 00865 g004
Figure 5. For the SD model: (a) Measured voltage vs. CABC-power at different temperatures; (b) Measured voltage vs. CABC computed current for different temperatures; DD model: (c) Measured voltage vs. CABC-power at different temperatures; (d) Measured voltage vs. CABC computed current for different temperatures.
Figure 5. For the SD model: (a) Measured voltage vs. CABC-power at different temperatures; (b) Measured voltage vs. CABC computed current for different temperatures; DD model: (c) Measured voltage vs. CABC-power at different temperatures; (d) Measured voltage vs. CABC computed current for different temperatures.
Energies 10 00865 g005
Figure 6. The estimated (a) current and (b) power by the proposed CIABC method based on polycrystalline cells.
Figure 6. The estimated (a) current and (b) power by the proposed CIABC method based on polycrystalline cells.
Energies 10 00865 g006
Figure 7. The Estimated (a) Current and (b) Power by the Proposed CIABC method based on polycrystalline.
Figure 7. The Estimated (a) Current and (b) Power by the Proposed CIABC method based on polycrystalline.
Energies 10 00865 g007
Table 1. The range of the solar cell parameters.
Table 1. The range of the solar cell parameters.
ParameterLower ValueUpper Value
R s ( Ω ) 00.5
R sh ( Ω ) 0100
I ph ( A ) 01
I sd ( μ A ) 01
n 12
Table 2. The measures used to calculate the performance.
Table 2. The measures used to calculate the performance.
MetricFormula
Relative Error Rerr I tm I te I te × 100
Normalized Rerr R error max ( I te ) min ( I t )
Mean Absolute Error (MAE) i = 1 N E | I tm I t | N E
Normalized MAE(NMAE) i = 1 N E | I tm I te | / I te N E
Normalized RMSE RMSE max ( I te ) min ( I te )
Mean Bias Error (MBE) i = 1 N E I tm I te N E
Normalize MBE (NMBE) MBE max ( I te ) min ( I te )
Table 3. Terminal ( V tm I tm ) measurements and relative error values for double and single diode models.
Table 3. Terminal ( V tm I tm ) measurements and relative error values for double and single diode models.
Experimental DataSingle Diode Model CIABCDouble Diode Model CIABC
Data V tm ( V ) I tm ( A ) I te ( A ) R err I te ( A ) R err
1−0.20570.76400.7641−0.00010.76400.0000
2−0.12910.76200.7627−0.00070.7626−0.0006
3−0.05880.76050.7614−0.00090.7613−0.0008
40.00570.76050.76020.00030.76020.0003
50.06460.76000.75910.00090.75910.0009
60.11850.75900.75800.00100.75810.0009
70.16780.75700.7571−0.00010.7572−0.0002
80.21320.75700.75610.00090.75640.0006
90.25450.75550.75510.00040.7555−0.0000
100.29240.75400.75370.00030.7547−0.0007
110.32690.75050.7514−0.00090.7537−0.0032
120.35850.74650.7474−0.00090.7526−0.0061
130.38730.73850.7401−0.00160.7512−0.0127
140.41370.72800.72740.00060.7493−0.0213
150.43730.70650.7070−0.00050.7467−0.0402
160.45900.67550.67530.00020.7434−0.0679
170.47840.63200.63080.00120.7393−0.1073
180.49600.57300.57190.00110.7343−0.1613
190.51190.49900.4996−0.00060.7287−0.2297
200.52650.41300.4137−0.00070.7225−0.3095
210.53980.31650.3175−0.00100.7159−0.3994
220.55210.21200.2122−0.00020.7090−0.4970
230.56330.10350.10230.00120.7022−0.5987
240.5736−0.0100−0.0087−0.00130.6955−0.7055
250.5833−0.1230−0.12540.00240.6886−0.8116
260.5900−0.2100−0.2084−0.00160.6839−0.8939
Table 4. Estimated values of SD model and the corresponding RMSEusing different algorithms.
Table 4. Estimated values of SD model and the corresponding RMSEusing different algorithms.
ParameterCIABCSTLBOGOTLBOABCIGHSABSOCPSOCSOMABC
I ph ( A ) 0.7607760.760780.760780.76080.76080.76080.76070.76080.760779
I sd ( μ A ) 0.323020.323020.331550.32510.34350.30620.40000.32300.321323
n 1.481021.481141.483821.48171.48741.47581.50331.48121.481385
R s ( Ω ) 0.0363770.036380.036270.03640.03610.03660.03540.03640.036389
R sh ( Ω ) 53.7186753.718754.1154353.643353.284552.290359.01253.718553.39999
RMSE9.8602 × 10−49.8602 × 10−49.87442 × 10−49.862 × 10−49.9306 × 10−49.9124 × 10−40.00139.8602 × 10−49.861 × 10−4
Table 5. Estimated values of DD model and the corresponding RMSE using different algorithms.
Table 5. Estimated values of DD model and the corresponding RMSE using different algorithms.
ParameterCIABCSTLBOGOTLBOABCIGHSABSOSACSOMABC
I sd ( μ A ) 0.7607810.7607800.7607520.76080.760790.760780.76230.760780.76078
I sd 1 ( μ A ) 0.2278280.2256600.8001950.04070.97310.267130.47670.227320.63069
I sd 2 ( μ A ) 0.6476500.0367400.0367830.28740.167910.381910.010.727850.241029
n 1 1.4516231.4508501.4489741.44951.921261.465121.51721.451512.000005
n 2 1.98834321.9999731.48851.428141.9815221.997691.45685
R s ( Ω ) 0.0367280.7521700.2204620.03640.03690.036570.03450.0367370.036712
R sh ( Ω ) 55.37826155.4920056.07530453.780456.836854.621943.103455.3z81354.75500
RMSE9.8262 × 10−49.8248 × 10−49.83177 × 10−49.861 × 10−49.8635 × 10−49.8344 × 10−40.016649.8252 × 10−49.8276 × 10−4
Table 6. The performance metrics for SD and DD models over 40 runs.
Table 6. The performance metrics for SD and DD models over 40 runs.
ModelMean RMSESTDNRMMAENMAE
Single9.8603 × 10−46.7206 × 10−90.62828.3187 × 10−4−0.0056
Double9.82811 × 10−41.05485 × 10−70.52140.0022−0.0129
Table 7. Comparison between Tent map and seven chaotic maps for both dimensions.
Table 7. Comparison between Tent map and seven chaotic maps for both dimensions.
Chaotic MapSD ModelDD Model
AverageSTDAverageSTD
Chebyshev0.0009999281.86974 × 10−50.0009828561.70529 × 10−7
Circle0.0009893984.86071 × 10−60.0009828481.68879 × 10−7
Gauss/mouse0.0013477820.0005432920.0009828687.85493 × 10−8
Logistic0.0009975602.20587 × 10−50.0009828921.41315 × 10−7
Piecewise0.0009899602.37263 × 10−60.0009828208.03119 × 10−8
Sine0.0009970229.61685 × 10−60.0009827725.71839 × 10−8
Sinusoidal0.0009907225.04149 × 10−60.0009829206.63325 × 10−8
Tent0.0009860362.30217 × 10−80.0009827025.31037 × 10−8
Table 8. The calculated current and its Absolute Error (|Error|) results.
Table 8. The calculated current and its Absolute Error (|Error|) results.
DataMeasuredABCCIABCReference [35]
V (V)I (A)I (A)|Error|I(A)|Error|I (A)|Error|
117.653.833.79470.03533.84150.01153.8360.006
217.414.294.23480.05524.26630.02374.280.01
317.254.564.51360.04644.53710.02294.55410.0059
417.14.794.76180.02824.77910.01094.7940.004
516.95.075.06920.00085.08000.01005.0930.023
616.765.275.26180.00825.26890.00115.2870.017
716.345.755.77930.02935.77940.02945.7940.044
816.0866.04520.04526.04320.04326.0550.055
915.716.366.35110.00896.34740.01266.36910.0091
1015.396.586.57210.00796.56860.01146.58810.0081
1114.936.836.81920.01086.81700.01306.83340.0034
1214.586.976.96220.00786.96130.00876.97480.0048
1314.177.17.09000.01007.09060.00947.10140.0014
1413.597.237.21630.01377.21900.01107.22650.0035
1513.167.297.28030.00977.28430.00577.28980.0002
1612.747.347.32550.01457.33040.00967.33450.0055
1712.367.377.35560.01447.36130.00877.36430.0057
1811.817.387.38650.00657.39300.01307.39470.0147
1911.177.417.40940.00067.41650.00657.41740.0074
2010.327.447.42730.01277.43490.00517.43520.0048
219.747.427.43490.01497.44270.02277.44260.0226
229.067.457.44100.00907.44890.00117.44870.0013
Table 9. The results of the parameters estimation and their accuracy for a polycrystalline cell solar panel.
Table 9. The results of the parameters estimation and their accuracy for a polycrystalline cell solar panel.
ParameterABCCIABCReference [35]
R s ( m ) 0.004910.00514.9
R p 9.709.899.745
I sd ( μ ) 7.4762917.4841267.4838
I p 1.21.291.2
n 1.2069921.2148541.2072
MAE0.01770.01320.0117
RMSE0.0191740.0162865530.017879
averageTime1370 s1200 s-
Table 10. The calculated current and the (|Error|) for monocrystalline PV panels.
Table 10. The calculated current and the (|Error|) for monocrystalline PV panels.
DataMeasuredABCCIABCReference [35]
V (V)I (A)I (A)|Error|I (A)|Error|I (A)|Error|
10.1181.6631.6640.00071.6640.00051.66270.0003
22.2371.6611.6600.00111.6600.00121.6590.0020
35.4341.6531.6540.00101.6540.00101.65310.0001
47.261.651.6500.00051.6510.00061.64970.0003
59.681.6451.6450.00021.6450.00041.64450.0005
611.591.641.6390.00111.6390.00081.63830.0017
712.61.6361.6330.00261.6340.00241.6330.0030
813.371.6291.6270.00191.6270.00181.62670.0023
914.091.6191.6180.00081.6180.00071.61710.0019
1014.881.5971.6030.00611.6030.00611.6030.0060
1115.591.5811.5820.00071.5820.00061.5820.0010
1216.41.5421.5430.00051.5420.00041.54320.0012
1316.711.5241.5210.00261.5210.00271.52250.0015
1416.981.51.4990.00061.4990.00071.50060.0006
1517.131.4851.4850.00051.4850.00031.48670.0017
1617.321.4651.4660.00081.4660.00071.46740.0024
1717.911.3881.3880.00041.3880.00041.38970.0017
1819.081.1181.1180.00011.1180.00021.12080.0028
Table 11. The results of the parameters estimation and their accuracy for a monocrystalline solar panel
Table 11. The results of the parameters estimation and their accuracy for a monocrystalline solar panel
ParameterABCCIABCReference [35]
Rs(m)4.994.404.879
Rp15.20615.61715.419
Isd(μA)1.66441.67601.4142
Ip1.501.66421.6635
n1.48661.49761.4986
MAE0.0012290.0012060.001722
RMSE0.00183790.0018190.002181
Average Time1300s1240s-

Share and Cite

MDPI and ACS Style

Oliva, D.; Ewees, A.A.; Aziz, M.A.E.; Hassanien, A.E.; Peréz-Cisneros, M. A Chaotic Improved Artificial Bee Colony for Parameter Estimation of Photovoltaic Cells. Energies 2017, 10, 865. https://doi.org/10.3390/en10070865

AMA Style

Oliva D, Ewees AA, Aziz MAE, Hassanien AE, Peréz-Cisneros M. A Chaotic Improved Artificial Bee Colony for Parameter Estimation of Photovoltaic Cells. Energies. 2017; 10(7):865. https://doi.org/10.3390/en10070865

Chicago/Turabian Style

Oliva, Diego, Ahmed A. Ewees, Mohamed Abd El Aziz, Aboul Ella Hassanien, and Marco Peréz-Cisneros. 2017. "A Chaotic Improved Artificial Bee Colony for Parameter Estimation of Photovoltaic Cells" Energies 10, no. 7: 865. https://doi.org/10.3390/en10070865

APA Style

Oliva, D., Ewees, A. A., Aziz, M. A. E., Hassanien, A. E., & Peréz-Cisneros, M. (2017). A Chaotic Improved Artificial Bee Colony for Parameter Estimation of Photovoltaic Cells. Energies, 10(7), 865. https://doi.org/10.3390/en10070865

Note that from the first issue of 2016, this journal uses article numbers instead of page numbers. See further details here.

Article Metrics

Back to TopTop