A Multifunctional Isolated and Non-Isolated Dual Mode Converter for Renewable Energy Conversion Applications
Abstract
1. Introduction
2. Proposed Multifunctional Isolated and Non-Isolated Dual Mode Converter
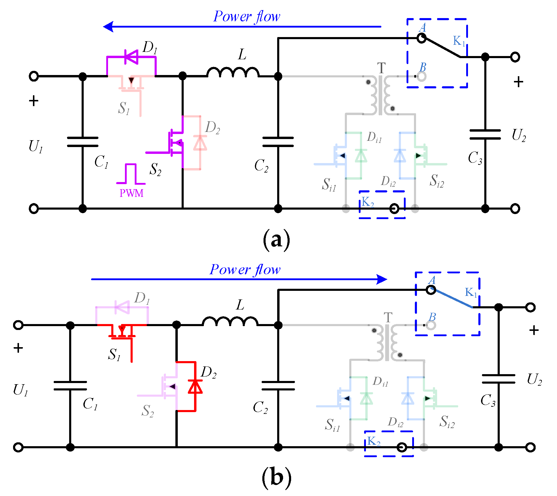
2.1. Isolated Mode
2.2. Non-Isolated Mode
3. Converter Analysis and Control Strategies
3.1. Converter Analyzation during Isolated Operation Mode
3.2. Converter Analysis during Non-Isolated Operation Mode
3.3. Control Strategy
4. Design Consideration of Main Circuit
4.1. Designing Non-Isolated Converter Inductor L
4.2. Designing the Isolated Converter Transformer
5. Simulation Test and Experimental Results
5.1. Simulation Test
5.2. Experimental Results
6. Conclusions
Acknowledgments
Author Contributions
Conflicts of Interest
References
- Tseng, K.; Huang, C.; Cheng, C. A Single-Switch Converter with High Step-Up Gain and Low Diode Voltage Stress Suitable for Green Power-Source Conversion. IEEE J. Emerg. Sel. Top. Power Electron. 2016, 4, 363–372. [Google Scholar] [CrossRef]
- Xu, W.; Li, Y.; Gong, X.; Hong, Z.; Killat, D. A Dual-Mode Single-Inductor Dual-Output Switching Converter with Small Ripple. IEEE Trans. Power Electron. 2010, 25, 614–623. [Google Scholar]
- Singh, B.; Shrivastava, A. Buck converter-based power supply design for low power light emitting diode lamp lighting. IET Power Electron. 2014, 7, 946–956. [Google Scholar] [CrossRef]
- EI Khateb, A.H.; Rahim, N.A.; Selvaraj, J.; Williams, B.W. DC-to-DC Converter with Low Input Current Ripple for Maximum Photovoltaic Power Extraction. IEEE Trans. Ind. Electron. 2015, 62, 2246–2256. [Google Scholar] [CrossRef]
- Zeng, J.; Qiao, W.; Qu, L. An Isolated Three-Port Bidirectional DC-DC Converter for Photovoltaic Systems with Energy Storage. IEEE Trans. Ind. Appl. 2015, 51, 3493–3503. [Google Scholar] [CrossRef]
- Kouro, S.; Leon, J.I.; Vinnikov, D.; Franquelo, L.G. Grid-Connected Photovoltaic Systems: An Overview of Recent Research and Emerging PV Converter Technology. IEEE Ind. Electron. Mag. 2015, 9, 47–61. [Google Scholar] [CrossRef]
- Shen, C.; Shen, Y.; Tsai, C. Isolated DC-DC Converter for Bidirectional Power Flow Controlling with Soft-Switching Feature and High Step-Up/Down Voltage Conversion. Energies 2017, 10, 296. [Google Scholar] [CrossRef]
- Tseng, S.; Wang, H. A Photovoltaic Power System Using a High Step-up Converter for DC Load Applications. Energies 2013, 6, 1068–1100. [Google Scholar] [CrossRef]
- Xue, Y.; Chang, L.; Kjaer, S.B.; Bordonau, J.; Shimizu, T. Topologies of single-phase inverters for small distributed power generators: An overview. IEEE Trans. Power Electron. 2004, 19, 1305–1314. [Google Scholar] [CrossRef]
- Chomsuwan, K.; Prisuwanna, P.; Monyakul, V. Photovoltaic grid-connected inverter using two-switch buck-boost converter. In Proceedings of the Photovoltaic Specialists Conference, New Orleans, LA, USA, 19–24 May 2002. [Google Scholar]
- Gonzalez, R.; Lopez, J.; Sanchis, P.; Marroyo, L. Transformerless Inverter for Single-Phase Photovoltaic Systems. IEEE Trans. Power Electron. 2007, 22, 693–697. [Google Scholar] [CrossRef]
- Kerekes, T.; Teodorescu, R.; Rodriguez, P.; Vazquez, G.; Aldabas, E. A New High-Efficiency Single-Phase Transformerless PV Inverter Topology. IEEE Trans. Ind. Electron. 2011, 58, 184–191. [Google Scholar] [CrossRef]
- Daher, S.; Schmid, J.; Antunes, F.L.M. Multilevel Inverter Topologies for Stand-Alone PV Systems. IEEE Trans. Ind. Electron. 2008, 55, 2703–2712. [Google Scholar] [CrossRef]
- Sher, H.A.; Rizvi, A.A.; Addoweesh, K.E.; Al-Haddad, K. A Single Stage Stand-Alone Photovoltaic Energy System (SAPES) with High Tracking Efficiency. IEEE Trans. Sustain. Energy 2016, 8, 755–762. [Google Scholar] [CrossRef]
- Wai, R.; Wang, W.; Lin, C. High-Performance Stand-Alone Photovoltaic Generation System. IEEE Trans. Ind. Electron. 2008, 55, 240–250. [Google Scholar] [CrossRef]
- Wang, W.; Ruan, X. A Modified Reference of an Intermediate Bus Capacitor Voltage-Based Second-Harmonic Current Reduction Method for a Standalone Photovoltaic Power System. IEEE Trans. Power Electron. 2016, 31, 5562–5573. [Google Scholar] [CrossRef]
- Jabir, H.; Mekhilef, S.; Nakaoka, M.; Nishida, K. Development of a transformer-based multilevel inverter topology for stand-alone photovoltaic system. In Proceedings of the Power Electronics and Applications (EPE 2013), Lille, France, 2–6 September 2013. [Google Scholar]
- Parsekar, S.; Chatterjee, K. A Novel Strategy for Battery Placement in Standalone Solar Photovoltaic Converter System. In Proceedings of the 2014 IEEE 40th Photovoltaic Specialist Conference (PVSC), Denver, CO, USA, 8–13 June 2014; pp. 2751–2756. [Google Scholar]
- Geibel, D.; Jahn, J.; Juchem, R. Simulation model based control development of a multifunctional PV-inverter. In Proceedings of the 2007 European Conference on Power Electronics and Applications (EPE), Aalborg, Denmark, 2–5 September 2007. [Google Scholar]
- Wong, Y.; Chen, J.; Liu, K.; Hsieh, Y. A Novel High Step-Up DC-DC Converter with Coupled Inductor and Switched Clamp Capacitor Techniques for Photovoltaic Systems. Energies 2017, 10, 378. [Google Scholar] [CrossRef]
- Shen, C.; Chen, H.; Chiu, P. Integrated Three-Voltage-Booster DC-DC Converter to Achieve High Voltage Gain with Leakage-Energy Recycling for PV or Fuel-Cell Power Systems. Energies 2015, 8, 9843–9859. [Google Scholar] [CrossRef]
- Li, X.; Zhang, H.; Balog, R. Control Strategy for Seamless Transfer between Island and Grid-Connected Operation for a Dual Mode Photovoltaic Inverter. In Proceedings of the Energy Conversion Congress and Exposition (ECCE 2015), Montreal, QC, Canada, 20–24 September 2015. [Google Scholar]
- Zeng, Z.; Yang, H.; Tang, S.; Zhao, R. Objective-Oriented Power Quality Compensation of Multifunctional Grid-Tied Inverters and Its Application in Microgrids. IEEE Trans. Power Electron. 2015, 30, 1255–1265. [Google Scholar] [CrossRef]
- Ye, T.; Dai, N.; Lam, C.; Wong, M.; Guerrero, J.M. Analysis, Design, and Implementation of a Quasi-Proportional-Resonant Controller for a Multifunctional Capacitive-Coupling Grid-Connected Inverter. IEEE Trans. Ind. Appl. 2016, 52, 4269–4280. [Google Scholar] [CrossRef]
- Shin, J.; Choi, S.; Cho, B. High-Efficiency Bridgeless Flyback Rectifier with Bidirectional Switch and Dual Output Windings. IEEE Trans. Power Electron. 2014, 29, 4752–4762. [Google Scholar] [CrossRef]
- De Melo, M.F.; Vizzotto, W.D.; Quintana, P.J.; Kirsten, A.L.; Costa, M.A.D.; Garcia, J. Bidirectional Grid-Tie Flyback Converter Applied to Distributed Power Generation and Street Lighting Integrated System. IEEE Trans. Ind. Appl. 2015, 51, 4709–4718. [Google Scholar] [CrossRef]
- Thummala, P.; Zhang, Z.; Andersen, M.A. High Voltage Bi-directional Flyback Converter for Capacitive Actuator. In Proceedings of the 2013 15th European Conference on Power Electronics and Applications (EPE), Lille, France, 2–6 September 2013. [Google Scholar]
- Huang, X.; Lee, F.C.; Li, Q.; Du, W. High-Frequency High-Efficiency GaN-Based Interleaved CRM Bidirectional Buck/Boost Converter with Inverse Coupled Inductor. IEEE Trans. Power Electron. 2016, 31, 4343–4352. [Google Scholar] [CrossRef]
- Viinamäki, J.; Kuperman, A.; Suntio, T. Grid-Forming-Mode Operation of Boost-Power-Stage Converter in PV-Generator-Interfacing Applications. Energies 2017, 10, 1033. [Google Scholar]
- Zhao, F.; Zhang, X.; Wen, X.; Zhao, L.; Guo, Q.; Zhang, G. A Novel Control Scheme for Bi-directional Buck Boost Converter. In Proceedings of the 2013 International Conference on Electrical Machines and Systems, Busan, Korea, 26–29 October 2013. [Google Scholar]
- Zhang, C.; Jiang, D.; Zheng, H.; Ye, L. A Bi-directional Buck/Boost Voltage Balancer for DC Distribution System. In Proceedings of the Fourth International Conference on Digital Manufacturing & Automation, Qindao, China, 29–30 June 2013. [Google Scholar]
- Ardi, H.; Ahrabi, R.R.; Ravadanegh, S.N. Non-isolated bidirectional DC-DC converter analysis and implementation. IET Power Electron. 2014, 7, 3033–3044. [Google Scholar] [CrossRef]
- Zheng, X.; Ali, H.; Wu, X.; Zaman, H.; Khan, S. Non-Linear Behavioral Modeling for DC-DC Converters and Dynamic Analysis of Distributed Energy Systems. Energies 2017, 10, 63. [Google Scholar] [CrossRef]
- Hamasaki, S.; Yano, Y.; Fukuda, H.; Tsuji, M. Deadbeat Control of Bidirectional Buck/boost DC-DC Converter for Power Leveling System with EDLC. In Proceedings of the 2015 41st IEEE Annual Conference of the Industrial Electronics Society, Yokohama, Japan, 9–12 November 2015. [Google Scholar]
- McCurlie, L.; Preindl, M.; Malysz, P.; Emad, A. Simplified Control for Redistributive Balancing Systems using Bidirectional Flyback Converters. In Proceedings of the 2015 IEEE Transportation Electrification Conference and Expo (ITEC2015), Dearborn, MI, USA, 14–17 June 2015. [Google Scholar]
- Hoffstadt, T.; Maas, J. Sensorless BCM control for a bidirectional flyback-converter. In Proceedings of the 42nd Annual Conference of the IEEE Industrial Electronics Society, IECON 2016, Florence, Italy, 24–27 October 2016. [Google Scholar]
- Thummala, P.; Maksimovic, D.; Zhang, Z.; Andersen, M.A.E. Digital Control of a High-Voltage (2.5 kV) Bidirectional DC-DC Flyback Converter for Driving a Capacitive Incremental Actuator. IEEE Trans. Power Electron. 2016, 31, 8500–8516. [Google Scholar] [CrossRef]
- Saranya, P.S.; Chandran, L.R. Analysis of bidirectional flyback converter. In Proceedings of the 2015 International Conference on Computation of Power, Energy, Information and Communication (ICCPEIC), Chennai, India, 22–23 April 2015. [Google Scholar]
- Pressman, A.I.; Billings, K.H.; Morey, T. Switching Power Supply Design, 3rd ed.; McGraw-Hill: New York, NY, USA, 2009. [Google Scholar]
- Trzynadlowski, A.M. Power Electronic Converters and Systems: Frontiers and Applications; The Institution of Engineering and Technology: London, UK, 1 February 2016. [Google Scholar]
- Patin, N. Power Electronics Applied to Industrial Systems and Transports; ISTE Press and Elsevier: London, UK, May 2015; Chapter 2; pp. 19–39. [Google Scholar]
- Padiyar, U.S.; Kamath, V. Design and Implementation of a Universal Input Flyback Converter. In Proceedings of the International Conference on Electrical, Electronics, and Optimization Techniques (ICEEOT), Chennai, India, 3–5 March 2016; pp. 3428–3433. [Google Scholar]
- Lee, I.; Lee, J. A High-Power DC-DC Converter Topology for Battery Charging Applications. Energies 2017, 10, 871. [Google Scholar] [CrossRef]
- Hu, J.; Cheng, K.W.E. Predictive control of power electronics converters in renewable energy systems. Energies 2017, 10, 515. [Google Scholar] [CrossRef]
- Chung, H.S.H.; Cheung, W.; Tang, K. A ZCS Bidirectional Flyback Converter. In Proceedings of the 2004 35th Annual IEEE Power Electronics Specialists Conference, Aachen, Germany, 20–25 June 2004; pp. 1506–1512. [Google Scholar]
- Wu, H.; Sun, K.; Chen, L.; Zhu, L.; Xing, Y. High Step-Up/Step-Down Soft-Switching Bidirectional DC–DC Converter with Coupled-Inductor and Voltage Matching Control for Energy Storage Systems. IEEE Trans. Ind. Electron. 2016, 63, 2892–2903. [Google Scholar] [CrossRef]
- Liu, K.; Liu, C.; Liu, Y.; Chien, Y.; Wang, B. Analysis and Controller Design of a Universal Bidirectional DC-DC Converter. Energies 2016, 9, 501. [Google Scholar] [CrossRef]
- Wu, Y.; Chiu, P. A High-Efficiency Isolated-Type Three-Port Bidirectional DC/DC Converter for Photovoltaic Systems. Energies 2017, 10, 434. [Google Scholar] [CrossRef]

















| Control Logics | |||||||
|---|---|---|---|---|---|---|---|
| Switches | Isolated | Non-Isolated | |||||
| Forward | Reverse | High-Converter-Ratio | Fault | Step-Up | Step-Down | ||
| Forward | Reverse | ||||||
| S1 | OFF | ON | OFF | PWM | OFF | OFF | PWM |
| S2 | OFF | OFF | PWM | OFF | OFF | PWM | OFF |
| Si1 | OFF | PWM | OFF | PWM | OFF | OFF | OFF |
| Si2 | PWM | OFF | PWM | OFF | OFF | OFF | OFF |
| K1 | B | A | |||||
| K2 | Disconnected | Connected | |||||
| Parameter | Value |
|---|---|
| Rated power | 150 W |
| Capacitance C1/C2/C3 | 220 μF/220 μF/1000 μF |
| Inductance L | 40 μH |
| Input/output voltage range | 12~100 V |
| Aspect | Converter Studied in [47] | Converter Proposed in [48] | The Proposed Converter |
|---|---|---|---|
| Topology | non-isolated | Isolated | Non-isolated/isolated |
| Number of ports | 2 | 3 | 2 |
| Number of switches | 4 | 4 | 4 + 2 * |
| Operating stages or modes | 4 | 3 | 7 |
| Efficiency | Higher | Higher | High ** |
© 2017 by the authors. Licensee MDPI, Basel, Switzerland. This article is an open access article distributed under the terms and conditions of the Creative Commons Attribution (CC BY) license (http://creativecommons.org/licenses/by/4.0/).
Share and Cite
Wang, Y.; Gan, C.; Ni, K.; Li, X.; Tang, H.; Yang, Y. A Multifunctional Isolated and Non-Isolated Dual Mode Converter for Renewable Energy Conversion Applications. Energies 2017, 10, 1980. https://doi.org/10.3390/en10121980
Wang Y, Gan C, Ni K, Li X, Tang H, Yang Y. A Multifunctional Isolated and Non-Isolated Dual Mode Converter for Renewable Energy Conversion Applications. Energies. 2017; 10(12):1980. https://doi.org/10.3390/en10121980
Chicago/Turabian StyleWang, Yiwang, Chun Gan, Kai Ni, Xinhua Li, Houjun Tang, and Yong Yang. 2017. "A Multifunctional Isolated and Non-Isolated Dual Mode Converter for Renewable Energy Conversion Applications" Energies 10, no. 12: 1980. https://doi.org/10.3390/en10121980
APA StyleWang, Y., Gan, C., Ni, K., Li, X., Tang, H., & Yang, Y. (2017). A Multifunctional Isolated and Non-Isolated Dual Mode Converter for Renewable Energy Conversion Applications. Energies, 10(12), 1980. https://doi.org/10.3390/en10121980

