Automated Nonlinear Acoustics System for Real-Time Monitoring of Cement-Based Composites
Highlights
- Developed a fully automated nonlinear acoustics monitoring system combining bulk-wave excitation with non-contact Laser Doppler Vibrometry (LDV) detection.
- Validated the system’s stability, linearity, and repeatability, and demonstrated its capability for real-time monitoring of cement-based composites during hydration.
- Enables autonomous, high-sensitivity, and non-contact evaluation of material microstructure for smart infrastructure and predictive maintenance.
- Establishes a scalable framework for integrating nonlinear acoustic monitoring into digital twin and real-time structural health monitoring environments.
Abstract
1. Introduction
2. Methodology
2.1. Theoretical Background and Nonlinear Acoustic Indicators
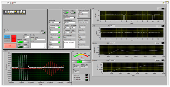
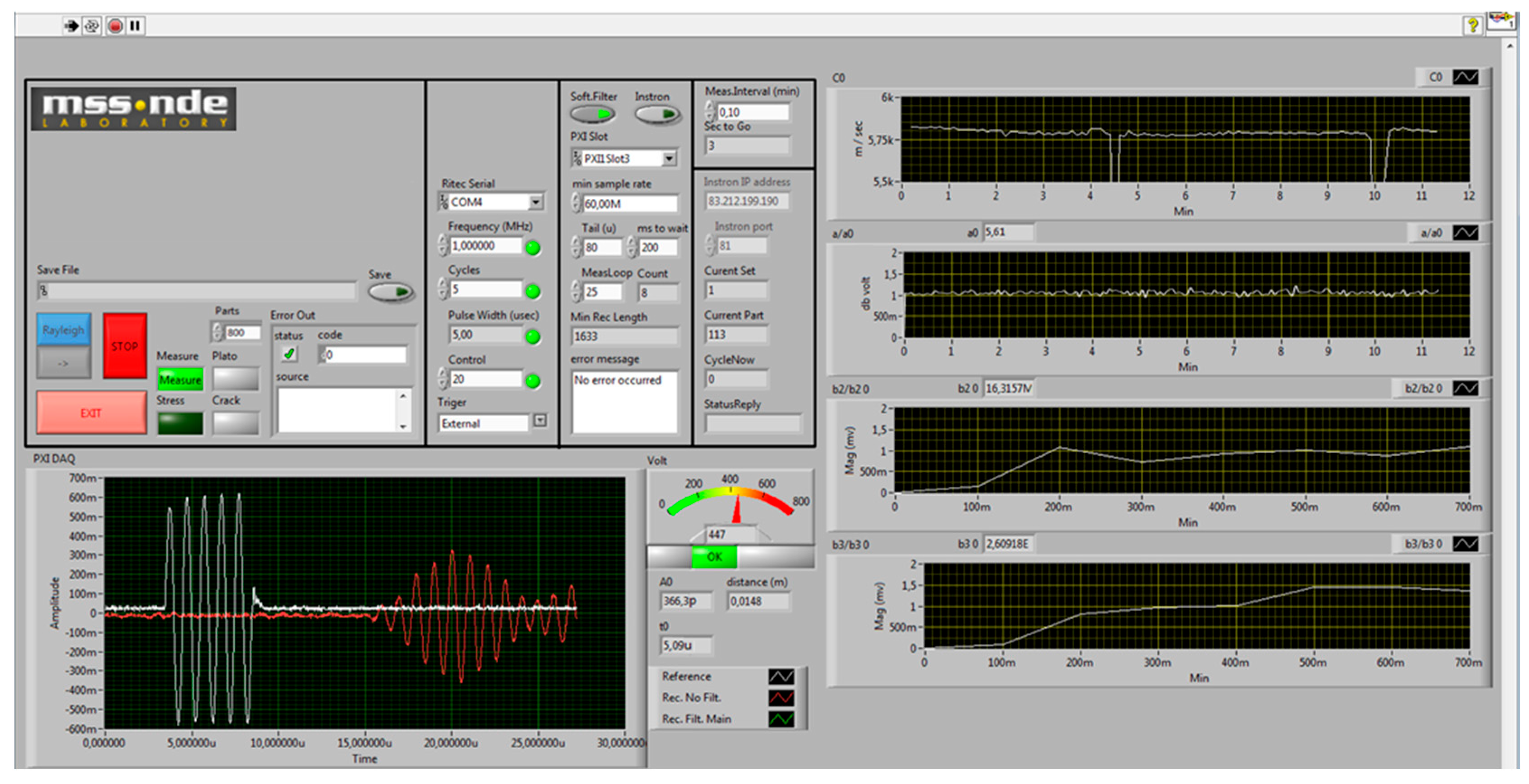
2.2. System Architecture and Measurement Framework
- —
- PXIe−5105: high-speed oscilloscope module (12-bit, 60 MS/s)
- —
- PXIe−8430: serial communication interface to RITEC
- —
- PXIe−8360: synchronization and remote host control module
2.3. Signal Processing and Software Integration
3. Experimental Validation
3.1. System Stability and Linearity Assessment
3.2. Real-Time Nonlinear Acoustic Evaluation of Cement-Based Materials
4. Discussion
5. Conclusions
Author Contributions
Funding
Institutional Review Board Statement
Informed Consent Statement
Data Availability Statement
Conflicts of Interest
References
- Mehta, P.K.; Monteiro, P. Concrete: Microstructure, Properties, and Materials; McGraw-Hill: Columbus, OH, USA, 2006. [Google Scholar]
- Popovics, S. Strength and Related Properties of Concrete: A Quantitative Approach; John Wiley & Sons: Hoboken, NJ, USA, 1998. [Google Scholar]
- Neville, A.M. Concrete: Neville’s Insights and Issues; Thomas Telford: Wolverhampton, UK, 2006. [Google Scholar]
- Matlack, K.H.; Kim, J.Y.; Jacobs, L.J.; Qu, J. Review of Second Harmonic Generation Measurement Techniques for Material State Determination in Metals. J. Nondestruct. Eval. 2014, 34, 273. [Google Scholar] [CrossRef]
- Voigt, T.; Malonn, T.; Shah, S.P. Green and early age compressive strength of extruded cement mortar monitored with compression tests and ultrasonic techniques. Cem. Concr. Res. 2006, 36, 858–867. [Google Scholar] [CrossRef]
- Grosse, C.U.; Ohtsu, M.; Aggelis, D.G.; Shiotani, T. Acoustic Emission Testing: Basics for Research–Applications in Engineering; Springer Nature: Berlin/Heidelberg, Germany, 2021. [Google Scholar]
- Yin, T. Nondestructive Testing and Structural Health Monitoring Techniques for Damage Detection of Cement-Based Materials. Ph.D. Thesis, The University of Adelaide Australia, Adelaide, Australia, 2022. [Google Scholar]
- Lin, K.Y.; Prather, W.E.; Mobley, J. Characterization of sphere-plane contact loss nonlinearity inside a cylindrical container using nonlinear ultrasound resonance spectroscopy. J. Acoust. Soc. Am. 2021, 150, 3011. [Google Scholar] [CrossRef]
- Haupert, S.; Renaud, G.; Riviere, J.; Talmant, M.; Johnson, P.A.; Laugier, P. High-accuracy acoustic detection of nonclassical component of material nonlinearity. J. Acoust. Soc. Am. 2011, 130, 2654–2661. [Google Scholar] [CrossRef]
- Van Den Abeele, K.-A.; Johnson, P.A.; Sutin, A. Nonlinear elastic wave spectroscopy (NEWS) techniques to discern material damage, part I: Nonlinear wave modulation spectroscopy (NWMS). J. Res. Nondestruct. Eval. 2000, 12, 17–30. [Google Scholar] [CrossRef]
- Mpalaskas, A.C.; Matikas, T.E.; Aggelis, D.G. 13—Acoustic monitoring for the evaluation of concrete structures and materials. In Acoustic Emission and Related Non-Destructive Evaluation Techniques in the Fracture Mechanics of Concrete (Second Edition); Ohtsu, M., Ed.; Woodhead Publishing: Oxford, UK, 2021; pp. 257–280. [Google Scholar]
- Mpalaskas, A.C.; Kytinou, V.K.; Zapris, A.G.; Matikas, T.E. Optimizing building rehabilitation through nondestructive evaluation of fire-damaged steel-fiber-reinforced concrete. Sensors 2024, 24, 5668. [Google Scholar] [CrossRef]
- Helal, J.; Sofi, M.; Mendis, P. Non-destructive testing of concrete: A review of methods. Electron. J. Struct. Eng. 2015, 14, 97–105. [Google Scholar] [CrossRef]
- Jhang, K.-Y. Nonlinear ultrasonic techniques for nondestructive assessment of micro damage in material: A review. Int. J. Precis. Eng. Manuf. 2009, 10, 123–135. [Google Scholar] [CrossRef]
- Kundu, T. Nonlinear Ultrasonic and Vibro-Acoustical Techniques for Nondestructive Evaluation; Springer: Berlin/Heidelberg, Germany, 2018. [Google Scholar]
- Tsangouri, E.; Aggelis, D.G.; Matikas, T.E.; Mpalaskas, A.C. Acoustic emission activity for characterizing fracture of marble under bending. Appl. Sci. 2015, 6, 6. [Google Scholar] [CrossRef]
- Castellano, A.; Fraddosio, A.; Piccioni, M.D.; Kundu, T. Linear and nonlinear ultrasonic techniques for monitoring stress-induced damages in concrete. J. Nondestruct. Eval. Diagn. Progn. Eng. Syst. 2021, 4, 041001. [Google Scholar] [CrossRef]
- Villarreal, A.; Cano-Barrita, P.; Leon-Martinez, F.; Medina, L.; Castellanos, F. Ultrasonic monitoring of carbonation in Portland cements. arXiv 2025, arXiv:2501.11147. [Google Scholar] [CrossRef]
- Lissenden, C.J. Nonlinear ultrasonic guided waves—Principles for nondestructive evaluation. J. Appl. Phys. 2021, 129, 021101. [Google Scholar] [CrossRef]
- Lissenden, C.J.; Hasanian, M. Measurement of Nonlinear Guided Waves. In Measurement of Nonlinear Ultrasonic Characteristics; Springer: Berlin/Heidelberg, Germany, 2020; pp. 61–108. [Google Scholar] [CrossRef]
- Park, J.; Aslam, M.; Lee, J. Ultrasonic nonlinearity experiment due to plastic deformation of aluminum plate due to bending damage. Materials 2023, 16, 4241. [Google Scholar] [CrossRef]
- Chillara, V.K.; Lissenden, C.J. Review of nonlinear ultrasonic guided wave nondestructive evaluation: Theory, numerics, and experiments. Opt. Eng. 2016, 55, 011002. [Google Scholar] [CrossRef]
- Walker, S.V.; Kim, J.-Y.; Qu, J.; Jacobs, L.J. Fatigue damage evaluation in A36 steel using nonlinear Rayleigh surface waves. Ndt E Int. 2012, 48, 10–15. [Google Scholar] [CrossRef]
- Van Huynh, T.; Sampath, S.; Yang, L.; Sohn, H. Noncontact fatigue crack detection using non-linear frequency mixing of surface acoustic waves. Int. J. Fatigue 2025, 202, 109215. [Google Scholar] [CrossRef]
- Nie, Z.; Yu, L.; Zhu, P.; Wu, N.; Zuo, D.; Gan, X. Experimental study on nonlinear ultrasonic characterization of concrete during crack propagation. J. Eng. Res. 2023, 11, 314–321. [Google Scholar] [CrossRef]
- Aggelis, D.; Mpalaskas, A.; Matikas, T.; Van Hemelrijck, D. Acoustic Emission Signatures of Damage Modes in Concrete; SPIE: Bellingham, WA, USA, 2014; Volume 9062. [Google Scholar]
- Zhao, M.; Liu, J.; Wang, K.; Chen, Y. Deep learning-enhanced nonlinear ultrasonic identification of concrete microcrack development. Constr. Build. Mater. 2025, 479, 141488. [Google Scholar] [CrossRef]
- Chen, J.; Yang, C.; Guo, Q. Evaluation of surface cracks of bending concrete using a fully non-contact air-coupled nonlinear ultrasonic technique. Mater. Struct. 2018, 51, 104. [Google Scholar] [CrossRef]
- Klun, M.; Zupan, D.; Lopatic, J.; Kryzanowski, A. On the Application of Laser Vibrometry to Perform Structural Health Monitoring in Non-Stationary Conditions of a Hydropower Dam. Sensors 2019, 19, 3811. [Google Scholar] [CrossRef]
- Yang, H.; Xie, Y.; Lin, Z.; Li, L.; Chen, X.; Feng, W.; Ran, H.; He, L. Experimental research on remote non-contact laser vibration measurement for tunnel lining cavities. Sci. Rep. 2025, 15, 105. [Google Scholar] [CrossRef]
- Karimpouli, S.; Tahmasebi, P.; Saenger, E.H. Ultrasonic prediction of crack density using machine learning: A numerical investigation. Geosci. Front. 2022, 13, 101277. [Google Scholar] [CrossRef]
- Chen, B.; Wang, C.; Wang, P.; Zheng, S.; Sun, W. Research on Fatigue Damage in High—Strength Steel (FV520B) Using Nonlinear Ultrasonic Testing. Shock. Vib. 2020, 2020, 8847704. [Google Scholar] [CrossRef]
- Chondrogiannis, K.A.; Colombi, A.; Dertimanis, V.; Chatzi, E. Computational verification and experimental validation of the vibration-attenuation properties of a geometrically nonlinear metamaterial design. Phys. Rev. Appl. 2022, 17, 054023. [Google Scholar] [CrossRef]
- Azimi, M.; Eslamlou, A.D.; Pekcan, G. Data-driven structural health monitoring and damage detection through deep learning: State-of-the-art review. Sensors 2020, 20, 2778. [Google Scholar] [CrossRef]
- Lai, X.; Yang, L.; He, X.; Pang, Y.; Song, X.; Sun, W. Digital twin-based structural health monitoring by combining measurement and computational data: An aircraft wing example. J. Manuf. Syst. 2023, 69, 76–90. [Google Scholar] [CrossRef]
- Samudra, S.; Barbosh, M.; Sadhu, A. Machine Learning-Assisted Improved Anomaly Detection for Structural Health Monitoring. Sensors 2023, 23, 3365. [Google Scholar] [CrossRef] [PubMed]
- Herrera, R.H.; Orozco, R.; Rodriguez, M. Wavelet-based deconvolution of ultrasonic signals in nondestructive evaluation. J. Zhejiang Univ.-Sci. A 2006, 7, 1748–1756. [Google Scholar] [CrossRef]
- Song, S.P.; Que, P.W. Wavelet based noise suppression technique and its application to ultrasonic flaw detection. Ultrasonics 2006, 44, 188–193. [Google Scholar] [CrossRef] [PubMed]
- Tragazikis, I.K.; Kordatou, T.Z.; Exarchos, D.A.; Dalla, P.T.; Matikas, T.E. Monitoring the hydration process in carbon nanotube reinforced cement-based composites using nonlinear elastic waves. Appl. Sci. 2021, 11, 1720. [Google Scholar] [CrossRef]
- Tragazikis, I.K.; Koutrakou, A.N.; Kordatou, T.Z.; Dalla, P.T.; Matikas, T.E. Monitoring the Nonlinear Acoustic Behavior of Fresh Cementitious Materials during the Hardening Process Using Laser Doppler Vibrometry. Acoustics 2020, 2, 833–846. [Google Scholar] [CrossRef]
- Oppenheim, A.; Schafer, R.; Buck, J. Discrete Time Signal Processing, 2nd ed.; Prentice Hall: Hoboken, NJ, USA, 1999. [Google Scholar]
- Boashash, B. Time-Frequency Signal Analysis and Processing: A Comprehensive Reference; Academic press: Cambridge, MA, USA, 2015. [Google Scholar]





Disclaimer/Publisher’s Note: The statements, opinions and data contained in all publications are solely those of the individual author(s) and contributor(s) and not of MDPI and/or the editor(s). MDPI and/or the editor(s) disclaim responsibility for any injury to people or property resulting from any ideas, methods, instructions or products referred to in the content. |
© 2025 by the authors. Licensee MDPI, Basel, Switzerland. This article is an open access article distributed under the terms and conditions of the Creative Commons Attribution (CC BY) license (https://creativecommons.org/licenses/by/4.0/).
Share and Cite
Kordatou, T.Z.; Exarchos, D.A.; Matikas, T.E. Automated Nonlinear Acoustics System for Real-Time Monitoring of Cement-Based Composites. Sensors 2025, 25, 6655. https://doi.org/10.3390/s25216655
Kordatou TZ, Exarchos DA, Matikas TE. Automated Nonlinear Acoustics System for Real-Time Monitoring of Cement-Based Composites. Sensors. 2025; 25(21):6655. https://doi.org/10.3390/s25216655
Chicago/Turabian StyleKordatou, Theodoti Z., Dimitrios A. Exarchos, and Theodore E. Matikas. 2025. "Automated Nonlinear Acoustics System for Real-Time Monitoring of Cement-Based Composites" Sensors 25, no. 21: 6655. https://doi.org/10.3390/s25216655
APA StyleKordatou, T. Z., Exarchos, D. A., & Matikas, T. E. (2025). Automated Nonlinear Acoustics System for Real-Time Monitoring of Cement-Based Composites. Sensors, 25(21), 6655. https://doi.org/10.3390/s25216655

