An End-to-End Particle Gradation Detection Method for Earth–Rockfill Dams from Images Using an Enhanced YOLOv8-Seg Model
Abstract
1. Introduction
2. Methodology
2.1. Data Acquisition and Pre-Processing
2.1.1. Image Acquisition
2.1.2. Image Pre-Processing
2.1.3. Data Labeling
2.2. Particle Segmentation Based on YOLOv8-Seg-CBAM-SE
2.2.1. Overview of YOLOv8-Seg
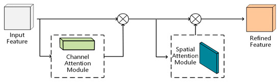
2.2.2. YOLOV8-Seg-CBAM-SE
2.2.3. Model Pre-Training and Fine-Tuning
2.2.4. Model Evaluation Criteria
2.3. Particle Gradation Detection
3. Model Training and Testing
3.1. Dataset Establishment
3.2. Training Environment
3.3. Testing and Assessment
4. Experiments and Results
4.1. Testing Material
4.2. Particle Segmentation
4.3. Gradation Calculation
5. Discussion
5.1. Shooting Parameter Constraints
5.2. Impact of Transfer Learning
5.3. On-Site Implementation Procedure
6. Conclusions
Author Contributions
Funding
Institutional Review Board Statement
Informed Consent Statement
Data Availability Statement
Conflicts of Interest
Abbreviations
| PGD | Particle gradation detection |
| CV | Computer vision |
| DIP | Digital image processing |
| DL | Deep learning |
| IIS | Image instance segmentation |
| YOLO | You Only Look Once |
| SE | Squeeze and excitation |
| MAR | Minimum area rectangle |
| GIS | Geographic information system |
| SNR | Signal-to-noise ratio |
| MAE | Mean absolute error |
| ISAT-SAM | Interactive Segment Anything Tool–Segment Anything Model |
| CBAM | Convolutional block attention module |
| P | Precision |
| R | Recall |
| mAP | Mean average precision |
| TP | True positives |
| FP | False positives |
| FN | False negatives |
| IoU | Intersection over union |
| PR | Precision–recall |
| AABB | Axis-aligned bounding box |
| RMSE | Root mean square error |
References
- Wu, J.; Feng, M.; Mao, X.; Xu, J.; Zhang, W.; Ni, X.; Han, G. Particle Size Distribution of Aggregate Effects on Mechanical and Structural Properties of Cemented Rockfill: Experiments and Modeling. Constr. Build. Mater. 2018, 193, 295–311. [Google Scholar] [CrossRef]
- Meng, M.; Deng, S.; Cui, H.; Yuan, Z.; He, X. Impact of Initial Gradation on Compaction Characteristics and Particle Crushing Behavior of Gravel under Dynamic Loading. Powder Technol. 2024, 447, 120216. [Google Scholar] [CrossRef]
- Liu, D.; Yang, J.; Dong, B. Discrete Element Analysis of the Influence of Compaction Quality on Mechanical Properties of Rockfill Materials. Comput. Geotech. 2022, 151, 104958. [Google Scholar] [CrossRef]
- Wang, S.; Miao, Y.; Wang, L. Effect of Grain Size Composition on Mechanical Performance Requirement for Particles in Aggregate Blend Based on Photoelastic Method. Constr. Build. Mater. 2023, 363, 129808. [Google Scholar] [CrossRef]
- Zhu, S.; Zhong, C.-X.; Zheng, X.-L.; Gao, Z.-P.; Zhan, Z.-G. Filling Standards and Gradation Optimization of Rockfill Materials. Chin. J. Geotech. Eng. 2018, 40, 108–115. [Google Scholar] [CrossRef]
- Cui, W.; Liu, G.; Song, H.; Wang, C. Mesoscopic Analysis of the Compaction Characteristics of Rockfill Materials Considering Gradation and Shape. Int. J. Geomech. 2023, 23, 10. [Google Scholar] [CrossRef]
- Liu, D.; Li, Z.; Lian, Z. Compaction Quality Assessment of Earth-Rock Dam Materials Using Roller-Integrated Compaction Monitoring Technology. Autom. Constr. 2014, 44, 234–246. [Google Scholar] [CrossRef]
- Chen, H.; Kang, A.-H.; Li, B.; Zhang, Y.; Zhu, Z. Research on Skid Resistance and Prediction Model of Hot In-Place Recycled Asphalt Pavement Based on Gradation and Aggregate Characteristics. Constr. Build. Mater. 2025, 490, 142531. [Google Scholar] [CrossRef]
- Roostaei, M.; Hosseini, S.A.; Soroush, M.; Velayati, A.; Alkouh, A.; Mahmoudi, M.; Ghalambor, A.; Fattahpour, V. Comparison of Various Particle-Size Distribution-Measurement Methods. SPE Reserv. Eval. Eng. 2020, 23, 1159–1179. [Google Scholar] [CrossRef]
- Zhou, Y.; Zhou, H.; Chen, T.; Hu, C.; Liang, Z.; Zhao, C.; Wang, F. Detection of Rockfill Gradation Based on Video Image Recognition. Autom. Constr. 2023, 154, 104965. [Google Scholar] [CrossRef]
- Igathinathane, C.; Pordesimo, L.O.; Columbus, E.P.; Batchelor, W.D.; Sokhansanj, S. Sieveless Particle Size Distribution Analysis of Particulate Materials through Computer Vision. Comput. Electron. Agric. 2009, 66, 147–158. [Google Scholar] [CrossRef]
- Yang, B.; Zhang, X.; Chen, L.; Yang, H.; Gao, Z. Edge Guided Salient Object Detection. Neurocomputing 2017, 221, 60–71. [Google Scholar] [CrossRef]
- Bai, F.; Fan, M.; Yang, H.; Dong, L. Image Segmentation Method for Coal Particle Size Distribution Analysis. Particuology 2021, 56, 163–170. [Google Scholar] [CrossRef]
- Yan, K.; Liu, G.; Li, Q.; Jiang, C.; Ren, T.; Li, Z.; Xie, L.; Wang, L. Corrosion Characteristics and Evaluation of Galvanized High-Strength Steel Wire for Bridge Cables Based on 3D Laser Scanning and Image Recognition. Constr. Build. Mater. 2024, 422, 135845. [Google Scholar] [CrossRef]
- Amiriebrahimabadi, M.; Rouhi, Z.; Mansouri, N. A Comprehensive Survey of Multi-Level Thresholding Segmentation Methods for Image Processing. Arch. Comput. Methods Eng. 2024, 31, 3647–3697. [Google Scholar] [CrossRef]
- Yang, M.; Ding, J.; Li, W.; Tian, A.; Pei, L.; Hao, X. A Coarse Aggregate Gradation Detection Method Based on 3D Point Cloud. Constr. Build. Mater. 2023, 377, 131111. [Google Scholar] [CrossRef]
- Guo, Q.; Wang, Y.; Yang, S.; Xiang, Z. A Method of Blasted Rock Image Segmentation Based on Improved Watershed Algorithm. Sci. Rep. 2022, 12, 7143. [Google Scholar] [CrossRef]
- Ren, Z.; Tan, Y.; Huang, L.; Yu, H. Optimization of Automatic Extraction Procedure for Particles in Asphalt Mixture towards Superior Robustness and Accuracy. Constr. Build. Mater. 2022, 342, 128002. [Google Scholar] [CrossRef]
- Sun, Q.; Zheng, J.; Li, C. Improved Watershed Analysis for Segmenting Contacting Particles of Coarse Granular Soils in Volumetric Images. Powder Technol. 2019, 356, 295–303. [Google Scholar] [CrossRef]
- Guo, Q.; Bian, Y.; Li, L.; Jiao, Y.; Tao, J.; Xiang, C. Stereological Estimation of Aggregate Gradation Using Digital Image of Asphalt Mixture. Constr. Build. Mater. 2015, 94, 458–466. [Google Scholar] [CrossRef]
- Yu, S.; Wen, Y.; Chen, Z.; Zhang, G.; Wang, Y.; Hao, J.; Zhang, Q. A Rapid Gradation Detection System for Earth and Stone Materials Based on Digital Image. Adv. Civ. Eng. 2021, 2021, 6660301. [Google Scholar] [CrossRef]
- Wang, W.; Li, C.; Zhao, X.; Song, P.; Li, J.; Zheng, J.; Bu, S.; Wang, X. An Image-Based Method for Evaluating Changes in Particle Size and Morphology Distributions of Aggregate Materials after Vibratory Compaction Test. Constr. Build. Mater. 2024, 430, 136483. [Google Scholar] [CrossRef]
- Liang, Z.; Nie, Z.; An, A.; Gong, J.; Wang, X. A Particle Shape Extraction and Evaluation Method Using a Deep Convolutional Neural Network and Digital Image Processing. Powder Technol. 2019, 353, 156–170. [Google Scholar] [CrossRef]
- Wang, W.; Su, C.; Zhang, H. Automatic Segmentation of Concrete Aggregate Using Convolutional Neural Network. Autom. Constr. 2022, 134, 104106. [Google Scholar] [CrossRef]
- Tsalicoglou, C.; Rösgen, T. Deep Learning Based Instance Segmentation of Particle Streaks and Tufts. Meas. Sci. Technol. 2022, 33, 114005. [Google Scholar] [CrossRef]
- Hu, X.; Fang, H.; Yang, J.; Fan, L.; Lin, W.; Li, J. Online Measurement and Segmentation Algorithm of Coarse Aggregate Based on Deep Learning and Experimental Comparison. Constr. Build. Mater. 2022, 327, 127033. [Google Scholar] [CrossRef]
- Li, F.; Liu, X.; Yin, Y.; Li, Z. A Novel Method for Particle Instance Segmentation and Size Measurement. IEEE Trans. Instrum. Meas. 2024, 73, 5006817. [Google Scholar] [CrossRef]
- Chen, N.; Ma, X.; Luo, H.; Peng, J.; Jin, S.; Wu, X.; Zhou, Y. Stone Segmentation Based on Improved U-Net Network. Signal Image Video Process. 2024, 18, 895–908. [Google Scholar] [CrossRef]
- Wei, X.; Zhao, Y.; Lu, X.; Zhang, M.; Du, J.; Guo, X.; Zhao, C. A High-Throughput Method for Monitoring Growth of Lettuce Seedlings in Greenhouses Based on Enhanced Mask2Former. Comput. Electron. Agric. 2024, 227, 109681. [Google Scholar] [CrossRef]
- He, K.; Gkioxari, G.; Dollár, P.; Girshick, R. Mask R-Cnn. In Proceedings of the IEEE International Conference on Computer Vision, Venice, Italy, 22–29 October 2017; pp. 2961–2969. [Google Scholar] [CrossRef]
- Peng, C.; Zheng, L.; Liang, Q.; Li, T.; Wu, J.; Cheng, X. ST-SOLOv2: Tracing Depth Hoar Layers in Antarctic Ice Sheet From Airborne Radar Echograms with Deep Learning. IEEE Trans. Geosci. Remote Sens. 2024, 62, 4303014. [Google Scholar] [CrossRef]
- Shamsollahi, D.; Moselhi, O.; Khorasani, K. Automated Detection and Segmentation of Mechanical, Electrical, and Plumbing Components in Indoor Environments by Using the YOLACT++ Architecture. J. Constr. Eng. Manag. 2024, 150, 04024100. [Google Scholar] [CrossRef]
- Bi, X.; Hu, J.; Xiao, B.; Li, W.; Gao, X. IEMask R-CNN: Information-Enhanced Mask R-CNN. IEEE Trans. Big Data 2023, 9, 688–700. [Google Scholar] [CrossRef]
- Lai, W.; Hu, F.; Kong, X.; Yan, P.; Bian, K.; Dai, X. The Study of Coal Gangue Segmentation for Location and Shape Predicts Based on Multispectral and Improved Mask R-CNN. Powder Technol. 2022, 407, 117655. [Google Scholar] [CrossRef]
- Zhang, R.; Li, K.; Yu, F.; Zhang, H.; Gao, Z.; Huang, Y. Aggregate Particle Identification and Gradation Analysis Method Based on the Deep Learning Network of Mask R-CNN. Mater. Today Commun. 2023, 35, 106269. [Google Scholar] [CrossRef]
- Qin, J.; Wang, J.; Lei, T.; Sun, G.; Yue, J.; Wang, W.; Chen, J.; Qian, G. Deep Learning-Based Software and Hardware Framework for a Noncontact Inspection Platform for Aggregate Grading. Measurement 2023, 211, 112634. [Google Scholar] [CrossRef]
- Zhang, Z.; Yin, X.; Yan, Z. Rapid Data Annotation for Sand-like Granular Instance Segmentation Using Mask-RCNN. Autom. Constr. 2022, 133, 103994. [Google Scholar] [CrossRef]
- Li, X.; Li, S.; Dong, L.; Su, S.; Hu, X.; Lu, Z. An Image Segmentation Method of Pulverized Coal for Particle Size Analysis. Int. J. Min. Sci. Technol. 2023, 33, 1181–1192. [Google Scholar] [CrossRef]
- Redmon, J.; Divvala, S.; Girshick, R.; Farhadi, A. You Only Look Once: Unified, Real-Time Object Detection. In Proceedings of the 2016 IEEE Conference on Computer Vision and Pattern Recognition (CVPR), New York, NY, USA, 27–30 June 2016; pp. 779–788. [Google Scholar] [CrossRef]
- Hussain, M. YOLOv1 to v8: Unveiling Each Variant–A Comprehensive Review of YOLO. IEEE Access 2024, 12, 42816–42833. [Google Scholar] [CrossRef]
- Badgujar, C.M.; Poulose, A.; Gan, H. Agricultural Object Detection with You Only Look Once (YOLO) Algorithm: A Bibliometric and Systematic Literature Review. Comput. Electron. Agric. 2024, 223, 109090. [Google Scholar] [CrossRef]
- Ali, M.L.; Zhang, Z. The YOLO Framework: A Comprehensive Review of Evolution, Applications, and Benchmarks in Object Detection. Computers 2024, 13, 336. [Google Scholar] [CrossRef]
- Li, X.; Zhao, S.; Chen, C.; Cui, H.; Li, D.; Zhao, R. YOLO-FD: An Accurate Fish Disease Detection Method Based on Multi-Task Learning. Expert. Syst. Appl. 2024, 258, 125085. [Google Scholar] [CrossRef]
- Ragab, M.G.; Abdulkadir, S.J.; Muneer, A.; Alqushaibi, A.; Sumiea, E.H.; Qureshi, R.; Al-Selwi, S.M.; Alhussian, H. A Comprehensive Systematic Review of YOLO for Medical Object. Detection (2018 to 2023). IEEE Access 2024, 12, 57815–57836. [Google Scholar] [CrossRef]
- Kang, S.; Hu, Z.; Liu, L.; Zhang, K.; Cao, Z. Object Detection YOLO Algorithms and Their Industrial Applications: Overview and Comparative Analysis. Electronics 2025, 14, 1104. [Google Scholar] [CrossRef]
- Mao, M.; Hong, M. YOLO Object Detection for Real-Time Fabric Defect Inspection in the Textile Industry: A Review of YOLOv1 to YOLOv11. Sensors 2025, 25, 2270. [Google Scholar] [CrossRef] [PubMed]
- Chen, D.; Kang, F.; Li, J.; Zhu, S.; Liang, X. Enhancement of Underwater Dam Crack Images Using Multi-Feature Fusion. Autom. Constr. 2024, 167, 105727. [Google Scholar] [CrossRef]
- Zhang, B.; Li, J.; Bai, Y.; Jiang, Q.; Yan, B.; Wang, Z. An Improved Microaneurysm Detection Model Based on SwinIR and YOLOv8. Bioengineering 2023, 10, 1405. [Google Scholar] [CrossRef]
- Zhang, X.; Dong, T.; Yan, L.; Yang, Z.; Zhang, J. LAtt-Yolov8-Seg: Video Real-Time Instance Segmentation for Urban Street Scenes Based on Focused Linear Attention Mechanism. In Proceedings of the International Conference on Computer Vision and Deep Learning, New York, NY, USA, 1 June 2024; pp. 1–5. [Google Scholar] [CrossRef]
- Wang, P.; Deng, H.; Guo, J.; Ji, S.; Meng, D.; Bao, J.; Zuo, P. Leaf Segmentation Using Modified YOLOv8-Seg Models. Life 2024, 14, 780. [Google Scholar] [CrossRef] [PubMed]
- Xiong, C.; Zayed, T.; Abdelkader, E.M. A Novel YOLOv8-GAM-Wise-IoU Model for Automated Detection of Bridge Surface Cracks. Constr. Build. Mater. 2024, 414, 135025. [Google Scholar] [CrossRef]
- Meng, A.; Zhang, X.; Yu, X.; Jia, L.; Sun, Z.; Guo, L.; Yang, H. Investigation on Lightweight Identification Method for Pavement Cracks. Constr. Build. Mater. 2024, 447, 138017. [Google Scholar] [CrossRef]
- Xiao, B.; Xiao, H.; Wang, J.; Chen, Y. Vision-Based Method for Tracking Workers by Integrating Deep Learning Instance Segmentation in off-Site Construction. Autom. Constr. 2022, 136, 104148. [Google Scholar] [CrossRef]
- Bai, R.; Wang, M.; Zhang, Z.; Lu, J.; Shen, F. Automated Construction Site Monitoring Based on Improved YOLOv8-Seg Instance Segmentation Algorithm. IEEE Access 2023, 11, 139082–139096. [Google Scholar] [CrossRef]
- Hu, Y.; Wang, J.; Wang, X.; Sun, Y.; Yu, H.; Zhang, J. Real-Time Evaluation of the Blending Uniformity of Industrially Produced Gravelly Soil Based on Cond-YOLOv8-Seg. J. Ind. Inf. Integr. 2024, 39, 100603. [Google Scholar] [CrossRef]
- Dan, H.-C.; Huang, Z.; Lu, B.; Li, M. Image-Driven Prediction System: Automatic Extraction of Aggregate Gradation of Pavement Core Samples Integrating Deep Learning and Interactive Image Processing Framework. Constr. Build. Mater. 2024, 453, 139056. [Google Scholar] [CrossRef]
- Hu, Y.; Wang, J.; Wang, X.; Guan, T. Occlusion-Aware Particle Size Distribution Detection of Gravel Material Based on the Improved Bilayer Convolutional Network. Constr. Build. Mater. 2023, 404, 133263. [Google Scholar] [CrossRef]
- Cheng, X.; Yang, J.; Fang, H.; Yu, W. Research on the Online Prediction Method of Coarse Aggregates Packing Void Ratio Based on Particle Shape and Grading. Constr. Build. Mater. 2025, 458, 139698. [Google Scholar] [CrossRef]
- Chiu, M.-C.; Tsai, H.-Y.; Chiu, J.-E. A Novel Directional Object Detection Method for Piled Objects Using a Hybrid Region-Based Convolutional Neural Network. Adv. Eng. Inform. 2022, 51, 101448. [Google Scholar] [CrossRef]
- Xia, X.; Meng, Z.; Han, X.; Li, H.; Tsukiji, T.; Xu, R.; Zheng, Z.; Ma, J. An Automated Driving Systems Data Acquisition and Analytics Platform. Transp. Res. Part. C Emerg. Technol. 2023, 151, 104120. [Google Scholar] [CrossRef]
- Fan, H.; Tian, Z.; Xu, X.; Sun, X.; Ma, Y.; Liu, H.; Lu, H. Rockfill Material Segmentation and Gradation Calculation Based on Deep Learning. Case Stud. Constr. Mater. 2022, 17, e01216. [Google Scholar] [CrossRef]
- Zhang, D. An Extended Opening Operation and Its Application in Image Processing. In Proceedings of the 2008 International Conference on MultiMedia and Information Technology, Three Gorges, China, 30–31 December 2008; pp. 377–380. [Google Scholar] [CrossRef]
- Chen, G.; Cui, G.; Jin, Z.; Wu, F.; Chen, X. Accurate Intrinsic and Extrinsic Calibration of RGB-D Cameras with GP-Based Depth Correction. IEEE Sens. J. 2019, 19, 2685–2694. [Google Scholar] [CrossRef]
- Woo, S.; Park, J.; Lee, J.-Y.; Kweon, I.S. Cbam: Convolutional Block Attention Module. In Proceedings of the European Conference on Computer vision (ECCV), Munich, Germany, 8–14 September 2018; pp. 3–19. [Google Scholar] [CrossRef]
- Hu, J.; Shen, L.; Sun, G. Squeeze-and-Excitation Networks. In Proceedings of the IEEE Conference on Computer Vision and Pattern Recognition, Salt Lake City, UT, USA, 18–23 June 2018; pp. 7132–7141. [Google Scholar] [CrossRef]
- Toussaint, G.T. Solving Geometric Problems with the Rotating Calipers. In Proceedings of the IEEE Melecon, Athens, Greece, 24–26 May 1983; Volume 83, p. A10. [Google Scholar]
- Li, Q.; Dai, G.; Wang, M. Research on Algorithm for Generating Min-Area Rectangle Encasing Box for Closed Contour. J. Earth Sci. 2003, 14, 381–384. [Google Scholar]























| Data Set | Numbers of Images | ||
|---|---|---|---|
| Group I (Figure 14a) | Group II (Figure 14b) | Group III (Figure 14c) | |
| Training set | 355 | 559 | 1780 |
| Validation set | 104 | 201 | 446 |
| Testing set | - | - | 560 |
| Model | Precision | Recall | IoU | mAP50 | mAP50-95 | Time (s) |
|---|---|---|---|---|---|---|
| Mask R-CNN | - | - | 0.915 | 0.870 | - | 1.57 |
| Mask R-CNN-SE | - | - | 0.916 | 0.899 | - | 1.81 |
| YOLACT | - | - | 0.720 | 0.591 | 0.178 | 0.26 |
| SOLOv2 | - | - | 0.930 | 0.955 | 0.851 | 0.39 |
| YOLOv8-seg | 0.915 | 0.934 | 0.924 | 0.975 | 0.913 | 0.35 |
| YOLOv8-seg-CBAM-SE | 0.923 | 0.935 | 0.928 | 0.978 | 0.917 | 0.36 |
| Model | Precision | Recall | IoU | mAP50 | mAP50-95 | Time (s) |
|---|---|---|---|---|---|---|
| Mask R-CNN | - | - | 0.883 | 0.773 | - | 2.50 |
| Mask R-CNN-SE | - | - | 0.897 | 0.805 | - | 2.75 |
| YOLACT | - | - | 0.678 | 0.417 | 0.109 | 0.36 |
| SOLOv2 | - | - | 0.920 | 0.935 | 0.809 | 0.50 |
| YOLOv8-seg | 0.885 | 0.896 | 0.902 | 0.955 | 0.803 | 0.45 |
| YOLOv8-seg-CBAM-SE | 0.905 | 0.899 | 0.910 | 0.961 | 0.857 | 0.44 |
| Model | Parameters | Gradients | Training Time (s) | Batch Size |
|---|---|---|---|---|
| Mask R-CNN | 44M | 44M | 507 | 4 |
| Mask R-CNN-SE | 44M | 44M | 508 | 4 |
| YOLACT | 30.74M | 30.74M | 40 | 4 |
| SOLOv2 | 65.22M | 65.22M | 47 | 4 |
| YOLOv8-seg | 3.26M | 3.26M | 4.05 | 16 |
| YOLOv8-seg-CBAM-SE | 3.28M | 3.28M | 4.07 | 16 |
| Shooting Distance | Shooting Angle | Imaging Device Pixel Requirement |
|---|---|---|
| 40 cm–80 cm | ≤20° | >3000 × 3000 pixels |
| Weight | IoU | mAP50 | mAP50-95 |
|---|---|---|---|
| Pre-trained weight | 0.903 | 0.939 | 0.805 |
| Fine-tuned weight | 0.910 | 0.961 | 0.857 |
Disclaimer/Publisher’s Note: The statements, opinions and data contained in all publications are solely those of the individual author(s) and contributor(s) and not of MDPI and/or the editor(s). MDPI and/or the editor(s) disclaim responsibility for any injury to people or property resulting from any ideas, methods, instructions or products referred to in the content. |
© 2025 by the authors. Licensee MDPI, Basel, Switzerland. This article is an open access article distributed under the terms and conditions of the Creative Commons Attribution (CC BY) license (https://creativecommons.org/licenses/by/4.0/).
Share and Cite
Tang, Y.; Zhao, S.; Qin, H.; Ming, P.; Fang, T.; Zeng, J. An End-to-End Particle Gradation Detection Method for Earth–Rockfill Dams from Images Using an Enhanced YOLOv8-Seg Model. Sensors 2025, 25, 4797. https://doi.org/10.3390/s25154797
Tang Y, Zhao S, Qin H, Ming P, Fang T, Zeng J. An End-to-End Particle Gradation Detection Method for Earth–Rockfill Dams from Images Using an Enhanced YOLOv8-Seg Model. Sensors. 2025; 25(15):4797. https://doi.org/10.3390/s25154797
Chicago/Turabian StyleTang, Yu, Shixiang Zhao, Hui Qin, Pan Ming, Tianxing Fang, and Jinyuan Zeng. 2025. "An End-to-End Particle Gradation Detection Method for Earth–Rockfill Dams from Images Using an Enhanced YOLOv8-Seg Model" Sensors 25, no. 15: 4797. https://doi.org/10.3390/s25154797
APA StyleTang, Y., Zhao, S., Qin, H., Ming, P., Fang, T., & Zeng, J. (2025). An End-to-End Particle Gradation Detection Method for Earth–Rockfill Dams from Images Using an Enhanced YOLOv8-Seg Model. Sensors, 25(15), 4797. https://doi.org/10.3390/s25154797

